

Привет ребята! Ну что начнём?)) Постараюсь изложить всё подробно и максимально понятно в одном посте, что б не искать по частям, тем кто решит сделать сам. Сразу скажу что всю информацию брал и собирал здесь на сайте, так что если кто-то увидит свои фото или информацию, не пинайте))
Часть 1. Восстановление креплений и устранение недочётов.
В предыдущем посте я говорил что фары с дефектами. Итак что мы имеем: Левая фара — отсутствует полностью верхнее крепление фары (точка крепления к телевизору),

правая фара — частично отсутствует нижнее крепление (точка крепления нижняя часть крыла, что под углом бампера. Для этого была куплена фара-донор за 1000 рублей.

Оба отсутствующих крепления срезал с неё и с помощью паяльника припаял на новые.

Для спокойствия пролил места пайки Поскиполом. На мой взгляд получилось довольно таки крепко и надёжно))




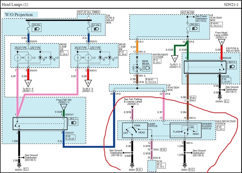
Часть 2. Электрика.
Здесь я сразу хочу сказать что данная переделка реализована на подрулевом переключателе с режимом "AUTO",

который я установил ранее при установке ПТФ. Если вы будете делать на обычном (без режима "auto") то вам нужно сюда .
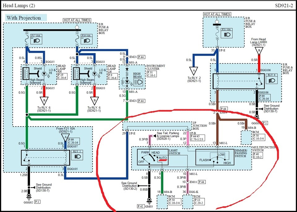
Так как схемы света обычных фар и линзованых имеют различия:


Первым делом необходимо перепиновать разъём подрулевого переключателя (М02-L), что бы он корректно работал, т.к. простая замена одного подрулевого на другой ничего не даст! Значительно отличается принцип работы. Итак разъём М02-L:


Пины с 1го по 8й не трогаем, соответствует. остаются пины 9й, 12й, 13й и 14й. Кстати на обычном переключателе нет ножек 10го и 11го пинов, а на переключателе с режимом "AUTO" они есть, но нет ножки 14го пина (так для справки). Итак вытаскиваем 9й, 12й, 13й и 14й пины из разъёма и вставляем в следующей последовательности:
Бывший 9й (чёрный) вставляем а место 13го пина, это будет масса дальнего света,
Бывший 12й контакт (2 розовых провода с черной полоской) вставляем в место 9го пина,
Бывший 13й контакт (розовый провод) вставляем а место 12го пина,
Бывший 14й контакт (красый провод) вставляем а место 10го пина.
Готово! далее перебираемся в моторный отсек в район фар.
Кстати перед установкой не забудьте купить пару 5ти контактных реле, которые необходимы для реализации габаритов и ДХО, а так же 1 диод на 10А!
Имея на руках новые (круглые) разъёмы

необходимо поставить их вместо старых (квадратных):
Пины 1, 7 нового соединить и подключить к 8му пину(красный) старого, это "+" Лампы и шторки,
Пин 2 нового подключить к 6му пину(белый) старого, это "-" Лампы,
Пин 3 нового подключить к 7му пину(зеленый) старого, это "-" шторки (Включение дпльнего),
Пин 9 нового (это "+" поворота) подключить к пину 2 разъёма EGG75 зелёный провод на левой фаре, синий на правой фаре(отдельно расположен),
Пин 10 нового (это "-" поворота) подключить к пину 1 разъёма EGG75, EGG76 (отдельно расположены) на обеих фарах чёрные провода,
Далее пины 4,5 и 6. это наши габариты и ДХО. Здесь мы берём 5ти контактное реле и подключаем по такой схеме:

Контакт 85 реле подключаем на массу 5й пин старого разъёма,
Контакт 86 реле подключаем к 1му пину старого разъёма (+12 габарит), для того что бы в момент включения габаритов ресничка переключалась из режима ДХО в режим габарит (притухала),
Контакт 30 реле подключаем к 8му пину старого разъёма, куда ранее подключили Лампы и шторки, т.к. здесь появляется постоянный "+" после включения зажигания.
Контакт 87а подключаем к 5му пину НОВОГО разъёма (ДХО),
Контакт 87 подключаем к 4му пину НОВОГО разъёма(габарит).


Далее корректор фар. В обычных фарах он встроен и питание к нему подходит в основном разъёме. На линзовых фарах корректор вынесен отдельно,

а следовательно подключаем его отдельно:
Пин 1 масса корректора кидаем на пин 4 (коричневый) старого разъёма,
Пин 2 сигнал корректора кидаем на пин 3 (красный) старого разъёма,
Пин 3 питание корректора кидаем на пин 2 (желтый) старого разъёма
Почти всё))) осталось впаять ранее купленный диод между контактами 2 и 3 нового разъёма, это необходимо для того чтоб дальний моргал после включения зажигания, иначе он будет моргать лишь при включенном свете. Диод паять на любом разъёме.
Готово! катаемся и радуемся!))
P.S. забыл… предохранитель дхо из блока вытащите, чтоб не включался свет после того как снимите с ручника)






Комментарии 120
Добрый день. И снова я к вам за советом, возможно вы знаете в чем проблема. Собрал переходник по вашей схеме, проверил правильность сборки, и такая проблема, когда подключаю 6 пин нового разьема на массу кузова, то сразу включаются дхо на максимум, а замок зажигание при этом выключен. Единственное что, пока не припаял диод, но я думаю он здесь не при чем, ведь он для шторки дальнего света.
Я никаких переходником не делал. Я подключал новые круглые разъёмы вместо старых квадратных
Понял. У меня на 8 пину старого разьема постоянный плюс и из-за этого горит всегда дхо. А у вас как я понял плюс появляется только при включенном зажигании. Возможно вы знаете почему так. Либо же 30 контакт реле перекинуть на другой какой нибудь плюс который управляется от замка зажигания.
Я не могу так сходу сказать. Я ж не знаю что вы и куда переделывал. У вас подрулевой какой? С режимом auto или обычный?
Обычный подрулевой, без режима авто. А переделывал по вашей схеме с рефлекторных фар, на линзы с дхо. Или ваша схема только с режимом авто?
Если пост внимательно читали, то и вопросов не было)
Ясно. Спасибо. Просто схем подключения реле к дхо я больше нигде не нашел.
Принцип работы реле не меняется, нужно просто понять как его правильно подключить в вашей машине
Спасибо, буду думать🤝
Добрый день. А подскажите какой именно диод нужен?
Я кажется на 10А ставил, можно меньше
А какого типа? Импульсный, выпрямляющий?лавинный ?
Без понятия, купил и поставил)
Всем, привет! Кто что скажет. Вопрос стоит, поставить фары на солярис 2012 от рестайлинга. Либо взять аналоги депо, джордон, Sat с целыми креплениями и воткнуть туда Bi led, либо взять на разборке оригинал, сделать крепления и поставить Bi Led. Есть какая то разница в пластике и формах
На аналоге дхо горят быстро. А вообще постить этот вопрос в комментариях моего поста, такое себе)) кроме меня мало кто прочитает
Мне и ваше мнение важно, так как свои собрали с хорошими повреждения. Может кто ещё прочитает напишет)) Хочу себе поставить такие же фары. Есть 2 фары почти целые оригинальные на корпусах чуть подпаять крепления надорваны поодному укреплению. На одной стекло подзамену, на второй стекло и вся внутрянка подзамену, из за трещены в стекле фара потела что весь хром накрылся. Вот и думаю либо подпаять крепления и поставить оригинальные стекла, ещё одни найти фары по цене вокруг выходит 8-9 000. Либо взять аналог и поставить внутрянку от оригиналов на круг 11 000 выходит.
Лучше поищи оригиналы, на авито есть по нормальной цене. Не обязательно брать сразу 2 фары комплектом. Выбирай наиболее целые. Снаружи крепления восстановить вообще не проблема, а вот пересылать внутрянку из одной в другую на мой взгляд сомнительно.
Спасибо большое за совет! Буду искать оригиналы))) Всё же склоняюсь что оригинальный пластик он и есть оригинальный.
А ещё вопрос. У Вас ДХО горят когда машина на автозапуске возле дома стоит?
Оригинал не пожелтеет это точно. Дхо горит на автозапуске.
Спасибо огромное! Будем ковырять интернет и машину дальше)))
Удачи!
Добрый день! Подскажите пожалуйста, а как реализовали автовключение. Подрулевой поменяли пины перекинули. Нужен же ещё и фотодатчик. У меня солярис 2012 года с климат контролем.
Честно говоря до конца именно автосвет не доделал, но фотодатчик покупал именно с функцией автосвета
Dimon354
Добрый день! Подскажите пожалуйста, а как реализовали автовключение. Подрулевой поменяли пины перекинули. Нужен же ещё и фотодатчик. У меня солярис 2012 года с климат контролем.
Т.к. в моей машине нет всм (блок комфорта) нужно добавить реле от приоры и всё заработает
Спасибо! Будем ждать продолжения)))
Так уже для переходников диоды и реле подготовил, реле взял от сигналки старой, оказалось не нужны.
Реле всегда пригодятся в хозяйстве
Такие же подозрения и у меня, да так и есть, автосвет тоже стал работать.Правда времени зпняло порядком упорядочить провода в разъëме согласно алгоритму работы, хорошо что на работе имеется обжимка под купленные пины, проводов синих куча, но они разные по назначению, управляется по сути минусами, плюс на фаре присутствует постоянно, даже когда ключи из зажигания вытащены, контролька всë разрулила, коллега вчера вечером катался говорит свет небо и земля разница.
Ну мои поздравления вам! Всё в сток вернули)
Viking7811
Такие же подозрения и у меня, да так и есть, автосвет тоже стал работать.Правда времени зпняло порядком упорядочить провода в разъëме согласно алгоритму работы, хорошо что на работе имеется обжимка под купленные пины, проводов синих куча, но они разные по назначению, управляется по сути минусами, плюс на фаре присутствует постоянно, даже когда ключи из зажигания вытащены, контролька всë разрулила, коллега вчера вечером катался говорит свет небо и земля разница.
Приветствую. Подскажи пожалуйста почему плюс постоянный в фаре? Он же должен появляться после включения зажигания! Как решил?
А что решать тут, а то что он должен появляться там после включения зажигания вы по схеме нашли или из своих убеждений?
nemec12131
Приветствую. Подскажи пожалуйста почему плюс постоянный в фаре? Он же должен появляться после включения зажигания! Как решил?
Не всегда и не везде плюс пропадает после выключения зажигания.
Видимо разница в автосвете?
На одной машине дхо отключаются, на другой нет.
Они включаются после запуска двигателя и притухают наполовину кагда ближний включаешь или птф, на моем рио так же, выключаются полностью дхо только когда на стояночный тормоз машину ставишь.
А у меня включены постоянно. Даже когда ключи вытащил
Если не трудно, по подрулевому, подскажите, нужно перепиновывать или нет.
Я не могу сказать. Если подрулевой с завода то не нужно переделывать, восстановите заводские разъёмы на фарах и готово. А если этот подрулевой ставили сами, то там нужно смотреть и проверять что и как подключено
Так и получилось, восстановили разъëмы, всë работает штатно без диодов и реле, кто и зачем перепатрошил проводку под какие-то не понятные фары мне не понятно, люди наоборот переделывают под линзовые, а тут не понятно.
А тут всё предельно понятно. Прежний хозяин, скорее всего после ДТП, узнал цену линзовых фар и зажал денег на них. Купил обычные и переколхозил проводку. Вот и всё)) Так что вам с одной стороны повезло
Viking7811
Так и получилось, восстановили разъëмы, всë работает штатно без диодов и реле, кто и зачем перепатрошил проводку под какие-то не понятные фары мне не понятно, люди наоборот переделывают под линзовые, а тут не понятно.
По идее на машине даже автосвет должен работать
Не могу сказать что на машине с завода было, сейчас стоят какие-то линзовые левые китайские, там подключено "прямым монтажем" в фару чисто пины воткнуты без разъема залито герметиком и изолентой замотано, купили фары новые нормальные линзовые, разъëмы к ним, хочу восстановить чтоб по заводу было, а не на соплях, машина не моя, а моего коллеги.
Добрый день, подскажитепожалуйста, разъëм M02-L нужно перепиновывать, если подрулевой переключатель с режимом AUTO установлен на машине с завода?
У меня встречный вопрос. А как на машине с таким подрулевым, установлены с завода, могут стоять обычные фары?
Перепиновка подрулевого нужна только с режимом авто?
Да
Понял, благодарю)
Dimx100ao
Да
Слушай, не понял куда делся 6 контакт в новом разъеме, по схеме получается что он к 5 контакту старого разъеме не подключается и к реле тоже, его пустым оставлять?
Неужели не понятно что это масса и его нужно подключить на массу?
Здравствуйте! Подскажите пожалуйста! По вашей схеме получится сделать? В этих фарах отсутствует 10 пин.
Это не 10й а 8й пин. Его и нет по схеме
Где разъём брал на новые фары?
Купил вместе с фарами, в вообще они на алиэкспресс продаются за копейки
Спасибо)
Было б за что) смотри если будешь брать с али разъёмы, они очень туго садятся в фары. А надо вставлять до фиксации. Иначе контакта не будет. Я парню ставил фары на такие разъёмы. Но в принципе потом они легче одеваются.
Хорошо
а корпус фар сильно отличается?
Абсолютно одинаково
А почему корпус целиком не поменял тогда? Или это слишком муторно?
Ради чего? Корпус номинально такой, в смысле становится фара без проблем. По факту от обычной фары корпус не подойдёт! Он абсолютно другой, сама конструкция другая
Вот я и спрашиваю про это.
Глупо всю фару вскрывать из-за одного крепления
Возможно.
Какой то интересный галоген похожий на ксен
Фото искажает действительность, поверь там галоген и светит как галоген)
Понял)
Добрый день, что за галогенные лампы в линзах?
В смысле? Тип или производитель?
То и то?
HB 3, а производитель на вкус. Филлипс, Осрам…
Добрый день
Что за свето диоды стоят в линзах, и какой там цоколь?
В линзах галоген стоит. Лампы HB3
А с виду светят белым)
Ты про линзы или дхо?
Про линзы
Да обычный галоген
Свето диоды есть на них?
Да есть. Тут у кого-то пост читал про диоды. Правда человеку не очень понравились диоды и он обратно галоген поставил кажется
Я ставил в линзы диодные лампы. Не впечатлило. Поставил дишовский кетайские зенон. Результат понравился больше.
Да может у тебя и читал. Я катаю на галогене и норм
Сейчас авиты полистал насчёт фара-линза, нет, не готов уже тратиться на замену фар. Со своим колхозом поезжу. Тем более что светят мои линзы вполне себе. Но больше этим самопалом не буду заниматься. Хочу заводское. Штатное.
Завод есть завод)
Спасибо!
Все подробно и наглядно!
Надеюсь пригодится инфа кому-нибудь
понятно теперь. спасибо
Учи матчасть!)
До рестайлинг с какого года машины они что подошли? Или они просто переделанные на линзы? У меня 11 год с какого года с линзами подойдут?
Дорестайл это как раз с 11го по 14й, на рестайле совсем другие фары по форме
Это с с какого года? У тебя до рестайлинг так же…
Да у меня дорестайл
Извини конечно не читал может не читал про них у тебя, что и интересуюсь с какого года эти фары что поставил у тебя, или линзы сами ставили самопал?
Это заводские оригинальные фары. С 13го года их ставили на дорогие комплектации
Добрый вечер, а старые фары куда дели?
Положил в сарай
У меня коллега тоже хочет сменить на линзованные фары, ищет найти не может…
Тут как говорится есть два варианта: побыстрее дорогой и бюджетно долго))
Бюджетно со стаховых или на авито выцеплять или искать или кто меняет ?
Искать на Авито или иметь хорошего знакомого на разборке
Спасибо, бум иметь в виду👌
Что осталось от нищеброда?!
Название 😉👍
Ещё есть к чему стремиться 😉
шикарно смотрится 👍👍
200%!))
Красава!
Всё классно работает.
Вроде да, во всяком случае меня такой алгоритм устраивает. Интересно а штатно так же работают дхо?
Хз у меня их нет.У меня туманки)
Dimx100ao
Вроде да, во всяком случае меня такой алгоритм устраивает. Интересно а штатно так же работают дхо?
Да, так же. Только, вроде, от ручного тормоза — не тухнет.
Так я предохранитель вытащил и дхо включаются вне зависимости от того поднят ручник или нет
Так я за это и говорю. Штатно на авто после 13г с такими фарами нет функции отключения ДХО в фарах от ручного тормоза.
Теперь датчик света надо примудрить и со светом вроде все.
Поздравляю!
Спасибо Умар!)
Отлично все расписал и рассказал.Получилось бомба.
Просто себя на место других поставил)) может пригодится кому.
Однозначно пригодится.))
Да, а туманки с дхо стоят космос, поэтому bi led линзы поставлю и нормально будет.
Согласен гнуть не по-детски)
Нету:(
Ну да, тогда ещё и бампер помимо фар менять
Хорошо у вас на солярисе фары на дорестайл линзованные есть, а мне чтоб поставить, всю морду менять.поэтому линзы сам поставлю.
А разве на рио линз не было на дорестайле?