
Так, и так) как раньше я уже писал, хотел улучшить свет путём установки Лед ламп, немного погуглил, я понял что у ланчиков это болезнь, т.к. проводка на фары идёт слабенькая и Из за этого, то что выдаёт генератор (14,5v) не доходит до ламп (получаем около 12v).
Зашёл на олх и опа, там уже есть готовое решение, что бы опять не писали что это реклама, ищите сами, да и найдёте!
В общем покупаем уже готовую проводку, с релюшками и кидаем напрямую к акуму, в крышках фар сверлим отверстие 40мм (я это сделал перьевым сверлом), откидываем штатные штекер с ламп, одеваем на лампы штекер с новой проводки и старый штекер с левой лампы конектим к штекеру на новой проводке для управления светом, . Закрываем крышки и получаем освещение в 2-а раза ярче, у меня так точно, хорошо стала видна граница освещения, теперь только осталось фары подрегулировать.
Внизу цена за проводку+сверло+доставка.













Комментарии 19
Мои комплекты, кому надо, обращайтесь.
где реле закрепил?
я закрепил на креплении для Акума.
Где такие заказать?
ищите на ОЛХ есть.
EgoriYo
Где такие заказать?
а зачем она тебе, если ты писал, что купил би-линзы?
Думаю все равно просадки есть
Физику не обманишь, на этом комплекте проводки потеря всего 0.3 — 0.5 В.
Тоже установил доп проводку. Свет стал намного лучше! Покупал здесь, на драйве.
На обычных галогенках лучше стал?
Да, ощутимо. Галогенки самые простые.
Да вот думал что лучше. Диодные взять или доработать проводку…
Доработать.
Спасибо
Neos158
Да вот думал что лучше. Диодные взять или доработать проводку…
Сначала доработать, потом все остальное.
Neos158
Да вот думал что лучше. Диодные взять или доработать проводку…
Сначало "доработать", потом диоды.
Когда надоест — выкинуть всё к … и поставить би-ксеновые линзы или би-лед линзы. Тогда и появится свет!
Обрати внимание, после установки, многие пишут в названии поста "Прозрение …"
Neos158
Да вот думал что лучше. Диодные взять или доработать проводку…
Скажу больше. Я не покупал проводку. Брал провод 1.5, ставил два реле, тянул на фары, в гофре и подключал с помощью "мам" в фишку фары, как по заводу … Чуть лучше, НО!
Свет появился, только после установки линз.
А на линзах уже не ставят такую доп проводку ? Просто интересно одни говорят нет смысла если линзы другие наоборот надо ставить .
Зачем она там? На линзы, эта проводка нужна, как зайцу стоп сигнал!
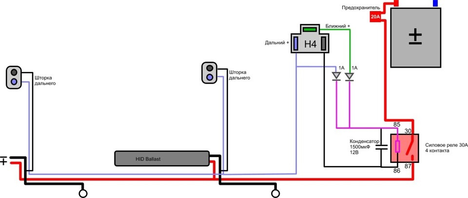
Вот рабочая схема, взятая с Драйва.
Нужно провода, если не ошибаюсь, метров 5, сечением 1.5 и реле.
Р.s. ни одной проводки, я не покупал. Купить кусок провода и поставить по схеме — не такая и сложная задача.)))