Не будем тянуть кота за лямку…

К данной схеме на всякий случай необходимо дать пояснения:
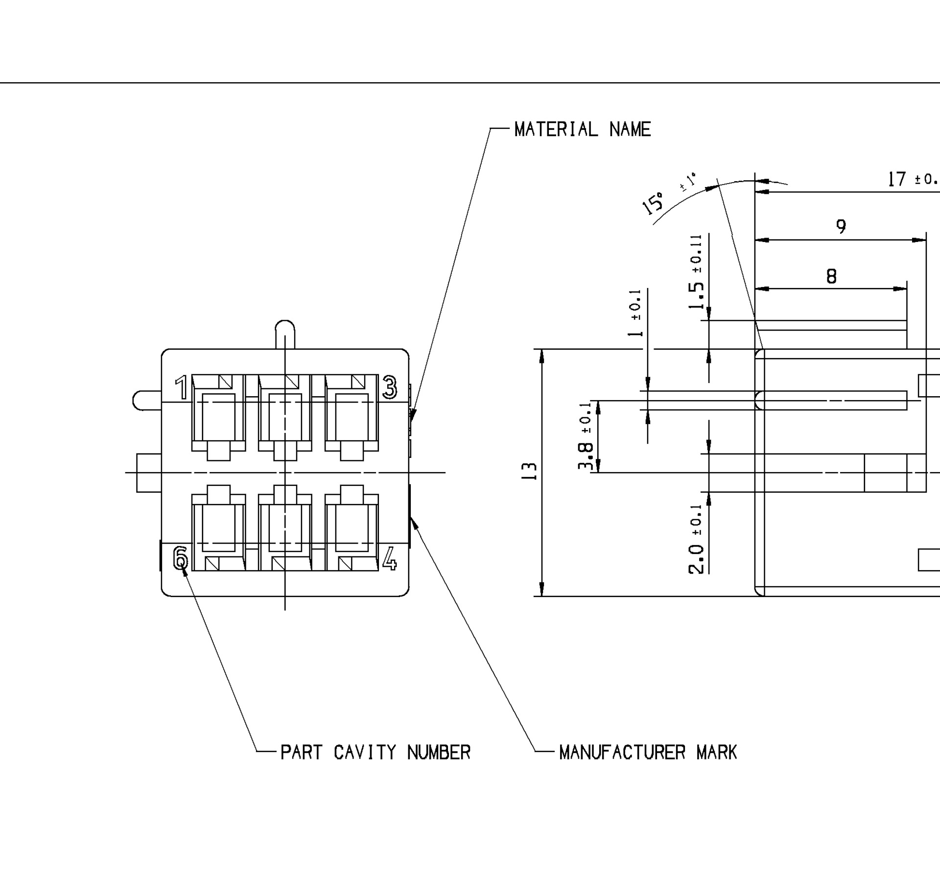
Нумерация пинов разъемов подписанная красным-заводская, синим-вымышленная (так как не удалось найти документации на некоторые разъемы, либо она на японском :) ).
Разъем водительской двери изображен контактами к нам, те разъемы к которым я нашел документацию-в основном изображены "задом" (это касается почти всех ТЕ разъемов). Ну а те которые изображены боком(анфасом или че еще) — я думаю тут все понятно, расположили разъем перед собой аналогичным образом и поняли куда идет тот или иной контакт.
Важный момент! Розовый разъем изображен сзади(защелка слева):


Еще нюанс-у Aptiv странная нумерация, верхний ряд слева-направо, нижний ряд справо-налево (это отображено на схеме, просто-это не моя придумка):

Именно поэтому пришлось указать в розовом разъеме недостающие пины цифрой-попробуйте посчитать контакты змейкой…Ага? Подстава? Вот-и оно, а надо как я указал, ведь это ТЕ, а они считают слева направо, вне зависимости от ряда.
Теперь о комплектации или о том что есть в этой проводке, текстом (перечислю чего нет, так короче):
-нет управления складыванием зеркал
-нет подсветки ручки двери
Если кого-то интересует информация какие пины к разъемам покупать, все легко гуглиться по номерам на схеме(это номера разъемов). А также есть такой человек, который, пока еще, посвятил весь свой БЖ разъемам Весты: maxflomaster — так что заходим к нему, там море информации.
Стандартно: при использовании и размещении материалов на других сайтах-ссылка на автора (меня) и мой БЖ обязательна.
Если вдруг кто-то захочет чем-то помочь или отблагодарить, или простимулировать появление новых схем — sobe.ru/na/podderzhka_klaykstv
Ведь дальше все интереснее…Вы знаете сколько версий салонной проводки на Весту? 35!
Но самое интересное, это проводка на панель приборов-127 версий !
Сегодня коротко, так как особо нет настроения: www.drive2.ru/b/582127911184768614/
И пойду обновлю предыдущий пост со схемой задней двери: www.drive2.ru/l/581881895457915548/
Осторожно!:
На драйве гуляет схема где распиновка розового разъема не совпадает с моей (приведенной выше). И самое важное-общих контактов кроме минуса-я там не нашел.
Другие записи по теме Проводка Лада Веста:
#Проводка: Схема проводки задней двери Веста (полный фарш) 8450031479
#Проводка: Схема проводки водительской двери Веста 8450007011
#Проводка: Схема проводки передней пассажирской двери Веста 8450007008






Комментарии 6
Я сегодня решил подключить динамик двери через кроссовер. Сперва надо было найти выход на динамик из фишки — нашёл методом тыка, и выделил два провода — это отдельно свитые серый и белый с чёрной полоской провода. Разрезал их под обшивкой и соединил к другому динамику — не играет! Обратно — играет! Ничего так и не понял.
Подсветка на люксах, а на старых и имеджах была…
привет, а на комфорт-мультимедиа?
На средних комплектациях все время по разному делают…
Вот и я хотел написать-да какая разница как назвали комплектацию? Ведь на автовазе решили каждый раз по разному добавлять и убавлять. Модификаций проводки передней вод двери-всего 13 ! А сколько комплектаций? Ага-угу.
АвтоВАЗ — 2 одинаковые машины за 50 лет им так и не удалось сделать…