Всем привет!
Почти три года я езжу на двенашке.
В ней была установлена сигнализация до меня. И была отключена. Брелоков не было. Провода некоторые с антенного модуля были оборваны.
Ну как бы и хрен с ним. Тачка работает и работает годами.
Но как же бесит иногда когда дверные замки примерзают. Заколебала эта вечная борьба с автомобилем. Силикон пшикаешь во все дыры и резинки двери — помогает ненадолго. В общем надо ставить сигнализацию с управлением центральным замком. Может и с автозапуском. Намекнул про подарок на ДР (сигнализация уже куплена). Нужно подготовить машину.
УДАЛЯЕМ СТАРУЮ СИГНАЛИЗАЦИЮ.
Сначала убрал сирену в подкапотном пространстве. А потом началось… :














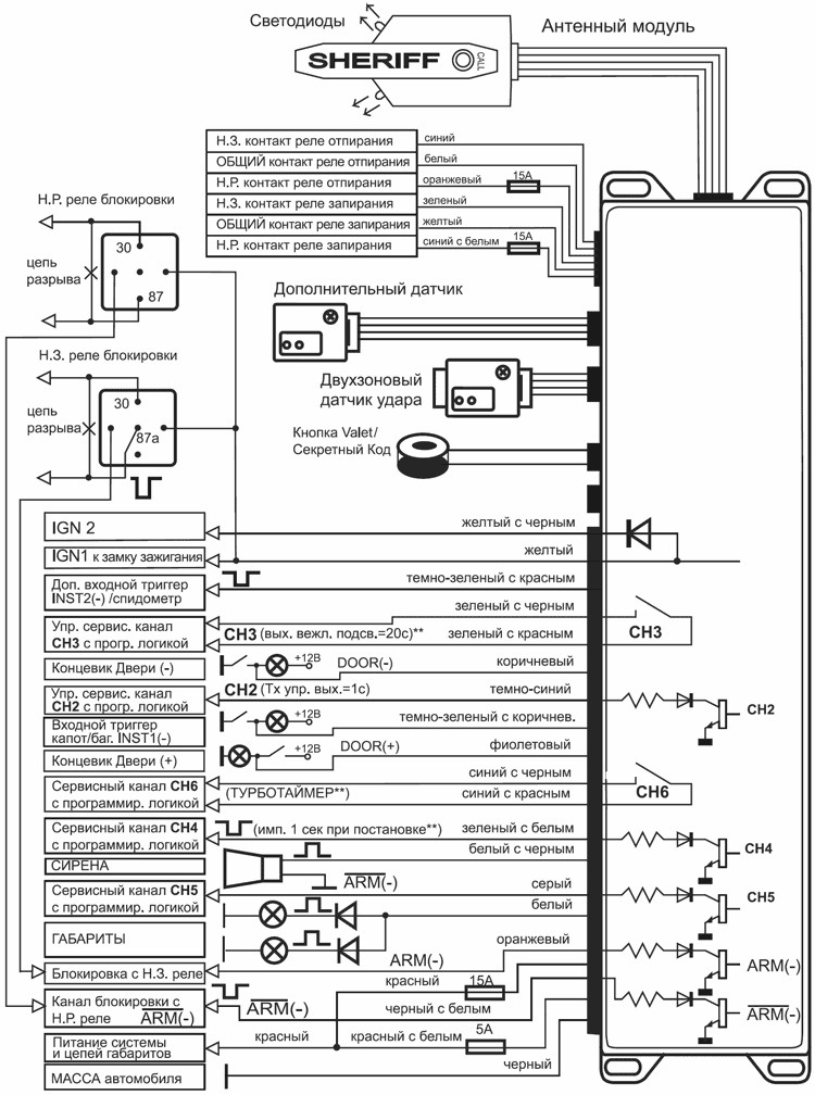
А вот здесь я актуализировал оставшиеся данные. Неиспользуемые провода затёр у блока. Убрал с бумаги неиспользуемую НормальноЗамкрутую релюшку (НЗ реле). Будем воевать с НР. Я в этом деле чайник.

Просто выдернуть все провода из главного блока — машина не заводится (блокируется стартер и бензонасос). Буду бороться с НормальноРазомкнутым реле (НР реле). Но об этом в следующей части. Завтра опишу как я решил эту проблему





Комментарии 6
Ох какая еба…ория почле кого-то чёто искать и переделывать🤪
Здравствуйте
Я когда покупал машину, то там тоже была простенькая сигналка и есесна она не работала. А сигналка управляла цз. И я уже планировал купить себе китайский цз с брелками. Но самое интересное, обнаружил на рынке цз от приоры, нашел проводку от старой сигналке, там колодка 8-ми контактная, но проводов только 6, поставил, всё работало. В один день стал разбирать панель и увидел, что цз заводской стоит на месте. Автоэлектрик, который ставил предыдущему владельцу авто, просто снял от него фишку с проводами и на эту фишку подключил сигналку. Так вот, что хочу сказать, что, возможно, у вас стоит штатный цз, посмотрите его. Если он есть, то остаётся подключить к нему свой родной штекер и цз будет работать.
Я почти разобрался 🙂 послезавтра опубликую
Ma1bec
Здравствуйте
Я когда покупал машину, то там тоже была простенькая сигналка и есесна она не работала. А сигналка управляла цз. И я уже планировал купить себе китайский цз с брелками. Но самое интересное, обнаружил на рынке цз от приоры, нашел проводку от старой сигналке, там колодка 8-ми контактная, но проводов только 6, поставил, всё работало. В один день стал разбирать панель и увидел, что цз заводской стоит на месте. Автоэлектрик, который ставил предыдущему владельцу авто, просто снял от него фишку с проводами и на эту фишку подключил сигналку. Так вот, что хочу сказать, что, возможно, у вас стоит штатный цз, посмотрите его. Если он есть, то остаётся подключить к нему свой родной штекер и цз будет работать.
На приоре цз управляется через блок комфорта. На фото 10е семейство.
Это да, но причем тут приора, когда всё это дело ставилось на ваз 2110-12 ?
При том, что на приоре в принципе нет блока цз, кого нибудь это может ввести в заблуждение. Невозможно найти на рынке то, чего не существует.