На самом деле проект давно завершён, но руки дошли написать о нем только сейчас. Опытный образец уже почти год успешно трудится в машине брата. В свою я до сих пор его не внедрил. Как говорится, сапожник без сапог)))
Подключение, как и планировалось, разъем в разъем. Необходим только блок кнопок от люксовой Весты
Вчера таки дошли руки испытать его в своем авто. Все отлично работает, силовые ключи холодные. А ток на минуточку там 5 ампер.
Теперь готовую плату ожидает покрытие специальным лаком, сушка, упаковка в термоусадку и финальная установка в автомобиль.
Так как плат было заказано десяток и имелись необходимы комплектующие, было собрано ещё 5 экземпляров, одни из которых в скором времени отправится в славный город Новосибирск
И чуть не забыл, осциллограммы сигнала на выходе, как же без них. Здесь 40%, третий, самый слабый режим
70%, второй режим, пожарче
UPD 05.11.2021 Теперь точно финал) установил в свое авто.
Выводим жгут проводов, как показано на фото
Подключаем блок управления подогревом и укладываем аккуратно с правой стороны, выводим фишку кнопок
Это понятно, но у меня маты (правая и левая сторона) запараллелены. Где — буду искать точку соединения. Соответсвенно в этой точке буду делать разрыв — на два канала. Независимо. В Вашей схеме маты подключаются к контроллеру напрямую? У меня в авто маты одним концом подключены на массу.
Д.день. А можно ли реализовать такую схему: Имеем классический переключатель вверх-вниз в двумя режимами HI и LO. С каждого из двух выходов сигнал (+) идёт на своё реле управления подогрева. Хочу сделать переключатель кнопкой без фиксации (возвращается в среднее положение). Нажал кнопку вверх (контакты в кнопке замкнулись) — включилось реле LO подогрева. Отпустил кнопку вверх (контакты в кнопке разомкнулись) — реле LO остается включенным. Нажал ещё раз кнопку вверх или нажал кнопку вниз — вЫключилось реле LO. С режимом HI (нажатие кнопки вниз) — аналогично. Выключил-включил авто — подогрев отключён. Как реалиовать идею? Может она уже решена кем-то? Просветите пож-та. З.Ы. Прилагаю фото реальной кнопки.
Здравствуйте. Без использования схемы на микроконтроллере не обойтись, если хотите обеспечить разный уровень нагрева. С использованием тактового реле можно только реализовать режим вкл-выкл.
Д. Вечер. Два уровня нагрева — это уже разный в Вашей терминологии? Да, я делаю это для заднего дивана, а он потребляет побольше передних сидушек. Если подключить Ваш контроллел напрямую, без релюшек, выходные транзисторы выдержат?
Ну если для индикации используется 12 вольт на кнопке, а не меньшее напряжение из блока, то да, совместим. На и управление включением по минусу. То есть при нажатии кнопки контакт sig должен замыкаться на минус.
Тоже интересна данная доработка на Vesta NG, тянуть проводку на переднюю панель и ставить у КПП заглушки не вижу смысла, проще туда же воткнуть, добавьте потом ссылку на авито для заказа в пост)
На Весту 2020 г. поставил задние жопогреи "Емеля" со штатными задними одноуровневыми кнопками через реле ПТФ. Если добуду трехуровневые кнопки — смогу же организовать трехуровневый нагрев только перепиновкой?
На Весту 2020 г. поставил задние жопогреи "Емеля" со штатными задними одноуровневыми кнопками через реле ПТФ. Если добуду трехуровневые кнопки — смогу же организовать трехуровневый нагрев только перепиновкой?
Хотя возможно неправильно вас понял. Блок можно адаптировать почти под любые трёхуровневые кнопки.
Да, думаю заменить задние штатные одноуровневые кнопки на 3-уровневые. Просто у них (одноуровневых) у каждой свой разъем, хотя и общее основание (вместе с USB-зарядкой).
Мощность регулируется длительностью импульсов. Никакого воздействия шим на электронику не оказывает, частота порядка 19Гц. Собственно в любом авто с многоуровневым подогревом все работает аналогичным образом.
Благодарю👍 Заказал уже кнопки. Судя по схеме никаких проблем, чтобы адаптировать мой блок на новое поколение Весты. Остается только один вопрос, это разъемы самих кнопок. Есть возможность посмотреть артикул на соседних?
Пока только первый заказ отправил на NG. Не думаю, что завод ради новой версии стал менять кнопки. Если они по артикулу тп же, что и раньше, то все подойдет. Можете вытащить и посмотреть.
Если не ошибаюсь то на вестах с трёх уровневым подогревом тоже со временем один уровень отключался до самой слабой(первой ступени) неужто упразднили и эту функцию? 🤔
1. стабилизатор установлен с обратной стороны платы, как без него 2. по входу защиты, что вы имеете ввиду? 3. Оптопары управляют включением светодиодов индикации, так проще схемотехнически.
А откуда там на входе возьмется напряжение такое? Там постоянно присутствует 5В. Дребезг обрабатывается программно, самое верное решение. И какой ток через кнопку может идти, если цепь разорвана?
Самое верное при обработке дребезга — железное решение. Лишнее усложнение — лишние проблемы. Напряжение на входе — 12 В запросто при установке. А при различных неисправностях в системе зажигания может и больше навестись. Есть серия автомобильных стандартов на автомобильную электронику. Я неправильно выразился. Какой ток идёт через копку при её включении? Думал об одном, читал другое, а написал третье)))
Пробовал и железный вариант и программный. Программный показал себя с лучшей стороны. Ни одного ложного срабатывания не было. А про вход, это исключено. Продается собранное устройство, остается только подключить кнопки. Ток мизерный через кнопку, в цепи 5В с сопротивлением 10кОм.
Правильно так: подтянуть к +12 и увеличить ток до тока самоочистки контактов. А дальше — защитный резистор на вход мк и конденсатор для подавления дребезга. Железный вариант плохо себя показал, потому что был неправильно собран.
1. стабилизатор установлен с обратной стороны платы, как без него 2. по входу защиты, что вы имеете ввиду? 3. Оптопары управляют включением светодиодов индикации, так проще схемотехнически.
А оптопары — сомнительное решение. P-канальный полевик или uln2003 будут поприличнее смотреться. Оптопара — она не для этого.
"А где там большой ток? 10мА на зажигание светодиода. Ни одного отказа" Ни одного отказа из скольких тысяч изделий? И один год не срок. Хотя, для кого как.
Ток по даташиту, если мне память не изменяет, 50мА, в моем случае всего 10мА. Поэтому нет повода для беспокойства. Оптроны используются и в более ответственных местах, нежели включение светодиода.
Если питание МК 5 В и резистор 620 Ом, то через оптопару потечёт If=5,8 мА, при этом, согласно графику Ic будет менее 7 мА, дабы обеспечить Vce не более 0,5 В? Или оптопара играет роль источника тока? Сколько показывают замеры Vce при включенной оптопаре?
Вы переживаете, что светодиод индикации будет светиться не в полную силу? 620 Ом применен не просто так. При 12В это не имеет значения. Сейчас точно не помню какое было Vce. Никто не спорит, что с полевиком падение было бы меньше, но чтобы им управлять нужен ещё один транзистор, чтобы согласовать 5 и 12 В. Ну и резисторы. А это какое никакое, но усложнение. Оптопары в моем случае считаю оправданными.
"ULN2003 здесь не применить, поскольку светодиоды зажигаются по плюсу" Аналог есть с общим эмиттером, но он дороже. Проще п-мосфеты прикрутить в SOT-23
Молодчик! Башка варит! Может "репу почешешь" над такой доработкой? www.drive2.ru/l/605238820966762345/ Думаю тут многие веставоды "благодарны" в рублёвом эквиваленте (и не толко) тебе будут!
Там скорее всего управление нагревательным элементом осуществляется по минусу. В Весте же мы подаем плюс на нагревательный элемент при нажатии кнопки. Так что малой кровью не обойтись.
Вот именно, что не нравятся. Штатный подогрев жарит как не в себя. После выключения сиденье быстро остывает на морозе. За это время не успевает прогреться внутри. Приходится его снова включать. Теперь таких заморочек не будет. Для этого и затевалось.
Про функционал — я себе думал тоже сделать на МК и отказаться от штатного блока но всё руки не доходят --- Что так сильно не хватает мне лично 1) возможность включение отключать одним нажатием на ранее установленном уровень, а изменение уровня уже долгим нажатием (2с) 2) нагрев по уровням по алгоритму, что вначале включается 100% на 1 минуту, дабы прогреть сам элемент и слои сидушки, а потом нагрев снижается до заданного уровня. 3) зависимость времени нагрева от температуры в салоне — тоесть встроенный датчик и по заданной таблице, чем холоднее в салоне — тем дольше идет нагрев на 100% перед переходом на пониженный уровень --------- //вот почему рено/автоваз вечно извращаются с кнопками нагрева… почему не поставить в УДОБНОЕ место — на центральной панели! и не сделать как у многих япошек/американцев — крутилка мощности и кнопка вкл/выкл (у тойоты вроде крутилка-нажималка — очень удобно!)
------- пс// не поделитесь артиклом разьема блока кнопок?
Про функционал — я себе думал тоже сделать на МК и отказаться от штатного блока но всё руки не доходят --- Что так сильно не хватает мне лично 1) возможность включение отключать одним нажатием на ранее установленном уровень, а изменение уровня уже долгим нажатием (2с) 2) нагрев по уровням по алгоритму, что вначале включается 100% на 1 минуту, дабы прогреть сам элемент и слои сидушки, а потом нагрев снижается до заданного уровня. 3) зависимость времени нагрева от температуры в салоне — тоесть встроенный датчик и по заданной таблице, чем холоднее в салоне — тем дольше идет нагрев на 100% перед переходом на пониженный уровень --------- //вот почему рено/автоваз вечно извращаются с кнопками нагрева… почему не поставить в УДОБНОЕ место — на центральной панели! и не сделать как у многих япошек/американцев — крутилка мощности и кнопка вкл/выкл (у тойоты вроде крутилка-нажималка — очень удобно!)
------- пс// не поделитесь артиклом разьема блока кнопок?
Согласен полностью. Кнопарь стоит не в самом удобном месте. Пока нащупаешь и включишь еще ладно, но когда выключать понадобится эту трехрежимку полюбому смотреть на нее надо, а это уже опасно для вождения. Да и бывало пару раз случайно каким-то непонятным образом летом умудрялся включать обогрев и яйки через пару секунд давали знать что сковорода нагрелась 😁 и радостно подпрыгивая на сидухе суматошно нащупываешь кнопарь.
в идеале, это если ничего не надо делать. То есть система просто держит, скажем, 37 градусов и всё. Собственно в этом и есть смысл грамотной автоматики — исключить необходимость контроля, выбора неких режимов … итд. Если даже изначально в районе нагревателя отсутствует датчик, то в принципе его наверное можно привнести. Хороший пример — паяльник с термостабилизацией (датчик встроен в нагреватель). Его включаешь и он бросает весь свой максимум на нагреватель, доходит до установленной температуры и уже потом тупо поддерживает её.
Странное противоречие, у кого есть, те хотят, чтобы не было и наоборот
Мне одноуровневый нравился тем, что его нажал, машину закрыл и он остался в включенном положении. С утра с автозапуска завел, и сидение нагревается сразу.
Комментарии 195
Всё, усё работает.
Отлично👍
Здравствуй. Скажи после окончания цикла диоды должны гаснуть. У меня подогрев закончился а оно всё горят.
Здравствуйте. Вопрос по моему блоку?
Да. Недавно у вас брал Deadoff48
Напишите в личные сообщения, разберёмся, в чем дело.
Какой max ток на выходе по каждому каналу?
По тех документации на транзисторы номинальный ток 15А. При 5А не греются совсем. 5А это ток одного сиденья Весты.
А если нужно будет поставить радиатор — как быть?
Для каких целей? Вы что хотите подключить через блок?
Нет, хочу подключить задний ряд сидений. Они у меня в соотношении 2:1.
Полагаю, с бОльшей стороны потребление будет бОльше.
А что гадать, измерьте сопротивление нагревателя на одну сторону и поймете, какой будет ток. Точно не больше 5 ампер
Это понятно, но у меня маты (правая и левая сторона) запараллелены. Где — буду искать точку соединения.
Соответсвенно в этой точке буду делать разрыв — на два канала. Независимо.
В Вашей схеме маты подключаются к контроллеру напрямую?
У меня в авто маты одним концом подключены на массу.
Блок подключается вместо кнопок подогрева. А дальше по схеме конечно, один провод на массу, второй на блок управления (кнопку).
Д.день.
А можно ли реализовать такую схему:
Имеем классический переключатель вверх-вниз в двумя режимами HI и LO. С каждого из двух выходов сигнал (+) идёт на своё реле управления подогрева.
Хочу сделать переключатель кнопкой без фиксации (возвращается в среднее положение).
Нажал кнопку вверх (контакты в кнопке замкнулись) — включилось реле LO подогрева.
Отпустил кнопку вверх (контакты в кнопке разомкнулись) — реле LO остается включенным.
Нажал ещё раз кнопку вверх или нажал кнопку вниз — вЫключилось реле LO.
С режимом HI (нажатие кнопки вниз) — аналогично.
Выключил-включил авто — подогрев отключён.
Как реалиовать идею?
Может она уже решена кем-то?
Просветите пож-та.
З.Ы. Прилагаю фото реальной кнопки.
Здравствуйте. Без использования схемы на микроконтроллере не обойтись, если хотите обеспечить разный уровень нагрева. С использованием тактового реле можно только реализовать режим вкл-выкл.
Д. Вечер. Два уровня нагрева — это уже разный в Вашей терминологии?
Да, я делаю это для заднего дивана, а он потребляет побольше передних сидушек.
Если подключить Ваш контроллел напрямую, без релюшек, выходные транзисторы выдержат?
Да, Hi 100%, Lo 50% как вариант.
Здесь www.drive2.ru/l/591162048474316426/ описано подключение обогрева на MB.
Подскажите, кнопки подогрева A2129059500 совметимы с Вашим контроллером?
Распиновка кнопки:
1 — 31 (минус)
2 — sig
3 — led1
4 — led2
5 — led3
6 — 58d (регулируемая подсветка приборов… ну типа +)
Ну если для индикации используется 12 вольт на кнопке, а не меньшее напряжение из блока, то да, совместим. На и управление включением по минусу. То есть при нажатии кнопки контакт sig должен замыкаться на минус.
А плюсу там взяться неоткуда. 31-й минус, как я понял, общий на ВСЁ.
Им же и идёт управление.
ИМХО.
Здравствуйте цену пожалуйста напишите
Здравствуйте. За ценами в личные сообщения, пожалуйста
Добрый день, мне тоже расскажите по стоимости. И вопрос, фишки подойдут к кнопкам в рестайл весте которые должны стоять не у ручки КПП а на панели?
Здравствуйте. Разъемы кнопок на панели и у ручника КПП разные. За стоимостью в личные сообщения.
Добрый день. Возможно приобрести "переходник" под ступенчатый подогрев?
Здравствуйте. Пишите в личные сообщения.
Здравствуйте. Для такого варианта комплектации Весты не делали? На подогрев 2 кнопки от Гранты.
Здравствуйте. Для вариаторной Весты тоже есть исполнение. Но пришлось прибегнуть к 3д печати корпусов разъемов.
То есть полный комплект с кнопками разъём в разъём без "колхоза"?
UA1TGQ
То есть полный комплект с кнопками разъём в разъём без "колхоза"?
Здравствуйте, можно заказать этот комплект? Сколько стоит?
Здравствуйте. По заказам пишите в личные сообщения
Здравствуйте. Сколько на данный момент стоит сие удовольствие и как его можно заказать? Что входит в комплект?
Здравствуйте. Ответил в ЛС.
Здравствуйте! Подскажите, можно ли приобрести комплект?
Здравствуйте. Пишите в личные сообщения.
Здравствуйте, как можно приобрести данный девайс?
Здравствуйте. Пишите в личные сообщения.
Добрый вечер. Сколько на данный момент стоит сие удовольствие и как его можно заказать?
Написал в ЛС
Здравствуйте, напишите с лс сколько будет стоить такой комплект
Добрый день! Какова цена вопроса на старую весту?)
Здравствуйте. Ответил в ЛС
Тоже интересна данная доработка на Vesta NG, тянуть проводку на переднюю панель и ставить у КПП заглушки не вижу смысла, проще туда же воткнуть, добавьте потом ссылку на авито для заказа в пост)
Здравствуйте, а сколько цена всего удовольствия ?
Ответил в ЛС
Здравствуйте, тоже интересует на NG, там вроде все тоже самое.
Здравствуйте. Да, в плане подогрева сидений все идентично. Только на NG есть два варианта, с кнопками у рычага КПП, либо с переносом кнопок на панель.
Здравствуйте! Писал на авито ранее. Не появились еще платы? Созрел на 3хуровневый подогрев с переносом кнопок на панель
Здравствуйте. Блоки на завершающей стадии сборки. Скоро будут доступны для заказа.
Сообщите пожалуйста когда готово будет
Хорошо
Комплект же без кнопок будет? Только плата с проводкой и разьемами?
Кнопки в наличии, заглушки на место прежних кнопок тоже.
Напишите пжл цены в лс
На Весту 2020 г. поставил задние жопогреи "Емеля" со штатными задними одноуровневыми кнопками через реле ПТФ.
Если добуду трехуровневые кнопки — смогу же организовать трехуровневый нагрев только перепиновкой?
Не получится. Ступенчатые кнопки управляют блоком подогрева, который в свою очередь управляет мощностью нагрева сидений и индикацией на самих кнопках.
RIO2104
На Весту 2020 г. поставил задние жопогреи "Емеля" со штатными задними одноуровневыми кнопками через реле ПТФ.
Если добуду трехуровневые кнопки — смогу же организовать трехуровневый нагрев только перепиновкой?
Хотя возможно неправильно вас понял. Блок можно адаптировать почти под любые трёхуровневые кнопки.
Да, думаю заменить задние штатные одноуровневые кнопки на 3-уровневые. Просто у них (одноуровневых) у каждой свой разъем, хотя и общее основание (вместе с USB-зарядкой).
Проблема будет подобрать подходящие кнопки
Здравствуйте можно в Беларусь заказать
Здравствуйте. Пишите в ЛС, обсудим
Александр, добрый день!
Можно как-то приобрести ваш комплект? Вроде попадалось на Авито объявление, но не могу найти
Здравствуйте! Можно будет чуть позже, сейчас собираю новую партию. Напишу вам, как все будет готово.
Спасибо
Александр здравствуйте! Хотел бы приобрести ваш комплект к подогреву
Ответил в ЛС
Как я понимаю регулируется частотой включения? Я не сильно знаком с этой темой, как в данном случае влияет шим на электронику авто?
Мощность регулируется длительностью импульсов. Никакого воздействия шим на электронику не оказывает, частота порядка 19Гц. Собственно в любом авто с многоуровневым подогревом все работает аналогичным образом.
Для NG вариант не планируете?
Если по аналогии с предыдущим поколением, то подойдёт и мой вариант. Если переносить кнопки на панель, то надо думать. Такого варианта пока нет.
вот именно на панель спрашивали у меня, но кнопки сами даже еще не видел
Думаю, все реально. Надо время, чтобы изучить вопрос.
там две раздельные кнопки, но вроде одинаковые по внутренностям. По разъемам maxflomaster точно подскажет
Понял, спасибо!
Expert2009
там две раздельные кнопки, но вроде одинаковые по внутренностям. По разъемам maxflomaster точно подскажет
Левая и правая кнопки подогрева разные, отличаются разъемом. Но можно использовать универсальный разъем
Получается разъёмы из одной серии, но с разными замками?!
Expert2009
там две раздельные кнопки, но вроде одинаковые по внутренностям. По разъемам maxflomaster точно подскажет
Черный и голубой на кнопки подогрева
Черный
sl.aliexpress.ru/p?key=fXrZUb0
Голубой
sl.aliexpress.ru/p?key=ZSrZUCx
Универсальный
sl.aliexpress.ru/p?key=efrZUn1
Отлично, то, что нужно👍
Это выпирает от Sumitomo, ниже скинул от TE
Alexander8305
Думаю, все реально. Надо время, чтобы изучить вопрос.
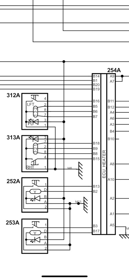
Схема подключения кнопок
Благодарю👍 Заказал уже кнопки. Судя по схеме никаких проблем, чтобы адаптировать мой блок на новое поколение Весты. Остается только один вопрос, это разъемы самих кнопок. Есть возможность посмотреть артикул на соседних?
Разъемы скинул выше (вариант от Sumitomo). В оригинале стоят от TE
Черный (оригинал)
sl.aliexpress.ru/p?key=acGZUwF
Голубые (оригинал)
sl.aliexpress.ru/p?key=fjrZUoL
Универсальный
sl.aliexpress.ru/p?key=jYGZUW0
1379659-5 а этот подойдет? замков нет на нем
Да
Здравствуйте! Есть уже опыт, что кто нибудь на NG устанавливал вашу плату?
Пока только первый заказ отправил на NG. Не думаю, что завод ради новой версии стал менять кнопки. Если они по артикулу тп же, что и раньше, то все подойдет. Можете вытащить и посмотреть.
Crazziest
Здравствуйте! Есть уже опыт, что кто нибудь на NG устанавливал вашу плату?
На предыдущем поколении стоят кнопки с артикулом 8450006926
Александр здравствуйте! Хотел бы приобрести ваш комплект к подогреву
Здравствуйте. Ответил в ЛС
Привет, а если я куплю кнопки Веста, и воткну их в свои сиденья, будут работать? Сидения у меня Q7 Ауди, без кан шины, но с термореле
Приветствую. Не совсем ясен вопрос. Авто я так понимаю не Веста? Напишите в личку.
Здравствуйте. Скажите цену.
Здравствуйте. www.avito.ru/kaluga/zapch…source=soc_sharing_seller
Добрый день, сколько стоит такое удовольствие сейчас?
Здравствуйте www.drive2.ru/market/offers/1161128
Без блока кнопок нельзя купить?
Добрый день, хочу преобрести ваш комплект, и желательно кнопки 3х уровневые
Ответил в ЛС
Добрый день, купил кнопки, теперь понимаю что нужно ваш комплект, как приобрести?
Ответил в ЛС
Добрый день. Как возможно приобрести?
Добрый день. Тоже хотел бы приобрести.
Ответил в личные сообщения.
Добрый день. Как приобрести?
Здравствуйте. Ответил в личку.
Если не ошибаюсь то на вестах с трёх уровневым подогревом тоже со временем один уровень отключался до самой слабой(первой ступени) неужто упразднили и эту функцию? 🤔
Не могу сказать, как на Вестах с трёхуровневым подогревом это реализовано. Эта доработка для тех, у кого штатно одноуровневый подогрев)
Здравствуйте. Остались ли еще готовые изделия?
Здравствуйте. Сейчас нет. Но в этом месяце соберу несколько комплектов. Не ожидал, что будет спрос на подогрев по весне)
на будущее)) как появятся комплект, маякните
Все в силе, я не забыл. Обязательно дам знать)
Здравствуйте. Напишите цену, пожалуйста.
Ответил в ЛС
Добрый день. Напишите, пожалуйста, цену
Здравствуйте! Сориентируйте по цене
Ответил в ЛС
Подскажите по цене!
www.drive2.ru/market/offers/1161128
В личку не даёт написать
Схема сыровата. Надолго хватит?
Чем же она сыровата? Интересно мнение специалиста. Уже год трудится в машине брата без нареканий. И от заказчиков плохих отзывов не слышал.
1 не вижу стабилизатора питания для мк?
2 по входу, как я понял, никаких защит нет?
3 чем обусловлено применение оптопар?
1. стабилизатор установлен с обратной стороны платы, как без него
2. по входу защиты, что вы имеете ввиду?
3. Оптопары управляют включением светодиодов индикации, так проще схемотехнически.
входная цепь от кнопки к ножке МК
Кнопка просто притягивает входной пин к массе, подтяжки к плюсу есть.
А если на вход с кнопки подать 24 В что будет? Дребезг контактов как обрабатывается? Какой ток идёт через кнопку в отключенном состоянии?
А откуда там на входе возьмется напряжение такое? Там постоянно присутствует 5В. Дребезг обрабатывается программно, самое верное решение. И какой ток через кнопку может идти, если цепь разорвана?
Самое верное при обработке дребезга — железное решение. Лишнее усложнение — лишние проблемы. Напряжение на входе — 12 В запросто при установке. А при различных неисправностях в системе зажигания может и больше навестись. Есть серия автомобильных стандартов на автомобильную электронику.
Я неправильно выразился. Какой ток идёт через копку при её включении? Думал об одном, читал другое, а написал третье)))
Пробовал и железный вариант и программный. Программный показал себя с лучшей стороны. Ни одного ложного срабатывания не было. А про вход, это исключено. Продается собранное устройство, остается только подключить кнопки. Ток мизерный через кнопку, в цепи 5В с сопротивлением 10кОм.
Правильно так: подтянуть к +12 и увеличить ток до тока самоочистки контактов. А дальше — защитный резистор на вход мк и конденсатор для подавления дребезга.
Железный вариант плохо себя показал, потому что был неправильно собран.
Неправильно собран, что там можно неправильно собрать) без комментариев
Alexander8305
1. стабилизатор установлен с обратной стороны платы, как без него
2. по входу защиты, что вы имеете ввиду?
3. Оптопары управляют включением светодиодов индикации, так проще схемотехнически.
А оптопары — сомнительное решение. P-канальный полевик или uln2003 будут поприличнее смотреться. Оптопара — она не для этого.
Не спорю, есть различные варианты решения одной и той же задачи. Я выбрал этот.
"Не спорю, есть различные варианты решения одной и той же задачи. Я выбрал этот." Самый сложный и неоднозначный.
По мне так наоборот, проще не придумать, один резистор и оптрон. Чем меньше деталей, тем выше надежность.
Оптопара — сама по себе не обладает большой надёжностью. Особенно, на больших токах. Полевик будет вечен.
А где там большой ток? 10мА на зажигание светодиода. Ни одного отказа.
"А где там большой ток? 10мА на зажигание светодиода. Ни одного отказа" Ни одного отказа из скольких тысяч изделий?
И один год не срок. Хотя, для кого как.
Ток по даташиту, если мне память не изменяет, 50мА, в моем случае всего 10мА. Поэтому нет повода для беспокойства. Оптроны используются и в более ответственных местах, нежели включение светодиода.
Если питание МК 5 В и резистор 620 Ом, то через оптопару потечёт If=5,8 мА, при этом, согласно графику Ic будет менее 7 мА, дабы обеспечить Vce не более 0,5 В? Или оптопара играет роль источника тока? Сколько показывают замеры Vce при включенной оптопаре?
Вы переживаете, что светодиод индикации будет светиться не в полную силу? 620 Ом применен не просто так. При 12В это не имеет значения. Сейчас точно не помню какое было Vce. Никто не спорит, что с полевиком падение было бы меньше, но чтобы им управлять нужен ещё один транзистор, чтобы согласовать 5 и 12 В. Ну и резисторы. А это какое никакое, но усложнение. Оптопары в моем случае считаю оправданными.
И это хорошо!
Но я бы не рекомендовал изделие с такими схемотехническими решениями к покупке.
Это ваше личное мнение, не надо навязывать его остальным. Вас я услышал.
ChachaItsMe
А оптопары — сомнительное решение. P-канальный полевик или uln2003 будут поприличнее смотреться. Оптопара — она не для этого.
ULN2003 здесь не применить, поскольку светодиоды зажигаются по плюсу
"ULN2003 здесь не применить, поскольку светодиоды зажигаются по плюсу"
Аналог есть с общим эмиттером, но он дороже. Проще п-мосфеты прикрутить в SOT-23
Им тоже обвязка нужна, не так ли
4 — 5 деталей. А если делать схему по принципу лени, то ничего хорошего не выйдет)
Не понимаю, как вы это оценили, мою лень. Есть оптимальные рабочие варианты. Не важно, какие схемные решения используются.
Alexander8305
Чем же она сыровата? Интересно мнение специалиста. Уже год трудится в машине брата без нареканий. И от заказчиков плохих отзывов не слышал.
Здравствуйте. Что по стоимости данного дивайса?
Ответил в личные сообщения
Молодчик! Башка варит!
Может "репу почешешь" над такой доработкой? www.drive2.ru/l/605238820966762345/
Думаю тут многие веставоды "благодарны" в рублёвом эквиваленте (и не толко) тебе будут!
Интересная функция. Можно подумать. Но боюсь без кардинальных вмешательств в проводку не обойтись.
Ради такой функции я готов
Добрый день, интересна доработка, напишите пожалуйста по цене в личку.
Что по стоимости блока и всего остального.
Ответил в ЛС
Что по стоимости
Ответил в личку
Приветствую, очень интересна доработка, можно и мне данные по цене в личку?
Ответил
Тоже интересует цена
Ответил в личку
тоже интересна цена блока
Ответил в личку
хорошо, спасибо
Сколько стоит эта доработка? У меня одноуровневый (классик старт), а хотелось бы доработать до многоуровневого.
Ответил в личку
И мне один комплект
И сколько сие чудо стоит?
Не могу ответить в личку. Напишите мне.
Вопрос к спецам, давно покупалась накидка подогрева. Вот там крутилка для уровня нагрева, возможно ее в место кнопок впиндюрить?
Там скорее всего управление нагревательным элементом осуществляется по минусу. В Весте же мы подаем плюс на нагревательный элемент при нажатии кнопки. Так что малой кровью не обойтись.
Нравятся яйца в крутую? Что есть реальная необходимость греть зад всю дорогу?
Вот именно, что не нравятся. Штатный подогрев жарит как не в себя. После выключения сиденье быстро остывает на морозе. За это время не успевает прогреться внутри. Приходится его снова включать. Теперь таких заморочек не будет. Для этого и затевалось.
Hi-Jack86
Нравятся яйца в крутую? Что есть реальная необходимость греть зад всю дорогу?
А на тряпке вообще есть необходимость греть? По мне так нет
Кстати термоусадку не надо — ку колхоз это китайуровня
Лучше пластиковую коробочку (да хоть 3д печать) с ушами под болтовое крепление
Про функционал — я себе думал тоже сделать на МК и отказаться от штатного блока но всё руки не доходят
---
Что так сильно не хватает мне лично
1) возможность включение отключать одним нажатием на ранее установленном уровень, а изменение уровня уже долгим нажатием (2с)
2) нагрев по уровням по алгоритму, что вначале включается 100% на 1 минуту, дабы прогреть сам элемент и слои сидушки, а потом нагрев снижается до заданного уровня.
3) зависимость времени нагрева от температуры в салоне — тоесть встроенный датчик и по заданной таблице, чем холоднее в салоне — тем дольше идет нагрев на 100% перед переходом на пониженный уровень
---------
//вот почему рено/автоваз вечно извращаются с кнопками нагрева… почему не поставить в УДОБНОЕ место — на центральной панели! и не сделать как у многих япошек/американцев — крутилка мощности и кнопка вкл/выкл (у тойоты вроде крутилка-нажималка — очень удобно!)
-------
пс// не поделитесь артиклом разьема блока кнопок?
Вы про тот, который вставляется в блок кнопок нового образца?
про 3х режимную кнопку
Пардон, многоуровневый) в моем авто он новый
ELITE83
про 3х режимную кнопку
Я использовал Cargen AX925 с уже опрессованными проводами
ELITE83
Про функционал — я себе думал тоже сделать на МК и отказаться от штатного блока но всё руки не доходят
---
Что так сильно не хватает мне лично
1) возможность включение отключать одним нажатием на ранее установленном уровень, а изменение уровня уже долгим нажатием (2с)
2) нагрев по уровням по алгоритму, что вначале включается 100% на 1 минуту, дабы прогреть сам элемент и слои сидушки, а потом нагрев снижается до заданного уровня.
3) зависимость времени нагрева от температуры в салоне — тоесть встроенный датчик и по заданной таблице, чем холоднее в салоне — тем дольше идет нагрев на 100% перед переходом на пониженный уровень
---------
//вот почему рено/автоваз вечно извращаются с кнопками нагрева… почему не поставить в УДОБНОЕ место — на центральной панели! и не сделать как у многих япошек/американцев — крутилка мощности и кнопка вкл/выкл (у тойоты вроде крутилка-нажималка — очень удобно!)
-------
пс// не поделитесь артиклом разьема блока кнопок?
Согласен полностью. Кнопарь стоит не в самом удобном месте. Пока нащупаешь и включишь еще ладно, но когда выключать понадобится эту трехрежимку полюбому смотреть на нее надо, а это уже опасно для вождения. Да и бывало пару раз случайно каким-то непонятным образом летом умудрялся включать обогрев и яйки через пару секунд давали знать что сковорода нагрелась 😁 и радостно подпрыгивая на сидухе суматошно нащупываешь кнопарь.
Странное противоречие, у кого есть, те хотят, чтобы не было и наоборот
по мне так она слишком жарит на 3 и на 2 положениях. нет возможности как то настроить время или температуру нагрева
мне 1 уровневый вполне комфортно и немного бесит, что надо 3 раза нажать, чтобы отключить 3х уровневый…
в том и дело, что надо пожмакать каждый раз
в идеале, это если ничего не надо делать. То есть система просто держит, скажем, 37 градусов и всё. Собственно в этом и есть смысл грамотной автоматики — исключить необходимость контроля, выбора неких режимов … итд.
Если даже изначально в районе нагревателя отсутствует датчик, то в принципе его наверное можно привнести.
Хороший пример — паяльник с термостабилизацией (датчик встроен в нагреватель). Его включаешь и он бросает весь свой максимум на нагреватель, доходит до установленной температуры и уже потом тупо поддерживает её.
ELITE83
Странное противоречие, у кого есть, те хотят, чтобы не было и наоборот
Мне одноуровневый нравился тем, что его нажал, машину закрыл и он остался в включенном положении. С утра с автозапуска завел, и сидение нагревается сразу.
В теории мой вариант возможно подключить к автозапуску. Нужен только управляющий минус.
ELITE83
Странное противоречие, у кого есть, те хотят, чтобы не было и наоборот
😂😂😂 эт точно. У меня вот есть экран двигателя. И он у меня последнее время валяется где то в хламе. А кто то тратит свои кровные на это.
у кого 3х режимный-не подойдёт? Чтоб можно было программировать время нагрева
Нет, там этим управляют мозги в авто. Разве что подключить напрямую, но это вмешательство в проводку. Думаю, не стоит оно того.
согласен