UPD: по итогу помогло просто снятие клеммы акб на сутки. На несколько минут не помогало.
Собственно как похолодало так сразу и ощутил что аккум исчезает. Мультиметр подтвердил утечку. После того как авто засыпает, остаётся 0.2А, что тоже много

Предохранители в салоне не помогли.
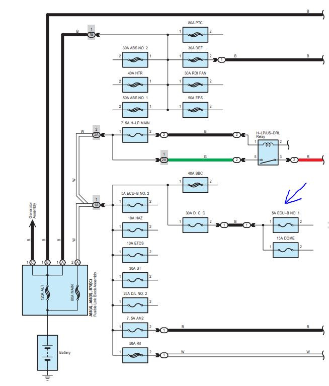
Беглая проверка пол капотом выявила пред под капотом ecu-b номиналом 5 ампер.
Сигналка и регистратор висят на другом преде, это точно не они. Без этого преда после засыпания мультиметр фиксирует 0.05а, что гораздо больше похоже на исправный авто
Ни гугл, ни инструкция к авто не помогла идентифицировать. Пробежался по всем ближайшим авто, похожее название бьётся как "подушки безопасности, или центральный замок, или система запуска, или дистанционный доступ" и тому подобного, никакой конкретики.
140 кузов вроде как вообще без этого преда живет
Нашел одну книгу платную, но нет гарантии что там будет расшифровка предов

Вытащил на ночь его. Фиксирую, он или нет. Без него точно не работает центральный замок с ключа, и кнопки на двери. При включенном зажигании кнопки открыть/закрыть с салона работают. Так же машина спокойно ездит, и ошибок не зажигает
Собственно вопрос, имеет ли кто книгу по ремонту или расшифровке предов под капотом?
в общем. вспомнил что наш авто это "витз универсал", экзист выдал что блоки предов одинаковые, двигателя тоже. Появился шанс копнуть в эту тему. Нашел книгу на витса
что пока удалось выяснить: питание с этого преда идет 1) в приборку 2) в катушку на руле 3) естественно в основном блоке (Main Body ECU) за бардачком 4) в модуль дистанционного открытия центрального замка (находится на правом заднем крыле) 4) в блок иммобилайзера (Transponder Key ECU Assembly) (при наличии) 5) в блок сертификации (если машина на кнопке старт-стоп)

для начала отключу сигналку, парктроники, магнитолу, etc уже отлючен. Потом приборку, модуль цз, и буду надеяться, что это не сам основной комп









Комментарии 10
Привет, нашел проблему ? На Камри такая же беда.
у меня какой-то модуль завис, отключение аккумулятора на сутки излечило проблему.
снятие на 10 минут не помогало
Ок спасибо
Привет
Такая же проблема у меня .
Ушатал хороший аккумулятор
Пытался найти и даже блок доступа менял ключи тоже прописывал и ни чего не помогло.
Грешу на EBU (комп), но пока забил аккумулятор новый ставил на момент отпуска, сейчас машина просто стоит аккумулятор на зиму снял ещё даже не переобувал его езжу на джипике маленьком
Дядька, привет!
Если стоит эра глонас и стоит она больше 1-2 года и ручки не лезли никуда. То это 100 она.
Ищи вырубай ее.
У меня после 2 лет за ночь высаживало Аккум.
Авто без глонаса, и в России мёрзнет всего четвертый месяц)
Запиши все потребители что перестали работать. потом отключай все через фишки с подключённым предом, так можно локализовать цепь или потребитель. Естественно по очереди отключай. Можно и сопротивление изоляции прозвонить для каждого провода
интересненько… ждёмс результатов наблюдения) ну и схемы если нароешь — поделись)
по итогу после сбросса аккума на сутки, проблема больше не появилась. по 20 дней стоит теперь спокойно
Здравствуйте! Не появлялась больше такая проблема?
У меня что-то похожее. Напряжение на АКБ быстро падает, проходит оповещение от сигнализации. Потребление 120 мА с сигой, 90-100 мА без. Если отключить синий 15 А пред (DOME: освещение салона, система "smart entry &start") то потребление 30 мА.
По итогу начал искать электрика и в одном сервисе, паренёк подсказал, что это проблема Тойот, во-первых, потребление 200 мА норма, во-вторых, у них генераторы не дозаряжают АКБ, напряжение низкое. Вот пока ничего не предпринимаю, по теплу хочу сам проанализировать все моменты.