Сделал одну из самых необходимых для себя доработок — открывание багажника с кнопки.
С момента покупки автомобиля никак не мог смириться с принципом открывания багажника — или с ключа, или с брелка — и только при выключенном зажигании. На своем прошлом Логане я привык открывать багажник, нажимая пальцем на механизм замка с кнопкой. В большинстве других машин сделано аналогично — открывание производится кнопкой на крышке багажника, разве что замок теперь ставят в основном не механический, а электромеханический.
Доработку решил начать с изучения материалов в интернете по данной проблеме. Здесь — сборная солянка. Некоторые разбирают реле и впаивают перемычку с кнопкой прямо в него, некоторые паяют в схему конденсаторы и диоды, собирают на 2-х реле и т.д.
Ничего этого делать не нужно. Для себя я уяснил:
1. На крышке багажника имеется электромеханический замок.
2. В блоке предохранителей есть реле, которое по команде с модуля BCM этим замком управляет.
Задача — замыкать силовую цепь реле по нажатию кнопки.
Мне показалось разумным решение от FUCKir89.
Для доработки по этой схеме было приобретено:
1. Eврореле — на 4 ли 5 контактов (не важно) — можно подешевле.
2. Колодка под еврореле с проводами.
3. 1-2 м провода сечением 1,5 мм2, клеммы "мама" акустические.
4. Кнопка открывания багажника — купил ВАЗовскую.
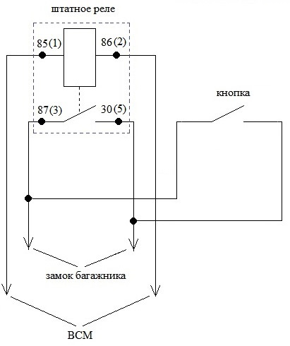
Работать будем по схеме:

Сам процесс:
1. Взял купленное реле, вскрыл корпус и "распотрошил" его. Оставил внутри только огрызки контактов, которые подточил надфилем, чтобы на них надевались клеммы "мама". В общем, сделал "реле-вилку", чтобы вставлять её в гнездо блока предохранителей.
2. К контактам "реле-вилки" (85, 86, 87, 30) подсоединил клеммы с проводами для колодки под еврореле. От 87 и 30 контактов дополнительно пустил провода на кнопку.

3. В крышке блока предохранителей высверлил отверстие под кнопку (удобно сверлить ступенчатым сверлом или пером на 22 мм). В колодку вставил заводское серое реле, заблаговременно извлеченное из блока предохранителей (на схеме "МК3").
К проводам от 87 и 30 контактов подсоединил кнопку. Всё, электрика готова.

4. Собрал все в блоке предохранителей. Реле-вилку — в гнездо "МК3".

Для колодки с реле под панелью полно места. Прикрепил колодку стяжкой к ближайшему усилителю панели.

Крышку с кнопкой установил на место.

Проверил — работает. И с кнопки, и с брелка — всё открывается.
Получил удовлетворение, поскольку теперь не надо лезть за брелком или ключами, а также глушить машину, чтобы доложить вещи в багажник
Выводы:
1. Схема 100% рабочая и собирается с минимальными усилиями и средствами. Если что, разбирается и возвращается к заводскому исполнению за минуту.
2. Кому надо "ещё проще" — могут впаивать провода прямо в рабочее реле, но делать этого я не рекомендую. Реле — тонкий электромеханический элемент, и неумелая впайка приводит к тому, что гибкость контактов нарушается и цепь перестанет замыкаться. Симптом — багажник открывается с кнопки, но не открывается с брелка. Значит, скорее всего, неумелой пайкой было повреждено реле.
3. Если покупаете другое реле на замену штатному, обращайте внимание на маркировку. Нужно еврореле с защитным резистором. У отечественного производителя это — 98.3747-111. Реле 98.3747 или другое аналогичное без резистора — не походят! Со временем обратный ток, возникающий при размыкании такого реле, убьёт ваш модуль BCM.
4. Никакие диоды и конденсаторы в цепь впаивать не нужно. Реле имеет полную гальваническую развязку цепи управления с силовой цепью, так что при правильном подключении модуль BCM не пострадает. Конденсатор для увеличения времени удержания на мой взгляд тоже не нужен. Я пробовал и короткое, и длинное нажатие, багажник открывается и закрывается нормально. Возможно, на новых Кобальтах изменили конструкцию замка.
5. Тем, кто очень боится за кнопку и непременно хочет, чтобы замыкание было через отдельное реле, прикладываю схему, как это можно сделать:






Комментарии 24
Есть какой-то секрет демонтажа реле МК3? Руками снять не могу, боюсь сломать
Берешь пассатижи с длинным носиком, и аккуратно пошатывая, тянешь
Поставил по указанному способу кнопку, наблюдение — при резком и очень кратковременном нажатии электрозамок открывается, крышка поднимается, НО! замок полностью в открытое состояние не переходит, поэтому давить нужно почти или около секунды, иначе закрыть замок нереально, петля в механизм не входит, фиксатор до конца не успевает за краткое нажатие отойти
Нажимаю, про себя говорю "раз", затем отпускаю
Каким сечением провода делал?
1.5 вроде бы
Можно было найти 30 и 87 контакты мультиметром в разъеме у ног водителя и прикрепиться кнопкой ? можно и с доп реле при желании
Открываю багажник с сигнализации при заведенном двигателе.
А так хорошая доработка.
решил кнопку поставить, т.к. когда например отдыхаю на даче, лень все время с собой брелок или ключи таскать
Открываю багажник с помощью брелка сигналки даже при заведенным движке.
+так же + сигналка и температуру движка показывает.
Плохо что данная кнопка не имеет своей подсветки, в темное время суток придется какое то время искать на ощупь .
Да и вид ее не по Феншую!)))
Также хотел заметить, что распожение кнопки на крышке предохранителей смотрится не очень, можно было реализовать монтаж рядом с ней.
А так идея рабочая!
Расположение кнопки со временем запоминаешь, а разместил ее в этом месте лишь по одной причине — машина на гарантии, перед поездкой к дилеру крышку с кнопкой можно быстро снять, поставить вместо нее крышку без кнопки (возьму на разборке), а потом вернуть все обратно
Как вариант !
Хотя захотят доебаться, доебутся)))
провода покупал для 5-ой двери Ноута, тонкие гибкие, там жилы луженые, крепкие, хоть и тонкие, не пушатся — аккуратно скрутил косичку и обернул ножки. В общем лень победила)))
Кому надо "ещё" проще — могут впаивать провода
Я сделал ЕЩЁ ПРОЩЕ — подмотал провода на ножки реле ))) Токи смешные, время их протекания — тоже. Не стал усложнять, да и расположение блока реле не способствует…
ну да, я тоже так хотел, но места там мало, расположение ножек — близкое. Замкнуть может, не дай бог конечно…
Привет, когда меняли мне реле по гарантии — вынимали реле багажника (мешало вытащить сломаное) и я обратно с подмотанными на ножки проводами никак его не вставлю. А год назад не сразу, но вышло…
И вот смотрю на твои фото и думаю — у меня вроде 5 ног у реле… есть наши такие, не встречал?
тут вроде шире ноги
Так 98.3747-111 и есть полная замена этому заводскому реле. Всё с ним работает, вставляется нормально, я лично проверял. Про подкручивание проводов на ножки не знаю, не проверял, рисковано это
надо вынуть ещё разок, разглядеть получше…
год ездил с подмотанными проводами и ничего, просто аккуратно надо )
В принципе, от любого производителя подойдёт такое евро реле, единственное, оно должно быть с защитным резистором внутри
да я дешевое ищу, раздербаню может тоже, как ты сделал
Да. Это самый надёжный вариант
Iaroslav-motors
ну да, я тоже так хотел, но места там мало, расположение ножек — близкое. Замкнуть может, не дай бог конечно…
а вот с али похоже на наше
от ларгуса есть похожее вроде — 200р