
Всем привет.
И так, попалась мне на Авито деталька, а именно активная аэродинамическая заслонка номер 23163383 с моторчиком и проводкой всего за 3500 рублей. Долго не стал думать и сразу купил ее. Данная деталь относится к опции VRI— АКТИВНАЯ АЭРОДИНАМИЧЕСКАЯ ЗАСЛОНКА и устанавливалась на кантриках дизельных и то на рестайл (не знаю точно на всех или нет, но предполагаю, что не на всех, а шли они в основном на авто для Швеции (хотя у нас такая же температура). На дорестовых сигах такой опции не было . В итоге пришла мне заслонка, плюс проводка (по факту как я понял придется докинуть 3 провода и прошить) и все бы ничего, но для данной заслонки идет отдельная, своя решетка, номера: 23427880, 23163384, 22879043 и отдельный номер на эбэй 3852599. С учетом нестабильности в мире, все решетки ушли в небытие, заказал перед закрытием границ из германии новую за 2700, но что-то пошло не так)). С эбея естественно не привезти. нашел на Авито в бампере у одного персонажа, но он за нее объявил 13 тыс., припух немного, послал далеко. Благодаря клубню с Беларуси, заказал бу. в хорошем состоянии 23427880 за 3200 + доставка 600р сдек. Привезли через 2 дня (кстати на бампер ру, есть по адекватной цене такие же жалюзи).
На решетке не хватало одного крепления (красного) номера 1404969, 24449408 заказал 10 штук на алике за 300 рублей с доставкой. схема подключения есть, осталось немного времени примерить, будет ли мешать радиатор АКПП, он у меня снизу стоит. хотя визуально должен поместится, если нет, все равно собирался на радиаторе шланги менять и хомуты, заодно перенесу.
Надеюсь буду первым, кто ее установит, почти все для установки есть, останется только потом все это дело прошить и радоваться зимой, когда машинка при скорости не будет остывать и надеюсь будет быстрее прогреваться.













Комментарии 43
По Форду море информации. В том числе подробно описан принцип работы. Насколько я понял, она даже при запуске двигателя должна закрыться и сразу открыться, независимо от погода. Как я понимаю просто режим тестирования. Ну а далее работает уже в зависимости от многих факторов.
Турецкие гении GM активно устанавливают эти заслонки. Предлагают и мне дистанционно прошить. Но блин стрёмно как-то туркам неизвестным бабки пересылать. И неизвестно как это сделать, пайпал у них не работает . Да и лучше со своими пацанами работать))
Вот немного инфы от турка про принцип работы. Скину скрины с корявым переводом, ибо насколько мне известно Фейсбук у вас не работает. Но могу и ссылку дать если что
Я думал что они для зимы, типо чтобы быстрее прогревалась машина зимой, а они для аэродинамики 🤔 у меня такие стоят на машине.
Приветствую. Походу это второй БЖ на драйве про эту заслонку (для Опель имею ввиду). Знаю, что такие вещи активно на Форды ставят, БЖ хватает…
Захотел и я себе на Астру это дело организовать. Купил заслонку, клипсы (чтобы крепить к бамперу), провод управляющий подсоединил. И вуаля! Столкнулся со сложностями в активации. Обратился к нескольким программистам, но они столкнулись с какими-то сложностями в программировании. ХЗ короче… Так и лежит теперь мертвым грузом. Не знаю что и делать))) Но, стоит сказать, что подключение в Сиге и Астре отличаются …
Спроси у Лёши и Кренкеля, вроде сказали без проблем активируют, на астре кстати тоже штатно стоит, видел на Авито именно с астры заслонки
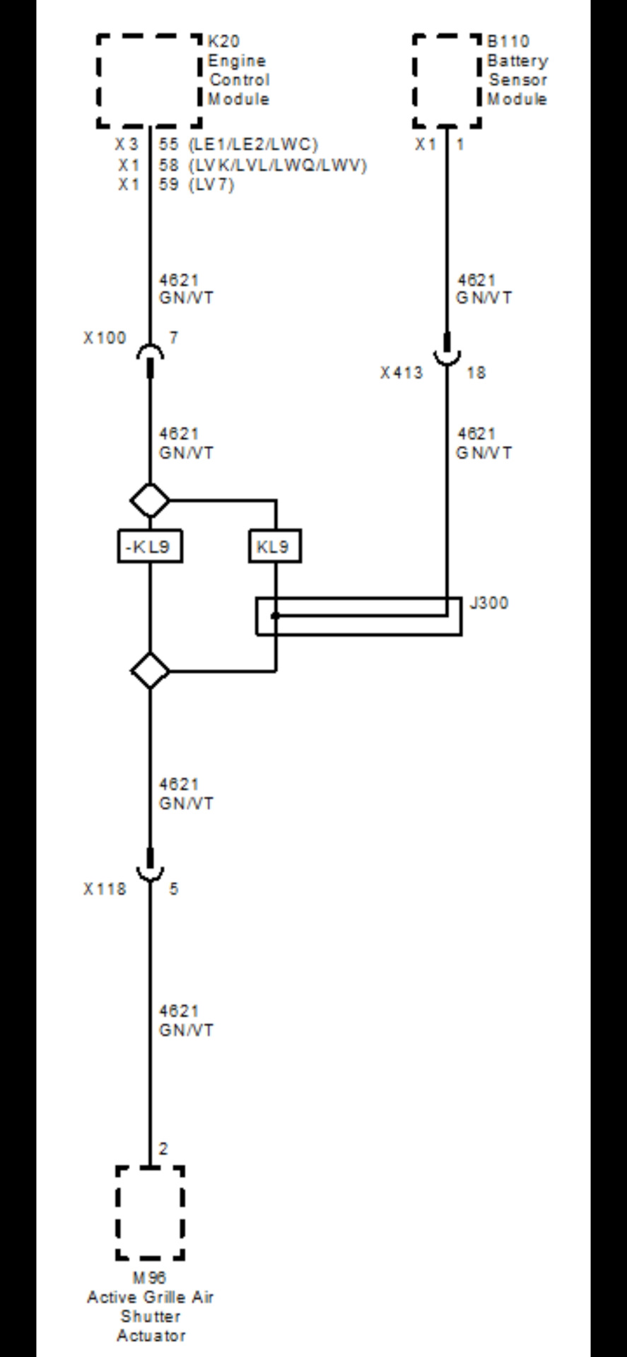
В Астре, каи в Сиге для подключения используется три провода — плюс, минус и управление. Только управление подключается не к блоку к климата, а блоку ECM. Может из-за этого загвоздки какие в программировании?🤷♂️
Да все верно) На Инсигнии от климата управляется. Буду ждать результа! Надеюсь, все получится у тебя)
Lucky28
А вот так в Астре.
Да, надеюсь у тебя тоже)))
Energizer8815
В Астре, каи в Сиге для подключения используется три провода — плюс, минус и управление. Только управление подключается не к блоку к климата, а блоку ECM. Может из-за этого загвоздки какие в программировании?🤷♂️
Ну там вроде блок климата
Energizer8815
Приветствую. Походу это второй БЖ на драйве про эту заслонку (для Опель имею ввиду). Знаю, что такие вещи активно на Форды ставят, БЖ хватает…
Захотел и я себе на Астру это дело организовать. Купил заслонку, клипсы (чтобы крепить к бамперу), провод управляющий подсоединил. И вуаля! Столкнулся со сложностями в активации. Обратился к нескольким программистам, но они столкнулись с какими-то сложностями в программировании. ХЗ короче… Так и лежит теперь мертвым грузом. Не знаю что и делать))) Но, стоит сказать, что подключение в Сиге и Астре отличаются …
Клипсы в итоге на автодоке заказал, 250р 10 штук, надо щабрать . посмотрим, у меня еще примерить нужно радиатор АКПП от вектры стоит он большой, может мешать, но придумаю, колеса буду менять поставлю надеюсь на недели, подключение попозже, хорошо что заслонки в открытом положении)), можно пока так кататся
На больших скоростях походу даже летом могут прикрываться. Типа для аэродинамики. Но это на очень больших скоростях. Может км 130 и выше)
Да я читал об этом, что то не подумал))) бывает такое когда в Тулу езжу
Energizer8815
Приветствую. Походу это второй БЖ на драйве про эту заслонку (для Опель имею ввиду). Знаю, что такие вещи активно на Форды ставят, БЖ хватает…
Захотел и я себе на Астру это дело организовать. Купил заслонку, клипсы (чтобы крепить к бамперу), провод управляющий подсоединил. И вуаля! Столкнулся со сложностями в активации. Обратился к нескольким программистам, но они столкнулись с какими-то сложностями в программировании. ХЗ короче… Так и лежит теперь мертвым грузом. Не знаю что и делать))) Но, стоит сказать, что подключение в Сиге и Астре отличаются …
Да нет постов про нее, никто не ставил, надо по Форду почитать
Так, а что, нижние решетки одинаковые на рестайлинг и дорестайлинг?
Угу, один в один, приложил точь в точь с наружи, внутри думаю также, где то видел что пишут 8-13
На опц бамперах точно одинаковые, а вот про обычные не изучал.
Ну у кантрика точно другой, а этот подходит, надо ещё его попробовать поставить, но там радиатор мешает будет, но хз
Буду следить :-)
Это не скоро будет, я очень долго собираюсь все ставить)))
вопросы и проблемы это разные вещи )
В данном контексте это синонимы, раз есть решение))
то что дизель долго греется зимой — это данность. она не решается, заслонками, заглушками, одеялами и т.д. причем это не зависит от пробок и тд. я иногда успевал доезжать до работы 15-20км, а мотор до конца не прогрет был.
это из категории вопросы. а проблема это или нет — тут каждый сам смотрит по своим задачам и предпочтениям.
по длительным поездкам по трассе в сильные морозы — не буду врать — давно в такие ситуации не попадал.
Ну смотри я 10 лет на синьке и ни разу картон не вставлял и не обламовался, значит это не проблема для меня. Просто если эта функция предусмотрена заводом и от этой опции чуть лучше будет авто работать и есть запчасти по вменяемой цене, почему бы и нет, тем более сейчас это у гм популярная тема аэродинамические заслонки, на новых авто ставится заслонки с низу и сверху, это еще и аэродинамика. Я же никого не заставляю и не говорю, что делать надо так, я развлекаю себя так как могу и хочу. Что мне еще делать с авто, уже скучно. Заодно и проверю
я тоже не вставлял картон… за 8 лет… плачут, в основном, кто детей до детсада везет — холодно им в непрогретой машине. а по району она не прогревается. не успевает.
а вот уверенности что "чуть лучше будет работать" если честно — нет. есть скорее опасение, что если эту приблуду заклинит от нашей грязи, то работать начнет "чуть хуже"… ))) придется вписать в план техобслуживания регулярную ее мойку.
и многострадальная акпп, которую все студят как могут, тоже станет греться чуть выше, при прочих равных условиях.
в плане изысканий, рационализаторства и развлечений — только респект и наилучшие пожелания! =)
зы видел тут кучу постов как на притащеных с европы синьках снимают с решетки сзади какую то доп заслонку пластиковую все. для лучшего охлаждения ))) у меня такой нет правда — у меня там радар стоит и решетка глухая и так…
Ну там заслонка на зиму ставится изнутри, летом конечно будет перегрев, эта тоже картонка толькоторигигальная и она не рткрывается, по поводу заклинит, я на приборку всегда смотрю, по температуре пойму что де касается дедтского сада и зимы, своего вожу, есть квик и я могу на 10 минут раньше выйти. В салоне не жара, но 5 минут езды потерпеть можно. В общем нужно не нужно, я сам поставлю потом решу
сам поставлю потом решу — даже не обсуждается! ;)
Stalker-rus
то что дизель долго греется зимой — это данность. она не решается, заслонками, заглушками, одеялами и т.д. причем это не зависит от пробок и тд. я иногда успевал доезжать до работы 15-20км, а мотор до конца не прогрет был.
это из категории вопросы. а проблема это или нет — тут каждый сам смотрит по своим задачам и предпочтениям.
по длительным поездкам по трассе в сильные морозы — не буду врать — давно в такие ситуации не попадал.
Вот еще продублирую одна из особенностей этой системы
…
Есть также «ледяной режим», который активируется, когда температура окружающей среды падает ниже нуля. Работая в сочетании с бортовыми датчиками и термометром, который отслеживает температуру наружного воздуха, режим защиты от льда предотвращает движение аэродинамических заслонок до тех пор, пока температура окружающей среды не поднимется выше отметки замерзания или пока температура силового агрегата не достигнет здоровой рабочей температуры.
это я прочитал сразу на сайте по твоей ссылке.
только тут ключевое — не нагревается дизель потому что медленный, а не то что он быстро охлаждается, потому что на него дует )))
все вопросы с недогревом и длительным прогревом решает установка автономного подогревателя с функцией догревателя по штатной схеме с управлением по can шине
Круто, но у меня нет проблем с прогревом и догревом, что бы что то еще ставить, я просто хочу поставить эти жалюзи и я почитал про нее она меня устраивает, вчера нашел про нее статью
Поставлю, посмотрю как будет работать, где то читал, что некоторые владельцы не видели ее закрытой))), посмотрим как она работает, надеюсь будет толк зимой и главное что бы не закрылась и не глбкнуща летом))
Меня часто просят ее отшить на кадиллаках. А там только бензинки и она работает там по другому принципу.
Вообще она закрывается на скорости для именно аэродинамики, как я понимаю. Нам бы ее как раз по холоду на малых скоростях и при прогреве зимой и на парковке закрывать. Тут другой алгоритм
Надо посмотреть как она работает, может вообще ее принудительно сделать на включение и отключение)) у меня кнопка тур свободная)) и без прошивки, будет же работать? С автоматом конечно прикольно если бы логика ее была привязана к темпе за бортом и темпы двигателя
А почему она будет без прошивки работать? Что ею тогда будет управлять если оно не знает, что таковая имеется в машине?
А почему ТУР свободна? она же вроде как после прошивки то же работает супротив СПОРТ.
Я вот для жалюзи и ЭКО кнопочку прикупил
Без прошивки, ну если подумать к примеру плбс минус и управляющий, управляющий подает сигнал когда на него питание идет. Так? Если питание с тур пойдет то она де должна закрыться или открыться или я не прав? Тур не работает потому что его не подключал никогда, только спорт
Питание? На шаговый двигатель? Там импульсное управление, как минимум, будет логично. Не должно туда постоянного питания для управления приходить. Я так думаю!
Короче это сложная система, не просто тупо шторки и погода и аэродинамика, вот нашел статью gmauthority.com/blog/gm/g…aero-shutters-technology/
И это мне понравилось
Есть также «ледяной режим», который активируется, когда температура окружающей среды падает ниже нуля. Работая в сочетании с бортовыми датчиками и термометром, который отслеживает температуру наружного воздуха, режим защиты от льда предотвращает движение аэродинамических заслонок до тех пор, пока температура окружающей среды не поднимется выше отметки замерзания или пока температура силового агрегата не достигнет здоровой рабочей температуры.
Поздравляю
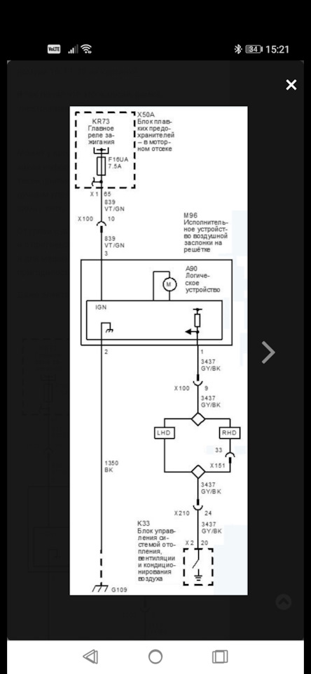
Радиатор для АКПП, если поставлен по распространенной схеме, будет мешать
У самого такой комплект лежит в гараже уже пару лет.
По питанию там 2 провода и третий в блок климата идет. Его-то и придется ввести в салон
Под усилителем бампера снизу ни чего не должно быть! Иначе оно мешает установке жалюзи
Останется потом это дело прошить только,
И это аэродинамическая решетка. К прогреву на скорости для дизеля ни какого отношения не имеет. Я не замечал проблем с его нагревом в зимнее время и без нее
Ты же ее себе не поставил, как ты мог заметить разницу, ну на трассе будет меньше охлаждаться, знаю что она при 140 или выше открывается, но я зимой редко езжу так
Зимой на межгороде двс трактора хорошо держит рабочую температуру. В городе, да есть недогрев.