
Всем привет, друзья.
Ура! Наконец-то, закончилась установка АБС/ЕСП, а началось еще это полгода назад. Поэтому извиняюсь, если что-то упущу. Начал поиски комплекта от реста, а проводку от дореста, тк хотел отключать есп через кнопку. Предоставил ее всем известный Максим. Комплект стоил 10 500 руб.

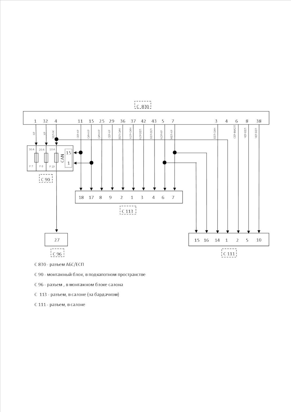
Подробнее о комплекте можно посмотреть в блоге, ссыль.
Сама установка всего, заняла один день. Проводка салонная и сами задние датчики были с завода, повезло. Как всегда помог Раис, с проводкой на задний правый датчик, тот, что был в комплекте, не подошел, другой разъем. Установка 5 000 руб. Самому было сыкотно, да и негде было.

Далее самое сложное, это проводка и конфигурация. С проводкой были сложности, тк не хватало некоторых пинов. Да и в ходе разбора разъёмов, с 113 и с 111, пришли в негодность, возможно из-за старости и моих "золотых" рук. Действовал по схеме, позже нарисовал свою.


Собрал все. Но не удалось запустить, самостоятельно. И пришлось обращаться к специалисту, Александру(сфинкс). В ходе его манипуляций, все заработало, подробностей особых нет, вроде как неверная конфигурация и перепутана была полярность на датчики. Стоимость 4 000 руб.
Ссыль на блоги других, по установке. www.drive2.ru/l/10134306/, www.drive2.ru/l/520319139907109563/, www.drive2.ru/l/605188793187716442/
По приезду домой, начались новые приключения, где-то было плохое соединение и как появилось время, место, начал шурудить проводку. Поочерёдно, методом тыка, дошел до с 113 и к черту припаял провода, чтобы не куда больше. Это помогло!
Всем спасибо, за внимание!






Комментарии 31
Эта схема применима к доресту?
Честно, уэе не упомню, тк время прошло досточное . Но я думаю, что да . Знаю точно, что на рестах чаще нет кнопки отключения есп, многие тянут ее, самостоятельно, как на доресте.
Понял. У меня дорест 1,8, донор 1,6 дорест, ищю как можно больше информации чтобы облегчить труд
Да инфы полно, у меня даже несколько ссылок
Тоже хочу, но мне только есп надо
Тоже с контактами мучался, раз 10 всё "передергивал" 🤣
😄
😳👍🏻👍🏻👍🏻
Супер 👍заморочился)
Да это писец, все просто пишут, что всё просто. Но мне не повезло 😀
Да так всегда 😄я вот самостоятельно боюсь суппорта заднии перебирать а потом и ставить заместо барабанов. Всё что связано с тормозами боязнь 😄
Отлично! Очень годная доработка!👍
Да, очень долго думал на счёт неё, несколько лет и вот чудо. Правда уже руки начали опускаться, за пол года установки 😀
Хорошая вещь должна вылежаться!))
👍👍👍Не знаю зачем, но тоже хочу😁😁😁
Видимо, чтобы чаще подключаться с диагностикой к авто🤣🤣🤣
Что именно хочешь? 😀
Абс и ЕСП😁
И у тебя нету его. Я думал нас единицы
😁ага прикинь, 2.0, климат, авто ксенон, омыватель фар, велюр
А абс нет, комплектация вообще непонятная
Аналогично
На заводе дуривары🤣🤣🤣
Я слышал что такие машины, брали себе те, кто работал на заводе, чтобы дешевле было
Ага, тоже слышал.
duell
😁ага прикинь, 2.0, климат, авто ксенон, омыватель фар, велюр
А абс нет, комплектация вообще непонятная
Сейчас как то не привычно, со шлифтом уже не стартануть 😄😄😄
Отключать же можно как я помню, у меня кнопка была на другом фокусе
Ну смотря какую возьмёшь проводку, если рест, то не будет там кнопки
А у тебя как?
Ну как и написал в блоге, искал комплект от реста, кроме проводки
Понятно😁
тоже ищу комплект для установки
У меня есть комплект