Всем привет.
Таки я созрел.
ПО ВЫБОРУ СТЕКЛА:
Определился, что хочу с полным обогревом — еврокод 7276AGNH. Либо 7276AGSH. Разница не понял в чем, зелёный и темно-зелёный, что в принципе пофиг. Поэтому руководствуемся суммой чека.
— по коду — фуяо — 7276AGNH — RENAULT DUSTER RANGER 5D 2010-UP GN [обогрев].
— Renault — 727122049R (он же ниссан 7261300Q3G) — зеленое с полным подогревом (AGC).
— у AGC еще свой номер есть — 7276AGNH — 4102772 — DUSTER 2015-/SANDERO ХБ 2010-/TERRANO ХБ 2014- СТЕКЛО ВЕТРОВОЕ ЗЕЛЕНОЕ — SOLAR CONTROL -С ПОЛНЫМ ОБОГРЕВОМ
— KMK GLASS — аж 3 вида стекла с обогревом:
— RENT0068 (его и берем) — Стекло ветрового окна Renault "Sandero" I 5D Hbk (07-) | "Sandero Stepway" I 5D Suv | "Duster" I 5D Suv (10-21) // Dacia "Duster" 5D Suv | // Nissan "Terrano" III D10 (14-) 3/5D '2009-2014 ТЗ (полный обогрев) #7276AGNH — 7875 рэ
— RENT0173 (lemson?) — Стекло ветрового окна Renault "Sandero" I 5D Hbk (07-) | "Sandero Stepway" I 5D Suv | "Duster" I 5D Suv (10-21) // Dacia "Duster" 5D Suv | // Nissan "Terrano" III D10 (14-) 3/5D '2009-2014 ТЗ (полный обогрев) конне
— RENT0118 — Стекло ветрового окна Renault "Sandero" I 5D Hbk (07-) | "Sandero Stepway" I 5D Suv | "Duster" I 5D Suv (10-21) // Dacia "Duster" 5D Suv | // Nissan "Terrano" III D10 (14-) 3/5D '2009-2014 держ.зерк.+ПЭО #7276AGNH00
— 7276AGSH от КМК — 8705 рэ
Обычные — 727122033R (7261300Q3J) — 7276AGN — зеленое
727123643R — 7276AGNV — зеленое с окном под вин
7276AGS — 4030938 — SANDERO 2008/DUSTER 2010- СТЕКЛО ВЕТРОВОЕ ЗЕЛЕНОЕ- SOLAR CONTROL — оно же 8200912165
7276AGSBL — 4047058 — SANDERO 2008/DUSTER 2010- СТЕКЛО ВЕТРОВОЕ ЗЕЛЕНОЕ SOLAR CONTROL/ГОЛУБАЯ ПОЛОСА
ПО МОНТАЖУ самого стекла — всё просто, делал не сам, 3000. Пятака под зеркало КМК RENT0068 не предусматривает, переклеили со старого стекла.


По электроМОНТАЖУ немного сложнее, так сказать хэнд мэйд — по инету блуждают пару вариантов:
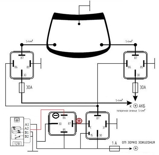
Схема от ребят с дастеклуба:
612, F10 — подогрев лобового левая зона
629, F11 — подогрев лобового правая зона

и
Схема от КМК-гласс:

В принципе все одинаково, но в моём блоке комфорта нет "таймера" на лоб и всего остального (на рестайлинге 2015 возможно проще, но это не точно, тут уже не копал). Соответственно выбираем реализацию по второму варианту (от КМК). Тем более и гена не самый сильный, так что через отдельную кнопку включения будет оптимально.

Сразу же оговоримся — в салон заходят только 2 провода на кнопку, и минус от стекла, всё остальное в подкапотке.
Ну и как обычно начинать лучше с конца. С благодарности — Игорю livek спасибо!
Соответственно подробнее:
ПО ЗАПЧАСТЯМ:
— кнопка — выбирал-выбирал и остановился таки на родной реношной, встающей в штатные пазы — пара вариантов — кнопка обогрева заднего стекла Renault Clio II (после 2006) — 8200446719 (за 428 руб), или от Renault Traffic (Opel Vivaro) — 7700313155 (GM 91167498). На вид одинаковые. Взял 8200446719.


Хоть реношники любят управление по минусу, будем использовать кнопку для управления по плюсу. Соответственно, схема эволюционирует в это:

Подсветка кнопки горит когда включен обогрев, горит правда тускловато (на фоне непристегнутых ремней например), но это уже издержки:

— к кнопке колодка — AX491 Разъем к кнопке включения обогревателя сидений для Лада Ларгус. Т.к. там всего 2 клеммы, а надо 4… и их днем с огнем не сыщешь, заказал 2 разъема по 67 руб. (разъем без тюнинга в кнопку не влазиет, надо его по месту чуууть подрезать). Новые клеммы (на будущее) заказал с Китая, когда приедут хз.
— 2 провода — на проводку от кнопки под капот — ПГВА-5-0.5(кр) — за 76 руб. и ПГВА-5-0.5(ч) за 69 руб (Провод монтажный ПГВА 5м (сечение 0.5 кв.мм) красный/черный). Ну и до кучи ещё 5 м жёлтого (в цвет родной проводке) (будет от зажигания к реле-таймеру) ПВАМ — VLT400111 Провод ПВАМ 0,5 кв.мм, 5м (желтый) — 84 руб
Саму кнопку в салоне запитал от прикуривателя, там как раз и минус, и плюс после зажигания.
Далее собираем DIY набор (фирм писать не буду, только артикулы, но если закинут денег за рекламу, добавлю любую фирму) :
— разместил всё в отдельном блоке реле/предохранителей (в родном места все равно не хватит) — берем на евроавто блок покомпактнее — от опель вектра B — 90504296 (153 руб). И в него уже инсталлим остальное:
Наметал схематично:


— реле обогрева лобаша от Уазика 316300374745602 (или 456.3747-02) — 178 руб (приехало 456.3747-02) (раньше встречалось 361.3787-01 — от заднего стекла) (можно запулить GM 96116223 — около 700 рэ)
— к нему колодку SLRK3404 (или AX-340-4, или 757555.066) (колодка соединительная 5-ти контактного реле 2110-2112, реле стеклоочистителя) за 74 руб. (с проводом или нет — особо не интересно, т.к. всё будет переобжиматься)

— реле замыкающее (проходное) — 2 шт — 75377710 (по 62 руб) (одно отработало всего неделю, точнее 4-5 включений, об этом ближе к концу пьесы) (или 90374710, или 98.377710, или 75.3777.000-10, или на крайняк 21100374721021, или реле стартера 71.3747 (там с запасом на 50А)) (или для фанатов — 8200351489, колодку сами ищите)
— к ним 2 наборные колодки для реле SLRK3403 по 59, но лучше без проводов (без проводов выходило немножко дороже) (позднее нашел — можно попробовать Ф57.830.065 колодка пятиклеммовая (г.Набережные Челны) — по 27, и вот это вроде тоже — СЦНК 757555.066 РАЗЪЕМ РЕЛЕ 4х КОНТ.НАБОРНОЙ БЕЗ ПРОВОДА — тоже по 27 — их не брал, поэтому не точно)

— держатели предохранителей — 3 шт по 78 руб — ДП30КН(кт) — Держатель флажкового предохранителя с крышкой и клеммами до 30А ДП30К — 2 шт пошли на 30-е преды, и 1 шт на 1-амперный. Держатели можно любые, но конкретно эти наборные, т.е. с крепежом в блок предов и между собой, + клеммы "лира" в комплекте (отдельно клеммы в предохранители — сцнк.757474.053 — 1,25-2,5 кв мм, или оно же — cuhk757474053, или же сцнк.757474.053-01=cuhk75747405301 — 4-6 кв мм):

— флажковый предохранитель на 30А — 2 шт — взял с диодиками (подобные много лет в салонном блоке) — 901785 Предохранитель MEDIUM W270-1 с индикатором, 30 А, зеленый — по 20 руб (или обычные — например AX80230A (0710370) — по 11 руб, или AFU-S-18 по 6, или 21100372213000 по 4).
— флажковый предохранитель на 1А — 1 шт — FT1A50 — по 7 руб
— провод о 4-х квадратах — ПГВА540КР ПРОВОД МОНТАЖНЫЙ ПГВА 5М (СЕЧЕНИЕ 4.0 КВ.ММ) КРАСНЫЙ — 403 руб (или можно поискать провод ПВАМ)
— клеммы под обжим:
— много мам 6,3 мм — ZIL 505(02) — по 5 руб.
— мама 2,8 — под вывод на реле-таймере — AX3812 (Контакт гнездовой серии 2.8 (с фиксацией) под сечение 0,5-1,0 мм) по 3 р/шт
— мама под 4 квадрата AX5852 (Контакт гнездовой серии 6.3 (с фиксацией) под сечение 2,5-6,0 кв.мм) по 6 руб/шт (стекло без колодок, чисто провода, может и к лучшему)
— папа под 4 квадрата (обожмем выводы со стекла) AX5862 Контакт штыревой серии 6.3 (с фиксацией) под сечение 2,5-6,0 кв.мм (надо 2 шт — берем 5 по 5)
— колодки под клеммы выше — 905052 и 905053 — по 2 шт — Колодка соединительная 1 конт. 6,3 мм (мама и папа соответственно) с проводами (провода удаляем) (они же dj7011-6.3-11/21 без проводов) — под соединение стекла и проводки (герметичные под 4 квадрата не нашел (меньше есть), поэтому обычные, укутанные в термоусадку)
— кольцевая клемма под 8 квадратов — для подключения к аккумулятору — купил в магазине электротоваров, 20 руб/шт
— клеевая термоусадка — наборчик из нескольких размеров 29-0107 за 74
— гильза соединительная изолированная ГСИ 0.5-1.5 мм цвет красный — 47466 по 7 руб
— гильза соединительная изолированная 1,0-2,5мм ГСИ 2,5 цвет синий — 47519 — по 11 руб
— гофры — были дома, от китайцев
— змеиная кожа — была дома, от китайцев
— "кронштейны" проводки — ну как кронштейны, нужно было что-то изобразить, чтоб проводка не болталась — WRT 92955M (N0143893, 0537655, 3104426, 51416654189) — 3х53 руб.

Бюджет на проводку… Да хз, тыщи 2 наверное точно. Точно не посчитать, т.к. что-то покупалось под это дело, что-то использовалось не по назначению, что-то еще докупалось, что-то в нз…
Скруток-паек не припомню, всё обжато + по максимуму в клеевой термоусадке.
Сам блок предохранителей разместил вот так (кронштейны делал по месту, частично из нержавейки) — вроде и место под капотом есть, но получается особо и нету — выбирал чтоб было удобно подбираться к проводам.

Провода от блока реле на стекло укутал в змеиную кожу:

Минусы от стекла крутим вот сюда:

Болты М8, ключ на 13. Оба минуса прикрутил на левый болт. Чтоб добраться до туда, нужно открутить и вынуть крючок козырька.
По поводу генератора и т.д. — тут только опытным путем. Но опять же — одновременно все потребители включать не планируется.
При включении стекла на секунду чуть падают обороты, потом возвращаются.
Само стекло начинает отогреваться при -10 примерно на 4-й минуте, при -15 на 5-й (замеры относительны):

Ну и плюс (или минус) — недогревает боковины стекла, нет нитей:

Таймер в реле работает в районе 12-13 минут.
Сами нити видно, но быстро привыкаешь и не обращаешь внимание, особо не критично.
При Солнце в глаза видно так:

В общем вышло тыщ 13 +/- (скорее +).
Осталось накидать пластиковых хомутов и приклеить обратно всякие резинки и жабу, чтоб закрыть провода.

P.S. Прошла всего неделя, а одна из релешек на обогрев сгорела :))) Вердикт — Avar 75377710 — гуано.
Внутри этих реле натуральный АлиЭкспресс, всё криво и косо:

Странно, что вообще релешки неделю проработали при 30А.
Заменил обе на старый немецкий Siemens V2313 4-A52-X237 для GM — 90491314 (собственно из этого же блока реле от опеля) (пусть оно и 5-контактное, все равно подходит).

Понятно, что опелёвское стоит небюджетно, соответственно из брендовых в аналог можно попробовать HELLA 4RD 007 794-021 (с высокой долей вероятности тоже Китай, но хотя б качественный), или чуть дешевле Mahle/Knecht MR 64, или еще чуть дешевле MERCEDES-BENZ A 000 982 81 23 (тоже хелла, тоже чина). Можно и Bosch 0.986.AH0.453 и т.д. и т.п.

Соответственно из рекомендаций — подходить в выбору силовых реле ответственно, реле таймер не критично — управляется по слаботочке.
P.P.S.Далее черновики и примечания:
Кнопку можно сделать по минусу — нужна еще релешка:

Инвертируем полярность сигнала (с «минуса» делаем «плюс» и наоборот) и подключаемся к слаботочным транзисторным выходам сигнализации

Ссылка на оригинал
Допустим, нам надо получить «минус», но у нас есть только «плюсовой» сигнал (например, у автомобиля положительные концевики, а у сигнализации нет входа положительных концевиков, а есть только вход отрицательных). На помощь опять приходит реле.
Подаём на один из контактов катушки (86) наш «плюс» (с концевиков автомобиля). На другой контакт катушки (85) и на контакт 87 подаём «минус». В итоге на выходе (контакт 30) получаем нужный нам «минус».
Если нам надо, наоборот, из «минуса» получить «плюс», то маленько меняем подключение. На контакт 86 подаём исходный «минус», а на контакты 85 и 87 подаём «плюс». В итоге на выходе (контакт 30) получаем нужный нам «плюс».
Если нам надо из слаботочного отрицательного выхода сигнализации (в сигнализации такие выходы могут называться по-разному и их назначение тоже различное: выход на 3-е зажигание, выход на открытие багажника, выход на закрытие стёкол и т.д.) сделать хороший мощный «минус» или «плюс», то тоже используем эту схему.
На контакт 85 подаём выход с сигнализации. На контакт 86 подаём «плюс». На контакт 87 подаём сигнал той полярности, который нам надо получить на выходе. В итоге на контакте 30 мы имеем ту полярность, которая на контакте 87.
Кнопка по минусу на плюс — www.drive2.ru/l/5274168/

Колодка для микрореле:
Bosch 3 334 485 045
ERA 661087
Hella 8JD 733 767-001
HERTH+BUSS ELPARTS 50290309
IKA 990400
IKA 990401
Автоэлектроника — 7145 — КОЛОДКА РАЗЪЕМА РЕЛЕ 983747 С 4МЯ ПРОВОДАМИ АЭНК
Автоэлектроника — 5508 — КОЛОДКА РАЗЪЕМА РЕЛЕ 983747 С 5Ю ПРОВОДАМИ АЭНК
Автоэлектроника -5910СБ5 — Колодка (разъем) подключения 5-ти контактного реле с проводами L=120мм (2х0,75+2х1,50мм.кв) 98.3747
FLOSSER — 1122 — Колодка под микрореле (без скобы)
Микрорелешки:
Hyundai-KIA 95225-2D000 — 188
Hyundai-KIA 95224-2D000 — 218
Bosch 0.332.017.300 — 376
Avar 98.3747-111 — 122
VOLTON VLT-64.3787-111 — 90
Реле 4 конт. универсальное 12В
98.3747-000-111
38.3787-11
64.3787-111
P.P.P.P.S.
Прошел год, пара нитей отгорели (камней стекло не встречало).


Соответственно ревизорро не рекомендует лобовое с обогревом от КМК-гласс.







Комментарии 36
Странно что не держит, могу посоветовать реле стартера.
Реле Стартера Г-3110,3302, Уаз-452/469 (50А) 711.3747-01 (461.3787-01) оно на 50А
Спасибо :)
Тогда ещё поставил релешки ориги GM. Больше туда не лазил.
Я так понимаю вам нужно 3-4 реле из-за того что у вас нет такой функции в цэкбс? Иначе вообще не понятно зачем лишние реле, ведь 2 шт в заводской схеме вполне достаточно.
Реле 3 всего (таймер/управление и по релешке на каждую половину стекла (силовые)). Можно в принципе 2-мя обойтись — таймер и одно помощнее на обе половины.
В моей заводской схеме не было в принципе обогрева лобового стекла (кстати и на дизеле [российской сборки, не знаю как с румынской сборкой ]так же обогрев не шел).
А релешки — потому что очково как-то напрямую такой ампераж пускать через кнопку.
В румынке не было тоже. Но цэкбс поддерживает передний обогрев. И кнопкой либо по кан шине ему посылается сигнал. Дальше он включает релешки из своих соображений. Втч дист пуск двигателя. На схеме он под номером 645
У меня дорест, у нас каншина пошла с рестайлинга.
В мозги лезть не стал, ибо чревато :)
Нет. В доресте тоже кан шина. Просто диагностика по К линии сделана. Но цэкбс там другой, не уверен что он поддерживает обогрев. А задний был заводской ? Так же рест цэкбс поддерживает климат. Который я успешно внедрил. Был в индийской версии с завода.
Обогрев заднего стекла да, с завода. Он на всех комплектациях вроде как.
Рест возможно поддерживает и климат, но у меня дорест. Всё ламповое.
Файлы ддт базы для цэкбс один для дореста и рестайлинга. По этому скорее всего что цэкбс поддерживает передний обогрев
С компа не лазил, а со смартфона он эти блоки не видит :(
При чем в оригинале стоит, 2 реле по 80а каждое на каждую из сторон. В гараже лежат где-то, могу посмотреть модель.
Да нет, зачем?
Видел у вас горели часто реле, подумал что эта проблема не решена) еще
Нет, это проблема в реле, ниже она вскрытая там есть. Китай 10-амперный внутри.
Поставил нормальные.
Еще спросить хотел. А спиральки внутри стекла, не мешают обзору? У меня бывает букашка разобьется, и уже меня это психологически выводит.
Да как сказать. Поначалу обращал внимание (потому что знал куда смотреть), сейчас не обращаю.
Жена не сразу даже заметила.
Когда солнце на закате светит в глаза, тогда золотистые спиральки видны, но сугубо субъективно — мне не мешают.
День добрый. Тоже озадачился темой лобаша с подогревом на дорестайл. Подскажите, в верхней части стекла (посередине) нормально шлейфы/провода под обшивку потолка укладываются или необходима установка пластиковой накладки на потолок как у рестайлов
Привет.
Нет, там без проблем всё прячется. Без лишнего тюнинга.
Провода выходят из "шлейфов", шлейфы толщиной меньше 1 мм.
Чуть ниже в комментариях есть фотка со шлейфами.
Спасибо. Наверное буду закупаться компонентами для установки. Лобовое хоть и без трещин, но уже просится под замену (пескоструй, камушки и т.п.).
Возможно немного изменю схему, оставлю управление «-», инвертировав его в «+» релюхой от задних ПТФ Автоваза. Подобным образом реализовано включение фронтальной камеры.
полный обогрев переднего стекла и курсовая по сути самые важные для меня по зиме функции. так что поздравляю 👌👍
Спасибо :))
А таймер зря не нагородил, точно потом будешь забывать отключать.
реле от уаза — это и есть реле таймер
Давно задумывался заменить себе лобаш. Всё равно с трещиной. Но реализация только летом. Один вопрос — провода к самому стеклу после вклейки как присоединяли, или заранее прокинули?
У меня трещин много уже стало просто. И щетки понемногу за них уже цеплялись…
Отрезы проводов от стекла идут от производителя, там типа шлейф выходит из стекла и от него сантиметров по 15-20 хвосты.
Там где по жабе написано — одна из последних фоток, видно что пока шлейф просто болтается, прижмется жабой. Скорее всего добавлю двусторонний скотч, жду как раз широкий черный — регик переклеивать.
Шлейфа ость это отлично. Я больше за это переживал. А вклеят а потом корячься. У меня трещина через весь лобаш, ниже глаз и до краев не достает. Снег (много было) заленился счищать перед прогревом, включил на лобовик и ушел, пришел и офигел.
У меня всё механическое :)) камни, болты…
Hell52
Шлейфа ость это отлично. Я больше за это переживал. А вклеят а потом корячься. У меня трещина через весь лобаш, ниже глаз и до краев не достает. Снег (много было) заленился счищать перед прогревом, включил на лобовик и ушел, пришел и офигел.
Посередине стекла 2 шлейфа видно. Это минуса
Плюса такие же, только по углам
Hell52
Шлейфа ость это отлично. Я больше за это переживал. А вклеят а потом корячься. У меня трещина через весь лобаш, ниже глаз и до краев не достает. Снег (много было) заленился счищать перед прогревом, включил на лобовик и ушел, пришел и офигел.
Релешки выбирай другие.
Авар не бери, внутри самая дешевая китайщина.
Hell52
Давно задумывался заменить себе лобаш. Всё равно с трещиной. Но реализация только летом. Один вопрос — провода к самому стеклу после вклейки как присоединяли, или заранее прокинули?
А почему только летом?
Я на выходных делал, договорился с мастером чтоб переночевала машина в тепле и комфорте
Дети, новый год, финансы. А после нового года займусь. Электрику собрать вообще не проблема. Проблема была собрать нормально комплектующие, а Вы расписали всё от и до. Спасибо. И ковыряться не проблема свой отапливаемый гараж дома.
Да не за что:)
Отличная инструкция! Надеюсь, в будущем я всё-таки поставлю себе тоже с обогревом.
На здоровье, дерзай :)))
Поздравляю, очень удобная штука))
Привет, Макс.
Спасибо :) я это ощутил еще на подменном логане