Давно хотел поставить кондей в машину, т.к. машина темная, салон черный, летом ездить просто адово. Систему изначально планировал под 134 фреон, началось все с покупки компрессора, потом попался за недорого комплект климата, деваться некуда пришлось ставить)))

Поменяли печку на климатную, т.к. она с дизеля, то с небольшим бонусом в виде дополнительного электро подогревателя салона (тена), правда нужен генератор для него 120А, но это уже совсем другая история…
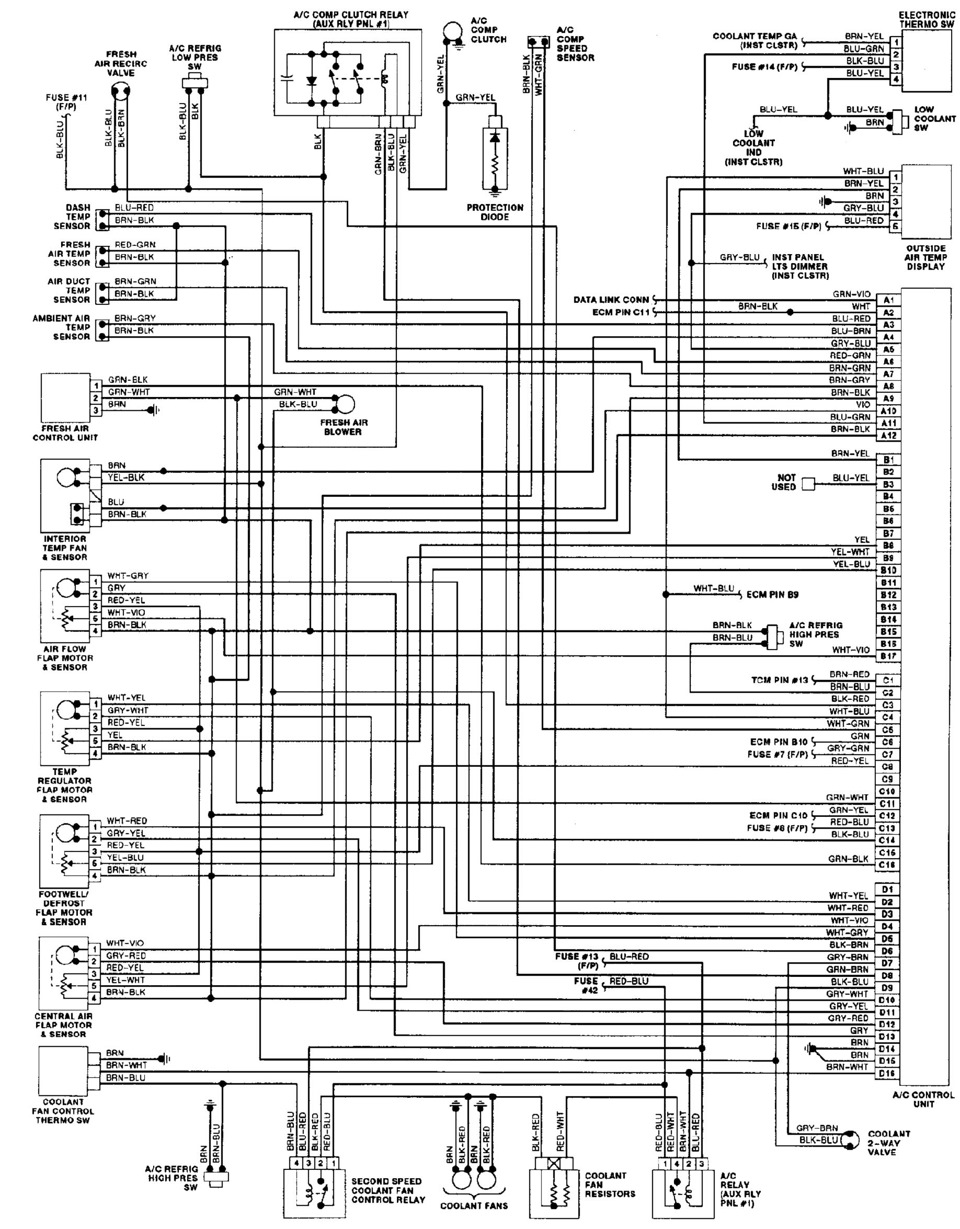
Протянута проводка на блок климы датчики и прочее в салон, ответная часть под капотом на сервоприводы и датчики там. Вырезано отверстие под испаритель. Установлен ваккумный клапан печки.

Акум переехал под заднее сидение и накрыт толстой резиновой крышкой во избежание электрического стула))

В салоне проводка запитывается через красную фишку печки, как ни странно цвет проводов на 44 и 45 кузовах сошелся, но не все так гладко, чтоб бы протянуть жгут через моторный щит пришлось вырезать приличный кусок металла потому что технологическое отверстие только со стороны мотора, а из салона маленькая дырка через которую даже провод от акума не протянешь, не то что бы фишки разъемов. Протянул потолочный датчик температуры (почему то не хватило длинны провода, пришлось наростить, не понял прикола))) Датчик в панеле, вырезал дремелем по шаблону.

Подключение проводки:
Красный разъем:
красно-синий — питание клемма 30
серо-синий — регулятор освещения
зеленый — сигнал тахометра, подключается в коричневый разъем приборки
Синий разъем:
зелен-желтый — сигнал на мозг впрыска(33 контакт) для повышения оборотов при включении муфты компрессора
бело-синий — сигнал скорости, подключается в черный разъем приборки
сине-желтый — датчик температуры ОЖ
Оранжевый разъем:
коричнево-желтый — сигнал на датчик забортной температуры

Теперь протягиваем проводку на вентиляторы, поставил ее целиком, не стал сращивать с родной, в моторном щите оказалась заглушка как раз под размер резинки новой проводки что не может не радовать)

Питание берем в блоке предохранителей, толстый красный провод от группы силовых контактов, у нас разъемы папа-мама на 45 кузове идет под болт, что бы лишнее не паять спасает микровинт с шайбой.
Сине-красный провод с 17 предохранителя 25А (у сорокпятого пред №13)

Реле 1,2 скорости и включения компрессора разместились в доп. блоке предохранителей в ногах водителя, хотел в монтажный блок, но места там не фонтан, да и лишних паек-соединений меньше. Реле на 70А второй скорости и пред на 60А в кадр не попали))


Дороботанный компрессор кондиционера на родном 44 креплении, переточен шкив с поликлинового на клиновой, поменял подшипник заодно.

Радиатор из за расположения сбоку влезает только штатный, для него перепаяна трубка, еще одна которая подходит снизу к радиатору удлиннена на 50 см, тут резьба подошла. Как выяснилось на радиаторах штуцера которые смотрят в сторону салона были двух диаметров, 16 и 19мм, что бы все подошло нужна последняя.



рамку обрезал от 45 кузова из за разницы в бородах кузовов, уголки получились чуть скошены, но так даже интереснее)) Есть вариант найти от v8 последних годов выпуска но вариант очень редкий и только под дерево.
Перед тем как собрать кондиционер взял 150 гр. масла синтетики (PAG) у кондиционерщика который в дальнейшем заправлял систему и залил в компрессор перед сборкой, предварительно слив на сколько это возможно старое.
Последним шагом был ваккум и заправка.
Полезные материалы использованные при сборке:
Схема климат контроля

Описание работы и диагностика климата, общая инфа по теме:
раз
два






Комментарии 51
А как натягивается ремень компрессора?
Привет. Решил тоже установить печку от С4 в 44 кузов и столкнулся с проблемой. Нижнее сопло у печки С4 больше, чем у печки 44 кузова. Поэтому нижний воздуховод, который идет вдоль тоннеля, нормально не становится. Как решил эту задачу?
Приветствую, не подскажешь, полазила в проводки на эбу и теперь тахометр не показывает обороты, включаю кондей, показывает) как такое возможно?
очень даже возможно) где то появляется то, чего не должно быть и наоборот) дистанционно такие проблемы не лечатся)) электрика-наука о контактах одним словом)))
Ок
Что можете сказать после установки климата, возможно что-то стоило бы сделать по другому, может лучше? Как я понял трубки, конденсор должны быть как шли в оригинале на 44ом кузове, а испаритель, компрессор, блок управления, проводка от С4?
Отличный отчёт!
Мне предстоит установка штатного климата от 44кузова.
Может тоже можно горячую часть поставить 45кузова.
на 45 уже управление сервоприводами, на 44 ваккум, так что либо либо, они не совместимы
За привода я знаю!
Надо отопитель менять вместе с проводами.Ну посмотрю, не очень хочется этим заниматься, больше всего не люблю с проводкой заниматься.
А чем тебя не устраивал вакуум?
с проводкой и с блоком климы двухоконным соответсвтенно
уж совсем старенькая система просто на этом вакуме)) сервы работают корректнее и точнее, что самое важное именно в климате
Привет, подскажи про силовые контакты на блоке, ето со стороны двигалетя они, если стоять возле крыла и их там сколько вообще?
ну они в блоке предохранителей по сути, все силовые)) смотри по сечению подходящих проводов
мне нужно запитать форсунки, там вроде 8 силовых таких самых…вот как определиться на какой лучше.
особо без разницы, шина плюсовая общая
Есть фото электроподогревателя, ни разу не видел не слышал что бы в те года такое делали?
только на дизеля ставились, тем полно о них www.drive2.ru/l/3313104/ например…
Какое то время назад думал знаю всё о С4, Ан нет вот недавно встретил www.drive2.ru/b/458660726844692102/ и обязательно поделился, тут теперь "Тен". Осталось в живую увидеть С4 с задней гидроподвеской . AUDI интересный автомобиль !
ага конструктор ауди)) гидроподвеску видел на v8, в свое время была огонь, а щас один гемор остался
Здорово получилось. Только я не пойму, почему с салона оверстия резал под проводку. Ведь на 44-кузове родная проводка под климат проложена по штатным отверстиям. Сейчас восстанавливаю 100-ку 1989г(пустая без климата, и АБС), а вот доннар и с климатом и АБС. Проводка спокойно вытягивается со всеми штекерами.
под климат да, просто вытащил заглушку, а под силовые провода для переноса акума пришлось подрезать отверстие.
А провести силовой кабель ка штатный? Я так понял — ты его с родным соеденил около испарителя. А по штатному он под рейкой выходит и по лонжерону к стариеру.
возможно переделаю как нибудь пока все так устраивает))
maksonPnz
под климат да, просто вытащил заглушку, а под силовые провода для переноса акума пришлось подрезать отверстие.
Вообще по климе интересует подключение вентилятора радиатора. У меня простой вентилятор трехконтактный штекер, а на донноре трехскоростной — толстые провода гайками на 6-мм пркручены и под радиатором на лонжероне типо сопротивления стоит(типо аллюминевый уголок с тремя выводами к коиорым толстые провода прикручены). Вообще 80% проводки снято и сейчас типо как на зоводе думаю как комплектовать:)))
у трехконтактного сопротивление внутри, а у того что мощный просто + и -, отдельно стоит блок сопротивлений на каждую скорость свой резистор и реле, у меня два резистора например бывает 3 где то даже 4 видел. И кстати вся проводка на вентиляторы идет отдельным жгутом. ставил на 500вт www.drive2.ru/l/9810123/
Я просто в раздумье — какой мотор ставить(3-х штекерный или трехскоростной с выносным тройным сопротивлением). Да и жгут на трехскоростной не отдельный( в районе АБС он обьеденяется в один со жгутом идущим на датчики) у тебя они были скорей всего разьедены.
ну тут особо не погадаешь)) если генератор стоит 110а хотя бы то ставь 500 вт, если 90 то лучше трех контактный, да и 500вт есть смысл ставить если кондей есть.
Да вот климат и переставляю поэтому вопрос про мотор вентилятора
тогда помощнее конечно надо и гену тоже, у меня в теме об установке климата есть схема для с4 под сдвоенные винты, там все просто вообщем то)
Пожалуй самая ценная запись о 100 в 44 кузове, что я видел на этом сайте) Сам о кондее мечтаю и периодически ищу на разборках запчасти от 200 или 100 в жир-комплектации, но относительно новый кондей от С6 это в сто раз лучше))) По цене бы еще понять, во сколько встала такая переделка? Кондей покупался или достался по случаю?
климат от с4 кузова) по цене как повезет) я покупал все частями.
Привет у меня в борт журнале есть видео что не включается климат.Диагностика выявила в механической части все ОК а вот в электрике проблемка.Все датчики норм а вот нет питания на компрессор.Диагносты сказали неси электро схему.Вроде реле 267 не воняет.Проверили муфту сказали ОК.Надо искать причину куда делась напруга на компрессор.Климат пишет что на компрессор идет 14-14,2в ВОПРОС: Дай совет куда глядеть или на схеме обведи контакт от блока до реле и дальше а то я не пойму ни как
Привет, в твоей теме ответил.
Привет, извини, вопрос по поводу компрессора, ты просто проточил сам шкив от а6с4, правильно?и вот по подключению, подпаивал провода от климы с проводами от приборки?верно понимаю?я просто тоже себе такое вот чудо делать буду, если не против, то буду ссылаться в своем бж на тебя…толково все расписано!
нет просто его проточить не получится, металла мало, со шкива стачиваются старые ломели до ровной плоскости, вытачивается кольцо в размер под запрессовку с проточкой под наш клиновой ремень, на горячую одно в другое запрессовывается, с торца вворачиваются шпонки. Там получается не от самой приборки, а с проводов подходящих к ней проще врезаться, короче с той стороны нужен сигнал спидометра, тахометра ну и с регулятора подсветки по желанию.
Эвоно как, спасибо за инфу
незчто спрашивай)
Очень трудоёмкая работа проделана на отлично.
Спасибо)
Во заморочился…Зачетно! Все снималось с 1й машины? Больше ничего не докупал?
Да нет, все собиралось постепенно, что то новое что то с машин, с одной только блок климата, испаритель, проводка. А так по мелочи чего только не пришлось докупать и переделывать))
Зачет, конечно правильно что перешел на серваки, тоже крутится идея но чет боюсь)кстати нет у тебя компресслра от 44 кузова?ищется очень)
подготовь все необходимое, бери и делай)) не, компрессора нет, я сразу от эс6 купил.
Круто!Я бы и умер там но не сделал
Я правильно понимаю, печка тоже от а6 с4?
конечно) на этой климе все заслонки сервоприводами управляются, на 44 ваккумом
А можно подробнее, какая модель, год, с каким двиготелем донор был, если не сложно…И насколько я понял все просто взял и поставил, на своей ничего не вырезали именно под саму климу…
Донор был а6 2.5 дизель, ну это не настолько важно, трубки пришлось переваривать и гнуть в три погибели, хоть там и тоже 5ц движек, если бы знал что столько гемора с ними будет, лучше бы взял родные трубки с 44 кузова и переварил штуцера. Компрессор тоже на переделанном креплении.
Насчет резки, так проще сказать что не пришлось резать))) Пришлось вырезать моторный щит под трубки, срезать крепления акб, вырезать отверстие под испаритель в салон, под провода в салон, в панеле под салонный датчик температуры.
Во сколько встала тебе вся эта затея?
Цены на запчасти разнятся, комплект климата продают в районе 15 плюс минус. От 44 кузова Конденсор, крепление компрессора. Переточка шкива, переваривание двух трубок, новые дроссель, осушитель, колечки уплотнительные. Заправка. По всему этому и прикинь стоимость у себя в регионе. По мелочи что то даже не считаю.
Отличная работа!
Вообще красиво. Молодец. Работа на 5+.