Эта запись для тех кому надоело постоянно менять задние ступичные подшипники.
На свою машину данную доработку я сделал несколько лет назад, но так как все делалось быстро перед соревнованиями фото не успел сделать.
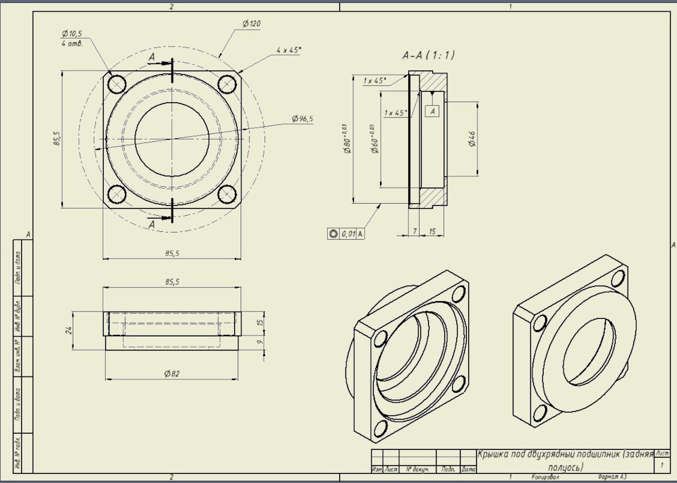
Для переделки вам нужно будет выточить новые крышки под двухрядный подшипник 3208RS, который шире на 7мм.




По фото видно отличия от стандартной крышки, которая не имеет ни какого уплотнения для защиты подшипника. В новую крышку устанавливаются два сальника которые зашищают подшипник от воды.


Так же вам нужно будет проточить полуоси




так как новая крышка шире нужно будет купит болты от классики со скошенной гранью( забыл померять длину)
Обязательно перед сборкой вставить болты в крышки иначе потом их туда не засунуть!

подшипники брал самые дешевые так как с хорошей смазкой они будут ходить долго.
Перед сборкой промыл подшипники от заводской смазки и смазал новой смазкой Hot Red Grease HRG2

преимущества данной смазки в том что она имеет стойкость к вытеканию, защищаеи от коррозии и ржавчины.


После данной доработки я забыл про постоянные замены подшипников, а так же вода в мост стала попадать гораздо реже.






Комментарии 12
Здравствуйте! Поясните, плиз. Если сделать такие крышки по чертежам, но подшипник полуоси оставлять стандартный 40х80х23, полуось нужно все равно протачивать по сальники? И как правильно поставить сальники две штуки в крышку, левые, правые, какой стороной, я не технарь, не понимаю. Но проблема с выходом из строя от воды и грязи меня уже реально запарила. Спасибо вам заранее.
Здравствуйте, полуось нужно будет протачивать под сальник, и нужно менять размеры крышки
Теперь за кривизной моста нужно следить, не терпит двухрядник кривых мостов в отличии от однорядника, а крышечка с сальником нужна это точно
На сколько продлит жизнь дух рядный подшипник? 150т-200т отхаживают родные.
Тут всё зависит от качества подшипника и смазки в нём, и самое главное это от того где ездить это наиважнейшее, если по асфальту да родные ходят очень долго, если с погружением то часто и на сезон не хватает.
Так что двухрядник с защитой в любом случае гораздо лучше 👍
IVAN66RU46
На сколько продлит жизнь дух рядный подшипник? 150т-200т отхаживают родные.
За 20 тысяч пробега поменял два.
Хорошая давно известная доработка но почему то малопопулярная.
Есть какие то мнения что там где точится полуось для доработки типа что то ослабляется, насколько правда не знаю но читал такое ещё лет 15 назад
Непопулярная как раз из-за того, что нужно точить полуоси. Если бы не эта проточка уже бы давно продавались только крышки и все катали бы на двухрядниках.
Чем эти плохи?
Тем, что не родные. Надо отдельно покупать полуоси.
IVAN66RU46
Чем эти плохи?
Ценой и качеством, у меня стоят родные полуоси качество СССР, которые выдерживают все нагрузки на соревнованиях, за 7 лет одна полуось была сломана по шлицам.
Очень интересно, , , 🤔