Всем привет!
Не секрет, что на праворульных CRV независимо от комплектации и всего остального, круиза не было.
Никакими штатными опциями его тоже при покупке нельзя было поставить.
Поэтому оставалось только терпеть и давить педаль газа ногой.
При этом на левый руль их ставили чуть ли не на каждую машину.
Я решил изучить эту тему получше и вот что вышло.
Есть несколько вариантов решения этой задачи.
Вариант первый:
Купить готовый универсальный комплект круиз контроля.

Есть пример установки на наши машины от человека из Астрахани.
На сегодняшний день стоимость такого комплекта около 13000-15000 рублей. Б/У за 10к.
В принципе при сильном желании можно и вписаться в эту историю, но не мой вариант.
Вариант второй:
Купить оригинальный комплект круиз контроля с другой машины.

Человек в Беларуси начал писать посты про установку на CRV такого комплекта от аккорда, но пока так и не дописал.На фото выше как раз его комплект, на сколько мне известно у него получилось довести историю до успешного финала.
И это значительно проще, когда комплект с одной машины, тем более с хонды тех же времён.
Многие варят солянку из различных компонентов разных машин. Наиболее распространен вариант с блоком от Мазды 6, тросика от ВАЗа, универсальных кнопок; соль, сахар по вкусу)
Как правило это всё — самый бюджетный вариант исхода событий.
По такому варианту и я решил пойти, но зачем изобретать велосипед, если его уже придумали, хоть и на левый руль)
Надо просто взять и поставить.
Неделю, наверное, я собирал информацию, чтобы сложить общую картину и убедиться, что моя схема будет хотя бы в теории работать.
Когда всё сложилось воедино решено было искать все компоненты.
Что для этого надо:
— Конечно сам привод круиз контроля, как правило его продают уже с тросиком.
— Вакуумный бачок. Часто в продаже он тоже идёт в комплекте с приводом. Не забываем про вакуумные шланги если их нет.

— Блок, который и управляет этим самым приводом. Ваше счастье, если он идёт с разъемом, потому что отдельно его трудно найти.


— Кнопки. Одна — главная, на включение круиза на торпедо. Её можно заменить на любую кнопку, не важно штатную или нет.
Вторые две одним блоком на руле, для активации поддержки газа и регулировки уровня скорости. Их при желании тоже можно заменить на любые две других и врезать их где нибудь на торпеде, тогда вам даже не нужен будет следующий пункт.


— Шлейф на рулевую колонку. Надо брать с зелёной фишкой. Как раз она идёт на кнопки на руле.
Есть вариант избежать покупки шлейфа и просто подпаяться к пустым контактам на ленте, но это прибавит геморроя.


—Лампа индикации.Тут много вариантов. Можно пойти по феншую и купить левую приборку с индикацией "Cruise". Или отдельно светофильтр с неё. Можно просто установить любую лампочку в любом месте.

— Концевики педалей тормоза и сцепления. Конечно на АКПП концевик педали сцепления не нужен.
Концевик педали тормоза в идеале взять от левого руля. Он четырёхконтактный, вместо двухконтактного. Но и его при желании можно не менять, просто в общую схему придётся добавить лишнее реле. Я так и сделал.


Из основного всё.
Остальное это провода, реле, фишки, стяжки и прочее.
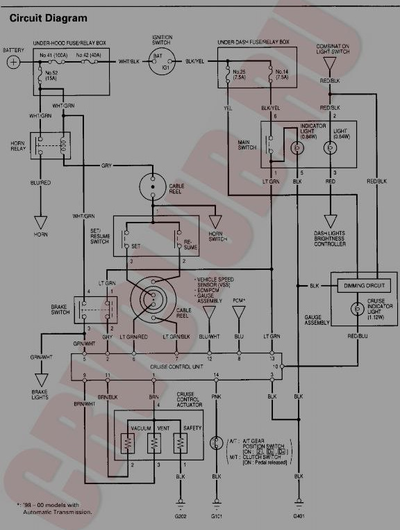
Пригодятся схемы из мануала.




По бюджету у каждого может получиться по разному, в зависимости от того насколько дешево найдете запчасти.
Я уложился в 2000-3000руб, при условии что всё сделано приближённо к заводу.
В результате:

Привод встал на штатное место, чуть-чуть пришлось изменить геометрию кронштейна, потому что на прулях в этом месте мешает маленький блок предохранителей.
Единственный нюанс то, что по заводу привод тянет тросиком из салона за педаль газа, для пруля в таком случае придётся как то наращивать трос и приделывать для него крепление на педали. Возможно встанет педаль от левого руля, хз.
Я тут поступил проще. У меня привод тянет за тросик газа как это реализовано в схеме универсального круиз контроля.
Вакуумный бак также прикрутился на родном кронштейне в родные отверстия без проблем.





Вакуум подключил через тройник.

Лампочку индикации установил тоже в штатное место. Мудрить не стал, взял обычную лампочку, одел на неё зелёный колпачок и врезал в приборку на своем разъемчике.


Кнопка включения круиза тоже штатная на родном месте.

Кнопки на руле также на своём месте как и полагается.

Всё работает прекрасно, как по заводу.
Активируется со скорости 40км/ч.
Кнопками на руле прибавляется и убавляется скорость, при нажатии на тормоз скидывается.
Доволен больше чем слон)
Кто заинтересован, обращайтесь, поделюсь всей информацией.
Круизим дальше)





Комментарии 32
После свапа на меху круиз перестал работать, забил на него, но он же есть)) хочется восстановить, причина в чем интересно может быть? Нужена лягушка на сцепление педаль или чего)
Не понятно самое главное — куда ты тянул и подключался проводами от блока управления круиза под номерами на схеме:
6, 7, 8, 13, 14?
Куда подключать эти провода?
С остальными понятно :
5 и 2 к педали тормоза
12 к датчику скорости
9, 11, 1 к кнопке активации
3 масса.
8 pin is not necessary to be connected
6 and 7 are going to the buttons on the steering wheel
13 must be split to connect to the brake sensor and main switch on the dashboard
on 14th pin you can attach from 2 places, the first one is on the PCM "bottom right on the passenger" or from the cluster. The idea of 14 pin is to send signal when you are on D gear i forget which are the cable but i have connect it on PCM
А мне подскажите пожалуйста, нажимаю кнопку она (кнопка) загорается, а на приборной панели ничего не горит. Соответственно и круиз не работает. Думал проблема в лампочке в приборке, снял посмотрел, и решил что там диод стоит. То есть должен работать. На какой провод должно приходить питание с кнопки? Помогите…
Ни как не могу найти вакуумный бачок. Кто нибудь знает можно ли заменить от других автомобилей
Напиши в личку, помогу
Пожалуйста подскажите как подключать датчик скорости
Это бомба! Вы молодец, спасибо за статью! Ищу сейчас первый сервант как раз, огорчился что на праворульках нет круиза( Зато на леворульки не ставили VSA TCS на сколько я знаю) А их так просто не переставишь, они уже на ЭБУ завязаны.
Ну да)
…Вторые две одним блоком на руле, для активации поддержки газа и регулировки уровня скорости. Их при желании тоже можно заменить на любые две других и врезать их где нибудь на торпеде, тогда вам даже не нужен будет следующий пункт. Здравствуйте, тоже хочу поставить себе. Какие кнопки активации КК Вы бы посоветовали поставить на торпедо вместо руля. Заранее спасибо за ответ.
Любыми двумя универсальными нефиксирумыми кнопками, либо одной кнухклавишной.
Спасибо большое за ответ. Нижняя вкл., а верхняя получается управление. Правильно?
Нижняя включение и понижение скорости, а верхняя — повышение скорости.
Они получаются по 5 контактов каждая?
Не, просто минусовой сигнал.
Если одна двойная кнопка, то трехконтактная.
Если по отдельности, то две двухконтактные.
Спасибо.
Полезная штука! Очень удобно.
Это точно)
Кнопка включения круиза такая же, как кнопка включения птф? В нижнюю панель встанет? Если люк есть, место занято будет
Да
Офигеть. Не знал, что круиз механически устроен :) я думал это просто электроника
У всех современных автомобилей так и есть, а вот раньше почти у всех на тросике был)
Активация должна быть чуть позже, около 60км/ч. На панели от Япы есть место под индикатор, надо только его поставить.
www.drive2.ru/l/512235530419700234/
Да нет же, сколько не читал у всех также с 40км/ч, вот например в этой же записи что ты скинул написано в коментах.
Всё возможно, я включаю после 70ти
Да включать то можно и после 100)
Spody
Да нет же, сколько не читал у всех также с 40км/ч, вот например в этой же записи что ты скинул написано в коментах.
У меня левый руль. Круиз от 60км/ч
Ну вот, у кого как видимо)
Но с 40 удобнее будет)
Spaes
Активация должна быть чуть позже, около 60км/ч. На панели от Япы есть место под индикатор, надо только его поставить.
www.drive2.ru/l/512235530419700234/
А про индикатор я написал же, что в идеале нужно светофильтр найти, но так как отдельно его мне пока не найти, а приборку только из-за лампочки покупать не вижу смысла, то вставил на его место обычную лампочку.
Норм. Я с Американки в прульную панель переставлял. На оптитроне сейчас у меня вообще другой индикатор запитан под круиз.
Spaes
Активация должна быть чуть позже, около 60км/ч. На панели от Япы есть место под индикатор, надо только его поставить.
www.drive2.ru/l/512235530419700234/
У меня с 40. Американка