С снегом в этом году у нас проблемы, а подгадать что бы я еще мог взять машину и протестировать еще меньше времени. Но наконец смог подгадать момент, выпал снег и была возможность взять машину и можно было протестировать то, что установил несколько месяцев назад(а точнее в октябре).
Т.к. система работает, решил описать данную установку.
Собственно из-за чего устанавливались задние дисковые тормоза, т.к. в планах было желание попытаться установить esp в эту машину. В интернете я не находил информаций, что кто то отдельно ставил систему на эти авто, тем более на автомате ее с завода вообще не было. И я не мог понять почему, ведь на фокусы eps ставили все кому не лень. Подготовка была долгая, почти год я шел к этой реализации, изучение схем и нужных деталей.
Поиски деталей отдельная тема, т.к. машин с esp очень мало на разборках.
И так, что понадобиться для установки:
1. Приборка с БК
2. Шлейф подрулевой : 2s6t-14a664-bc
3. Блок ABS/ESP: 2s61-2c405-ah
4. Датчик рыскания (вместе с защитным кожухом должен быть) : 2s61-3c187-ad
5. Вакуумный усилитель, на нем должна быть наклейка с буквой “А”, находил два номера: 5S6Y2005AC и 5s6y2b195cc( у меня вот этот установлен)
6. ГТЦ с датчиком давления.
7. Кнопка отключения esp
8. Трубки к блоку абс.
9. Куча проводов разных цветов.
Почти все я нашел с одной машины, что то докупал в разных местах.
Если будете искать, ищите все с разъемами вместе! Это на много упростит монтаж (т.к. цвета проводов на схеме совпадают) и разъемы на блоке abs и подрулевого разные.
Теперь о запчастях по порядку.
Блок АВС ищите вместе с кронштейном, трубками на гтц и короткие трубки на задние колеса.
Много блоков в продаже у которых моторчики заклинили, просите, что бы сняли моторчик, что бы осмотреть состояние.


Трубки на передние колеса отличаются.
Правую трубку можно переделать, левую нет: ее либо изготавливать, либо искать на разборках.


Вакуумный усилитель: внутри выглядит так:


Подрулевой имеет вот такой разъем сзади:

Датчик рыскания вместе с крышкой

ГТЦ с датчиком давления

И куча проводов разных цветов:
провода подбирал по цветам разъема блока esp, что бы не путаться.

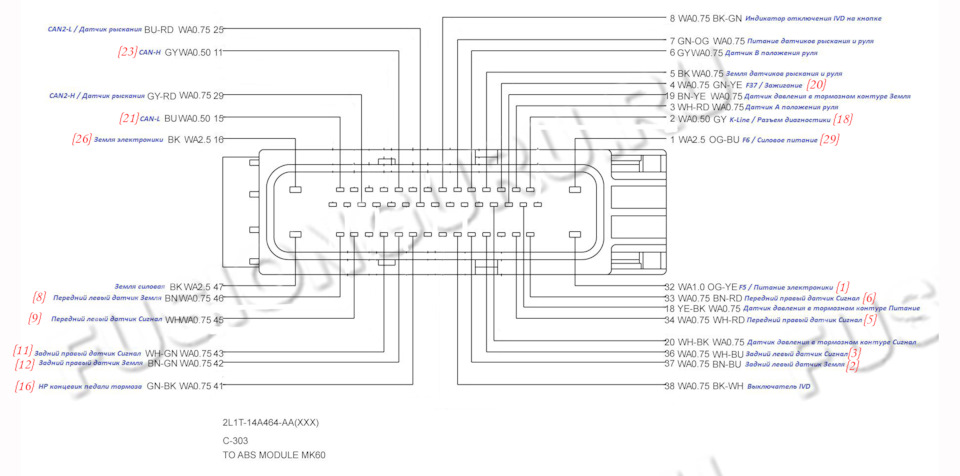
Распиновка блоков абс, красным указал какой провод куда подключать при перепиновке.


Общая схема, в салон нужно завести 9 проводов, отмечены красным.

Старый блок:

Новый блок на своем месте


Далее переделываем проводку, использовал соединители проводов бош, которые внутри с герметиком

Установку Датчика рыскания не фотографировал, он находиться под водительским сидением, под ковролином, фоткать там было не удобно.
Кнопка в процессе подключения


Далее я с помощью программы ELM-FFn я поставил одну единственную галочку о наличии IVD и почистил ошибки
Программой FORScan провел все сервисные процедуры относящиеся к ABS IVD
Видео работы.





Комментарии 37
А от фокуса блок абс подойдет? Тоже ивд, маркировка другая, по фото 1 в 1
Не подскажу, т.к. не пробовал. С виду он может быть и похож, но может быть не совместим с эбу fiesta/fusion. Тут только пробовать.
Спасибо, уже нашел полный комплект от фьюжена( у самого тоже фьюжн), вот думаю надо ли мне это😁 в планах еще климат воткнуть
Тут от финансов зависит, жалко на это или нет :)
А еще вопрос, есть разница акпп мкпп? Комплект с мкпп и у меня мкпп, по блоку управления отличий нет? Может прошивки разные? Не в курсе?
если вопрос по блоку двигателя, то я ничего не менял, да и те кто после меня ставили тоже. Да и esp на акпп с завода в принципе не ставился. Но если судить по фокусу, то там тоже ничего не шьется отдельно, только кодировки меняются. Поэтому я и решил рискнуть тогда.
Собственно вопрос по датчику рыскания, куда от него идёт проводка?
в блок ESP, посмотри распиновку, там все контакты подписаны и номера совпадают с схемой.
Есть фото как закреплён датчик рыскания под сиденьем, родные ли болты? Артикула не нашел на схеме
Сам фото не делал, не удобно было. На болтах он по моему сидит. Вот тут фото есть датчика и кожуха который сверху его прикрывает. www.drive2.ru/l/623561357609931192/
Собственно ещё прикол, есть два датчика рыскания с буквами AD и AC, в чем отличие интересно, и то и то ставилось на фьюжн и фиесты.
Если ставилось на фиесты и фьюжины, то должно работать. Что то может исправили и поэтому ревизия отличается.
SAVE-62
Сам фото не делал, не удобно было. На болтах он по моему сидит. Вот тут фото есть датчика и кожуха который сверху его прикрывает. www.drive2.ru/l/623561357609931192/
А как РСМ понимает что теперь нужно управлять тягой, ведь прошивка блока управления двигателем не менялась, как я понимаю? Одной галочки в комплектации IVD для этого не достаточно. ПО блока управления двигателем на авто с автоматической коробкой не умеет работать с IVD, да ABS есть, индикация на панели есть, но вряд ли что-то больше работает, без изменения ПО РСМ, насколько я знаю, заводских комплектаций машин с АКПП и IVD не существовало и ПО для этого не разрабатывалось.
Посмотрите видео, все работает уже не первый год. У меня есть блок двигателя с машины с 1.4 с заводским esp, все работает идентично, и даже акпп работает с ним без изменения, хотя на 1.4 акпп не ставилось. Посмотрите отчеты установки esp на ford focus 2, активируется все так же.
На Fusion GURU человек писал отчет об установке IVD на Fusion с МКПП все то же самое, что у вас, индикация ESP, ABS работает.
IVD нет т.к. ПО блока управления двигателя не умеет управлять нагрузкой двигателя по сигналам блок ABS несовместимость программного обеспечения. Как вы опрелелили, что у вас работает система ESP/IVD?
У меня есть блок донора, с заводским esp\ivd. И я могу сравнить работу на обоих блоках. А определятся просто, при пробуксовке снижаются обороты двигателя, пока не будет хорошего сцепления с дорогой, так же как и на других авто с этой системой. Любые малейшие намеки на проскальзывание тут же пресекаются. На видео я показал разницу. Ссылку пришлите на тему в Fusion GURU.
на fusion guru в той же ветке, где вы выложили ссылку на свой опыт, страница 2 Fusion 1,6
Это сообщение я видел, и у человека не работает система в принципе. Я пытался с ним связаться еще до того когда начал собирать комплект, но он не ответил. У него в блоке висит ошибка, у меня ошибок нет. И та ошибка скорее всего возникла из-за того, что один из установленных модулей не от fiesta/fusion а от другого форда и поэтому не совпадает конфигурация. Еще как минимум 3 машины есть, кто устанавливал систему и все работает.
Подскажите, а разъем на улитку со стороны салонной проводки, где брали ?
Искал улитку именно с разъемом в комплекте.
Улитку брал новой на exist, бу не нашёл… а разъём даже на фото не попадался 😃
эта улитка так же ставиться на ford focus 1 поколения с eps или eps + круиз, так что можете от этой машины разъем поискать
Круто! Это не то, что сменил масло и помыл машину. Респект!
молодец👍заморочился серьезно
Колоссальная работа! Респект!
Красава!
вот эта работа, круто лайк одназначно
О, наконец второй есть кто это сделал.
Круто, поздравляю!
К слову, вакуумник с Брэйк-ассист я снял на своей СТ и поставил обычный. Меня достал этот помогач, срабатывал часто не в тему. Он явно приспособлен для умеренной езды, и действительно поможет при нештатном торможении "в пол"
Честно не находил, что бы кто-то ставил esp на эти машины. Если бы нашел, было бы наверное по проще.
Ну тут все ставилось, что бы помочь девушке в нештатной ситуации остаться на дороге. А судя по Вашему проекту, вам в принципе вспомогательные системы не нужны :)
Да но нет, абс нужен. А есп с акпп у каспера с фьюжен гуру стоит. Только я не понял ставил он есп или же комплектация изнаспльно была с есп, а ставил он только акпп.
у Каспера машина с завода была с esp и мкпп, он менял коробку на акпп.
Акпп и климат я ставил на черную
Хорошо, что кто то решается на такие проекты. Я вот у Вас подсмотрел про пересвет приборки и вот думаю тоже ей сделаю.
Камера заднего хода наверное будет с динамически линиями на монитор?
Нее, так сильно заморачиваться не собираюсь. У меня тигуан с штатными динамическими линиями, толку от динамических линей нет.
Серьезная работа проделана