Здравствуйте, все кто решил прочесть эту запись. Те кто читал предыдущую запись, знает, что у меня были проблемы с пускачём. Замена втягивающего проблему не решила, по ночалу машина заводилась на холодную, а на горячую отказывлась, потом совсем отказалась. Поглядев отзывы о стартерах решил взять Хофер. Заказывал через вайлбериз т.к. цена ниже магазинной на тысячу, а то и больше. Да и в маге предлогами за эти цены старвольт, а кзатэ так ещё дороже. Пришёл заказ и что вы думаете? Машина стала заводиться как и раньше и я решил отложить замену, но не долго музыка играла. В общем в нужный момент она не завелась, на следующий день, т.е. вчера я решил заменить стартер. Открутил старый стартер, подал напряжение, стартер заработал с треском.




Подключил новый, он завелся почти без щелчка и работал очень тихо, в отличии от старого. Прикрутил всё на место и машинка стала заводиться с полоборота, даже не дожидаясь окончания работы бензонасоса, и со включеной печкой, и свключеным светом.
Выключатель поворота перестал отключать левый поворот совсем, а правый через раз.





Теперь всё работает как надо.
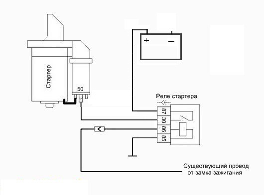
П.с. есть пару вопросов 1 кто ставил на Надю разгрузочные реле на стартер? 2 у кого есть полная подробная схема проводки с описанием? И у кого есть подробное описание блока предохранителей и реле?






Комментарии 11
Благодарю, но мне больше интересно в какое место его лучше запихать.
Реле стартера должно быть с завода. У меня было.
А где оно находится?
Если память не изменяет, то на блоке предохранителей снаружи. Если нету то можно туда и поставить. Все провода рядом. Под капотом не надо ставить, там оно долго не проживет.
У меня есть реле за пределами корпуса блока, но при его изъятии стартер всё равно работает.
Krest911
А где оно находится?
Мне тоже когда менял говорили что релюха есть родная на стартер.А у меня проводка горела, электрик сделал но там путаница ужас. Я мудрить не стал и сделал отдельно, работает уже давно и проблем нет .
Ну Санек, ты меня удивил . На счет реле на стартер ! Покупаешь Реле 50 ампер с четырмя клеммами . Две клеммы крупные две поменьше . Крупные Акум-Стартер поменьше Земля-Зажигание, все !Дай Бог памяти 87 на реле это на акум через предохранитель, толи 15 толи 20ампер. А 86 земля . Все !
Ну схему и принцип я в общем то знаю, мне интересно как и куда его кто ставил
Тут наверное ответ сам напрашивается ! Поближе к стартеру, но повыше, что бы не залило водой. У меня там два бочка стоит, проставки под эти бачки сделаны. Вот к одной подставке прикрутил и уж не помню когда ставил, но проблем нет . Да, посоветовал бы тебе, кнопку пуска поставить, что бы заводить не от замка а от кнопки .Я тогда не додумался, а потом пожалел что кнопку не поставил . Все собираюсь, но лень пока держит тонус хэхэ