Доступно только для зарегистрированных пользователей.
Войти
DRIVE2.RU
Автомобильная социальная сеть
Внешний вид
Найти
Войти
Зарегистрироваться
Купить машину
на Дроме
Машины
Бортжурналы
Сообщества
Автосервисы и магазины
Барахолка
Самое интересное
Машины в продаже
Mitsubishi Lancer IV
Все Lancer IV на DRIVE2
Бортжурналы владельцев
Запчасти в Барахолке
9
Машины
Mitsubishi
Lancer
IV
Mitsubishi Lancer
Бензин 1.5 л (94 л. с.), механика, передний, 1991
Симферополь, Россия
Сообщение
Не много фото после установки Эл.подогрева зеркал
Ilyas0890
7 марта 2023
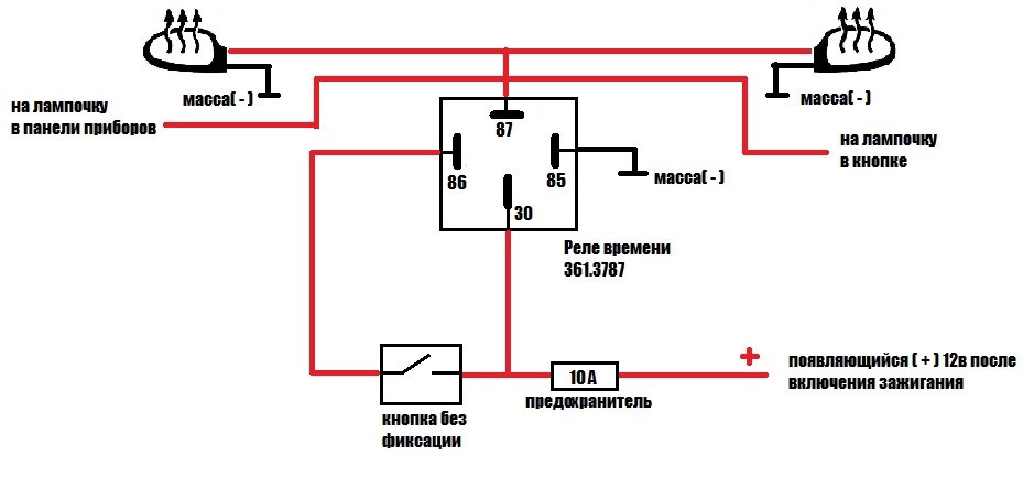
Здравствуйте за основу взял эту схему
Буквально секунд 30 начинает греть)
Очень остался доволен
Запчасти на фото:
3613787
7 марта 2023
Метки:
своими руками
Ранее
Не много ништячков
Запчасти и шины
Реле времени обогрева заднего стекла
3613787
ЭНЕРГОМАШ
Разместить рекламу
Реклама
Mitsubishi Lancer 1991, двигатель бензиновый 1.5 л, 94 л. с., передний привод, механическая коробка передач — своими руками
Машины в продаже
Реклама
Информация о рекламе
Тарбагатай
Mitsubishi Lancer, 1989
100 000 ₽
Волгоград
Mitsubishi Lancer, 1989
110 000 ₽
Кемерово
Mitsubishi Lancer, 1989
100 000 ₽
Нальчик
Mitsubishi Lancer, 1990
120 000 ₽
Посмотреть ещё
Реклама
Войдите или зарегистрируйтесь, чтобы писать комментарии, задавать вопросы и участвовать в обсуждении.
Войти
Зарегистрироваться