Машина мне досталась в простенькой комплектации в плане звука (только передние динамики) и рулевого колеса (пустая черепашка). В мыслях было поменять штатный Chorus (об этом в следующей записи) и хотелось руля (чтоб с кнопками). Со временем поисков сложилось понимание и компромисс с бюджетом, в итоге искомый руль был найден в РБ, с кнопками, лепестками, с подушкой и даже штатным подогревом (за приобретение и доставку большое спасибо дорогому комраду lavrenmaks).


По диаметру немного больше и чуть толще, подушки разные коннекторы тоже


Основные коннекторы разные, прозвонил нарисовал схему, перекинул коннектор от подушки АЗ на подушку от Q7 4L и перепиновал

Приобрел и установил еще в ноябре 2022 года, про установку и кодировку (пока была штатная магнитола) писать особенно нечего, все достаточно просто и понятно, а вот с реализацией подогрева история получилась долгой.
На А3 8P подобного опыта я не нашел, рискну предположить что мой случай единичный в плане успеха реализации, поэтому изучал опыт коллег по реализации подогрева на шкодах и фольцвагенах.
Главная проблема это отсутствие штатного решения на наше поколение А3, нет в природе подрулевого блока поддерживающего эту опцию (хотя на входе блока есть место для двух пинов, возможно как раз для этих целей) как и самой улитки. На этом все и останавливались.
Штатная кнопка включения подогрева на руле у Q7 осталась чисто как обозначение подогрева на руле и была бесполезна, так как на Кухе при нажатии она подает импульсный сигнал через шлейф подогрева на блок, что в нашем случае абсолютно бесполезно.
Для эксперимента купил штатную улитку от А3 (номер 1К0959653А, кстати подходит и от Джетты, у нас один шлейф на 8 дорожек и лента-балансир) и улитку от А6 с подогревом (номер 4E0953541A, два шлейфа на 6 дорожек и 2 шлейфа по 2 дорожки на подогрев) .

Сделать гибрид из родной улитки получилось со 2 раза, первый раз улитку от А3 запорол. Делал по опыту коллеги с Ети (www.drive2.ru/l/6826301/), тут оказалось сложнее чем скрестить Ети с Туарегом, разные диаметры улиток и расположение концевиков на внутренних обоймах.

В итоге выкинув из родной улитки штатную ленту-балансир добавил 2 шлейфа для подогрева от А6 вместе с частью внутренней обоймы и врезал коннектор подогрева на внешнюю поверхность улитки. Получился такой вот франкенштейн:

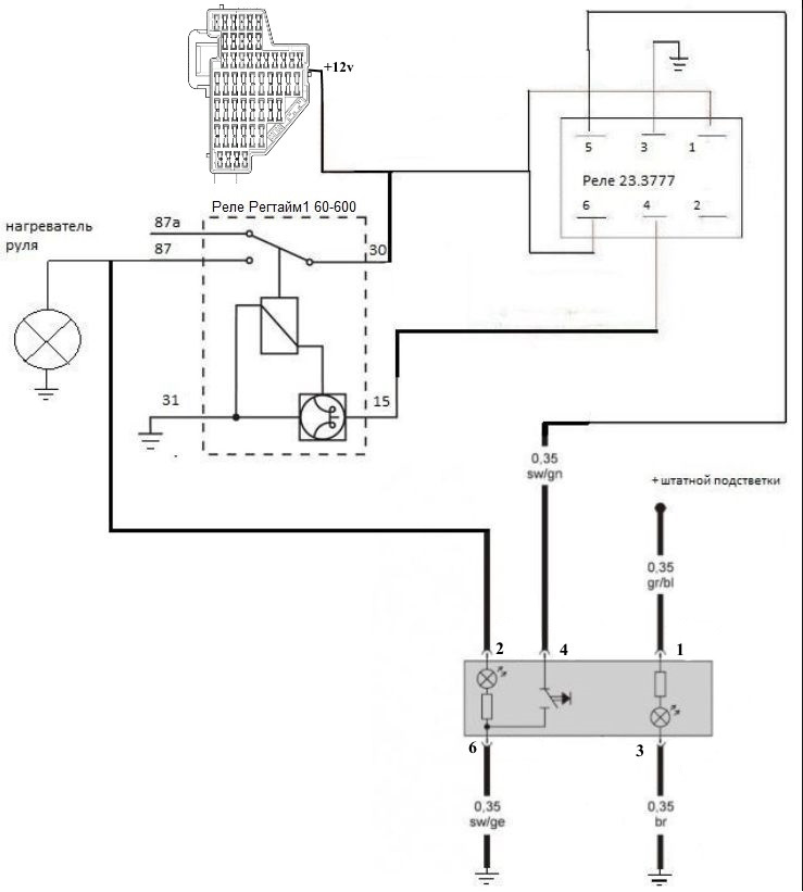
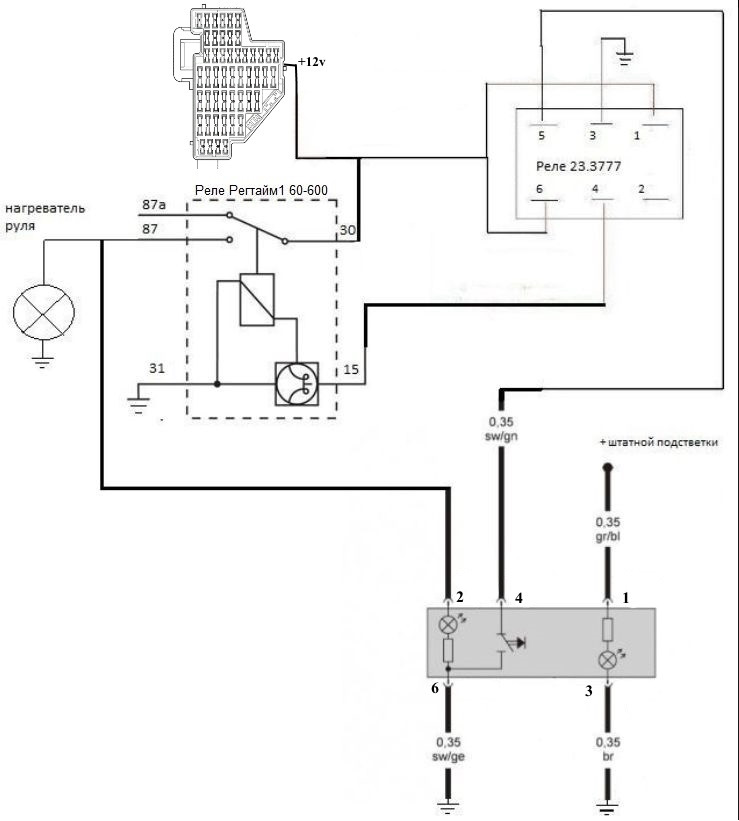
Подключил через штатную кнопку по аналоговой схеме


На разборке также купил блок предохранителей, с которого взял пин для подключения основного плюса



Тайм-реле изначально выставил на 3 минуты, но потом подкрутил на нем резистор до 5 минут.


По итогу руль греется довольно бодро, 5 минут вполне достаточно. Повторное нажатие на кнопку подогрев отключает (по этой причине управляющий минус инвертирует жигулевское реле на плюс — на тайм-реле. Один нюанс для повторного включения подогрева, если он выключился через 5 минут, требуется двойное нажатие на кнопку, но это мелочи). В случае чего, родная улитка лежит с баранкой, всё можно вернуть в сток.
По бюджету руль 150$ (тогда это было 9750 р.+ доставка, улитки, кнопка, реле и доставка — порядка 5 500 р., блок предохранителей от Гольфа 6 (да у нас они одинаковые, номер 1К1941824) 299р.
Всем тепла!






Комментарии 8
Это успех! Нет слов. Круто! Мечтаю о подогреве руля!
благодарствуйте) а у меня мечта так сказать по соседски пересесть на Q3;) но у вас оказывается нет подогрева руля 😲 второй раз я такое не переживу))
Ага ага… Нету… Руль мне делать отказываются. Говорят оч дорого.
А вот в Спб и мск смотрела, делают подогрев за 25-35 рублей. Но гнать машину из-за руля пока желания не появилось))
А теперь и вовсе китаец случился…(
Шикарная проделаная работа💪
была мысль вместо аналоговой схемы запилить логику на ардуино, но уровень заморочки иной и у меня не хватает времени и знаний) есть только общее понимание, может младший подрастет и займется чем-то полезным на своей робототехнике)
Хорошая идея!
А подключить его на подогрев сидений не проще было.
Хотелось отдельной кнопкой им управлять, а так да, тоже вариант