Часть 1. Введение.

Возможно данная запись будет полезна, тем кто так-же как и я захотел поставить на свой автомобиль Дневные Ходовые (DRL). Наши автомобили отличаются от ASX тем что у них предусмотрена проводка, посадочные гнезда и пины под DRL, а в наших это необязательно, это опция по желанию, т.к мой автомобиль относится к категории, в которой опции DRL нет, нет и соответственно — проводки, пинов в нужных нам посадочных местах и разъемах.
Постараюсь максимально описать весь процесс, т.к во время установки я столкнулся с некоторыми проблемами, решение которых мне пришлось долго ждать из-за логистики и мест, где я проживаю.
Часть 2. Теория.
Первым делом, здесь на драйве я изучил все статьи об установке DRL, но только на автомобили ASX. Как я уже ранее описал, на всех автомобилях ASX была проводка и пины.
Залез первым делом к себе под капот я обнаружил, что у меня в блоке предохранителей нет в посадочных местах пинов под контакты DRL, а именно под 4-х контактное реле и 10А предохранитель:

Далее, я залез в блок ЕТАКС, изучив нужный мне штекер C-409 я понял что и в нем не было пинов под DRL:

И в конечном итоге залез в проводку бампера к ПТФ и тоже разочаровался, проводки нет нигде:

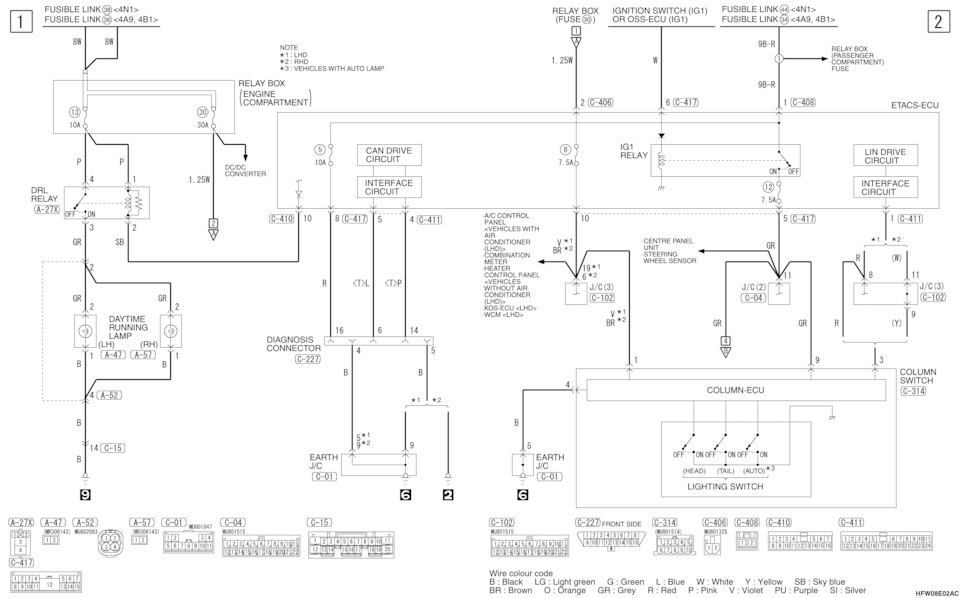
Не расстраиваемся, идем изучаем официальную схему:

Из этой схемы нам нужна только левая половинка. Для понимания и упрощения в том числе и для себя я от руки нарисовал свою схему:

Сначала схема для меня была непонятной, но изучив ее пришел к следующему. На мой схеме (снизу справа в углу) четко расписаны контакты уже в той последовательности, если бы я ставил реле и предохранитель. Для наглядности я подписал контакты, чтобы сравнивать их с оригинальной схемой.
Часть 3. Закупка комплектующих и расходников.




Далее мне нужны были комплектующие и инструменты, о них ниже по порядку:
1) Сами ходовые огни. Оригинал б/у брать не хотелось из-за большой стоимости и ушатанного состояния, поэтому пришлось искать на алиэкспрессе. Выбор пал на вот эти aliexpress.ru/item/328943…&sku_id=12000034312448092
Брал за 3800, сейчас цена на них 4700. Брал без голубых огней, функцию поворотников не использовал, сразу откусил провода.
2) Инструмент. И всякие расходники:
Обжимник SN 48B aliexpress.ru/item/100500…&sku_id=12000030917656849
Клеммы круглые, чтобы минус цеплять aliexpress.ru/item/100500…&sku_id=12000027693517187
Лопаточные клеммы чтобы делать вставки между проводами aliexpress.ru/item/100500…&sku_id=12000016389164576
Гофра для проводки: www.ozon.ru/product/gofra…-340582796/?sh=f8LJg-pd2w
Набор термоусадок: www.ozon.ru/product/127sh…-622470141/?sh=f8LJg4Cudw
Проводам ПВАМ 0.75 10 метров черного, фиолетового и красного: www.ozon.ru/product/provo…-525268399/?sh=f8LJgyq7Kw и www.ozon.ru/product/provo…-525268238/?sh=f8LJg17HOQ и www.ozon.ru/product/provo…-525267508/?sh=f8LJg8ObNA
Обычные влагостойкие разъемы 2-х пиновые (брал с запасом по моему более 10 штук):
www.farpost.ru/vladivosto…7021-21-11-110768581.html
Обычный прозрачный автомобильный герметик, протяжку для проводов и изоленту.
3) Подкапотный блок предохранителей за 1000 рублей с фарпоста с номером 8565A268
4) Фишку C-409 с пинами

5) Кабель для подключения к машине и дальнейшего программирования: aliexpress.ru/item/672381…&sku_id=12000030528684796
6) Программы: MM Coding Writer и MUT Coding Mitsubishi
Часть 4. Подготовка к установке.
Итак перейдем уже к практической части. Первым делом я переделал проводку на самих DRL и блоке розжига, заменил обычные стандартные штекеры, провода и разъемы на влагостойкие, также убрал проводку в гофру, заизолировав изолентой и термоусадками места прилегания гофры к влагостойким разъемам, а также залил герметиком сам блок розжига в местах прилегания двух половинок коробки и после этого соответственно все проверил. Все работало.
Далее были сняты все пластиковые хромирование части, обезжирены и были покрыты автомобильным лаком:


Сушатся:

И готовый результат:

После чего DRL были собраны в изначальный вид, но в процессе сборки я прошелся герметиком по стыку где прилегают сами огни к корпусу, изначально герметик был в тонком слое только на одном ДХО, на втором его попросту не было, снял весь заводской герметик и обильно нанес свой.
Что получилось:


Далее из блока предохранителей были изъяты нужные мне контакты и пины, были подготовлены для подключения и вставки:

Часть 5. День установки.
Процесс простой, снял бампер, снял заглушки под DRL, далее установил китайские ДХО, понял что они не держатся в посадочных местах из-за того что это китай и ушки там вообще хлипкие. Посадил все на герметик, уложил проводку в бампере и вывел штекер



Далее пришлось разобрать мой подкапотный блок предохранителей, чтобы вставить туда недостающие контакты:

После чего уже, пришлось протянуть проводку от блока предохранителей к фишке с ПТФ, я использовал еще одну фишку отдельную от ПТФ и проводку через моторный отсек в салон до блока ЕТАКС:





В салон заводил через отверстие шланга омывайки.
Далее подключил к 10 пину фишки С-409 который отвечает у нас за DRL:

Также дополнительно я вставил себе еще один пин, который отвечает за датчик уровня омывающей жидкости, планирую в будущем также его установить.
Часть 6. Программирование.
Цепляемся кабелем к машине, скачиваем прошивку, сохраняем оригинал, далее редактируем Varitant:
18-ый параметр DRL Type ставим Indepented with P
165 параметр DRL Function ставим Present Chg Ok


В таком варианте при запуске двигателя и опущенном ручнике — наши DRL будут работать, при поднятом ручнике нет. При включении фар ближнего света — наши DRL автоматически будут выключаться, при выключении ближнего света DRL загорятся вновь.
Часть 7. Готовый результат.


Телефон не передает почему-то яркости, но вживую они горят очень ярко и заметно.
Видео днем:
Видео вечером:
Комментарии 8
Титанический труд 👍
сильно. вот это терпение👍👍👍😁
Капитальная работа, здорово )
Проделана отличная работа, как и её описание! 👍Думал у меня машина с прилично вырезанным куском проводки на заводе, оказывается в вашем случае пожадничали ещё больше🙈
Да с проводкой обеднели очень сильно. Дальше еще хуже.
Я изучал схемы по обогреву сидений, и когда пошел у себя смотреть понял, что у меня нету даже элементарно посадочных мест под силовое реле в салоне, а это нужно блок полностью менять и перепиновывать его.
Вместо нормально блока предохранителей в салоне, у меня обрезанная версия без силового реле.
Но такое как раз началось с 2013 года и выхода Рестайла. Машины до 2012 года по крайне мере RVR имеют максимальные косы проводки.
А ну и еще вишенка на торте, что пины от 13 и 12 года не подходят.
В рестайлинге даже форму пинов изменили в подкапотном блоке предохранителей
Такая же ерунда, ни площадок под кнопки и блок видимо такой же. У себя подогрев реализовал вот так в итоге :
www.drive2.ru/l/582936327108953637/
www.drive2.ru/l/583627095289111197/
www.drive2.ru/l/620301855389411687/
Интересно, видел записи. А откуда питание в таком случае брать? Как импульсное реле берет питание?
Просто получается питание должно как раз таки идти от силового реле
По идее да, питание должно идти с силового реле, я его брал в этаксе с разъёма подключения доп оборудования, туда можно подключать приборы до 10А, потребление двух обогревов примерно 7А!