Доброго времени суток друзья 👋👋👋
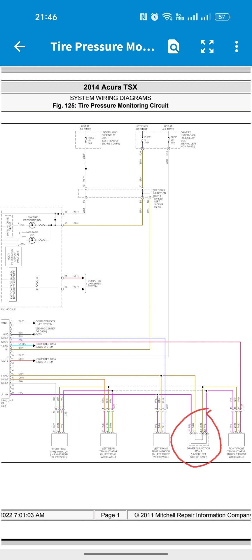
Около года собирал все комплектующие для установки системы контроля давления в шинах от акуры.
По всем вопросам очень сильно помогал мне Евгений regen1, за что ему огромное спасибо!
Что необходимо для установки:
✅ блок управления tmps с штекером
✅ прошитая приборная панель
✅ 4 антенны, две антенны с креплением
✅ 4 датчика, для установки в колеса
✅ проводка
Потихоньку закупил все компоненты на авито и дроме.
С прошивкой приборки помог мне Евгений. Ещё раз огромное спасибо 🤝.
Установка была не совсем гладкая😊
Все установил как на схеме, но горел чек и при диагностике не определял блок управления. Начал перебирать опять все соединения, оказалось нет питания на блок. Все фишки соединены правильно. А оказалось все банально просто. Оказывается в блоке предов есть предохранитель для tmps под номером 29 и ячейка была пустая🤣. Установив предохранитель все заработало.
Скинул чек по этому блоку и датчики сами определились и прописались.




















Все работает хорошо, только почему то не в кПа.
Всем ровных дорог.
👋👋👋
Идем дальше, впереди замена тормозов в круг)






Комментарии 71
Добрый день!
Подскажите пожалуйста, датчики прошивали ?
Или частота совпала ?
Я датчики не прошивал и не прописывал. Они через пару км сами привязались.
Понял, спасибо)
Прошил приборку.
Но много ньюансов я бы наверное оставил в PSI меньше цифр, голова не напрягается.
а так же не появляется уведомление о спущенном колесе 😟
Да если совсем запариться можно диод добавить в панель приборов и будет у тебя на самой приборке как tsx загораться индикация 😀
Круто.
Кто прошли?
кРа удобнее мне кажется.
активировать kPa не сложно, самое сложное прошить нужной прошивкой.
Пришлось всё самому делать.
Я тоже думал в kPa удобнее, но 2 цифры (33) легче читаются чем 3 (220) это моё субъективное мнение.
Ну молодец, что сам смог.
Появились доп функции на приборке?
Привет. Помоги с прошивкой приборки.
Привет. К сожалению не смогу. Мне самому по-дружески сделали.
Хороший абгрейд 🤝💯❗️👍
🤝
Полезная штука, и главное внедрил по уму👍
Спасибо.
👍🔥
🤝
Прикольно, но наверное муторно долго в менюху заходить?
Нет, просто листаешь стрелочкой на руле.
Поздравляю с успешной установкой!
🤝👍
Спасибо тебе большое!
Савчик)
🤜🤛
Нужная опция 👍🏻👍🏻👍🏻
🤝👍
А показания в чем показывает ?
В PSI там же на приборке написано 😅 это британская метрика
Это их надо будет переводить еще
Ага но в принципе, имхо, вообще не критично потому как зажгется индикация спущенного колеса при достижении 1,8 бар а сколько там в PSI, Паскалях, или килопаскалях вообще пофигу.
Да все правильно.
Главное чтоб просигнализировала ну можно посмотреть какое давление во всех колесах
Да, в моей штатной системе увы только через диагностику можно посмотреть давление(( ну и там 4 или 5 даже единиц измерения можно выбрать, а на дисплеях только какое колесо спущено. (Это я спецом не подкачивал колеса с 2,0 бар лета) и в +4 мне выдали они 🤣🤣 и во всех по 1,8
Это тоже хорошо. Главное чтоб на спущенном не проехать, не зная об этом.
Да именно после такой поездки и загорелся установкой и именно штатной системы)) а не для магнитол
А я решился как поставил летние 20 е диски.
У меня товарищ тоже сразу сказал ставлю тпмс как только купил 18 диски на свою машину и купил для магнитолы комплект с наружними датчиками теперь уже во второй машине этот комплект обитает))
👍
vampir102
А я решился как поставил летние 20 е диски.
А температуру у вас видит?
Показывает если подключить диагностику, а так на приборке нет.
Что по деньгам вышло внедрить
Около 17 т
Я не парился через магнитолу тиайс все сделал)))
Я так не хотел.
И магнитолу тиайс не хочу)
А так конечно проще
timur8308
Я не парился через магнитолу тиайс все сделал)))
Можно ещё проще) тоже в целом аккуратно смотрится и функции свои выполняет) думаю на след год в лето воткнуть )
Думал и над таким рамположением.
AlexAlex73
Можно ещё проще) тоже в целом аккуратно смотрится и функции свои выполняет) думаю на след год в лето воткнуть )
Где заказать можно?)
Смотри, какой товар на Распродаже 11.11 на AliExpress! Купи на 1111 рублей и получи кешбэк 1111 баллов — Система контроля давления в шинах для Mazda CX5 CX7, беспроводной внешний сенсор для Honda CRV odyssey, lexus всего за 4 338,52 ₽
sl.aliexpress.ru/p?key=CJq6UPd
omgtruepower
Где заказать можно?)
Так примерно выглядит. По меня аккуратно и нк мешает
Спасибо такие и искал
Крутая опция, не хватает ее
Согласен.
Датчики брал чьи, новые?Какая частота передачи сигнала?
Брал новые
Смотри, что есть на AliExpress! Датчик давления в шинах 42753-STK-A04, 315 МГц, 4 шт. за 3 180,53 ₽
sl.aliexpress.ru/p?key=djhbUEh
Евгений приборки шить умеет?
Нет к сожалению.
Но мне помог при прошивке своей.
Теперь ты умеешь?)
Куда мне)
Из меня то электрик то тот ещё)
Вообще легкотня, каждый сможет сделать 😂
Тема полезная, конечно, особенно сейчас.
🤣🤣🤣
Проще простого.
Круто, может быть после памяти сидений займусь этип допом )
Память сидений для пассажира?
Не, пока водительский
👍
Я подумываю о пассажирском кресле
На exe проще, одна память уже есть )
Да.
Можно заморочиться и с пассажирским, если найти информацию и необходимые детали)
Сиденье у меня есть, останется найти мелочь )
От ехе японки?
От typeS
А там тоже есть электрорегулировка?
Там только как раз на правых электро
Не знал.
Emirus
Там только как раз на правых электро
Проводка должна подойти на ехе
Полезная штука
На зимний комплект тоже датчики хочу установить и будет 👌