Установил слот для сим карты с тумблером для переключения на родной сим-чип. Чип с платы выпаивать не надо, поэтому меньше рисков что-то сломать по дороге.
Процесс.
1. Открыть капот, "потушить" машину кнопкой аварийки, снать клемму "-" с акб.

2. Разбираем багажник, чтобы добраться до т-бокса. Нужно снять крышку отсека с насосом, шторку багажного отделения, и пол багажного отделения. Перед снятием пола рекомендую сначала отлепить обивку от спинок сидений, иначе можно оторвать липучку от пола.




3. Снять накладку бампера, для этого выкрутить 3 болта и отщелкнуть ее вверх


4. Открутить крепеж боковой накладки, один винт под крючком для пакетов в верхней части, и один винт под заглушкой петли возле спинки сиденья (T30), заглушку отщелкнуть снизу, возле петли для доступа к винту.


5. Отщелкнуть боковую обивку по периметру — предельно аккуратно, клипсы прамо скажем так себе. Аккуратно отодвинуть обивку и снять разъем розетки 12В — провод достаточно короткий. Чтобы снять, нужно нажать фиксатор снизу серого разъема. Проще всего тонкой отверткой.


6. Открутить крепления накладки стойки — 3 винта под крестовую отвертку и один болт под головку на 10. Аккуратно отщелкнуть накладку и снять. Она частично заходит под накладку стойки стекла, но там вроде понятно все.


7. Т-бокс перекрыт пластиковым кронштейном, его тоже нужно снять, наче он оттуда не вылезет.
8. Открутить 3 гайки крепления т-бокса, отщелкнуть разъем. Средний разъем с красным фиксатором снимается после того, как вытянуть этот фиксатор ОТ разъем. Остальные разъемы снимаются после нажатия на фиксатор.



9. Относим т-бокс туда, где будем паять.
10. Снимаем крышку аккумулятора и отключаем акб от платы.

11. Выкручиваем винты крышки сзади, чтобы добраться до платы. Можно погреть чуть углубление на металлической крышке, чтобы размягчить термопрокладку. Сим-чип находится на нижней стороне платы.



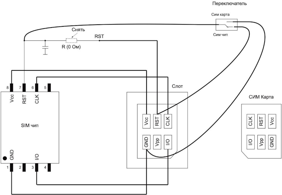
12. "Схема", по которой будем паять слот:
Предварительно нужно снять один резистор сопротивлением 0 Ом, который идет на сигнал RST сим-чипа. В "хвосте" к слоту 6 проводов. Задействовано из них 5, черный — это экран, его я использовал как сигнал GND.
Пунктиром показан провод, который пойдет на тумблер для переключения сим-карт.
На второй картинке более внятная схема от участника чата в телеграм.


13. Места пайки на плате, также отмечен резистор, который нужно снять. Микроскоп не понадобится, пятаки достатоно большие.

14. Припаиваем провода, без натяга, иначе при сборке можно все повыдирать.

15. Со стороны слота отпаял желтый провод, которы шел на "минус" слота. т.к. основной минус я использовал черным проводом экрана. Припаял желтый провод на общий сигнал тумблера, оставшиеся 2 сигнала припаял к слоту к сигналам GND и RST, таким образом желтый провод подключен либо к RST либо к GND в зависимости от положения тумблера.

16. Закрепил тумблер на корпусе слота


17. Собираем т-бокс, нужно чуть подрезать корпус для вывода провода и обязательно закрепить провод слота, чтобы он не шевелился внутри корпуса, иначе все поотрывается.
18. Устанавливаем т-бокс в машину, провод спускаем в нишу насоса, обязательно закрепить его стяжками к штатным жгутам, чтобы не болтался.
19. Собираем багажник в обратной последовательности.
20. Включаем и проверяем, что все работает. IMSI меняется в зависимости от положения тумблера (не сразу, возможно потребуется перезагрузка мм или сон авто).



Единственное неудобство — для переключения на штатный сим-чип, нужно вынуть сим-карту из слота.






Комментарии 132
Здравствуйте, не разбирались с контактом VPP, его нужно вообще подключать?
Не нужно
я просто заморачиваюсь только из за удаленного управления кондиционером через китайское приложение, вот и переживаю что если не подключу что то то не заработает. А защемляющие черный и желтый получается только один из них использовали?
так управление кондиционером работает только с родным чипом и только в родной сотовой сети
ну я еще буду делать подмену iccid
у владельцев byd заработало, уже все закупил и чипы r-sim
www.drive2.ru/l/718677359…sclid=mkvca1t8nb480360204
круто! получилось?
завтра только буду перепаивать, нсли сто пишите в лс
n00by
круто! получилось?
достал сегодня блок телематики там только одна есим, хай гибрид 07.25
subver
так управление кондиционером работает только с родным чипом и только в родной сотовой сети
у меня вообще тойота с двумя чипами, оба буду менять на наши симки, считывать с них адаптером iccid потом прописывать на наши через r-sim
Всем привет. Может есть в Минске кто поможет с впайкой сим-лока на снятом блоке?
Круто!
Огромное спасибо, вы просто гуру!
Подскажите пожалуйста, оторвался синий провод cmd от платы вместе с пятаком, куда его еще можно припаять ?
Была такая же ситуация, припаял как на фото. Необходимо использовать более тонкие, мягкие провода. Сделал переходную площадку.
Благодарю . Вот да, про провода тонкие потом только догнал … спасибо про площадку !
приветствую! Как Вы думаете, можно ли эксплуатировать авто с отключенным Т-Бокс? Смысл в том, что я хочу снять с авто т-бокс за городом, отвезти его в город, там перепаять и затем установить обратно.
Можно ездить, не было проблем.
А если сим от моторинвеста там такая же схема?
Подскажите пожалуйста, провод RST у вас он желтый. У меня на плате он припаян к ноге китайской симки. Возможно что он иногда отходит и происходит такое что антенна перечеркнута? Куд можно еще припаять этот провод кроме как к ноге от симки ? Потому что резистор снялся с пятаком.(
Никуда, если не нужен тумблер — просто закоротить ногу rst микросхемы на gnd
Добрый вечер, сделал все по инструкции. Симка и китайская и впаеный слот работают.
Но проблема чаще всего утром. Не цепляется сразу связь, прихожу в машину а антенна перечеркнута, ездил так целый день, через 10 мин наблюдал оранжевый воскл треугольник, потом снова перечеркнута антенна. Фиксится все таким способом, переключаю тумблер на Китай и достаю симку, жду пока появится антенна. Потом переключаю назад тумблер и вставляю симку и все работает в порядке. Что такое может быть, помогите пожалуйста. По схеме все прозванивал.
День добрый) Решил на свой дорест 2021г. sim-слот установить, а блок оказывается совсем другой(
Может сталкивались или сможет кто схемой помочь?)
Там же даже проще. Да и выкладывали по доресту мануал тоже
По доресту есть пост, но там практически такая же плата, просто ещё дополнительные контакты для удобства. А эта плата самая первая 2021 г., тут кардинально по-другому всё.
Вроде тот же сим чип, соответственно и паять похожим образом
Подскажите, а как прочитать СМС переписку на симке в Т-боксе?
Чисто теоретически — АТ командами
Т. е., нужно подпаиваться COM портом к плате? А просто поставив приложение "сообщения", не удастся в voyah tweaks читать смс? Дилер поставил симку Мегафон год назад, но я даже не знаю, сколько платить и какой баланс.
Так вы у дилера и спросите, он вам документы должен был выдать на симку.
Подпаиваться в общем виде не надо, но нужно "влезть" в тбокс.
Без т бокса машина поедет?
кто ей запретит, поедет.
Спасибо большое автору! Сделал всё чётко по инструкции и всё работает!
Извините, почитал в комментариях, правильно ли я понял, если без тумблера, то соединить нужно так(красная линия)? И именно в нижний контакт который ближе к чипу ?(а то он оторвался)
Здравствуйте, подскажите пожалуйста, провод, который к тумблеру идет от платы(на фото желтый) оторвался блин контакт от платы самой, теперь, всё хана ? Или может к ножке чипа можно припаяться ?
Да можно если есть куда
Ну ножку по крайней мере видно )
Не получилось к ножке (((
Может можно просто на прямую без тумблера ?
Спасибо автору.сделали по схеме как он нарисовал и чётко заработал!
Добрый день.
На Voyah Dream 2025 модельного года интересно будет работать? И где там этот блок находится?
Будет. Блок где-то в машине, не знаю где.
Доброго времени суток!
Вот такой слот подойдёт?
Да
Но ваш слот имеет 6 контактов?
Спасибо за детальный гайд.
Сделал вроде всё как описано, но сети нет и обе симки без IMSI
А при подключении к китайской — не пишет аппаратный номер тбокса
Ну явно что-то не так сделано. Метод рабочий, проверен уже разными людьми
Наверно где-то запутался. Завтра буду прозванивать ещё раз.
Можно глупый вопрос, может я не правильно сопоставил схему и фото:
I/O это VDD?
а VCC это CMD?
Вроде ни в чём другом я ошибиться не мог.
И ещё вопрос VPP есть на слоте, к нему идёт проводок. И все 6 проводков распаяны на плате, а на схеме от VPP ничего никуда не идёт. Не могу понять, туплю, как так?
Dat=io
Большое спасибо за помощь. Ещё раз прозвонил.
Получается у меня на vdd на плате приходит vdd (vcc) со слота и туда же приходит неиспользуемый контакт между gnd и dat (i/o, cmd).
У меня изначально так прозванивался сим слот.
Может дело в этом.
Может откусить эту неиспользуемую ножку по середине?
Если не сложно посмотрите ниже результат прозвона. Может скажите как быть не должно? Т.к. у меня на gnd и тумблер на плате в любом положении тумблера приходит сигнал с gnd на сим слоте (это тоже странно).
subver
Ну явно что-то не так сделано. Метод рабочий, проверен уже разными людьми
Или может у меня изначально сим-слот палённый, потому что он вот так прозванивается — на 2ух контактах красный, а черный с желтым на одном.
П.С. Большое вам спасибо за помощь!
Мне кажется, он не должен так прозваниваться, Vpp — это т.н. напряжение программирования, имеет смысл вскрыть холдер и посмотреть хотя бы визуально, может — отрезать дорожку от контакта Vpp. Но внешне этот холдер ничем не отличается от тех, что были у меня, а их и на вою ставил и на лисян. По картинке из предыдущего сообщения я вообще ничего понять не могу.
Столкнулься с такой же ситуацией, купил 2 слота в разных магазинах, красный провод прозванивается на 2ух контактах, получается Vсс и Vрр. Они даже между собой на слоте прозваниваются. Может быть так и должно быть?
Ну если даже прозваниваются, то скорее всего у всех, жить не мешает
Вопрос… а почему не питание Vcc не прерываем?
Потому что это неправильно, если не оторвать все сигналы от чипа. Но тогда проще его просто снять
Впаял симку по схеме с тумблером, появляется 4G, однако IMSI не меняется.
На китайской горит 3G, переключаю тумблер, вставляю симку, горит 4G, интернета нет и IMSI не меняется.
Перезагрузить голову, если imsi не появится — разбирать и проверять, либо неправильно припаяно, либо нет контакта где-то, либо сопли висят. Ну и само собой проверить симку в телефоне
Можете пояснить? Я правильно понимаю, что в первом режиме тумблер соединяет RST платы c RST eSim для того чтоб работала еSim (в этот момент нужно чтоб не было симки в слоте).
И второй режим тумблера, в котором RST платы разъединяется с RST eSim и RST eSim соединяется с GND, чтобы заблокировать eSim. Разве не достаточно просто разъединённым быть, нужно замыкать на массу?
Недостаточно. Внутри м/сх на линии rst подтяжка к питанию и она оставит чип в активном состоянии. В остальном верно.
Т.е. если сделать аналогично и для слота сим-карты, но тумблер нужен тогда двойной, и тогда можно будет не вытаскивать ссимку со слота?
да, или с двумя группами контактов. но необходимость в этом настолько редка, что нет никакого смысла так усложнять. по идее можно вообще без тумблера обойтись, и как прижмет — перепаять проводок на самом сим-холдере
А что даёт eSim, раз она бесполезна за пределами Китая?
это не eSim, это обычная сим в корпусе микросхемы. На voyah в случае слёта активации машины (не разлогинивания аккаунта) требуется наличие оригинального чипа для повторной активации
На eSim аналогично тогда, надо на землю замыкать rst чтоб не видело её, чтоб другая симка работала в слоте?
subver
да, или с двумя группами контактов. но необходимость в этом настолько редка, что нет никакого смысла так усложнять. по идее можно вообще без тумблера обойтись, и как прижмет — перепаять проводок на самом сим-холдере
Пытаюсь нарисовать схему с двумя группами контактов, но что-то не выходит)))
Я вряд ли могу что-то подсказать, не видя ваших попыток в рисование
Ну вот так вроде, правильно?
subver
Я вряд ли могу что-то подсказать, не видя ваших попыток в рисование
Но тогда нужен кабель с 6 проводами…
Вроде похоже на правду, ещё днём посмотрю. Кабели, что мне попадались имели как раз 6 проводов — 5 сигнальных и экран, который можно задействовать.
Не подскажите, что за флешка в T-Box?
Не понял вопрос, про какую флешку речь? NAND flash скорее всего
Да именно про неё.
ну вот, nand flash. что с ней делать только?
Мне нужны ее параметры, немного прошивку ковыряю.)
subver
ну вот, nand flash. что с ней делать только?
Это то что по имиджу удалось определить:
ubireader_display_info system.img
UBI File
---------------------
Min I/O: 4096
LEB Size: 253952
PEB Size: 262144
Total Block Count: 213
Data Block Count: 211
Layout Block Count: 2
Internal Volume Block Count: 0
Unknown Block Count: 0
First UBI PEB Number: 0
Image: 1238048392
---------------------
Image Sequence Num: 1238048392
Volume Name:rootfs
PEB Range: 2 — 212
Volume: rootfs
---------------------
Vol ID: 0
Name: rootfs
Block Count: 211
Volume Record
---------------------
alignment: 1
crc: '0xe3093883'
data_pad: 0
errors: ''
flags: 'autoresize'
name: 'rootfs'
name_len: 6
padding: '\x00\x00\x00\x00\x00\x00\x00\x00\x00\x00\x00\x00\x00\x00\x00\x00\x00\x00\x00\x00\x00\x00\x00'
rec_index: 0
reserved_pebs: 211
upd_marker: 0
vol_type: 'dynamic'
В доресте всё так же, не в курсе?
Если речь про принцип — так же, а так плата отличается. Тут выкладывали для дореста способ установки сим-карты
Imsi не известный пишет
Нет, вроде пишет правильный.
Сделали все как вы но ничего не работает )
Значит сделали не так
Через какой конденсатор идет земля . Номинал конденсатора
Сформулируйте вопрос нормально
В схеме возле нулевого сопротивления конденсатор на корпус надо знать номинал или это деталь самой платы ?
Можно его убрать без какой либо потери функционала. Там что-то около 10-20 пФ
Спасибо вам
alex3676106
В схеме возле нулевого сопротивления конденсатор на корпус надо знать номинал или это деталь самой платы ?
И да, это конденсатор на плате, на провода его не надо вешать
subver
Нет, вроде пишет правильный.
Антенна связи перечеркнута
У вас получилось в итоге? У меня тоже пишет «неизвестно» на русскую симку и N/A на родную. Что делать? Вроде всё сделал как описано и повторно прозвонил…
А обновы только через сим приходят? По файфай не получится?
Просто так — не получится, через сим только
Спасибо Вам за такую статью.
Буду делать по вашему способу. Только у меня один вопрос есть.
Тумблер же должен переключать RST либо на ту либо на другую симку для того что бы они одновременно не были включены.
Я просто интересуюсь, почему вы по-другому сделали? На вшитую потому что должен GND приходить когда работает наша симка? Спс за ответ)
Не должен.
То есть как я пишу будет работать? И тогда не нужно будет симку вытаскивать перед переключением на вшитую симку?
Не будет работать
Аааа вы в телеграмме же отвечали))) все нет вопросов)) сделаю по вашей схеме)) спасибо вам
Здравствуйте, благодарю вас за детальный гайд!
Вчера хотел подпаять лоток для сим-карты по вашей схеме, для машины брата. Как оказалось, имеющийся лоток оказался 4х проводной + экран GND, поэтому решили подключить без тумблера, но не отпаивать e-sim.
Подпаял проводки к контактам GND VDD CLK CMD RST как на схеме и отпаял нулевой резистор. Прозвонили от лотка до ножек чипа e-sim, все прозванивается, кроме RST естественно.
Подключили, проверили, IMSI пишет — unknown (
В чем может быть проблема как думаете?
Ещё заметил одну особенность у меня в лотке VCC и VPP соединены между собой, предполагаю, что это нормально?
вам нужно на стороне сим чипа тот контакт, от которого отпаяли резистор соединить с GND. У вас симчип не выключен и возникает конфликт на интерфейсе.
Так, верно?
да
Спасибо больше, вечером проверю.
subver
да
Спасибо вам ещё раз. Сеть сразу появилась, интернет работает :)
Тамерлан, добрый день, подскажите красным, то что вы нарисовали, это куда провод пошел ))? Спасибо
Здравствуйте. Контакт, что я отметил красным цветом, соединяется с GND контактом на плате.
Добрый день!Схема рабочая, глюков нет? Или лучше полностью есим выпаять и не мучится с тумблером?
Какой странный вопрос. Выпаивайте, не мучайтесь.
Нормальный вопрос, видел как минимум две схемы по паянию с тумблером. Вот и думаю по какой мне сделать
Там же написано, что все работает
Скажите пожалуйста, куда идет белый провод который я отметил красным? От нижнего пина тумблера.
На второй снизу контакт на плате слота
Спасибо! Я что то намудрил и у меня интернет работает но странно, иногда отключается, показывает перечеркнутые соты как, когда есим была, потом опять включается 4G
Не пытайтесь соединять по цветам, соединяйте по схеме
Да по схеме делал, надо лезть опять в т бокс 😔
iMOLmixa
Спасибо! Я что то намудрил и у меня интернет работает но странно, иногда отключается, показывает перечеркнутые соты как, когда есим была, потом опять включается 4G
По симптомам похоже на то, что тумблер стоит не в том положении, либо его соединения не соответствуют схеме и симки пытаются одновременно работать
Тумблер стоит на массу, если его в другое положение ставить, сети нет
А тумблер вообще для чего, некоторые выпивают китайский и вроде всё работает
Тумблер чтобы щелкать им, когда в пробках делать нечего. Ну или чтоб не выпаивать.
У нас пробок нет
Распаял всё. Ничего не происходит. И китайскую сим не видит. Иденты не показывает. Не могу понять, что не так.
Значит что-то не так распаяно
Вы все сделали ? КАк в эксплуатации ? Все ок ?
Я же написал, что работает ) да, все ок. Кроме того, что обнова 5.0.4 застряла и не прогружается полностью
какой провайдер ? говорят мтс вроде прогружает
любой, проблема, похоже, не в провайдере. На каких то машинах приходит, на других — висит на 16%. К тому же версия 1.3.17 на этой же симке влетела сразу и установилась
видел в телеграмме как то через адб вручную днс сервера прописывают и тогда зелетает
нет, это никак не влияет
еще писали что провайдер ета чтото дает
Отличный пост, большое спасибо!
я просто видел как разбирали салон у меня, 90% работы лишней :) но вы действовали по "схеме разбора салона"
согласен, но так было спокойнее. вставил МТС, обнова залетела через 10 минут.
А зачем может понадобиться переключаться на есим?
Бывают случаи (как у меня например), то где-то в дебрях китайских серверов слетают данные об активация у машинки. Реактивировать ее можно только с оригинальным симчипом.
Если отключать чип от питания вторым тумблером, то вторую сим вынимать не надо.
И хорошо, что серваки Ланту не блочат чужой IMSI. Есть бренды, где телематика отваливается из-за этого.
Если отключать питание, оно может запитаться через паразитные диоды на входах
Хороший выбор музыки)
Other bands play, Manowar kill!