
Лет .надцать назад была осуществлена установка чипа от брелка TOMAHAWK 9010 в родной ключ, было очень удобно, никаких брелков и прочего.
Темы тут:
www.drive2.ru/l/3299889/
www.drive2.ru/l/1662992/
www.drive2.ru/l/2253442/
Там же частично и про фотохромное зеркало.
Со временем необходимость в автозаводе отпала, да и сама плата перестала работать вообще, сигнализация перестала порой тоже нормально работать.
Было решено поставить фотохромное ориг зеркало с затемнением и к нему сделать два ключа, вопрос был только в доводчиках, хотелось чтобы они были с заводского ключа.
В целом варианта два — инфракрасный ключ и радиоключ, ну и два зеркала под них.
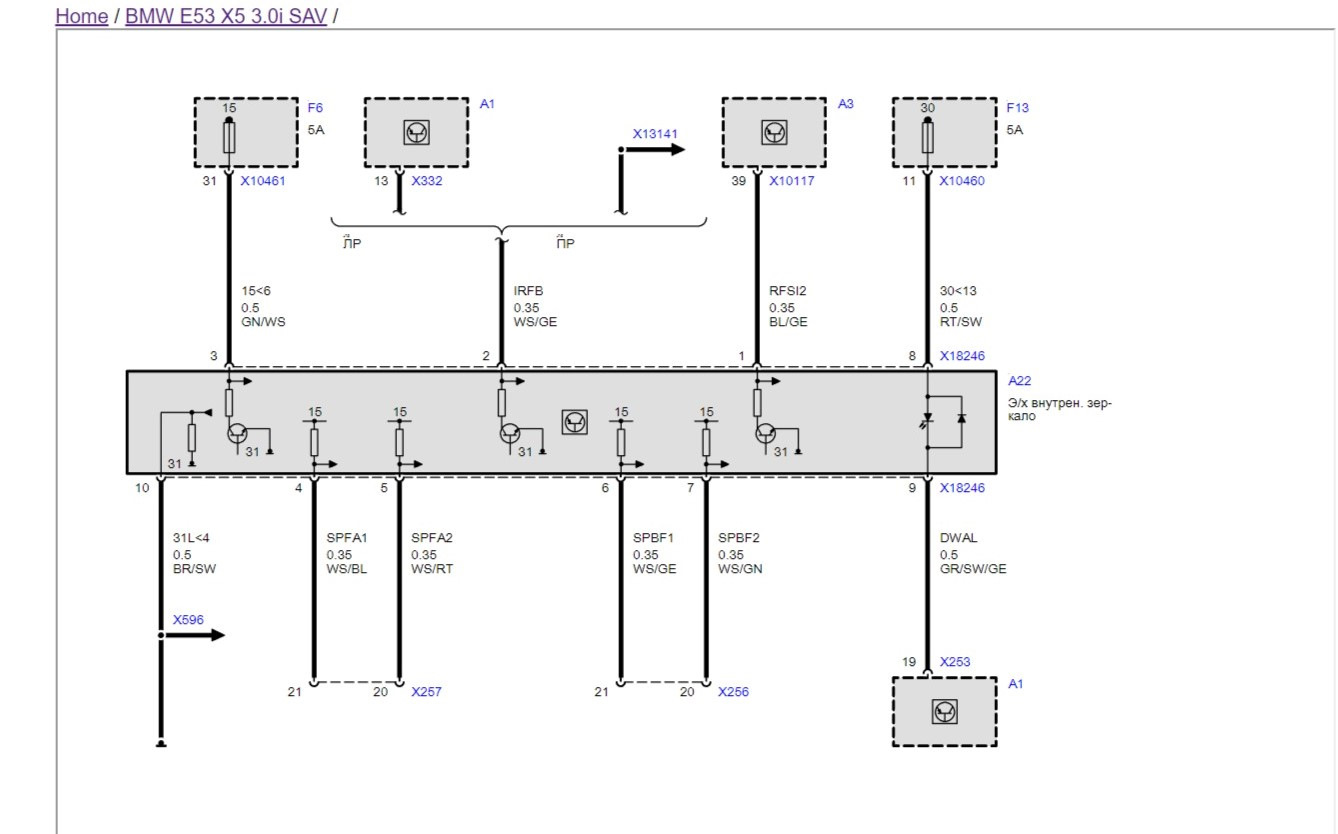
У инфракрасного зеркала\системы при удержании окна поднимаются ( доводятся) но сами ключи очень редкие и зеркало под них тоже редкое.
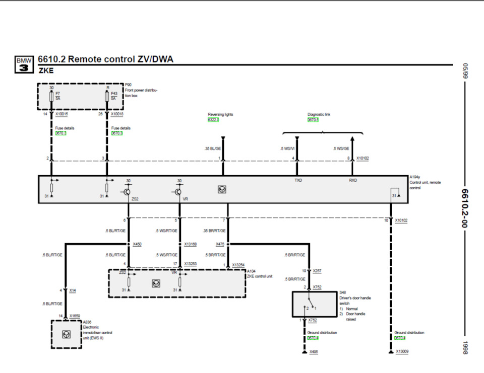
У радиозеркала\системы — насколько я знаю на блоке ZKE доводчики не работают но зато плюсы, очень много ключей даже на али с платами и чипами и много зеркал, подходят от массы разных БМВ.
В итоге купил 2 зеркала, инфракрасное (вроде как, судя по ЕТК) и радио. Ключ тоже удалось найти инфракрасный и даже рабочий. Буду пробовать подключать и собирать по схеме SPP.
Собственно один вопрос — кто то реализовывал на радиоключе и ZKE чтобы срабатывали доводчики стёкол?










Комментарии 42
Может не в тему, какой номер zke должен стоять с светодиодным индикатором?
Я думаю ZKE4, т.к других на е36 же и не ставилось. Еще ZVM был
MaerMikhaylov
Может не в тему, какой номер zke должен стоять с светодиодным индикатором?
в ZKE4 Отвечает 14 пин (черный штекер который находится задней стороны блока)
У меня работает доводчик если ключ подержать в повернутом положении. То есть нужно сингал подержать несколько секунд. Если реализуешь, пиши я подсмотрю и сделаю так же )
С ключом работает то у всех, вопрос же через кнопку сделать, нажал -закрылись
Только ИК, либо радио+реле задержки, тут третьего не дано🤷♂️
Не увидел нижнюю часть зеркала с ИК. Если у зеркала вот такой переключатель, то это ИК вариация. Да и если нашел зеркало + ключ. Почему бы не собрать на этой паре?
вроде как у меня фотохром автоматический
Можно ещё проверить так:
Если просветить этот черный колпачок, то он пропускает свет. А сам пластик красного цвета.
да это то понятно, про то, что это фотохром сомнений нет, по инфракрасному вопрос, нужно проверять.
Я про фотохром ничего не говорил. Это все для проверки инфракрасного датчика. Колпачок переключения фотохрома это оболочка для IR датчика.
да, там датчики есть, но опять же, только опытным путём, ставить, подключать, подшивать ключ
Можно ещё проверить так:
Если просветить этот черный колпачок, то он пропускает свет. А сам пластик красного цвета.
по номеру вроде бьётся именно IR. ну в любом случае есть два варианта как подключать, буду пробовать, что то да заработает в итоге, там не сложно, если есть понимание что и как должно быть
это то понятно, так подключить можно, стёкла то не доводятся как ты видишь. в целом решаемо, идеи есть, решу — полный сделаю рассказ что и как
Как я знаю на контак закрытия нужно увеличить время подачи сигнала (непомню толи плюс толи минус) надо думаю с зеркалом самим помудрить.
реле с задержкой, это понятно, реле куплено, буду пробовать все варианты, ради интереса
MaerMikhaylov
Как я знаю на контак закрытия нужно увеличить время подачи сигнала (непомню толи плюс толи минус) надо думаю с зеркалом самим помудрить.
когда 36 была пробовал лет 7 назад на самой сигналке увеличить время закрытия, не получилось) от замка работало ключ без цз
Интересная тема👍 Позже предстоит похожая затея ток еще более запутанная. Тож радио зеркало родной сиреной и pandora 3910 v2 с частичным подключением по К линии и с функцией свободные руки😳 Функция комфорт(доводчики стекл и люка) обязательное условие
Радио только через реле задержки
именно. такой вариант тоже рассматривается, реле уже куплено
Есть пост но немного колхол
где есть пост? выложи ссылку если не затруднительно
Это же самая секретная и не разглашаемая информация!
в какой то мере да, т.к. сразу не работает, т.е. если подключить
А если серьезно я так и не помню ответа на этот вопрос, толи эта функция кодируется в блоке комфорта, толи только на американских и инфокрасных ключах работает.
на самом деле так и есть, даже при кодировке не работает, и на американках нужно проверять, у меня вроде как раз такой ключ и зеркало, буду пробовать. плюс есть идей и схема как сделать на обычном ключе чтобы работало
sergei-sv777
А если серьезно я так и не помню ответа на этот вопрос, толи эта функция кодируется в блоке комфорта, толи только на американских и инфокрасных ключах работает.
не кодируется перекодировал весь блок нет там такой функции . в радио ключе нет задержки (ставить реле) а у ИК есть
Вообще это логично, так как блок комфорта поддерживает закрытие стекол при долгом импульсе. Я правильно понял, что ключь отправляет одиночный импульс сигнала на зеркало ?
да одиночный импульс
А включение света в салоне, с ключа, отдельным проводом идёт с зеркала на блок комфорта?
Нет его надо кодировать, хотя у меня был закодирован с завода
То есть там шина данных есть между зеркалом и блоком комфорта ?
может как то и общаются между собой, но провода отдельного нет от зеркало к блоку который отвечает за свет. скорей всего блок сам видит через открытие
sergei-sv777
То есть там шина данных есть между зеркалом и блоком комфорта ?
У меня 3 кнопка ключа отвечает за свет в салоне можно включить свет и так же при открытие авто загорается свет в салоне
Вот про данную кнопку я говорю, логично бы на неё было повесить доводчик стекол. Отдельная кнопка, отдельный импульс.
зачем?, все должно быть с одной кнопки
Просто я не понимаю как тогда реализовать данную функцию, учитывая что импульс одиночный.
подождем когда Паша сделает и проверит) мне тоже охота доводчик с ключа и переделывать под ИК не хочу .
Ок. Мне кажется много кто хочет такую функцию.
еще бы почему немцы сразу не додумались
Может они сами не ожидали, что на ИК так получится)