Не так давно был тизер о втулке рулевой рейки, втулка была выточена токарем, по чертежуDUZER, токаря нашёл Юра.
Сегодня добрался до замены данной детали, т.к. задолбали глухие постукивания на неровностях (когда машину шатает из стороны в сторону, либо при проезде жд путей, шишек на дороге и прочего — это проявляется только на малой скорости).
И вот тут я столкнулся с проблемой…
снимаем колесо, пыльник, откручиваем гайку, которая крепит тягу к рейке
ближе
вот она — втулка, но подлезть к ней архисложно
без специального ключа — а ключик-то вот он!
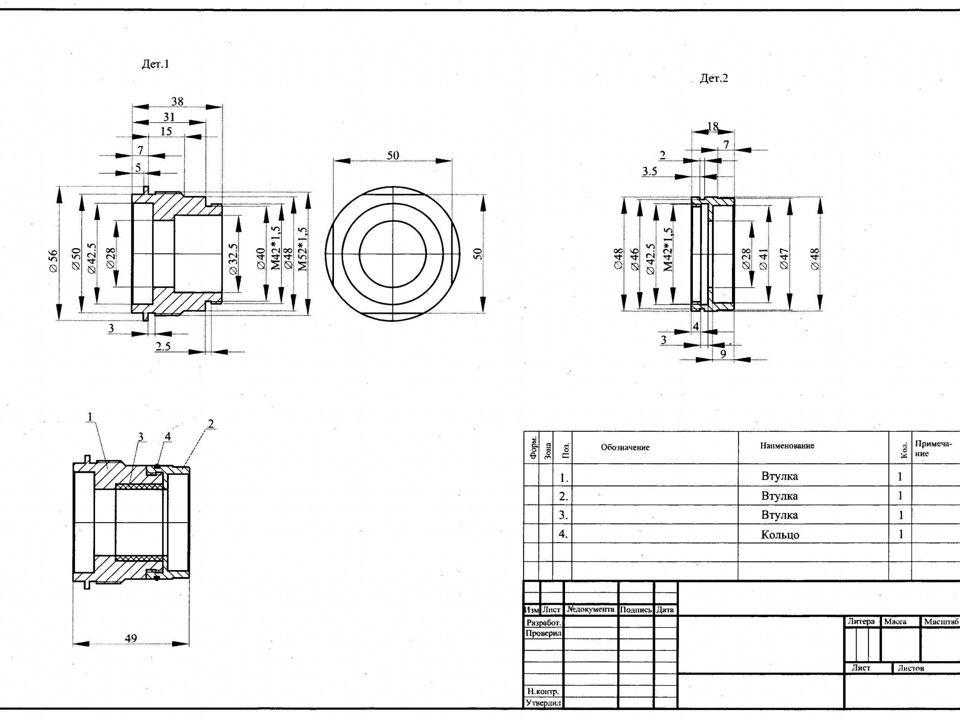
а вот и втулка, которую я привёз с собой, из латуни, а внутренность из цельного кольца капролона, родное кольцо из капрона с разрезом в середине, оно от наших дорог лопается и вал рейки начинает стучать о втулку
перекидываем резиновое кольцо (типа магнитофонного пасика) с родной втулки в паз на выточенной втулке, вставляем сальник в выточенную втулку (сальник нужно заранее приобрести) и вкручиваем в рейку
родная втулка — по сравнению с весом сделанной токарем из латуни — родная вообще нихрена не весит…
а вот и наша проблема, капроновое кольцо внутри втулки лопнуло, и теперь стучит вал о втулку
вот этот вал стучит внутри втулки, при выкручивании втулки, вытекает немного жидкости гидроусилителя, поэтому нужна ёмкость, чтобы сохранить её на долив в конце замены
но вот тут нас всех ждал сюрприз, втулка дошла до упора и остановилась
видно, что резьба ещё есть, а втулка не закручена до края рейки
это *?№#$` полный №%$!@, подумал я и грязно выругался…
выкрутив втулку, принялись штангенциркулем находить различия… вначале обнаружили различия в диаметре нижней части, где сальник, на родной втулке был диаметр 46 мм, а на той, что вытачивал токарь было 47 мм, но т.к. рейка имеет одинаковый диаметр, пришли к выводу, что это не влияет на то, что втулка не заходит в рейку до упора
изучив чертёж DUZER`а, пришли к выводу, что токарь выточил всё именно так, как было в чертеже. а в чертеже обнаружилась ошибка, длинна нарезки резьбы на чертеже оказалась больше, чем на заводской втулке, поэтому резьба на втулке раньше накручивается на резьбу в рейке и втулка раньше останавливается…
вот эти две цифры ошибочные
вывод таков: ошибка в чертеже товарища DUZER`а, нужно срезать лишние витки резьбы, чтобы втулка смогла войти в рейку, а в чертёж внести изменения…
Все благодарю выкрутил с помащью газового ключа тока взял побольше . Теперь другая проблема не могу вытащить сальник внутренний основного вала., либо расчленить попалам либо как то вытаскивать сальник
это не втулка, а кольцо www.otoparcasepeti.com/im…7/95/39795_buyuk_zoom.jpg, вот именно оно и лопается. но помимо его ещё портится сальник на втулке. сама втулка недорогая, можно целиком поменять. но можно попробовать и одно кольцо, может повезёт. но насколько хватит, хз, от наших дорог они разбиваются быстро.
может и кольцо, просто exist в описании выдает 57719-3E010 Втулка рейки рулевой. Стук я так понимаю появляется после износа этого кольца (втулки), вот и думаю заменить на новую.
мне выточили из капролона — износостойкий пластик. но прикол в том, что цельное кольцо не вставишь в родную втулку, т.к. диаметр кольца больше, чем отверстие для вала. поэтому моя втулка разборная.
Юра свою продал, я отдал токарю на внесение изменений в конструкцию. Главное, чтобы стучать начала, а сделать всегда можно, чертёж же есть, вот ещё изменения в него внесу, как мне сделают эти изменения.
Вроде бы нет, но заметил в последнее время, что как выше 30 по цельсию, руль становится тугим, как будто нет гура. Видимо жидкость пора менять, с опорой это не связываю.
Можно, хотя потихоньку можно уже свою начинать писать :) На выходных, кстати, видел внутренности наших двигателей, отец свой движок раскидал до поршней. Видно, что наш двигатель "одноразовый ", т.е. капиталить его полностью не получится.
Вообще состояние двигателя после 90000 км внушает доверие. То, что в горшках нет гильз, может как раз и намекает на его надёжность:) Могу в личку накидать несколько фото, которые я сделал. У отца спорт, но двиг такой же как у нас.
Прокладку надо было поменять, в систему охлаждения давило воздух откуда-то, есть подозрение, что через прокладку гбц, а чтобы её поменять, половину движки нужно разобрать. Есть кстати фото, где хорошо видно механизм цепей грм, тоже закину, если инет сейчас в стопр не войдёт.
Вроде бы нет, но заметил в последнее время, что как выше 30 по цельсию, руль становится тугим, как будто нет гура. Видимо жидкость пора менять, с опорой это не связываю.
У меня тоже при повышении температуры подклинивал руль. Пришлось снимать втулку и растачивать на сотые миллиметра, чтобы без натяга на вал садилась. Иначе можно насос гидрача угробить.
Я старую втулку переделывал, новую не вытачивал. Гораздо проще получилось. С наружней стороны втулки рейки расточил под новую капронлактановую втулку. Нарезал резьбу внутри втулки для стопорного кольца. Вставил капронлактановую проставку во втулку и закрепил ее стопорным кольцом. Наверно не понятное получилось описание.
Я понял о чём речь, втулку родную крутил в руках, представляю эту переделку. Себе делал как и Миша, и вроде как капролоновая втулка сделана без люфтов, но не мега плотно на валу.
Жидкость гура довольно сильно нагревается. Я на горячую не мог даже развал сделать-подклинивало. Даже если прослабить немного стука того уже не будет. Колечко капрона больше, не даст валу до втулки достать. Если руль после поворота на прямую самостоятельно не возвращается, то нужно срочно принимать меры. Насос загудит.
Жидкость гура довольно сильно нагревается. Я на горячую не мог даже развал сделать-подклинивало. Даже если прослабить немного стука того уже не будет. Колечко капрона больше, не даст валу до втулки достать. Если руль после поворота на прямую самостоятельно не возвращается, то нужно срочно принимать меры. Насос загудит.
У нас похоже есть какая-то защита на этот случай. Однажды было такое, что зимой застрял в колее, колёса пытался выкручивать в сторону, чтобы вылезти из неё, усилие на выкручивание руля было большим, после этого гур просто как будто выключился, руль стал как у белаза без гура. Через несколько минут всё вернулось в норму.
сам не знал, хорошо, что спросил, пришлось немного изучить матчасть)
на электроусилителях свои приколы — их меняют по гарантии, потому что стучат, на гидроусилителях — внутри втулки выходят из строя капроновые кольца — лопаются. ничего толком сделать не могут, одним словом КИА… :D
трескающееся из капрона, а в новой втулке из капролона. оно прикасается к валу, и не даёт прикасаться к металлу, а когда капрон лопается, то вал стучит о металл втулки.
Я понял. Это не кольцо, а резиночка, как бы))) Сравнение с пасиком очень доходчивое. Всё понятно стало. Просто кольцо было написано и про капроновое, и про резиновое. Сбило с толку.
Ты тож крепись) Хорошая попытка. Ничё страшного, всё исправите и доделаете. Сделай пжст ПРАВИЛЬНЫЙ чертёж и выложи здесь. Ибо скорее всего ты далеко не один со стучащей рейкой катаешься. У меня щас тоже стуки есть, может тупо втулки стабилизатора. А может и рейка…
И какой выход? опять к токарю, пусть снимает лишнюю резьбу?! а может надо было психануть (столько разобрали) и убрать ее на наждаке?! если б не получилось выточил бы новую! :) Или нет, а если оставить так, она ж затянута?!
не, всё должно быть сделано грамотно, поэтому к токарю, но теперь у токаря в руках будет и заводская втулка, чтобы он мог на месте вносить коррективы (мне по блату выделили ОД заводскую втулку)
То есть машина висит на подъемнике?! и возможность все сделать у токаря есть, не отходя от кассы?! вот это меня больше всего интересует:))) Концовка блин)))
не) мне поставили обратно мою заводскую втулку и я уехал. но на сервисе мне выделили заводскую втулку, теперь у токаря будут 2 втулки, чтобы он мог вносить коррективы и не было больше ошибок, ведь ошибка была в чертеже. ферштэйн?
не, всё должно быть сделано грамотно, поэтому к токарю, но теперь у токаря в руках будет и заводская втулка, чтобы он мог на месте вносить коррективы (мне по блату выделили ОД заводскую втулку)
Кстати на фото у автора тоже не до кручина втулка, мож так надо, в тексте он об этом ничего не пишет?!
Да это все я понимаю и вижу, просто не верится что человек от которого ты черпаешь информацию, создал запись и если что не так сделал то не исправил позже! ХЗ короче!
Везёт тебе, я аккуратно езжу)))) и даже на чужих машинах. Единственное не так давно мазду 6 мпс попросили отогнать, вот тут я не смог сдержаться 6 сек до сотки полный привод, уух удовольствие получил))))
Комментарии 112
Привет скажи пожалуйста в какую сторану выкручивает данная втулка не могу выкрутить лопаются грани
привет,
насколько я помню, там стандартная резьба!
значит влево надо крутить, втулка находится с правой стороны рейки, по ходу движения автомобиля!
Спасибо. Пробую всяко разно и ключем рожковым и газовым не прет
точно с правой стороны рейки пытаешься?!
Все благодарю выкрутил с помащью газового ключа тока взял побольше . Теперь другая проблема не могу вытащить сальник внутренний основного вала., либо расчленить попалам либо как то вытаскивать сальник
какой-то сальник был на самой втулке!
а внутри ничего не доставали!
туго из за толщины кольца, и прорезь нужна для смазки,
если заменить изношенную втулку на новую втулку 57719-3E010, стуки пропадут? или без модернизации ни как?
это не втулка, а кольцо www.otoparcasepeti.com/im…7/95/39795_buyuk_zoom.jpg, вот именно оно и лопается. но помимо его ещё портится сальник на втулке. сама втулка недорогая, можно целиком поменять. но можно попробовать и одно кольцо, может повезёт. но насколько хватит, хз, от наших дорог они разбиваются быстро.
может и кольцо, просто exist в описании выдает 57719-3E010 Втулка рейки рулевой. Стук я так понимаю появляется после износа этого кольца (втулки), вот и думаю заменить на новую.
смысл доработки в том, чтобы раз и навсегда поменять на цельное кольцо, без разреза, которе уже не будет разбиваться.
а цельное кольцо где можно купить?
мне выточили из капролона — износостойкий пластик. но прикол в том, что цельное кольцо не вставишь в родную втулку, т.к. диаметр кольца больше, чем отверстие для вала. поэтому моя втулка разборная.
глянь это видео, сразу станет понятно
да я понял зачем разборная втулка, а капролон где брал?
токарь где-то нарыл :D
где бы мне нарыть ))), токаря найду, осталось материал надыбать
на барахолках или в интернете. да и сам токарь в курсе где это всё можно взять, он же токарь)
klemann
токарь где-то нарыл :D
еще вопросик: чертежей спец ключа нет?
неа, вроде у андрея903 есть, но я не уверен
Отличная работа, давай доводи до финала и я себе так же сделаю)))
от мастера на все руки такое слышать вдвойне приятно)
Та ладно, за стеснял…
ну что сказать? косяк подправишь и все будет типа гуд)
у меня вот тоже постукивает…
добро пожаловать в наш клуб анонимных владельцев киа соренто :D
Интересно, это только в нашем поколении или в новых та же беда?
на новых электроусилитель стоит, там свои приколы — тарабанит всё и сразу — замена рейки на такую же… и не факт, что снова не застучит…
ой бедааа… на рио и оптиме не стучит ничего, почему же так сложно доработать((( на мохевах вот не доводилось ездить, интересно…
производителю проще менять их по гарантии, чем вносить изменения в конструкцию и делать отзыв всех машин. придурки, что сказать)
Комментарий удалён
ты же знаешь, что мне с тобой уже никогда не рассчитаться…)))
А можно к тебе с Юрой на хвост упасть? Сразу еще одну втулку сварганить?
Я бы даже менять вместе поехал :)
Юра свою продал, я отдал токарю на внесение изменений в конструкцию. Главное, чтобы стучать начала, а сделать всегда можно, чертёж же есть, вот ещё изменения в него внесу, как мне сделают эти изменения.
А если сразу еще одну заказать? :)
Комментарий удалён
при том, что опять напрягать буду, Семён Семёныч…)))
Упирается самой резьбой?
да, должна начинаться позже
Понял. Напильник там не поможет? Только на станке стачивать?
всё должно быть по фэн-шую!
:-D и никак иначе!
Миша признавайся где ключ взял?положил запись в избранное
у ОД целая полка в сейфе выделена была под разные ключи доя втулок рулевых реек! запасливые хитрые лисы!
Я уж подумал что ты достал, на чем остановились, обрезали?
од выделил мне втулку заводскую, вместе с ней к этому же токарю передам выточенную и заводскую, чтобы "не отходя от кассы" вносил коррективы.
Это правильное решение, сделаешь в чертеже исправления?
попрошу токаря внести изменения, судя по всему, на последнем фото изменятся 2 цифры, которые я обвёл кружками
Я увидел кружки, если такая погрешность конечно не закрутится до конца.
У меня она тоже вроде не закрутилась до конца, однако ничего страшного не произошло.
дузер писал, что руль стал туго крутиться, может в этом причина. если заводская входит и упирается в рейку, то и эта должна. я так думаю! (с) Мимино
Туго или не туго, мне кажется зависит от степени подгонки диаметра капролоновой втулки к валу рейки.
а у тебя туже стало?
Вроде бы нет, но заметил в последнее время, что как выше 30 по цельсию, руль становится тугим, как будто нет гура. Видимо жидкость пора менять, с опорой это не связываю.
а в книжке на каком пробеге рекомендуют её менять?
Хз, кореец забыл положить мне книжку :) сейчас уже 105000 пробег
надо будет глянуть. если шо — могу скинуть книгу по машине.
Можно, хотя потихоньку можно уже свою начинать писать :) На выходных, кстати, видел внутренности наших двигателей, отец свой движок раскидал до поршней. Видно, что наш двигатель "одноразовый ", т.е. капиталить его полностью не получится.
т.е. ты намекаешь, что наш двигатель это не одно и то же, что и двигатель милионник от mercedes?
Вообще состояние двигателя после 90000 км внушает доверие. То, что в горшках нет гильз, может как раз и намекает на его надёжность:) Могу в личку накидать несколько фото, которые я сделал. У отца спорт, но двиг такой же как у нас.
кидай, конечно) я в этом не разбираюсь, должно всё блестеть внутри? а разбирал зачем? было интересно?
Прокладку надо было поменять, в систему охлаждения давило воздух откуда-то, есть подозрение, что через прокладку гбц, а чтобы её поменять, половину движки нужно разобрать. Есть кстати фото, где хорошо видно механизм цепей грм, тоже закину, если инет сейчас в стопр не войдёт.
andrey903
Вроде бы нет, но заметил в последнее время, что как выше 30 по цельсию, руль становится тугим, как будто нет гура. Видимо жидкость пора менять, с опорой это не связываю.
У меня тоже при повышении температуры подклинивал руль. Пришлось снимать втулку и растачивать на сотые миллиметра, чтобы без натяга на вал садилась. Иначе можно насос гидрача угробить.
И что, помогло?
Да помогло. Два года катаюсь все нормально.
Фигасе, неужели мне тоже самое делать. Главное чтобы не снять больше чем надо, иначе опять туда же к стуку вернётся.
andrey903
И что, помогло?
Я старую втулку переделывал, новую не вытачивал. Гораздо проще получилось. С наружней стороны втулки рейки расточил под новую капронлактановую втулку. Нарезал резьбу внутри втулки для стопорного кольца. Вставил капронлактановую проставку во втулку и закрепил ее стопорным кольцом. Наверно не понятное получилось описание.
Я понял о чём речь, втулку родную крутил в руках, представляю эту переделку. Себе делал как и Миша, и вроде как капролоновая втулка сделана без люфтов, но не мега плотно на валу.
Жидкость гура довольно сильно нагревается. Я на горячую не мог даже развал сделать-подклинивало. Даже если прослабить немного стука того уже не будет. Колечко капрона больше, не даст валу до втулки достать. Если руль после поворота на прямую самостоятельно не возвращается, то нужно срочно принимать меры. Насос загудит.
Бывало такое, что не возвращался
Isu7171
Жидкость гура довольно сильно нагревается. Я на горячую не мог даже развал сделать-подклинивало. Даже если прослабить немного стука того уже не будет. Колечко капрона больше, не даст валу до втулки достать. Если руль после поворота на прямую самостоятельно не возвращается, то нужно срочно принимать меры. Насос загудит.
У нас похоже есть какая-то защита на этот случай. Однажды было такое, что зимой застрял в колее, колёса пытался выкручивать в сторону, чтобы вылезти из неё, усилие на выкручивание руля было большим, после этого гур просто как будто выключился, руль стал как у белаза без гура. Через несколько минут всё вернулось в норму.
andrey903
У меня она тоже вроде не закрутилась до конца, однако ничего страшного не произошло.
Если не докрутиться до конца, то и колеса и руль не будут доходить до конца. Радиус поворота на право будет больше чем на лево.
Этот визит на сервис у тебя был пристрелочным :)) в следующий раз все получится! А токарь который точил втулку ХОРОШИЙ, все четко сделал.
хаха, точно — пристрелочный :D
Я не понял про жидкость гидроусилителя, на твоем сорике гидроусилитель Миш ? У меня электроусилитель .
всё просто — у тебя xm fl у тебя электроусилитель, у меня xm — гидроусилитель. у тебя на руле меняется усилие, у меня нет.
Миш я даже и не знал об этом
сам не знал, хорошо, что спросил, пришлось немного изучить матчасть)
на электроусилителях свои приколы — их меняют по гарантии, потому что стучат, на гидроусилителях — внутри втулки выходят из строя капроновые кольца — лопаются. ничего толком сделать не могут, одним словом КИА… :D
Не расстраивайся все будет хорошо !
А после сей процедуры, развал — схождение делать надо? Собираюсь менять, правда оригинал хочу ставить.
говорят, что надо, но я не вижу связи.
Не кручинься, все наладится.Просто попытка это уже успех.Жду завершения.
И ещё вопрос : а на уя там вапще это трескающееся капролоновое кольцо ? Какую роль оно играет ?
трескающееся из капрона, а в новой втулке из капролона. оно прикасается к валу, и не даёт прикасаться к металлу, а когда капрон лопается, то вал стучит о металл втулки.
Ну, не прикасается к металлу… Чтобы металл о металл не грелся что ли ?
чтобы вал не царапался о втулку, иначе появится выработка на нём.
Понятно. Написано, что ты кольцо переставлял, оно тоже самое что ли осталось ?..
не, кольцо резиновое, типа пасика)))
Ясно теперь.
i.ytimg.com/vi/FzEW_ch8zdA/hqdefault.jpg вот это тонкое резиновое кольцо (типа пасика), которое между пальцами, надо снять с заводской втулки и переставить в паз на выточенной втулке b-a.d-cd.net/628b0d2s-960.jpg
Я понял. Это не кольцо, а резиночка, как бы))) Сравнение с пасиком очень доходчивое. Всё понятно стало. Просто кольцо было написано и про капроновое, и про резиновое. Сбило с толку.
Ты тож крепись) Хорошая попытка. Ничё страшного, всё исправите и доделаете. Сделай пжст ПРАВИЛЬНЫЙ чертёж и выложи здесь. Ибо скорее всего ты далеко не один со стучащей рейкой катаешься. У меня щас тоже стуки есть, может тупо втулки стабилизатора. А может и рейка…
я не сильно силён в чертежах, но, походу, эти 2 цифры должны быть другими a-a.d-cd.net/3a870d2s-960.jpg
Верно. Но вот НА СКОЛЬКО именно ?
попросим токаря внести коррективы, думаю, что не откажет)
Проси) Там высшая математика не нужна)
И какой выход? опять к токарю, пусть снимает лишнюю резьбу?! а может надо было психануть (столько разобрали) и убрать ее на наждаке?! если б не получилось выточил бы новую! :)
Или нет, а если оставить так, она ж затянута?!
не, всё должно быть сделано грамотно, поэтому к токарю, но теперь у токаря в руках будет и заводская втулка, чтобы он мог на месте вносить коррективы (мне по блату выделили ОД заводскую втулку)
То есть машина висит на подъемнике?! и возможность все сделать у токаря есть, не отходя от кассы?!
вот это меня больше всего интересует:))) Концовка блин)))
не) мне поставили обратно мою заводскую втулку и я уехал. но на сервисе мне выделили заводскую втулку, теперь у токаря будут 2 втулки, чтобы он мог вносить коррективы и не было больше ошибок, ведь ошибка была в чертеже. ферштэйн?
klemann
не, всё должно быть сделано грамотно, поэтому к токарю, но теперь у токаря в руках будет и заводская втулка, чтобы он мог на месте вносить коррективы (мне по блату выделили ОД заводскую втулку)
Кстати на фото у автора тоже не до кручина втулка, мож так надо, в тексте он об этом ничего не пишет?!
посмотри на фото h-a.d-cd.net/47cb0d2s-960.jpg размеры втулок одинаковые, но заводская вкручивается до начала рейки, а выточенная токарем — нет.
Да это все я понимаю и вижу, просто не верится что человек от которого ты черпаешь информацию, создал запись и если что не так сделал то не исправил позже! ХЗ короче!
автор пишет, что у него стал руль туго крутиться, может как раз из-за этого?(
klemann
посмотри на фото h-a.d-cd.net/47cb0d2s-960.jpg размеры втулок одинаковые, но заводская вкручивается до начала рейки, а выточенная токарем — нет.
Короче говоря удачи ! что б все получилось, отрекомендовал и добавил в избранное, полюбому проходить придется ))
Тоже в планах поменять втулки, но пока не чё не стучит лезть не охота! )))
логично, блин, не подкопаться…))
Просто пробег уже 105 чудес не бывает, надо готовится:))) Уже нашел у нас где их делают и практика на Соренту уже есть)))
я катался на соренто, у которого втулка стучала уже на пробеге 4 тысячи км… это их болезнь…
Миша, хрен поймёшь эти машины, у друга на киа спектре пробег 200 000 и вот только на ремонт загнал, шаровые рассыпались, всё остальное ещё живое)))))
я люблю ездить по ямам!
Везёт тебе, я аккуратно езжу)))) и даже на чужих машинах. Единственное не так давно мазду 6 мпс попросили отогнать, вот тут я не смог сдержаться 6 сек до сотки полный привод, уух удовольствие получил))))
да, да… читал я эту новость, водителя так и не нашли… avtopoligon.info/sites/de…el_pogib_foto02_24713.jpg
))))) Боже упаси!