
Все началось летом следующим образом. В плафоне стоял светодиод и он после установки тускло горел, когда рычажок плафона был в среднем положении. Стал замечать, что во время движения свет стал помаргивать и ярко гореть при закрытых дверях. Также стала периодически срабатывать сигнализация на концевики дверей.
Светом в салоне управляет блок комфорта, который в водительской двери находится. Я думал, что дело в разъеме, который в двери, поэтому пошевелил гофру, после чего свет вообще погас и перестал работать стеклоподъемник. Когда шевелил гофру, то обломал провода — это известная проблема. Пришлось разбирать разъём, наращивать провода и заново все соединять. Каково же было мое удивление, что свет после восстановления в салоне так и не загорался при открытии дверей. Когда стал прозванивать мультитестером провод плафона, то вдруг свет стал гореть при открывании дверей, но немного поездил, и опять свет перестал гореть. При этом свет загорался, когда при закрытых дверях центральным замком открывал замки, но при открытии двери, свет опять гас. В связи с этим, сигнализация отказывалась вставать на охрану.
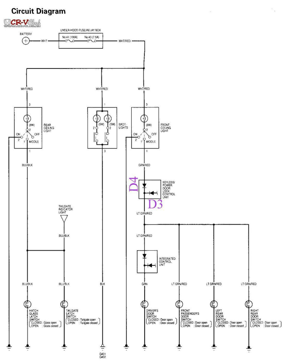
Стал разбираться, что к чему. Схема работы плафона и блока комфорта следующие.
На плафон приходят два провода:
Первый провод — это постоянный плюс.
Второй провод — этот провод идет в блок комфорта в дверь.
Масса на плафон берется с кузова. Масса с кузова нужна плафону только для того, чтобы включился свет, когда сам передвигаешь рячажок плафона для включения света.
Для того, чтобы свет включался, когда открываешь дверь, используется второй провод, идущий из блока комфорта. Именно на этот провод подключается управляющий провод сигнализации. На этом проводе при закрытых дверях, либо плюс (когда все двери закрыты и рычажок на плафоне в среднем положении), либо вообще нет никакой полярности ( когда рычажок стоит в положении весь свет выключить в плафоне), а когда открываешь дверь, на нем появляется минус, происходит замыкание в лампочке и она горит. Соответственно, когда на проводе появляется минус, то сигнализация срабатывает.
Как устроен блок комфорта: в него приходит как раз тот управляющий провод от плафона и объединенный провод от концевиков дверей. Два этих провода в блоке комфорта развязаны на плате диодами. Так при открытии двери через диод подается минус на провод к плафону и к сиге соответственно. После того, как плафону приходит минус, лампочка загорается.
Нашел на черном форуме honda crv соответствующую тему. Вот ссылка Форум. Интересуют ответы 64 и 65. Они как раз подходят под мою ситуацию. В ответе 64 фотки только уже не грузятся.
У меня было несколько вариантов: либо в блоке комфорта пробивает диод D4, либо дорожка в блоке комфорта сгорела.
Сначала попробовал заменить диод, но это не помогло. Сам диод был целый, поэтому припаял обратно его. Оказалось, что анод (+) диода D4 не прозванивался с проводом с плафона. Контакт терялся где-то в дорожке платы. Полностью разбирать плату я не хотел, поэтому припаял проводок напрямую от контакта провода с плафона на анод диода D4. После этого все заработало, свет стал загораться при открытых дверях.
Также выяснил, почему при закрытых дверях плафон все равно подсвечивался. Оказалось, что с водительской стороны на концевике слетел резиновый колпачок и поэтому одного миллиметра хватало, чтобы рычажок не полностью размыкал массу при закрытии двери. Вместо колпачка надел на рычажок отрезок силиконового шланга.
Также, если на провод с сигнализации, который идет на провод плафона повесить диод, то светодиод тускло гореть не будет в среднем положении рычажка плафона.
Далее поясняющие фото












Комментарии 19
вопрос такой. если вылечить все это. блок комфорта и пины в двери. свет будет работать при открытии любой двери? у меня сейчас работает только на пассажирскую дверь)))
Должно работать при открытии любой двери. Если загорается свет хотя бы от одной, то я бы для начала проверил и зачистил контакты концевиков. В процессе эксплуатации бывало, что из-за них пропадал контакт и при открытии какой- то двери свет не зажигался.
там походу не поможет так как ЦЗ не работает. проводам в двери 115% при смерти. ну и до меня там такие веселья по проводке были. можно почитать БЖ) поржать)
Тогда постепенно решать проблемы придется. Я решил координально — продал. Решил, что смысла вкладываться уже нет, кузов по второму кругу делать не хотелось. А в целом автомобиль конечно хороший
брать в данный момент нечего. да и пока что поездит. мне достался с одним местом сварки. юга сохранили кузов. хоть он и не без проблем. но проблемы детские)
Я црв 3 взял на замену.
рассматривал его но он уже не то crv что бы быть похожим на авто. он просто паркетник для мамы забирать детей из садика.
Что есть — то есть. Паркетник. Я с опаской к высоким бордюрам подъезжаю. А на первой пофиг было. а вот по трассе идет отлично срв 3.
Много трассы?
85 процентов трасса остальное город.
Ну тогда первая црв было тоже спорный покупкой. Мне по трассе нравится как rd1 едет но хотелось бы шестую передачу…
В целом меня устраивала. Не скоростная конечно, но 120-130 км уверенно шла. Для меня главное полный привод зимой, в поселке живу. Бывает утром снега насыпет около дома или трасса заснеженная, вот тут и выручает полный привод. Поэтому мой выбор — кроссовер. В идеале конечно на лето седан какой-то, а на зиму кроссовер.
Не гений, но респектую однозначно, у меня в районе стойки цепанули сигналку. Для типа вежливого света чтоли, зачем не знаю и разбираться не стал, просто выдрал с корнями, изз нее похоронил два блока похоже. Сделал по твоей методе заработало🤝
Спасибо большое. Сделал так же — свет заработал!
У меня эти пины в других местах
Просмотри еще соответствующую тему на чёрном форуме, можно найти полезную информацию
forum.crvclub.ru/index.php/topic, 13581.0.html
А можете подсказать америка от европейской отличается по распиновке
На черном форуме Хонда црв пишут, что отличается проводка на американке. Вот ссылка на тему здесь на драйве про ремонт косы в американке www.drive2.ru/l/490726609079239083/
В тексте есть ссылка на черный форум
Меньше месяца назад столкнулся с проблемо слабо светящегося плафона как раз там светодиодная понель. Изучался 2 года и не могла сырую погоду поставить на сигнализацию чтоб с утра автозапуск сработал. Проверял всё! По итогу вернул обратно обычную лампочку и проблемы больше нет. Летом высохнет и снова перекину на светодиод до первых сырых деньков.