Машина хоть и в комплектации Highline, но круиза небыло, хотя острой необходимости в нём и нет, но сам факт, что для этой функции достаточно лишь купить переключатель, не оставил сомнений на покупку. Новый покупать я не хотел, поэтому искал на разборках максимально дешёвый. На разборках цену называли неадекватную, но спасибо товарищу Baltazzor за номер разборки где я и купил переключатель в 3-4 раза дешевле остальных разборок.
Кстати, есть хороший по качесту Китайский аналог, я его, тоже, рассматривал, отзывы хорошие, говорят почти не уступает оригиналу.
Установка не представляет собой ничего сложного.
Я сперва начал с электрической части:
— Включаем зажигание и ставим дворники вертикально, чтобы был доступ к заглушке и винту крышки ЭБУ.
— Окидываем клему с аккумулятора.
— Вытаскиваем заглушку под дворником и откручиваем крышку ЭБУ:


— Видим под крышкой блестящую металлическую коробочку, это ЭБУ, его надо снять. Отстегиваем скобу (там специальный язычок под отвертку), дальше можно его отсоеденить на разъёмах и убрать в сторонку, но я его не снимал, а просто отодвинул в сторону.
— Станет видно планку с разъёмами, её нужно открутить, держится она на двух винтах по бокам. Для откручивания понадобится тонкая длинная отвертка. Левый винт откручивается достаточно легко, а вот с правым прийдётся повозиться, т.к. он спрятан за кузовом:

— Теперь нужно эту планку опустить вниз и вытянуть к ногам водителя. Многие пишут, что нужно отрезать родные хомуты, которые держат провода, либо попытаться их растегнуть, но всё делается гараздо проще: провода крепятся двумя хомутами, а хомуты крепятся к кузову при помощи двух лапок, вот их и нужно подогнуть, чтобы хомут вышел из зацепления с кузовом.
— На планке нам нужен белый разъём, в него мы и будем подключать заранее приготовленые провода с пинами.

— Порядок подключения:
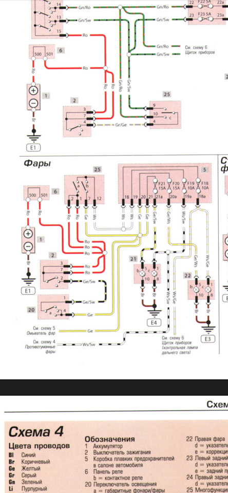
Разъём Т10(от ручки круиза)_______Разъём Т15(к ЭБУ)
2 голубой -------------------------------------> 8
3 красно-жёлтый ---------------------------> 9
4 чёрно-белый ------------------------------> 10
5 красно-серый -----------------------------> 7
7 чёрно-белый ------------------------------> 10
6 сине-чёрный -------------------------------> 4 (к оранжевому разъёму Т10 ЭБУ AWT)
— Распиновка белого разъёма Т15

— Распиновка ручки круиза

Собираем всё в обратной последовательности. С проводкой покончено, переходим к ручке.
— Сперва нужно снять подушку с руля, многие пишут, что по часу тратят на снитие подушки, я же скинул её за минуту, при том, что делаю это впервые. Главное понять принцип фиксации:


На деле же всё просто, поворачиваем руль на 90 град., берём плоскую отвёртку, вставляем в отверстие до упора, одной рукой тянем отвёртку вверх, а второй аккуратно тянем край подушки на себя.

Так же делаем и с обратной стороны, но не забываем придерживать подушку, чтобы не оборвать провода.
Всё, подушка в руках, теперь следует отсоеденить разъём, потом отсоеденить провода сигнала от рулят.
(Как выяснилось, провода можно отсоединить и от подушки)

Один контакт вытягивается легко, а вот со вторым прийдётся повозиться:

— Теперь нужно открутить болт руля головкой Spline M12. Дабы при затяжке не искать динамомитреческий ключ, я сделал метку маркером

— Дальше делаем насечку на рулевом валу по заводской метке на руле, дабы потом поставить руль на своё место

— Снимаем руль и откладываем всторонку.

— Затем снимаем кожух рулевой колонки. Верхняя часть снимается просто, а вот нижнюю было достаточно тяжело стянуть с колонки

— Снимаем контактное кольцо, оно держится на довольно хрупких защелках.Т.к. в кольце есть датчик положения руля, многие пишут, что нужно его обязательно закрепить скотчем, что бы он не сбился, но всё гараздо проще, когда его будете устанавливать обратно, нужно чтобы разъём смотрел вверх, а в окошке был жёлтый кружок

— Откручиваем шестигранник хомута крепления стрекозы и вытаскиваем её предварительно отключив разъёмы. Половиним её на две части потянув за фиксатор

— Ставим ручку с круизом, подключаем разъёмы (спасибо Саньку alekshulk за оригинальный разьем круиза в ручку) и собираем в обратной последовательности

— Перед закручиванием руля, болт я немного промазал синим фиксатором резьбы, и затянул по ранее установленную метку

— Защёлкиваем подушку, подсоединяем клему аккумулятора, вставляем ключ в замок, наклоняемся (на всякий случай) и включаем зажигание. Если не выскочила ошибка по подушке и она не выстрелила — значит вы всё сделали правильно ))).
— Далее подключаем VAG-COM
01 — двигатель
11 — логин/вход
11463 — активировать круиз или 16167 — деактивировать
Выход
Теперь можно наслаждаться круиз-контролем!







Комментарии 171
Всем доброго дня. Может кто может помочь с установкой круиза на Б5+ 2001 на МКПП? Еще хотелось бы поменять приборку с экраном? так как у меня без экрана и соответственно замена правого подрулевого переключателя с переключателями бортового компьютера. Конечно не за спасибо)))) Нахожусь в городе Минске. Пока ничего не покупал.
Есть схема переключателя поворотов и дальнего ?
Avtolub29392
Есть схема переключателя поворотов и дальнего ?
Благодарю вас
Как у тебя этот блок вылез к педалями я уже все руки изложил и психоз один, длины проводов не хватвет (((
То фото не мое, я сам подключался по месту, вверху.
Серёжа подскажи пожалуйста, в чём функциональное отличие этой
(8L0 953 513 S) ручки, от той что ты установил? У неё нет кнопки "качельки" на торце.
Это ручка под мультируть.
Т.е. если руль обычный то она не подойдёт? Настроить скорость круиза не получиться. Так?
Не получится.
Всем добрый день!
помогите разобраться с двумя вопросами:
1) на пассат б5+ 2003 года (тоже комплектация Highline) нужно ли что то кроме подрулевого переключателя и проводов покупать? будет круиз работать? предполагаемый индикатор на приборке не вижу — рассматривал под разными углами)
2) если приобрести переключатель с разборки с проводами, нужно ли будет разбираться с распиновкой? или разобрал, "выткнул", собрал и поехал?
Тебе нужно делать всё тоже самое, что я описал.
я правильно понял? сама система круиза в моем случае уже встроена? отличие только в том что другой подрулевой переключатель?
Она у всех встроена, её нужно только кодировкой активировать.
Сергей, огромное спасибо за быстрый ответ!
Отличный отчёт, большое спасибо, всё ясно и понятно!
привет ) а если у меня сейчас переключатель с круизом и я хочу поставить переключатель без круиза, он будет работать?(у меня после включения габаритов пропадает ближний свет, всьо проверил-только переключатель остался и иногда когда по нему ударить то на несколько минут появляеться свет )
А причем переключатель поворотов к выключателю ближний/габарит?
незнаю но он при чем то ) вообщем поменял я на безкруизный переключатель и все работает.правда шлейф от круиза остался незадействован))) всем спасибо )
Можно разобрать переключатели и из двух собрать один рабочий с круизом.
приветствую! скажите пожалуйста какой размер звездочки на болте руля, больше чем в замке двери?
Размер не помню, но больше на две позиции чем в замке.
ок, спасибо!
Здравствуйте, подскажите схему для AFN МКПП
К сожалению, не имею таковой.
6 сине-чёрный -------------------------------> 4 (к оранжевому разъёму Т10 ЭБУ AWT)
Проблема с этим проводом — в оранжевой фишке т10 пины 1 и 4 пустые. Куда подключать?
Мотор AVF, Автомат
Нужно по схемам искать, я написал для мотора AWT.
А что этот провод вообще значит? Это случайно не +12в?
Да, он
Блин, тогда не понимаю, почему круиз не работает… Ошибок нет, в Васе всё видно, кроме качельки вверх- вниз.
Когда нажимаешь качельки ничего не меняется в Васе?
Нет. Есть реакция на педаль газа, тормоз и вкл. круиз
Значит или качелька не работает или провода подключил не правильно.
Провода как у тебя подключены (отличие только по одному проводку — белый на 7 контакт Т15). И сигнал от всех проводов до ЭБУ доходит — тестером прозванивал.
Уже и не знаю, где копать…
Umatn1k
Да, он
Подскажи пожалуйста, а обязательно ли наличие дисплея на приборке для установки круиза?
То есть если приборка без дисплея, получится ли обойтись установкой одной такой ручки или менять придется вместе с приборкой?
Приборка не важна, круиз на любой будет работать.
Привет!скажи пожалуйста, можно ли поставить круиз на б5 97 года?и есть ли умельцы которые могут это дело поставить за не дорого?сам с Харькова, поэтому могу подъехать куда скажешь)))!
Нет, на механический дроссель очень проблемно поставить.
Автор ненаписал, что на superb нет лампочки круиза. Т.е. он работает но лампочки нет.
Здравствуйте, это на мотор AVB ставили? С механикой или автоматом?
Это на AWT механика
При установке ручки круиза от дореста в рестайлинг есть особенности? Двигатель 2.0 Alt блок управления вроде идентичен 1.8Т. Вроде установлено все верно, блок видит все показания, а круиз не включается, ошибка Недоставерный сигнал
Скинь скрин ошибки и посмотри показания в 66 группе ЭБУ, там показано нажатия на педали и кнопки ручки круиза.
ЭБУ видит все нажатия, как кнопок круиза, так и педалей. Вот что насторажило, при включении приборки не загорается лампа круиза для теста, может дело в ее отсутствии? Если лампочки нет, круиз даёт отбой?
Лампочка не влияет на круиз. А что за ошибка?
Не сфоткали( но что-то про недоставерный сигнал круиза.
У тебя механика?
Да
Всегда была механика, с завода?
Да, замены не было
Педаль сцепления видит?
В том и дело, видит нажатие всех педалей и кнопок круиза
Странно…
Угу. Ладно, не забивайте на ночь голову) пересмотрим подключение
Да, пересмотри правильность подключения.
Доброго времени суток. Блин как у вас всё здорово и просто с этой установкой круиз контроля! Все подробно описывают, куда и какие пины подключать. Но блин, сколько статей я читал. Ни в одной не увидел описания и установки концевика на педаль сцепления. Или что на всех авто этот концевик установлен заводом? А у меня как раз вопрос с этим связан, может, кто подскажет. У меня авто с завода вышел с АКПП и с круиз контролем. Но предыдущий владелец запарился АКПП ремонтировать и заменил, а МКПП. Круиз контроль, конечно же, он не переделывал. Переключатель соответственно остался, и индикация загорается на приборной панели. И вот мне нужно, понять, что делать. Я так полагаю, что нужно установить концевки педали сцепления. Провести к нему проводку и всё будет работать? Но куда вести провода? Какой нужен концевик? И как он крепится? Кто мне подскажет?
Ну, как бы да, концевик у всех с завода стоит. Загляни у себя, может он есть, но просто не подключен?
Уже смотрел. Когда меняли акпп поменяли и педальнывй узел. Но концвекик стоит только на педали тормоза
Umatn1k
Ну, как бы да, концевик у всех с завода стоит. Загляни у себя, может он есть, но просто не подключен?
Педаль сцепления пустая
Тогда купи на разборке концевик или новый дешёвый аналог.
Я даже номера не знаю
6Q0 927 189 новый
1J0 927 189 старый
Крепится как тормозной концевик? Вставил, повернул на 90 град. И готово?
Да
отлично а то я вот такой нашёл. 811 907 343
Umatn1k
Тогда купи на разборке концевик или новый дешёвый аналог.
И да ближайшая разборка в 450 км от меня и то не факт что там есть что то
Лежит у меня переключатель для круиза, но из-за мех. дросселя внедрить его не так просто.
Установить круиз можно только если машина с электронной педалью газа? Если на тросике, то в пролёте? :)
Нет, можно и на механический дросель, но последних годов, вроде.
Хм… Наверно 97 год к поледним не относится?!
Не, если не ошибаюсь, то 98-00
Bosspb2
Хм… Наверно 97 год к поледним не относится?!
У меня 97 с круизом
привет) а не осталось часом партномерка ручки включения поворотов с круизом)?
3U0 953 513 01C
Кстати, посмотри на Exist, там сейчас довольно неплохая цена.
та хочу ориг. аналог начнет дребежжать…(
а ориг в два раза дороже… лучше на zzap возьму…
Так я номер оригинала и дал, сейчас на него цена 880 грн., что я считаю, очень недорого.
да я в курсе)) просто там же сразу и аналоги светят!
)
Та лучше ориджинал, цена адекватная, у нас на разборе за б/у просят 700-800.
х*р им))) ну я на разьор в МСК тоже заеду! ради интереса!
тут у одних 50 машин распилено…)
серж мы мне в блоке круиз не подрубили((((((((((((((
Так это не сложно сделать.
провод мой где?))
В Киеве )))
Дай пожалуйста парт-номер ручки управления круизом (без мультируля) ? Чтобы с разборщиками было проще изъясняться.
3B0 998 527 B
А на б5 можно поставить круиз?
Можно.
Это очень сложно?
Нет, если вникнуть в суть дела, то все реально.
у меня значка на приборке нет ( только надпись Круиз
У тебя же американец.
типо для тупых написали? )))
Ну в американцах многие мелочи отличаются: эмблемка ручника (тоже надпись кстати), нет корректора, ксенона и т.д. )))
и вместо климат-контроля — люк!
Ахах))) У меня вместе с климатом люк )))
Надо попробовать и мне активировать, ручка у меня под круиз, по комплектации он тоже есть, но не работает)Хотя у меня не электро педаль.
Если через VAG COM открыть двигатель, то справа в верхнем поле будет указан тип двигателя, так вот если круиз активирован, то в середине всех надписей будет буква "G".
Нужно будет посмотреть!Спасибо!
Круто, тоже хочу круиз, хочу поставить ручку от шкоды с песочными часами!
Ну да, она такая же. Я не нашёл со Шкоды в нормальном состоянии, только затертые.
P777
Круто, тоже хочу круиз, хочу поставить ручку от шкоды с песочными часами!
эт какие такие с песочными часами, в чем отличие? тоже планирую себе до установить круиз.
Прям точно не скажу, но где то читал что есть вариант подключить дорогу домой ! Найдк инфу скину ссылку
Окей, спасибо. Буду благодарен.
www.drive2.ru/l/3966960/ функцич называется coming-home
а, все понял что за функция спасибо. Думаю она мне не нужна. А при открытии дверей с сигналки фары снова загораются?
Ой этого не знаю, полностью тему не проштудировал, как надумаб усьанавливать круиз и эту всю лабуду, почитаю
А ты не мог бы выложить эл. схему для мотора 2.3 AZX. не знаю куда "+" подключить. Взял китайский набор, там кстати этот провод без клемника идет…
На этот двиг у меня схемы нет. У тебя автомат или ручка?
аАвтомат. В принцепе все ясно, просто по феншую хотел, интересно куда ваг "+" рекомендует цеплять.
Цепляй к 11 предохранителю и не заморачивайся, по заводу он отвечает за круиз с АКПП.
Отлично))) тебе руками 5-ый разряд. Спасибо за отчет, я хотел установить круиз)))
Рад если был полезен )))
у меня 2,0 azm подходит электросхема?
Может только провод питания не подойти, тот который на ручке под №6. Поищи схемку на свой двигатель, этот провод нужно подключить на +12В при включении зажигания.
понял, я не очень электрик)))
Если что, вот эл. схема на твой движок:
www.a-j.ru/car/Cruise/AZM_Diagram.pdf
спасибо, но блин англ. яз.)))
V-ray88
понял, я не очень электрик)))
У тебя автомат?
нет мкпп
Подключение тоже самое, только пин №6 с ручки круиза подключается к зажиганию. Его можно подключить к предохранителю 31.
Ясно, главное найдут разборка если есть то купить, пробуй у меня есть знакомый электрик установить, если он согласить то делаем, если нет тогда я сам!
Там ничего сложного нет. Если что — Драйв поможет советом )))
Окей)))
Umatn1k
Там ничего сложного нет. Если что — Драйв поможет советом )))
есть разборка продают Переключатель поворотов+ круиз пассат б5 1998 год 1,9тди подходит ставил мне?
Он будет не такой удобный. Вот как он выглядит: b-a.d-cd.net/1526d02s-960.jpg
есть нашел 2,0бензин www.autopriwos.by/catalog…/Passat_B5___GP_/121.html
Двигатель роли не играет, главное, что бы с рестайла был, т.е. начиная с 2001 г.
у них 2003г, а у меня 2002г
Не важно, тебе нужен 2001-2005 гг
да понял)))
Я себе не куплю другую машину без круиза. Очень удобная штука
)))
Блин, круто! я уже два месяца обзваниваю сландо, цены валят по 800грн за палку((. Поделись контактом в лс.
Знаю, сам обзванивал ))). Написал.
спасибо!
оо, ты уже и установил:) молодца! Серж, при встречи, с тебя тест круиз контроля:)
Та нет базара ))). Только встречу когда запилим?
мож на этих выходных?
Можно попробовать. Нужно всех собрать тогда
завтра созвонимся
ок
Ребят что может быть б5 вроде круиз есть, ручка заюзана предыдущим владельцам, а не работает?
Для начала проверить активирован ли он в ЭБУ.
Отчет написал просто шикарный.
А цена её 250 грн получилась? Еще там нет?
Да, 250.
Есть еще там круизы?
красавец!
хорош
Спасибо, Ванёк )))
А говорил ручка ушатанка… очень даже хороша ;) Молодца!
З.Ы. Отчет на 5+! Больше бы таких на драйве… Рекоменд! ;)
Ну я имел ввиду что не как новая ))). Спасибо на добром слове )))
Тоже купил блин((а все не как не займусь
Та блин, там ставить нефиг ))) Я ставил в два этапа: вечерком за 2 часа подключил проводку и вывел её в салон и на следующий день за часок поставил саму ручку. Заодно проклеял антискрип под пластиком и приборкой.
Да мне торпеду менять надо. А это не 2 часа😀
Это можно сделать только на б5+, или и на просто б5?
На Б5 тоже ставится круиз, но ручка немного подругому выглядит: b-a.d-cd.net/1526d02s-960.jpg
Спасибо! Нужно будет поискать информацию, можно ли мне также сделать . Педаль газа у моего авто уже электронная возможно и получится, вот только можно-ли будет это активировать…
Если электорнная, то 100% можно сделать, активиркется также, через VAG COM.
Спасибо ещё раз! Сохраню в закладки.
Umatn1k
На Б5 тоже ставится круиз, но ручка немного подругому выглядит: b-a.d-cd.net/1526d02s-960.jpg
только сегодня вычитал www.passatplus.de/umbaute…le/schalter/schalter4.htm
Отличный отчет!
Только один момент можно проще сделать — это вынуть разъем с подушки руля, но не контакт про который сказано "а вот со вторым прийдётся повозиться" )
Возможно, посто, я когда изучал мануалы, то люди писали, что разъём нужно вынимать именно с руля, а не с подушки, вот я и побоялся его вытаскивать.
Разницы нет если аккумулятор отключен )
Буду знать, а то думал, что с подушки разъём не вытягивается.
VampireLo
Разницы нет если аккумулятор отключен )
Получается, нужно жёлтый разъёмчик потянуть или там фиксатор какой есть?
Просто тянуть аккуратно. Фиксатора нет
Понял, спасибо за инфу ))
поздравляю! очень полезная вещь!
Спасибо ))