К сожалению отсутствие времени лишает удовольствия полежать под машиной самостоятельно.
Обратился за помощью к другу автослесарю, у него свой гаражный сервис.
Идея ремонта кардана не моя, материалы принадлежат Drey7312
вот ссылка на тему www.drive2.ru/l/6340293/
Не было уверенности, что все подойдет, но подошло.
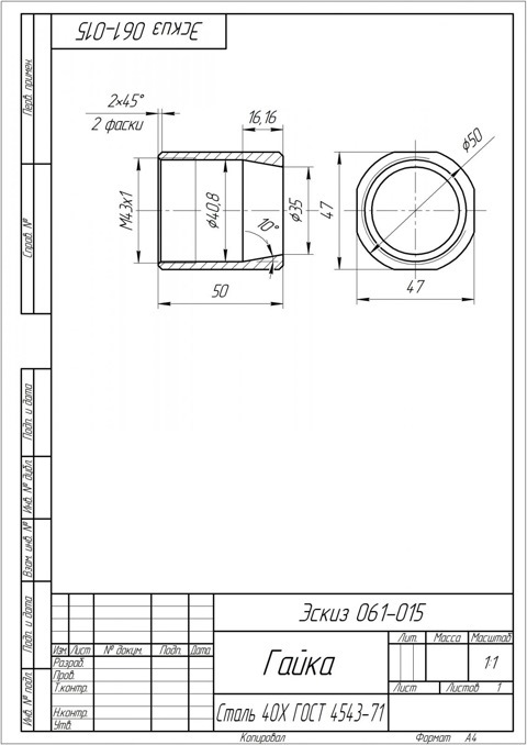
Резьбу я замерил на своей машине и отдал токарю, на гайке дополнительно сдалано оксидирование, ржавчина не страшна.
Делали долго, но зато условно бесплатно.
Кстати кардан разбалтывается от того, что внутри стираются пластиковые втулочки.
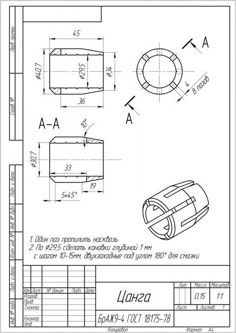
Шлицевое как правило на начальных стадиях вполне живое. Цанга из бронзы должна надолго решить проблему.
Естественно все прошприцовано по самые помидоры.
Чтобы не потерять выложу фотки и описание тут
Началось все с того, что после покупки авто, и первой скоростной езды на п\п, была обнаружена вибрация после 80км\ч. Явление пренеприятнейшее, и захотелось его исправить. Вариантов собственно несколько,
Покупка нового кардана — 40 000тг,
покупка б\у кардана — 20 000тг и нет уверенности что он не будет такой-же.
переделка на кардан от уаза — где-то 8 — 20тыс тг,
Или же воспользоваться вот таким способом ремонта от нашего комрада Dinyaridder


Решение по стоимости = 5 000тг, и было в итоге взято на вооружение.

ремкомплект так сказать!
для начала разбираем кардан на составные, и срезаем кольцо-гайку-фиксатор


Жена болгарина как нельзя кстати!
Далее надеваем гайку и разжимаем втулку

Ну и сжимаем втулку на месте, и наворачиваем гайку на резьбу.
Осталось только установить и прокатиться!
По отзывам соклубников, вещь реально работает. Вибрация пропадает. Я пока не проверял, но судя по чертежам и логике, все будет работать алес кля!
Кроме того, кардан так-же, как и в заводском исполнении имеет продольный ход, и по сути полностью оставляет свой изначальный функционал.

Цена вопроса: 1 500 рублей





Комментарии 19
Уффф. Снял. Чуть позже в бортовике опишу.
Чем лучше прошприцевать? Какая смазка?
Кто то синим мобилом делает. Я что то давно не шприцевал, не помню уже.
Как располовинить передний кардан? Никак не могу выдрать шлицевую. Гайку срезал, а разъединить не могу никак…
Может намертво закиснуть, бывает.
Под крестовиной на короткой части есть заглушка, можешь ее снять и чем нибудь выбить, хоть воротком попробовать.
Миша. Вот же ты сам выкладывал.
Примотрелся сейчас, понял о чем речь.
Пошел к токарю.
Поставил себе эту, , конструкцию, , год назад- действует очень хорошо!
Мудрое и простое, а стало быть гениальное решение! Респект! А скажи дружище, по данному чертежу можно вылечить проблему на Муссо 2.9 просто дизель 94 года выпуска, размеры подойдут? С уважением Александр.
Привет!
Если кардан такой же, то вполне.
Если не такой, смотреть чем различается и размеры проверить
глубину резьбы не помнишь случайно, а то нет на чертеже?
Не особо принципиально, токаря как то разобрались без вопросов.
Линейкой померяли на чертеже наверно, да и все.
15-20мм
Тоже заказал, сварка пол года продержалась
У меня летом гайка открутилась, вибрация пошла при включенных хабах.
Закрутил от души обратно)))) До сих пор хабы не выключал
скажи резьба точно как указана на чертеже?
да, на моем кардане была такая.
Измерял диаметр и шаг
блин нашел токарей, но стала проблемма с материалом для Цанги. Где блин этот БрАЖ9 брать. нет у нас в городе нихрена((
Да там не особо важно думаю, бронза или латунь, можешь фторопласт забабахать.
Мост не особо много двигается, так что больших движений как на заднем кардане не будет
Спасибо за чертежи, ремкомплект сделал, правда еще не поставил!
Пользуемся:)