
Электросхемы Chevrolet Blazer откопал так для себя чтобы не искать, пусть будут здесь . chevy.ru/jelektroshemy-chevrolet-blazerё









Электросхемы Chevrolet Blazer откопал так для себя чтобы не искать, пусть будут здесь . chevy.ru/jelektroshemy-chevrolet-blazerё












Комментарии 17
Схемы не все. Вдруг есть информация по модулю зажигания
Привет неподскажиш. Какой провод идёт с эбу на форсунку сигнальный? Нет питания на форсунке, плюс есть минуса нет.
Привет неподскажиш. Какой провод идёт с эбу на форсунку сигнальный? Нет питания на форсунке, плюс есть минуса нет.
Привет. Ссыль битая по ходу.((
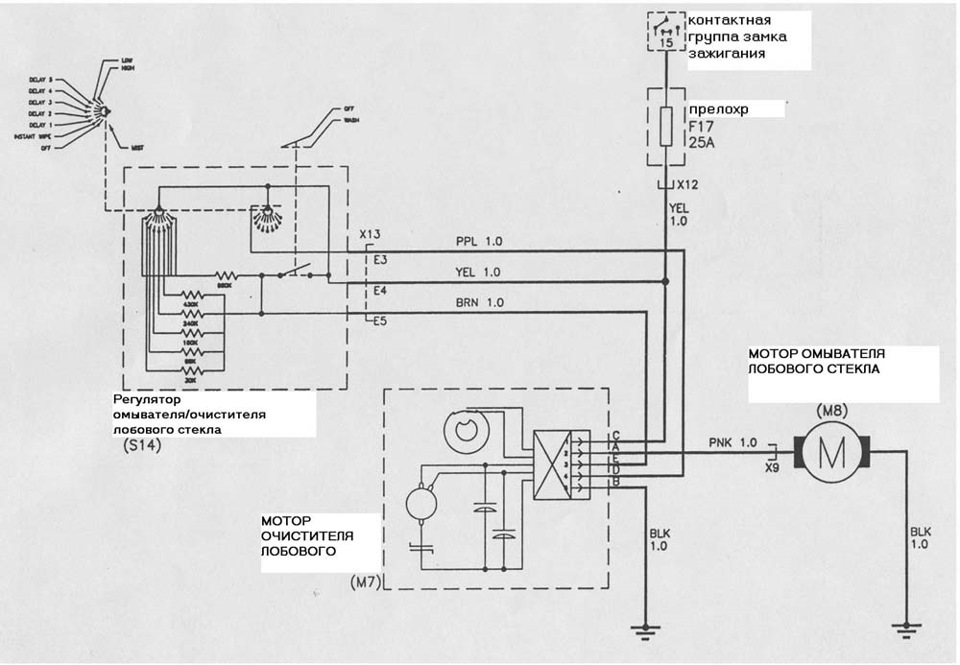
Есть схема подключения потолочной консоли?
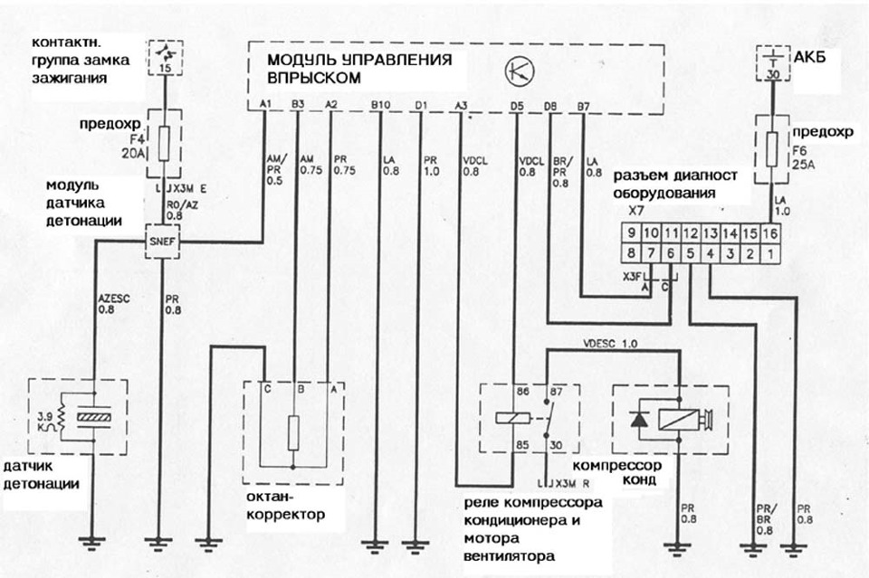
Я так понимаю что это от 2.2 литрового с бразильской мордой. Потому как у 4.3 нет датчика абсолютного давления, там ДМРВ стоит!
Привет, а эти схемы к любым блейзерам подходят? Хоть 2.2 хоть 4.3?
Нет это 2.2 бразилец…
не подскажите, есть ли предохранитель на спидометр?!
Нет напряжение на мотор спидометра приходит пряио с мозга, если акпп работает исправно, то виноват мотор спидометра- замена( приборки целиком или мотора)
"мотор спидометра" это датчик скорости вы имеете ввиду?
В русских машинах риборы-потнециометры.
В буржуйских давным давно шаговые эл. моторы.
В датчике ломаться не чему, кроме проводки… Но это все по 4'3… В 2'2 там тоже вроде моторчик( скорее динамка как на велике)
недавно в каком-то из БЖ было описано, что если вытащить предохранитель ABS, то спидометр перестает работать. вот и решил, что может есть какой-то предохранитель)
p397ka
"мотор спидометра" это датчик скорости вы имеете ввиду?
Я бы вивесил задний мост и померял напряжение на разъёме датчика скороси, растет илии нет? Именно так там считывается скорость…
а если просто контрольку — лампочку повесить на контакты датчика и если горит, значит работает…или глупость я щас сморозил?!
p397ka
"мотор спидометра" это датчик скорости вы имеете ввиду?
А одометр работает? Считает километры?
нет, не работает. не крутит.
andre555197
Нет напряжение на мотор спидометра приходит пряио с мозга, если акпп работает исправно, то виноват мотор спидометра- замена( приборки целиком или мотора)
Привет неподскажиш. Какой провод идёт с эбу на форсунку сигнальный? Нет питания на форсунке, плюс есть минуса нет.