Готовлюсь к зиме — захотелось автозаводилку…
Купил и прошил себе Fortin EVO-ALL + THAR-GM1v2



Программатор и инструкции к нему взял поносить на время, покупать не стал…
Так же у меня нет запуска по GSM — только от штатного ключа.
Парковка под окнами и расстояние до нее позволяет производить автозапуск, видя машину из окна.
Провод желто-черный я программно отключил — мне не нужен лишний канал запуска.
Вот так фортин заводит у меня машину (попробовал с открытым капотом — ноль эмоций — только на закрытом заводиццо…)
А вот так включается подогрев сидений при автозапуске (для этого температура должна быть соответствующая)
Резюмируя скажу — штука эта полезная, но есть нюансы в установке…
Поскольку пришлось разбираться самому — то записал как это делать поподробнее — на память…
Думаю стоит отдельно указать, что это не инструкция, а описание как я это делал, чтобы потом повторить — но на страх и риск каждого кто будет это делать.
Поэтому перед началом я хочу предупредить последователей и посоветовать иметь ввиду следующее важное замечание, а именно то, что от программирования опций без должного понимания их сути — можно получить потенциальную уязвимость в защите автомобиля. Причем как прямую так и косвенную. По мере возможности буду добавлять в пост выявленные в процессе эксплуатации проблемы и пути их решения (в раздел Известные баги)
Прописывание иммобилайзера ключа в блок Fortin EVO–ALL — с запасным ключом:
----------------------------------------------------------------------------------------------------------------------------------
1. Подготовка
1.1 Из инструментария мне понадобилось:
— отвертка со сменной головкой на M7, ножик для зачистки проводов + в моем случае паяльник и т.д. (но можно и на скрутках, как кому удобнее).
— компьютер с Windows (Win10 у меня, но можно и белее ранние версии)
— соединение с интернетом для On-Line дешифрования кода иммобилайзера
— ключ от автомобиля запасной (есть необходимость кастомизировать CONFIG — поэтому лучше чтоб настройки были скопированы на том ключе, которым не пользуетесь)
— программатор Fortin Flash-Link-Updater 2
1.2 Разбираем кожух рулевой колонки как показано на схеме. (отщелкиваем вверх верхний кожух колонки, откручиваем три винта головкой M7);

2. Подключение модуля Fortin EVO-ALL в машине:
2.1 Подключаем 4 разъема в рулевой колонке в разрыв 2-х цепей (ключа — черный разъем и иммобилайзера — фиолетовый разъем) как показано на схеме;


2.2 Подключаем коричневый провод из разъема 5pin-Белый к OBDII разъему в 1pin (зеленый провод) как показано на схеме;

2.3 Подключаем в Fortin EVO-ALL все остальные разъемы (20pin Белый; 5pin Белый; 6pin Красный) кроме разъема питания (разъем Data Link 4 pin Черный)
3. Считывание кода иммобилайзера:
3.1 Нажимаем и держим кнопку на блоке Fortin EVO-ALL, только затем подключаем питание (разъем Data Link 4 pin Черный)
3.2 Держим кнопку до загорания желтого индикатора (отпускаем в момент когда горит желтый). Желтый останется гореть. Если желтый не горит постоянно — возвращаемся к п.3.1
3.3 Нажимаем кнопку 5 раз (после каждого нажатия светодиод должен моргнуть столько раз, сколько вы нажали на кнопку).
После 5-го нажатия пойдут моргания 5 раз…пауза…5 раз и т.д. Надо дождаться пока желтый индикатор не начнет гореть постоянно. После этого подождать еще не более 5с.
3.4 Вставляем ключ, включаем зажигание AСС — желтый индикатор погаснет, красный загорится.
Если красный не горит постоянно — возвращаемся к п.3.1
3.5 Выключаем зажигание в OFF, вытаскиваем ключ, ждем ровно 5с.
3.6 Вставляем ключ, включаем зажигание AСС, должны одновременно загореться синий и красный индикаторы, затем они гаснут и быстро моргает желтый и затем начинает гореть постоянно синий. Если синий не горит постоянно — возвращаемся к п.3.1
3.7 Включаем зажигание IGN — начинает быстро моргать синий. Если синий потух и не моргает — проверьте соединение коричневого провода из разъема 5pin-Белый к OBDII разъему в 1pin (зеленый провод) и возвращаемся к п.3.1
3.8 Выключаем зажигание в OFF, вытаскиваем ключ. Синий индикатор переключается на медленное моргание. Считывание кода иммобилайзера завершено.
3.9 Отключаем питание блока Fortin EVO-ALL (разъем Data Link 4 pin Черный), отсоединяем блок полностью.
После этого блок нужно подключить к компьютеру используя программатор
Fortin Flash-Link-Updater 2 и программу Flash-Link-Manager (скачивается на сайте fortin.ca/en/support/flashlinkmanager.html)

4. В программе Flash-Link-Manager:
4.1 Скачиваем и устанавливаем последнее обновление программы (если доступно — будет предложено автоматически)
4.2 Добиваемся определения программой блока Fortin Flash-Link-Updater 2 — на модуле должен загореться красный светодиод; Если не горит — переткните USB кабель устройства. Как правило все драйвера ставятся автоматически — но если проблемы — прямо в программе есть подсказки что посмотреть…
4.3 Добиваемся соединения с модулем Fortin EVO-ALL. Если модуль не определяется — перетыкаем разъем питания. Проверяем и убираем галочку в "Меню"->"Конфигурация"->"Специальное устройство" (настройки инверсии Rx/Tx)
4.4 В разделе программы Прошивки — обновляем версию прошивки FW до последней доступной
Обновляются блоки Fortin с даты фабричной прошивки не старше 4 лет, и только 8 раз… :(
ifar.su/forum/viewtopic.php?f=173&t=6864

4.5 В разделе программы ОПЦИИ — устанавливаем флаги ДА/НЕТ в соответствии с инструкцией или примером (см. ниже Опции: OPEL ASTRA J 2012)
4.6 В разделе программы DECRYPTOR — успешно проходим процедуру расшифровки кода иммобилайзера и установки его в модуль Fortin EVO-ALL.

5. Подключаем EVO-ALL обратно в машину — последним подключаем питание (разъем Data Link 4 pin)
6. Проверяем работоспособность функционала дистанционного запуска двигателя:
6.1 Лучше сидя в машине с ключем в руках — ставим ее на охрану и затем троекратным нажатием на кнопку штатного пульта "Запереть" — убеждаемся в том, что происходит автоматический запуск двигателя — OK!
6.2 ! ! !ВНИМАНИЕ! ! ! Во время работы двигателя штатный пульт больше не функционирует и если вы вне машины — то можно оказаться в положении, что вы не сможете ее открыть (в моем случае личинка на двери была заклеена хромированной накладкой) — тем самым пришлось проверить, что длительность работы автозапуска соответствует выставленной — 7 минут — OK!
6.3 Проверяем, что после автозапуска — при открытии двери ключем — двигатель глохнет — OK! (если не глохнет — почитайте абзац про Известные баги.)
6.4 Проверяем, что после автозапуска — при открытии капота — двигатель глохнет — OK!
6.5 Проверяем, что после автозапуска (на случай проникновения через разбитое стекло) — при нажатии на педаль тормоза — двигатель глохнет, если не вставлен ключ в замок зажигания — OK!
6.6 Проверяем, что открыв автозаведенную машину, она заглохла — но заведя ее снова ключем можно поехать — OK!
6.7 Проверяем, что после того как двигатель будет заглушен автоматически по таймеру (без вашего присутствия), не происходит кратковременной разблокировки замков дверей — OK!
(Если замки все-же открываются и тут же закрываются — почитайте абзац про Известные баги.)
6.8 Проверяем, что при открытых дверях или капоте или багажнике невозможно осуществить автозапуск — ОК!
7. Прячем все провода, одеваем кожухи рулевой колонки на место в обратном порядке. Наслаждаемся результатом проделанной работы.
8. Известные баги:
8.1 Установка без бубна предполагается на АКПП. Для реализации на МКПП необходимо имитировать нажатие педали сцепления и контроль нейтрали. Исходный материал описан здесь www.drive2.ru/l/8138145/
— Педаль сцепления шунтируется подключением сопротивления в 300 Ом (желтый и черный с серой полосой провода на фишке педали сцепы)

— Контроль нейтрали реализуется герконом и реле, которое шунтирует педаль только при замкнутом герконе
— Учтите: без контроля нейтрали — ваша машина обязательно когда нибудь поедет!
8.2 Модуль Fortin EVO-ALL можно убить (стереть текущие данные), если в п.3.3 случайно нажать не 5, а более раз на кнопку и от испуга, что натворили — сразу выключить питание (до постоянного горения желтого). Восстановить можно только через повторную полную конфигурацию в программе Flash-Link-Manager. (см. п.4)
8.3 В настройках CONFIG автомобиля необходимо убрать галку в меню закрывать замки по набору скорости — иначе, после того как двигатель будет заглушен по таймеру, фортин будет имитировать вытаскивание ключа из замка — и, как следствие работы штатной логики, на пару секунд будут открываться замки дверей — то есть можно тупо открыть дверь улучив момент.

Уехать будет сложно, но попасть в салон злоумышленник потенциально может. Чтобы на обычном заводе с Реального ключа замки при вытаскивании Реального ключа открывались — необходимо выполнять процедуру DECRYPTOR с использованием запасного ключа и персонифицировать ключи в настройках CONFIG. В этом случае фортин будет иметь одни настройки, а ваш Реальный ключ — другие.
8.4 При программировании фортина не стоит устанавливать ключ D3 в НЕТ. С одной стороны удобно подойти к автозаведенной машине, открыть дверь ключем, вставить его в замок и сразу поехать. Но дело в том, что проверки иммобилайзера не будет — так что можно свернуть замок двери заточкой, затем свернуть и замок зажигания поставив его в IGN — машина не заглохнет уже пока таймер не выйдет.
8.5 Подогрев заднего стекла активировать необходимо также в настройках CONFIG. В настройках климата можно включить данную опцию (у меня и так была без фортина включена). При пониженной температуре и большой влажности — заднее стекло и боковые зеркала будут греться.
8.6 Алгоритм работы парковочных огней активировать возможно также в настройках CONFIG автомобиля.
8.7 Подогрев сидений на машинах после MY2012.5 включается и выключается через 3с. Решение существует — не проверенное на астре, но на крузе точно работает — прочитал в описании некоего девайса с украйны autochip.com.ua/devices/b…forta-cwm400/#comment-184
То есть надо купить этот девайс под названием "Блок комфорта CWM-400" и тогда…
"Включение и выключение функции авто-подогрева производится с помощью одновременного нажатия кнопок водительского и пассажирского подогрева сидений при включенном зажигании.
Авто-подогрев включается по определенному алгоритму при температуре ниже 8°С. Время работы и уровень подогрева определяется забортной температурой и температурой салона. Проще говоря, автоматика просто подогревает вам сиденье, не создавая дискомфорта.
Минимальное время роботы при прогретом салоне и температуры окружающей среды менее 8°С максимальный режим — 30 сек средний режим — 45 сек и минимальный режим — 50 сек.
Максимальное время роботы при холодном салоне и температуры окружающей среды менее -10°С максим режим — 100 сек средний режим — 145 сек и минимальный режим — 180 сек."
положительный отзыв об этом устройстве прочитал здесь www.drive2.ru/l/457543073275054300/
… с его покупкой пока воздержусь. Если потом осилю — отпишусь. (если кто-то сделает раньше — дайте знать плз)
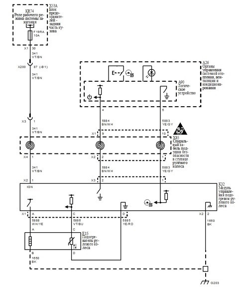
8.8 Подогрев руля — не предусмотрен. Но решением можно заморочиться и вывести через силовой выход фортина — пин A14 (коричневый с белой полосой провод) в 20-pin разъеме — аналоговую имитацию нажатия кнопки подогрева руля — но чтобы не включался и зимой и летом… Можно минус через термо датчик пустить, градусов на 10, чтоб летом не грел. Если потом осилю — отпишусь.
Здесь есть существенная информация как подключить подогрев руля на астре: www.drive2.ru/l/522374402017330271/
www.drive2.ru/b/522373852261516061/


8.9 Я дополнительно к вышеописанному — реализовал опционально принудительное глушение по нажатию кнопки багажника — для этого использую функцию Valet Switch.
Суть методы — надо найти провод кнопки багажника в BCM и через диод (например Диод Шоттки 40В 3А/80А — 1N5822, www.chipdip.ru/product/1n5822) завести минус, который появляется на нем от нажатия кнопки багажника на соответствующий пин A8 (темно-синий провод) в 20-pin разъеме фортина — можно будет эффектно заглушить авто нажав на кнопку багажника… поскольку у меня доступа к личинке в двери нет — мне это самое то, что дохтур прописал. Прочитать про нужный пин в BCM можно здесь www.drive2.ru/l/5085210/. Короче это разъем X6 (розовый) контакт 15 — третий с низу в самом правом вертикальном ряду (провод желтый с синей полосой) — это контакт который идет с кнопки в багажнике. На нем появляется земля при нажатии на кнопку открытия багажника снаружи.


8.10 Полезно знать: Иногда при стыковке фортина с сигналками машина после заводки может войти в транспортный режим. Выражается это в мигающем индикаторе "аккумулятор" на приборке и не горящем салонном свете. В этом режиме многие второстепенные цепи принудительно отключаются. Чтобы войти или выйти из этого режима необходимо сделать одно и тоже — при включенной "аварийке" более 10с держать ключ в положении "Стартер". При неправильном программировании сигналки или реально долгом времени работы стартера возможно, что последовательность сигналов будет приводить к включению этого режима. Ну соответственно пугаться не надо…
— надо проверить установку опции D4 — она как раз отвечает за отключение тахометра и длительность импульса на стартер
— не подключать аварийку при работе в режиме автозавода.
Выйти из транспортного режима — наоборот вручную включить аварийку и долго держать ключ на стартере.
8.11 Если в пункте 3.1 Fortin не включается — то первым делом проверьте, что в Data Link кабеле присутствует 12В на красном поводе и корпус на черном проводе. Если нет — то используйте принудительное питание от OBDII разъема (16й и 4й контакты)
Опции: OPEL ASTRA J 2012
-------------------------------------------
ДА — ЗАПРЕТ СБРОСА ОПЦИЙ (закрывает все опции и временно для конфигурирования ставится на НЕТ)
A1 — да (Управление запиранием/отпиранием дверей)
A2 — да (Управление открытием багажника)
A3 — да (Обход штатного иммобилайзера)
A4 — да (Автоматический подогрев сидений и заднего стекла)
A5 — НЕТ (Доп. вход ОРАНЖЕВЫЙ — не совместимо с А4)
A6 — НЕТ (Доп. вход ОРАНЖЕВО-ЧЕРНЫЙ — не совместимо с А4)
A7 — да (Статус выхода состояния педали тормоза)
A8 — да (Статус выхода сотояния ручника)
A9 — да (Статус выхода сотояния открывания одной из дверей)
A10 — да (Статус выхода сотояния открывания багажника/задней двери)
A11 — да (Статус выхода сотояния открывания капота)
B1 — да (Отпирать только дверь водителя)
B2 — НЕТ (Режим запуска через DATA-Link — переназначение входов/выходов для работы с внешним RF модулем)
B3 — НЕТ (Двойной импульс на отпирание)
С1 — да (Трансляция команд штатного брелка. Требуется для запуска со штатного брелка и активации статуса Охраны)
D1 — да (STAND-ALONE Отдельная установка с управлением запуском от штатного брелка — заводит автомобиль по 3-х кратному нажатию кнопки "Запереть" на штатном брелке или импульсу более 1с на желто-черном проводе)
D1.1 — НЕТ (Алгоритм запуска двигателя со штатного брелка: Запереть-Отпереть-Запереть)
D1.2 — да (Отменить повторную попытку запуска)
D1.3 — НЕТ (Режим Дизельного двигателя — удвоение таймера прогрева)
D1.4 — НЕТ (Таймер прогрева — 3 мин.)
D1.5 — да (Таймер прогрева — 7 мин.)
D1.6 — НЕТ (Таймер прогрева — 15 мин.)
D2 — НЕТ (Отключить на время запуска штатную охранную систему)
D3 — ДА (Выключение системы запуска при открытии двери — альтернатива: по нажатию педали тормоза без штатного ключа в замке)
D4 — НЕТ (Гибридный режим — отключение тахометра и тем самым увеличение времени работы стартера при попытке завода двигателя)
D5 — НЕТ (Повторное запирание дверей после запуска и остановки двигателя)
D6 — НЕТ (Автомобиль с кнопкой START-STOP)
E1 — НЕТ (Управление через внешние устройства — дистанционно заводит двигатель при импульсе более 1с на желто-черном проводе или удержании массы. Розовый — Генератор; Коричнево-белый — Статус охраны)
F1 — НЕТ (Протокол Fortin RS232 Data-Link)
F2 — НЕТ (Протокол AP Data-Link или OFA Data-Link)
F3 — НЕТ (Протокол D2D)
G — НЕТ (Охранная система)
G1 (Тип тревожного выхода да — клаксон; НЕТ — сирена)
G2 (Звуковое подтверждение при запирании/отпирании)
G3 (Беззвучное запирание/отпирание. Звуковое подтверждение при повторном запирании/отпирании)
G4 (Перепостановка на охрану если двери не открывались в течении 30с после снятия с охраны)
H — НЕТ (Поддержка RF модулей)
H1 (Fortin AST, DSE, Atom и др.)
H2 (Fortin 2)
H3 (CrimeStopper, Autoconnect)
H4 (AudioVox FLRF, DEI SmartStart)
H5 (DEI XL202)
H6 (FT-D100)
@@@@@@@@@@@@@@@@@@@@@@@@@@@@@@@@@@@@@@@@@@@@@@
Дополнительно появился модуль дистанционного управления фортином — StartFone
autopulse.ru/article420.h…utm_content=StartFone%20-%C1%EE%EB%FC%F8%E5%20%F7%E5%EC%20%E0%E2%F2%EE%E7%E0%EF%F3%F1%EA%21%20
он может подключаться к модулям автозапуска Fortin EVO по шине DataLink и дополняет функционал обходчика телематическими сервисами
Особенности GSM модуля StartFone:
Управление дистанционным запуском двигателя с мобильного телефона (прямым звонком или смс командой)
Управление дистанционным запуском двигателя со штатного пульта с ДУ
Наличие гибких каналов, назначение работы каналов по усмотрению установщика (сирена, концевик капота, блокировка двигателя)
Простая коммутация с модулями Fortin — PIN-to-PIN
Встроенный датчик удара
Автозапуск по таймеру, каждые 1,2,3,4-24 часа
Запуск по температуре
Управление предпусковым подогревателем
Встроенный датчик удара-качния — 3D акселерометор
Акустический контроль салона – опция
Позиционирование GPS/ГЛОНАСC — опция
Коммутация по шине с бесчиповыми модулями автозапуска Fortin EVO









Комментарии 103
www.drive2.ru/l/9927996/
Если нужен будет программатор-обращайся) отдали вместе с машиной
За сколько готовы продать?
Продать не готов. Готов только поделиться с людьми в пределах СПБ
Понял
www.drive2.ru/l/580779360…age=0#a580802449917347277
Привет, а програматор где брал так и не понял?
На период когда ставил взял поносить
Это уж давно было
Но мир не без добрых людей…
Щас уж не знаю где он
И человека уж нет на драйве
Вот ещё один
www.drive2.ru/l/471556623848965109/
Добрый день, у вас случайно программатор не остался?
Нет он нужен был однажды
Потом даже когда ключи перепривязывал — ничего не сбивались в фортине — ключ только не теряй с которого клон снят
Понял, спасибо, купил себе обходчик и думаю теперь как привязать ключ. Те кто сигналки ставит, интересно могут ключ привязать к нему
Ну нужен программатор в первый раз а так инструкция подробная выше
Не проще было поставить какой-нибудь StarLine?
Можно и старлайн, но точно не проще
SERGIE77
Не проще было поставить какой-нибудь StarLine?
И таскать с собой лишний сигнальный брелок
Приветствую!
Комплект: Fortin EVO-ALL + THAR-GM1v2
у меня случилась непонятная проблема при установке.
Считывание кода иммобилайзера на фортин прошло без проблем, пошел прошивать и запускать декриптор, но столкнулся с таким окном prntscr.com/hepcos, то есть не понятно как прошивать то его если не показывает прошивки и вкладки декриптора нет… сам программатор нормально перепрошивается. Не понятно что теперь делать… никто не подскажет как побороть?
ну и как решил?
я если честно даже не помню что там и как — все как то без проблем прошло
к сожалению блок был куплен на ебее и по всей видимости его никак нельзя прошить … пробовал и через впн америкосовский и без, не выходит. купил на авито наш блок за 2500 поставил без проблем.
Подскажи как ведет себя данный девайс по прошествию 2-х лет? И где преобретал?
нормально ведет — не было проблем никаких
приобретал в интерент магазине
www.avito.ru/nizhniy_novg…y_modul_zapuska_779523017
только бери с косой сразу для GM
Благодарю
sarzamas
нормально ведет — не было проблем никаких
приобретал в интерент магазине
www.avito.ru/nizhniy_novg…y_modul_zapuska_779523017
только бери с косой сразу для GM
Ещё вопрос: программатор нужен только на один раз? Или программировать нужно каждую зиму и каждое лето? Покупать или одолжить на денек программатор?
программатор нужен один раз при установке
и далее каждый раз когда есть необходимость прописать новый ключ
а можно, пока я очень не углубился в эту инструкцию, в двух словах подсказать много проводов из штатной проводки нужно дербанить?
инструкция длинная — но зато вроде все объясняет…
Кратко по проводке (выжимка из поста)
1. Фортин должен покупаться с косой специально для GM — тогда все ставится разъем в разъем!
2. Он может и без сигналки работать. Но если вязать фортин с сигналкой (StarLine) — то еще и с ней есть DataLink в комплекте.
3. Для дополнительных плюшек (типа глушилки от кнопки багажника или автозавод для механики) — там уже поле для самостоятельного монтажа
но вроде все же с картинками нарисовано (разве что про гиркон у меня только ссылка на другой пост)
Я понял что датчик педали сцепления нужен для того что бы круиз понимал когда водитель выжимает сцепление что бы отключится. А если поставить поставить сопротивление на фишке то получается круиз будет считать что сцепление выжато постоянно и не активируется? Или я что то не верно понял?
помимо резюков предлагается ставитть еще и геркон на кулисе
— Контроль нейтрали реализуется герконом и реле, которое шунтирует педаль только при замкнутом герконе
то есть эта схема работает только при реально нейтральной передаче
иначе машина при заводке обязательно когда-нить поедет…:((
потому как в этой схеме нет другого контроля нейтрали — машина сразу глохнет (а не когда ты с ключем из нее выйдешь)
зато всегда заведется!
правильно я дошурупливаю? То есть после запуска авто датчик педали сцепления снова работает штатно?
не после запуска
а при отличном от нейтрали положении ручки МКПП
ручка в нейтрали — датчик сам "нажимает" сцепление
ручка на любой скорости — датчик слушается твою ногу
Теперь поняВ! :) Спасибо что разжевал!
давай — так же разжуй по установке паука на A18XER…
stinger-shop.ru/catalog/o…evrolet-aveo-t300-2012-n/
то же бы с удовольствием прошел чьим то путем… :))
Да уж… не легкая у тебя участь :)) Ты во всем как первооткрыватель…
С пауком я то точно его закажу но боюсь что пока я закажу ты уже его и поставить успеешь
Я вот могу разжевать как ГБО установить, но я думаю оно тебе и на х… не упало :)))
ГБО у нас не в моде — у нас на дачах то и газа толком нет а в городе станций всего пара тройка
То есть по газу полный швах — и это при том что газпром спонсор питерской команды…
так шо весь газ прошел мимо нас… паубывав би гадив
:))) А у нас заправка на заправке, да и друзья установкой занимаются. Вот я у них и выпросил комплектик по закупке и сам поставил под их контролем. И хорошо что сам… Я только с одним редуктором вокруг капота неделю ходил… то тут притулю не нравится то там и снова не нравится. Пока распланировал весь мозг себе съел.
я в Сосыке и в Павловской все детство провел…
какие там люди хорошие!
О как ты хорошо про кнопку багажника написал, все теперь я то же буду его ставить, а то с личинкой у меня вечная беда(
эта инструкция с которой можно в космос…
щас стока времени нет писать…
Да у меня что то же со временем не густо(Но все равно оооочень круто все
Подскажи, како диод использовал при потулючении провода от кнопки багажника к синему проводу 20-pin?
да любой на 12в
там ток минимальный
(ну не плоскостной разумеется а навесной)
у меня в тексте пункта про то как глушить с кнопки есть название диода который я купил в чипе-дипе
но вроде 2 диода надо…
один между кнопкой и BCM
другой между кнопкой и фортином
Непонятно, зачем ставить диод на промежутке от всм к кнопке?!
ну я из осторожности диод поставил
два диода обычно используют для развязки (чтобы один вход не влиял на другой)
диод перед Фортином защищает Фортин от паразитных напряжений от BCM (?если таковые имеют место?)
и да — соглашусь жизнь показала что одного диода точно достаточно (фортин на BCM не влияет — потому-что выключается после передачи управления штатной схеме
… а может и вообще ни одного диода не надо…
я уж точно не помню — но вроде один поставил как на схеме
а про второй видимо просто забыл — потому как заработало…
Доброго времени суток! Спасибо за инструкцию — настраивал по ней. Единственный вопрос, который я не понял: разъем datalink подключается только в Fortin и всё? Потому как у меня при таком раскладе не работает. Приходится еще красный и чёрный подключать на питание и землю соответственно (можно в OBD2 разъёме — 16й и 4й контакты). Тогда только заводит… Или я что-то сделал не так? Спасибо за ответ!
извини, я не телепат и память у меня плохая — поэтому все и записал… и пронумеровал…
не врубаюсь о чем ты — оперируй терминами которые я употреблял в посте — какой хоть номер пункта описания?
я набрал слово "datalink" в поиске на странице — и единственным совпадением оказался твой комент — поэтому хз о чем ты…
Приношу свои извинения, если не очень понятно. Пункт 2.3: "разъем питания (разъем Data Link 4 pin Черный)". У этого провода который "data link" два разъема. Один из них потом втыкается в сам Фортин. А второй куда? Если его никуда не втыкать, то у меня автозапуск не срабатывает. Но, если взять из второго разъема черный и красный, и подключить землю и питание соотвественно, то машина стартует. Просто этот момент у Вас не освещен, я и уточняю, правильно ли поступил?
В остальном — отличная инструкция, действовал по ней, и опции так же выставлял, и проверял так же. Спасибо!
таак… по идее да — питание и корпус надо подключать обязательно и суть этого пункта 2.3 — лишь в том, что подключать питание самым последним (да и то так, на всякий случай).
но ты уверен, что у тебя коса THAR-GM1v2?
У меня был именно такой!
посмотри на седьмую картинку в посте — на ней в верху как раз виден Data Link кабель и от него идут 2 провода в основную проводку — красный и черный… вот тебе и питание. Так что в моей косе ничего дополнительно подключать не надо было…
X-Stranger
Приношу свои извинения, если не очень понятно. Пункт 2.3: "разъем питания (разъем Data Link 4 pin Черный)". У этого провода который "data link" два разъема. Один из них потом втыкается в сам Фортин. А второй куда? Если его никуда не втыкать, то у меня автозапуск не срабатывает. Но, если взять из второго разъема черный и красный, и подключить землю и питание соотвественно, то машина стартует. Просто этот момент у Вас не освещен, я и уточняю, правильно ли поступил?
В остальном — отличная инструкция, действовал по ней, и опции так же выставлял, и проверял так же. Спасибо!
То есть, поскольку у меня Fortin стоит в Stand Alone конфигурации, то второй конец Data Link кабеля просто никуда не подключен. При этом питание на него подается. Надеюсь теперь все в голове уложилось?
видимо у тебя не та версия проводки… но ты правильно вышел из ситуации. Поздравляю!
Проводка выглядит именно так же, и на ней самой написано, что это THAR-GM1v2… Что ж, попробую еще раз проверить все соединения. Вроде всё так же делал… Спасибо
ну значит на Орландо 12В не на тот пин приходит…
как проверишь — отпишись на будущее…
На Орландо же не АКПП, а робот, может в этом отличие?
но повторяю — суть пункта 2.3 ( а точнее пункта 3.1) — именно подача питания на фортин — как ты этого добился — по большому счету не важно…
Самая подробная инструкция :) хоть и достаточно стандартной, но почитать полезно. Уже поставил себе. Сам блок обошелся в 2500 руб.
повезло тебе с ценой! поздравляю, что разобрался без проблем
программатор не подскажешь где недорого купить мона?
ну сейчас тоже можно найти по хорошей цене, важно только искать именно с проводами THAR GM
Но у кого руки из правильного места, достаточно купить разъемы и сделать самому разветвители эти.
Купить как я говорил на авито, там снятые с других авто продают бывает.
если при заведенной машине в замок зажигания вставить только жало ключа, без иммобилайзера и провернуть, то можно уехать на машине?)
никто не может ответить на этот вопрос))
Я попробую и отпишусь
разберешь ключ?))
Нет, сделал жало отдельно
короче зависит от ключа D3 — если да — то еще при открывании двери глохнет, если нет — то не глохнет, но все равно заглохнет через отведенное время
Ну как?)
я ж написал — можно если D3 — НЕТ
поэтому я себе поставил — ДА
то есть если через форточку влезать, то можно уехать теоретически…
если нет доп сигналки с меткой или иглы какой-нить :))
у кого D3 стоит в НЕТ и кроме фортина ничего — заходи через дверь, садись и катайся…
Спасибо, не сразу увидел верхнее сообщние)
а не заморачивался ли выключением фар при автозапуске?
нет, а зачем?
поясни поподробнее от чего такое желание
Была такая возможность на старых астрах как скандинавский свет, можно было выбрать режим, в котором при поднятом ручнике фары гасли. Когда машина стоит, ей свет не нужен, продлим жизнь акку.
надо будет проверить есть ли такая фича…
Офигенная тема, надо ставить)
Классный обзор. В закладки. У меня такая же приблуда на сиге установлена (подарок от прошлого владельца). Только вот я не уловил про подогрев сидений… У меня он (вроде как) вообще отключён. Значит А4 не активировано? Ведь можно сделать, что бы подогрев включался и не отключался до тех пор, пока я не нажму на него?)))
говорят на старых астрах до 12 года подогрев работал норм
а на моей MY2014 — при выставленном ДА для опции А4 — он как и описал — включается сначала все три огогнька и с каждой секундой их становится на один меньше, пока не погаснут вообще — соответственно и подогрев с ними тоже =Ек!
Наркоманы блеать…
да Макс, то понос то золотуха — как же раньше то жили… все времени не было, теперь с деньгами проблемы…
я его купил еще год назад почти — и вот только поставил…
еще Пандора на очереди
:-)
Вот Pandora это сила ! Вот, что Тебя порадует однозначно !
А почему при автозапуске включается подогрев сидений на 1с, разве он не должен продолжать работать?
С астрами от 13.5 мг идут глюки по can шине и поэтому он отключается сразу. До 13 года все работает отлично
А подогрев сидений зимой и летом работает?
только в холодное время, там датчик температуры стоит
Чтобы это все работало, должна включена функция А4 ?
да — она и включена… но на новых астрах сначала включается подогрев на 3 огонька, через секунду уже на 2, потом еще через сек уже один — и вот он и выключился… что-то недоработано точнее изменился алгоритм работы кнопок обогрева
Серега, на сиге такой номер не прокатит?
там ограничение только в коробке — должна быть АКПП
так что на моей сиге — не прокатит :((
Тогда мне подходит. Приеду, тогда подробнее расскажешь.
да чего рассказывать, показывать надо… :))
— все повтори по записанному — разжевал уже до нельзя…
— все ПО и инструкции на русском
— все провода в комплекте — DIY
только бабки плати… говорят Fortin теперь недешев…
sarzamas
там ограничение только в коробке — должна быть АКПП
так что на моей сиге — не прокатит :((
Есть под мкпп evo-one называется
А организовать этой приблудой турботаемер нельзя?
турботаймер можно реализовать только доп сигналкой с отдельным брелком :(((
это есть просто обходчик штатного иммобилайзера с доп функцией автозапуска… и все…
Ну вот ты опять не в теме. Есть отдельно турбо таймер. Вот думаю купить может себе его
кто ставил уже?
TEHEBOI
А организовать этой приблудой турботаемер нельзя?
Нет. Таймер нужно отдельно ставить.
Есть под мкпп evo-one называется
с этого момента поподробнее… так же просто все? там ведь надо датчики на коробку ставить? и сцепление выжимать…
а у меня привычка на скорости оставлять…
а вдруг датчики через год другой накроются медным тазом — и тогда она как то ружье — ожнажды поедет…
Ну вот тут и есть загвоздка. Обязательно нетраль нужна
ну допустим на нейтраль датчик — поставлю
а как быть с необходимостью выжимать сцепление — обманка?
Я так понимаю evo-one имитирует все что надо. Его ставили на астру с мкпп и все работало
как с ним пообщаться?
www.drive2.ru/l/5136178/
так ответ-то вот какой…
"Evo-Оne — га…но, правильно сделал, что не заказал, почему — не спрашивай, :) проверено лично"
вот подробности
"… все началось с того, что по их схеме не удалось реализовать имитацию выжатого сцепления, а дальше — из 39 программируемых функций в этом девайсе работает только одна — время удаленного запуска …"
Есть под мкпп evo-one называется
а на астру то оно подойдет?
у этого в названии четко про GM сказано
судя вашей логике Astra не gm?
я про evo-one
evo-one нет с маркировкой GM как на EVO-ALL-GM
Что мешает купить ONE+ нужный переходник?
на самом деле переходник такой же — прямо на инструкции, которая шла с моим THAR-GM1v2 была картинка — предупреждающая, что для этого переходника надо отдельно купить либо EVO-One либо EVO-ALL
мое понимание EVO-ALL — работает с большим количеством марок
а EVO-One — существует для каждой марки отдельно… иначе в чем разница между ALL и ONE (по логике)
all для акпп
one более новая версия, с поддержкой мкпп и кучи других настроек. я детально не изучал
EVO-One на картинке изображе как больше в полтора-два раза чем EVO-ALL
в наше время все уменьшается…думал наоборот One более старая разработка
Поздравляю с установкой!
И еще Сергей, прости что в субботу не смог помочь, если бы приехал один, то хоть весь день тебе посвятил! Но рад что смог помочь хотя бы удаленно.
разбираться с нуля мне не в первой…
особенно зная, что в принципе это возможно
так что теперь все в гости к нам!
Мощно!
на самом деле не сложно для пытливого ума!