Перепост из моего блога.
Когда-то я уже устанавливал автокорректор на ASX и, вспоминая сколько было потрачено усилий ради маловыразительного эффекта, инсталляция на свой автомобиль постоянно откладывалась.
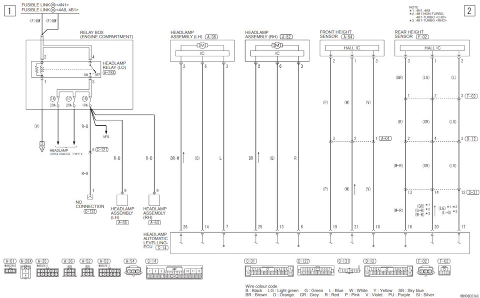
Но вот, все же, я купил датчики положения подвески и напросился к snif85 в гараж на установку.
Передний сенсор был куплен от Эволюшена. Он отличается лишь лапкой крепления и усиленным болтом, для которого я заблаговременно немного увеличил заготовленное отверстие в рычаге.
Поддомкратил машину, снял колесо и установил датчик без проблем.



Намного сложнее оказалось правильно проложить проводку для него.


Задний датчик был от Делики Д:5, он абсолютно такой же. Для его установки тоже пришлось заранее немного посверлить. Дело в том, что рычаг когда-то менялся, а на новых нет отверстия для крепежа сенсора.

Резьба была забита грязью и покрылась ржавчиной, пришлось воспользоваться WD-40.
Монтаж заднего датчика тоже не представляет сложностей.

Вытаскиваем резиновую заглушку и протягиваем проводку в салон, предварительно сняв боковину дивана.

Надо сказать, что проводки для автокорректора на моем автомобиле почти не было. Она была лишь от заднего датчика до колодки у ног водителя. Но так как блок управления установлен по правой стороне за бардачком, я решил протянуть три провода напрямую по правому порогу. Старые пины вытаскиваю, изолирую и оставляю на будущее. На их место ставлю свои.


Далее занялся проводкой под капотом. Нужно было тянуть по три провода к каждой фаре и еще три провода для переднего датчика. И вот, все девять проводов протянуты до блока.
Ответный разъем для переднего датчика найти не удалось, поэтому взял пару с идентичными пинами и переставил проводку в нее.


После этого предстояло долгая пайка пинов для разъема блока. С этим я тоже успешно справился.
Дело за малым — активация автокорректора. Подключаю ноут, меняю кодинг и вот заветная картинка на приборной панели.


Теперь при изменении наклона кузова моторчики корректора весело жужжат. Осталось лишь убрать колесико ручной настройки и воткнуть туда какую-нибудь интересную кнопку.






Комментарии 53
Купил себе полный комплект для установки автокорректора. Теперь вот думаю вся ли у меня проводка… Лансер 2007 г.в.
Проверить не сложно.
Привет! столкнулся с проблемой на рестайле 2012 года 1.6. Отсутствие проводки от той которая между ног до подкрылка задней двери. Можешь дать сему распиновки . На оба датчика. А желательно полностью на подключение. Датчики от раллика. Блок 65 или 68. Точно не помню.
Привет.
Спасибо
девайс нужный.
а блок управления от делики ставил или от фортиса? просто первый от фортиса у меня работать не стал, а от делики поставил, все норм стало.
Блок 055-й. Странно, что первый не заработал. Я и от фортиса тоже подключал — все работало.
первый был фортис 8634А013, второй 8634A009 делика. я грешу, но то что оба датчика высоты от делики стоят. может в первом варианте не подружились они ))))
Датчики одинаковые. Отличаются лишь крепежом и проводкой.
Сергей, вопрос такой. В муте афс и автокорректор диагностируются в одном меню, а блоков то два. Как они запросы между собой делят?
В рестайлинге функционал объединили в один блок.
В дорестайле насколько я понял автокорректор не имеет кана?
На сколько это дорого?
Около 10 т.р.
Молодец, по доп-наворотам твоё авто впереди планеты всей)
Спасибо :-)
А, кстати, оно при самодиагностике на старте моторами тоже жужжит и световое шоу лампами устраивает? Вроде должно.
Нет, штатный автокорректор ведет себя скромно. Хотя, возможно, где-то в настройках это есть — еще не разбирался.
Воу, а мне казалось, что проводки у CVT для автокорректора вообще нет. Ну хоть что-то, к заднему датчику не придётся её тянуть.
Уж лучше бы под капотом проводка была.
Да уж, с этим не поспорю. Но что поделать.
И каков бюджет?
Около 10000 руб.
А реально ощутимо что то изменилось?
Просто теперь колесико корректора крутить не нужно.
Ну для ленивых)
Ну а с практической стороны я так понимаю ничего не изменилось?
Машина быстрее ехать не стала :-)
А жаль!
Вот лентяй, холодов дождался =)
Ну не летом же этим заниматься :-)
Ну не зимой же =)
Подожду пока похолоднее станет, займусь суппортами :-)
а что у тебя с ними?
Надо профилактику сделать. А может какие-то другие поставлю.
Я за второй варик), где менять знаешь))
Угу :-)
круто. ! хорошая работа!
Было сложно решиться на это. Очень уж большой объем работы.
очень полезная установка, возьму на вооружение!
8614A035 заглушка коректора с индикатором
Ага, видел такую.
а зачем он?)
Что б я знал :-)
что он делает?, то что ты знаешь это уже понятно) че ты там собрался корректировать)
Автоматически регулирует направление светового потока в зависимости от положения кузова авто.
капецццц) ну это сильно) приближаемся к премиум класу молодец)
я думал у тебя давно стоит корректор. С проводкой только не понятно, вроде 2.0 4WD там вся проводка должна быть.
На механике есть проводка. На варике только под задний датчик.
чего только нет на лансе( жаль пустые все идут
Зато есть чем заняться :-)
Круть! Но работа не из лёгких)
Да уж. Больше года собирался с силами :-)
Круто молодец.