Полез пощупать шланги ОЖ, уходит у меня на большой круг или нет. И увидел печальную картину.
Скоробки на правый привод фигачит масло, левый походу пока просто потеет.
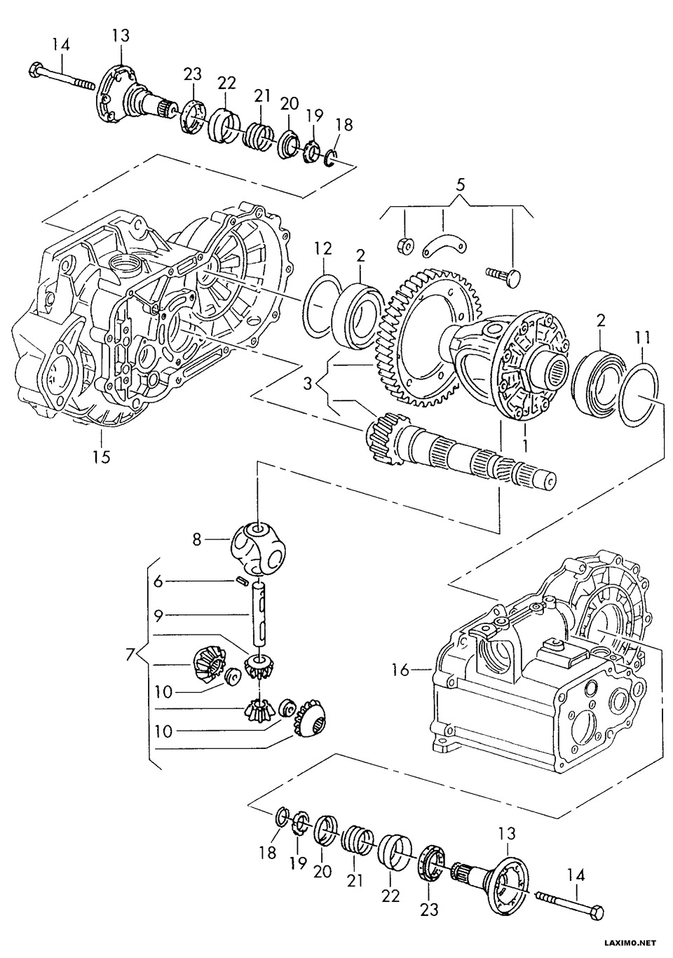
По схемам нашел номер сальника 020301189T (№23 на схеме) и судя по поиску на драйве это он.
Коробка DUW
Прошу помчь
подтеки масла с кпп
с комментариев к записям в бж надо поменять №18 на схеме N90 564 501 и №19 020 409 374 может развалиться при съеме.
Что ставить? Febi? Swag? corteco, кстати кортеко 2 номера как аналоги пробиваются.



Комментарии 46
А Кольцо пружинное стопорное №18 на схеме, VAG N90 564 501 ОБЯЗАТЕЛЬНО МЕНЯТЬ?
привет. какой в итоге сальник дифа поставил? как ведет себя?
ммм. так дальше в бж я рассказывал )) сваг и поставил.
сначала норм, потом вроде засопливел. Думал менять. но масло с коробки уходило вообще чуть. На днях какахены с привода отмыл. вроде норм пока )) привод сухой боле менее
в торопях спросил ) блин, и какой тогда брать? )) надо будет теперь уже прикупить дин ключ. окупится при замене этих сальников.
хз ))) я бы наверное кортеко попробовал )))
Sasha-dac
в торопях спросил ) блин, и какой тогда брать? )) надо будет теперь уже прикупить дин ключ. окупится при замене этих сальников.
еще и съемник возьми сальников, отверткой тоже ковырять, спец съемником ипался … еще и подбери оправку под сальник, тоже не на каждом углу и купи еще медное кольцо про запас, мое было дриснутым, и по записям часто оно тоже.
ок, спасибо! какой съемник посоветуешь? кольцо как у тебя AW02004090374? оправку диаметром 65?
Я себе на будущее такой купил, но снимал не им. Ято. Код на фото виден. Да или такое кольцо или другое, я в бж оба привел . Второе у меня про запас лежит. Оправка 65 66 вроде . Не помню точно по сальнику подъберешь
ок. у него по крайним точкам 85 мм? то есть одной частью упирается в корпус кпп, а другим зубом изнутри выдергивает одну сторону сальника? я в этом дилетант ))
да
тогда быть этому съемнику самодельным )) у нас на заводе сделать на чип станке на раз из 4ки такую штуку, в точности повторив. тем более это нужно на один раз надеюсь )
Godmask82
да
наверно еще желательно новые гайки шрусов поставить. какой лучше заменитель оригинала N 90587602?
я не менял болты, ты с таким подходом еще и картоновое кольцо на шрусе поменяй )))
))) думал об этом. Но чё конь цена на такую фигню. А гайку где то слышал что типо при каждом снятии надо менять. Я недавно так то менял ступичный подшипник. Там новая была в комплекте.
ааа. затупил )) я про болты подумал )) но гайку тоже старую оставил. да хз. я не заморачиваюсь по гайкам сильно ))) если хочешь заменить, купи хоть что. имхо
Sasha-dac
))) думал об этом. Но чё конь цена на такую фигню. А гайку где то слышал что типо при каждом снятии надо менять. Я недавно так то менял ступичный подшипник. Там новая была в комплекте.
кстати сегодня смотрел на привод свой, как я от какахенов оттер его, он сужой уже 2 дня. а до этого был как будто в пленке маслянной. походу подзасрался сальник и стал держать вообще отл ))
заказал кортеко. но могу еще отказаться. что же ставить? )) слышал негативные отзывы по картеко?
Побежать может всё. Бери кортеко. С ним меньше шансов. У меня сваг. Поначалу сопливил. Щас сухо
Ок )
При замене сальника .
Масло сливать надо с коробки ?
да сливается, в мануале написано "Пoдлoжить пoд кoрoбку пeрeдaч приeмную ванну." то есть масло побежит.
ну я так и так масло собирался менять. стоят 2 баклажки оригинала по литру.
скачай себе с торентов эльзу. там все подробно расписано и с моментами )
Хорошо )
я бы посоветовал не паниковать и заказывать детальё, А понаблюдать недельку. Если прям — польется из КПП на защиту — то ремонтируй. Щас на СТО проверь контрольную пробку — есть ли там масло (у меня прям побежало) То не нужно заказывать сальник привода КПП. Посмотреть там дело не хитрое d-a.d-cd.net/e8bfa1as-960.jpg Снять пробку с МКПП можно болтом M10 с гайкой. или шестигранником на 17. Сильно не затягивай пробку обратно А то силуминовый корпус МКПП может треснуть (гдето Момент затяжки 30 Н как у свечей).
ну недельку ждать … походу недельку ждать надо было пару месяцев назад ))) там правый привод свежие потеки, а на левом, уже старая какашка.
На сто ехать это денежку платить, если ехать на сто. Тогда и менять уже все сразу, че 10 раз кататься.
Посмотреть и на стоянке можно. Только надо защитный экран скинуть. Шестигранник на 17 у меня есть спецом покупал масло поменять. Момент для моей коробки 25, я все резьбовые затягиваю нужными моментами)))
gotdotnet
я бы посоветовал не паниковать и заказывать детальё, А понаблюдать недельку. Если прям — польется из КПП на защиту — то ремонтируй. Щас на СТО проверь контрольную пробку — есть ли там масло (у меня прям побежало) То не нужно заказывать сальник привода КПП. Посмотреть там дело не хитрое d-a.d-cd.net/e8bfa1as-960.jpg Снять пробку с МКПП можно болтом M10 с гайкой. или шестигранником на 17. Сильно не затягивай пробку обратно А то силуминовый корпус МКПП может треснуть (гдето Момент затяжки 30 Н как у свечей).
Да, момент 25Нм
меня вот интересует номер 22…что это за гильза, и должна она быть с двух сторон? за что отвечает? и какова ее необходимость?!
02K301192
www.drive2.ru/l/8374307/
Не окончательный вывод, что это с коробки. У меня это место тоже мокрое было летом. Потом прошло. Думаю лишняя смазка из приводов была. Позже уровень масла в КПП я проверял — оно в норме. Хотелось бы фото на саму коробку со стороны колеса. Если весь корпус в масле — то да, оно. Правда у меня не так жидко было. Короче наблюдай. И слушай пятую передачу. 5 передача выше находится и первая лишается масла. Если на 5 передачи загудело — масло с коробки уходит.
Измени заголовок. у тебя написано "Сальник коленвала" а это в моторе а не в коробке. На фото у тебя привод к коробку. Правильно "Сальник привода КПП"
ок. поправил заголовок )) сенкс.
Про 5 передачу я в курсе, когда на 8 остался без масла она завыла, но когда стал сальник менять там масло не было от слово совсем.
Тоже только левый сильно потеет (
Тяжело менять ?
совсем нет. забивать немного не удобно (при условии что привод весь не вынимать не откручивать от ступицы)
А левый и правый сальник
Номера одинаковые ?
у меня разницы не увидел… в елкатсе рисует одинаковые на акл
Тогда за Сваг или Кортеко !
с кортеко не понятно 2 кода ((
сам думаю между свагом или элрингом
ставил на прошлую машину кортико, отличный вроде…хотя и эрлинг тоже ни чо
кортико выдает 12016928 и 12016928B и вот какой хз
Elring 527858 по цене норм )))
кортико у нас по 200 р, а эрлинг 160…ваще копейки
Godmask82
кортико выдает 12016928 и 12016928B и вот какой хз
Elring 527858 по цене норм )))
Я недавно себе ставил кортеко 12016928B. Честно говоря протекает он… недавно заглянул под днище…а там ууууххх… короче заказал 2 оригинала! надоело туда лазить уже!
Чтобы не возвращаться к этому узлу, я бы поставил оригинал. Муторное дело всё это менять.
ну так то да, но только 750 против 200-300. я судя по всему надо менять оба. Да и VW сам же не делает сальники всяко или кортеко или сваг в оригинале
Судя по фото не сильно течет у меня На уазе вообще все масле даже не проверяю уровень
у меня на 8 так выдавило сальник на шток кпп, узнал об этом когда завыла коробка. Когда сняли старый, в коробке масла не было от слова ВООБЩЕ. Но обошлось заменой сальника и заливкой масла, повезло. На октахе встрять на коробку не хочется. Как бы не так критично, на чем ездить есть )))
Если бы 1 машина была и надо было ездить, то наверное снял бы экран и просто бы доливал масло.
не критично можно ездить только уровень в кпп контролировать
да как то в -25 фигово его контролировать. еще и экран левый грязезащитный снять надо((
еще и масло доливать на него тратиться
надо заказывать 2 сальника и в сервис загонять
правильно, ездить и бояться, это больше на здоровье потом потратишь не то что денег и времени!А так лучше сделал и забыл)))