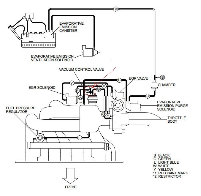
При покупке авто постоянно выдавало ошибку 401 клапана ЕГР и после сброса ошибки она снова возникала. Клапан ЕГР из выпускного впускной был отсечен. Полазив по схеме и посмотрев бортовик с ЕГР связывал один единственный соленоид.
Вот этот соленоид.

Полазив по форумам и узнав что его сопротивление обмотки должно быть в пределах 20-40 Ом. Замерив свой выдало за 100 КОм. Разобрал сам клапан и промыл балончиком очистителя для карбюраторов каналы клапана.



Соленоид был полностью в пластике и было подозрение в обрыве цепи. Выплавил детским выжигателем по дереву внутренние контакты и сами проводки соленоида. Замерил тестером сопротивление на проводках и был удивлен сопротивление обмотки показало порядка 30 Ом. Меряю на клемниках больше 100 КОм. В итоге как оказалось пропал контакт в месте обжима провода с клемником.



Залудил все и спаял проводки с клемниками и появилось нужное сопротивление на клемниках. Залил расковыренное место герметиком и собрал обратно клапан.



Далее снял все остальные трубочки системы ЕГР и также промыл очистителем карбюратора вместе с другими клапаночками и грязи вытекло не мало. затем продул все сжатым воздухом и собрал на место. ВНИМАНИЕ при промывке продувке одной из трубочек находится ограничитель потока (маленькая втулочка с отверстием с маленькую иголку НЕ ВЫДУЙТЕ И НЕ ПОТЕРЯЙТЕ ЕЁ)по схеме она обведена красным кругом.

После промывки и продувки проверьте проверьте проток через этот ограничитель.
Собрал все обратно. Оставил заглушку на клапане с выпуска в пуск. УРАА победа и ошибка 401 ушла и больше не появляется. Как оказалось бортовик понимает сопротивление клапана и в случае не совпадения допустимого диапазона и выдает эту зловредную ошибку 401.

В итоге сэкономил на покупке нового клапана ЕГР и убрал светящийся ЧЕК.






Комментарии 27
Ошибка РО455 у меня в блоге это то что вам надо
Что не так у вас с егр?
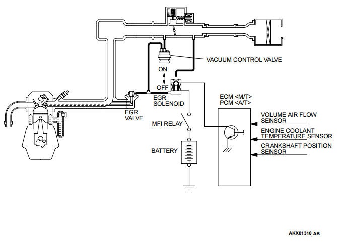
Ну незнаю…у меня без уловителя паров…вот такя схемка еще есть…
Подскажи а что это за вторая картинка?походу у меня не хватает деталей на егр)
Это сам клапан в разборе.
А вторая схема? Тоесть последняя картинка. У меня просто помоиму как на второй схеме все
В первой схеме впринципе тоже самое только добавлена ветка улавливания паров бензина из бака.
yangerofficial
А вторая схема? Тоесть последняя картинка. У меня просто помоиму как на второй схеме все
Во второй логика указана
Получается есть два вида егр?
Он у вас ошибку дает?
Да пишет не достаточноя вентиляция
Это другой датчик у меня тоже такое было
yangerofficial
Да пишет не достаточноя вентиляция
Пополоскал его в бензине и промывкой для карбюратора промыл внутрь впускного колектора место куда он ставится
yangerofficial
Да пишет не достаточноя вентиляция
Это по сути дыхание с картера…может с первого раза не помочь.я два раза мыл…тьфу…тьфу…уже год прошол…не появлялась эта ошибка.
Мыть вот эти что красным отмеченым?
Сам датчик мыл в бензине аккуратней в отверстия сильно не дуй и не тыкай туда там мембранка не испорти. А место эту камеру хорошенько с балона для чистки карберов…там тоже отверстия в них и дул. потом пердела машина правда…изза надутой туда жидкости с балона…просто прогазовал и все…ничего страшного
Мыть то что отмеченно красными линиями?)
yangerofficial
Мыть вот эти что красным отмеченым?
После первой помывки через две недели выскочила. А после второй по сей день норм.
А мыть то что отмеченно красными линиями?))) или что то другое или еще?))
С мобилки стрелку не нарисовал.там ты не промажешь…в этом месте от единственный датчик.проверь еще проходимость трубки от клапанной крышки к коллектору в этом месте только чуть ниже датчика.может утебя трубка непроходима.
yangerofficial
А мыть то что отмеченно красными линиями?))) или что то другое или еще?))
yangerofficial
А мыть то что отмеченно красными линиями?))) или что то другое или еще?))
Датчик под дросельной заслонкой?
Не смешно…
Там датчиков штук 8. И каждый раз разный показываешь. Есть датчик на впускном колекторе
Показал в начале датчик и его посадочное место.во вторм слкчае ьрубку веньиляции картера и ее подключение.
yangerofficial
Там датчиков штук 8. И каждый раз разный показываешь. Есть датчик на впускном колекторе
Среднее фото это тоже что и последнее