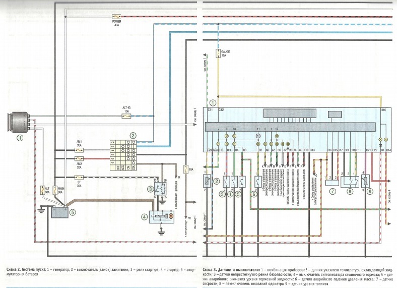
У меня вопрос (возможно я тупой, но…). Какой ума лишенный составлял схемы эти из книги? На них же половина не понятно, потому что криворукие чёрный провод (минус) частенько меняют на красный с полосками разными… Как пример — посмотрите на схему ближнего и дальнего света. К лампочкам подходят с двух сторон красные провода, эта как бл*ть? Та же схема, тот же участок — реле дальнего и ближнего света, берут минус, кидают его на электромагнит (тут всё норм), так и надо, но этот же минус кидают на 30 контакт, где должен быть +, т.к. + в разрыве должен быть, а при срабатывании эл.магнита реле — не в разрыве и идти на лампочки через предохранители, а не минус через преды бл… Зла не хватает
Комментарии 12
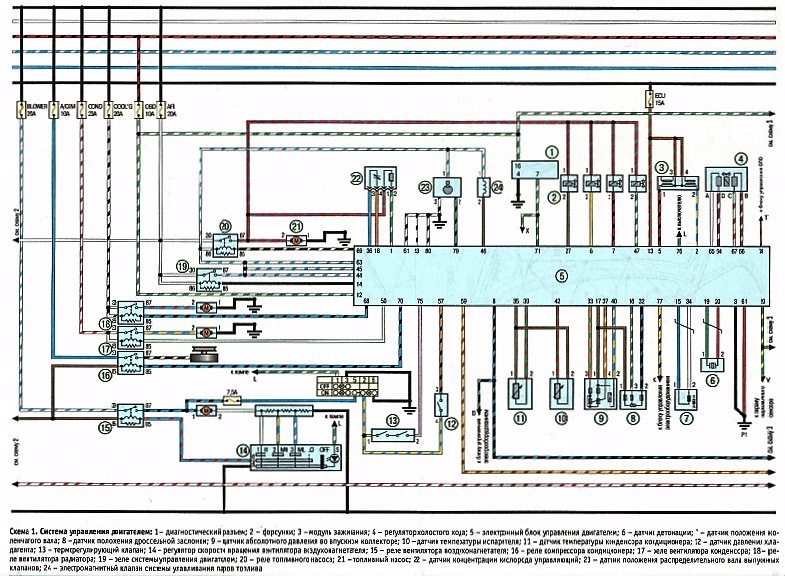
Всём доброго дня. Помогите найти реле, отвечающее за обогрев з.стекла джили мк. Предохранитель нашёл, говорят ещё реле отвечает за работу обогрева.
У меня вопрос (возможно я тупой, но…).
Какой ума лишенный составлял схемы эти из книги? На них же половина не понятно, потому что криворукие чёрный провод (минус) частенько меняют на красный с полосками разными… Как пример — посмотрите на схему ближнего и дальнего света. К лампочкам подходят с двух сторон красные провода, эта как бл*ть?
Та же схема, тот же участок — реле дальнего и ближнего света, берут минус, кидают его на электромагнит (тут всё норм), так и надо, но этот же минус кидают на 30 контакт, где должен быть +, т.к. + в разрыве должен быть, а при срабатывании эл.магнита реле — не в разрыве и идти на лампочки через предохранители, а не минус через преды бл… Зла не хватает
День добрый, помогите слепому, ткните пальцем где к блоку управления подключается ДТОЖ.
Ты можешь мне скинуть оригиналы изображений, заранее спасибо)))
omelyankozak@gmail.com
СПС за книгу и схемы.
Благодарность!
Схема разбита, что не всегда удобно для пользования, есть целиком в формате pdf. yadi.sk/i/8M-Z0rmUqYYfS
а почему не выложить сразу книгу, откуда сделали скриншоты?
Нужна книга?
Мне нет, а людям у которых нет схемы — думаю очень даже.
Ок. Сейчас будет.
AlexTheBear
Мне нет, а людям у которых нет схемы — думаю очень даже.
Вот yadi.sk/d/oBvN4P1cqYKnb книга полностью