После установки камеры заднего вида, организация подачи питания на неё неоднократно видоизменялась и совершенствовалась… Сделан уже не один десяток этих чудных поделок для одноклубников… Замечаю что многие драйвовчане и сами успешно пользуются моими наработками в этом вопросе… я конечно ни разу не против… для того, собственно, и постил))) НО! дело в том, что с момента последней записи прошло уже достаточно много времени и информация утеряла свою актуальность =)
Предыдущие версии:






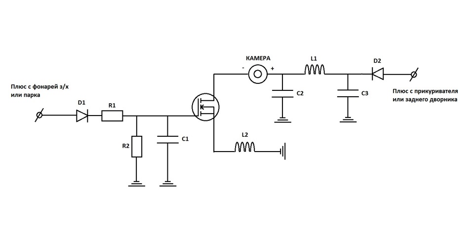
Делюсь последней версией данного девайса. Думается мне, что она будет последней ревизией потому как дальше модернизировать её более смысла нет:
— модуль стал универсальным… годится для работы камеры как по подаче питания на фонари з/х так и синхронно с активацией штатного парка.
— модуль стал компактным… за счёт использования smd-компонентов и отказа от реле в пользу мосфета.
— модуль стал максимально дешёвым по себестоимости компонентов.




Размер платы ровно 2х3 см. Очень удобно размещать просто примотав к основной косе электропроводки.
С одной стороны 2 провода для подключения камеры, с другой 3 для подключения к авто — питание, земля и управляющий (фонари з/х или штатный парк).
Чутка позже я освоил фоторезист и сплав розе, что несомненно положительно сказалось на эстетической составляющей этого вопроса)))


Схема:

R1 — резистор 100R типоразмер 1206
R2 — резистор 43К типоразмер 1206
D1 и D2 — диоды типоразмера SOD-123
C1 и С2 — танталовые конденсаторы 10мкФ типоразмер 3528 (В)
С3 — танталовый конденсатор 47мкФ типоразмер 6032 (С)
L1 и L2 — дроссели 2,2мкГн типоразмер 1812
ну и N-канальный мосфет в корпусе SOT-23… я использовал BSS138LT1G
Макет платы в Sprint-Layout можно взять здесь — yadi.sk/d/dBawkU0PwHgUow





Комментарии 105
здравствуйте. данное устройство продается ?
Добрый день!
Нет.
Чтобы разрыв питания был по "+" надо нагрузку включать в цепь "истока" а не "стока", чтобы минус был на земле, а для этого нужно включить в схему одноканальный драйвер верхнего плеча.
Вот так? — www.drive2.ru/l/526975033545850899/
😁
Добрый день, не работает у меня ваша схема. Разрыв питания камеры у вас по минусу, а не по плюсу, а минус питания у любой китайской камеры соединен с землей провода видеосигнала. Таким образом "минус" питания камеры у вас всегда соединён с землей, т.е. корпусом а/м, т.е. минусом аккумулятора. Камера всегда включена.
Добрый день, можно ли купить уже готовый модуль? В СПБ отправите ?
Здравствуите, можно ли купить уже готовый модуь? если да то сколько стоит?
Здравствуйте, хотелось бы приобрести у вас это модуль. Возможно ли?
Здравствуйте, хотелось бы приобрести у вас это модуль
Здравствуйте, хотелось бы приобрести у вас это модуль
Здравствуйте! Можно ли ещё приобрести ваше изобретение?
День добрый, ваш модуль убирает помехи на камере при заведенном двигателе, тойота пруль? Если нет то подскажите самый рабочий вариант пжл.
Сколько будет стоить модуль и доставка до Казани
я так понимаю для камеры, у которой минус питания соединен с оплеткой(экраном) видеокабеля не подойдет данная схема?
Ведь экран соединяется в ГУ уже с корпусом.
Если ещё актуально, есть желание купить, отпишитесь пожалуйста
Есть желание приобрести)
Хочу приобрести
Здравствуйте, можно ли заказать у Вас модуль, сколько это будет стоить с доставкой в Лен. обл. и способ оплаты.
Как приобрести у вас модуль ?
Привет, замучался с камерами зх, отрубаются и все, дальше не подключаются, на лада калина 2, 2014г.в., помогите подключить правильное питание, камера подключена к ммс 2190, раньше подключал на прямую к фонарю заднего хода, и когда отрубилась, новая тоже не хотела подключаться, замерил мультиметром на фонаре зх, напряжения толком не было, но фонарь горел. на ммс темный экран при включении камеры.
Как правильно подключить питание камеры, кроме реле конденсатора(на сколько?), диода(какого?), питание реле подключить к фонарю зх, через конденсатор и диод? а управлющий провод в реле к постоянному плюсу? массу камеры прикрутить на постоянную к кузову?
И как найти готовый модуль подходящий к моей авто?(сомневаюсь что найду радиодетали в своем городе, заказывать через али долго) где качественные на али или других интернет-магазинах? дайте ссылку.
День добрый! Хотел бы преобразит у вас модуль…как с вами можно связаться?
Привет! Хотел бы приобрести, сколько будет стоить с пересылкой в Германию.
Привет! Можно приобрести, на опель астра. Сколько стоит?
Бро, не знаю как тебе больше написать, у тебя компания недоступна на д2 больше. Ты вроде как несколько дней назад на барахолку выложил крепы для астры для птф, черкани мне в личку плиз, как увидишь. Я бы купил.
Привет! Из за того что перевожу страницу в бизнес аккаунт пока нет возможности отправлять сообщения пришлось временно создать другую. Сейчас делаю в порядке очереди, через неделю готов буду отправить тебе. Напиши по возможности, страница будет доступна
Как приобрести?
я бы приобрел
еще есть в продаже?
Сейчас ещё можно купить такой прибомбас?
Да
А цена?
Хотел бы приобрести данный модуль. Как это сделать? Skoda a5 2011
Добрый день. Как можно приобрести данный модуль?
Добрый день и я столкнулся с такой проблемой как помехи на экране от камеры, особенно когда крутить руль, можно и мне у вас заказать такой модуль сглаживания помех, какая стоимость вашего модуля?
Добрый день, можно приобрести готовый модуль?
Да
Добрый день! Прошу прислать макет платы в в Sprint на почту p-fury@yandex.ru/ Заранее благодарю))
Добрый вечер, очень хорошее исполнение :) Присоединяюсь к просьбе прислать макет платы в Sprintе.
Pipelazz@yandex.ru
С уважением
Станислав
Напомни в понедельник вечером в л.с.
Добрый вечер, можете прислать макет платы в Sprint-Layout
С уважением Виктор.
Думаю стоит указать куда мне её Высылать)))
Добрый день. А задержка выключения у этого модуля есть?
Да
Хотелось бы 8-10 сек. На Пассат СС подойдет? Установил к штатной голове китайскую камеру. Там в комплекте был модуль с задержкой. Все работает, но блин задержка 27 секунд. И никак ее не сократить, поэтому ищу модульпитания с маленькой задержкой.
10-12 сделаю — не проблема)
BezzzPaniki
Думаю стоит указать куда мне её Высылать)))
Добрый день, вышлите пожалуйста макет платы на адрес noch_ka_71@mail.ru
D1 и D2 — диоды типоразмера SOD-123
а на сколько они?
Можно макет платы?
Добрый день, можно преобрести готовый девайс?
www.drive2.ru/market/offers/106651
пиши в л.с.
Сколько стоит?
Добрый вечер, можете прислать макет платы в Sprint-Layout
Можно плату в спринте?
Можно
Не очень понял зачем весь этот огород? Реле с конденсатором и диодом плохо работают?
Сам прыгаю с подключением камер, чешу репу…
круто а можно мне выслать на почту Макет платы в Sprint-Layout
Спасибо за схему.
решил и себе питание камеры организовать по вашей схеме. У меня только вопрос по дросселям, в наличии есть минимум 4.7 мкГн. Правильно я понимаю, что они тоже подойдут в эту схему?
Нет… не пойдут.
Номиналы мне расчитывал очень умный человек… я сам до сих пор ничего в индуктивности не понимаю)))
У меня тоже была проблема с поиском нужных.
а плата с комплектом деталей без пайки сколько будет?
www.drive2.ru/market/offers/106651
платы отдельно не продаются
Спасибо за схему.
НЗЧТ ;-)
Можешь мне спаять? Сколько стоит?
www.drive2.ru/market/offers/106651
Сколько стоит модуль? Можно в личные сообщения.
www.drive2.ru/market/offers/106651
Я правильно понимаю, что этот модуль заменяет www.ucdsys.ru/?page_id=350
Нет
А спаять такое можете и выслать почтой ?)
Да. Написал в лс.
BezzzPaniki спасибо, по вашей схеме споял, все работает.
Отлично! =)
А какой у платы ток покоя?
а где на плате хоть один потребитель тока?
Добрый день! можно Ваши критические выводы по поводу этой схемы?
Боюсь, что нет…
Рисовал схему и расчитывал номиналы мой приятель.
Но на мой дилетанский взгляд это перебор)))
Мне не совсем ясна необходимость всей этой обвязки, которая стоит после мосфета на питании камеры… Ваш мосфет коммутирует питание на камеру с прикуривателя, где нет ШИМа… Вы же не на 50" ЖК панель изображение выводить собираетесь! какие там помехи?!)))
В любом случае, если сделаете, как на Вашей схеме — хуже не будет =D
… но вот надо ли?)))
Готовлюсь потихоньку к тАинству установки камеры на фокус жене. Где твою схемку нашел, уже и не помню, где-то на драйве. Спаял, всё работает.
Такой вопрос, а сколько должна быть задержка на отключение? Просто паял по схеме "второй ревизии", у меня задержка получилась 5.5 сек, (реле другого типа). Показалось много, уменьшил емкость кондера, стало 2 сек.
А сколько надо? Мож и не надо было перепаивать?
1 сек за глаза хватает)))
всё правильно ты сделал! — ёмкость подбирается исходя из сопротивления катушки в используемом реле.
Спс!)))
Хорошо попробую
Подскажи пожалуйста, поставил в фонари заднего хода диодные лампы и при включении заднего хода на экране появляются помехи, когда фонари не горят картинка четкая. Такой модуль сгладит помехи? И сколько будет стоить модуль?
www.drive2.ru/market/offers/106651
скорее всего да, но для начала попробуй бросить землю с камеры на кузов под болт… предполагаю, что сейчас она у тебя к земле фонарей прикручена.
думаю, что это исправит ситуацию.
а можно у тебя уже готовую заказать ?
можно! даже в наличии одна вроде есть… пиши в л.с.
Взять что ли у тебя схему да передалать под перед))
дак особо смысла-то в этом нет… зачем? тот, который ты сделал практически ничем от последней версии не отличается кроме размеров…
Я и сам по прежнему с коробочкой гоняю)))
Спасиб, в закладки)
всегда пжалста)))
Заменил бы ранний вариант на модернизированный))) Цена?
не припомню, чтоб я тебе такую штуковину делал)))
в общем пиши в л.с. — правилами сайта запрещены подобные обсуждения в комментах.
А зачем он?
Ты меня пугаешь!)))
Это актуально только при наличии штатного экрана мафона от РП7. Он отключается позже чем пропадает питание с камеры… в итоге мы видим на экране всякую ересь — шумы, помехи, синий экран. А эта вещь создаёт задержку питания камеры таким образом, чтоб все эти помехи мы не видели. Ну и питание, подаваемое на камеру стабилизирует… технически его можно брать даже оттуда, где есть ШИМ… хоть и не желательно)))
"Ну и питание, подаваемое на камеру стабилизирует…" И чем же стабилизируется напряжения? Что то я в схеме стабилизаторов не увидел!
Хорошо… Перефразирую — сглаживает! Кондеи и дроссели.
Планета Запчастей
А зачем он?
поправочка… для РП86 тож годен)
Я не понял. Для чего она нужна? С камерой вроде идёт уже она!
читай предыдущий коммент — там разъяснил.
Вишли мне плиз. Хотя я уже спаял с реле.
пиши свою почту в л.с. — скину!
А омыватель камеры как при этом подключается?
Он не завязан с омывателем ни коем образом. Если нужна работа омывателя камеры только при включенной R, то ставь электроклапан от ВАЗ)))… все, кому омывайку жалко так и делают =)
пять баллов) пиши в личку че куда отправить) очень давно такую штуку хочу)
в л.с.
Молодец, полезные наработки. Совершенству нет предела!
Предела, конечно, нет, но дальше совершенствовать попросту нецелесообразно… будет сложнее, дороже и абсолютно неоправданно! =)
Это самый, на мой взгляд, рабочий вариант.