
Всем привет, сегодня я напишу о том, что мечтал сделать последние полгода, но не позволяло, то отсутствие свободного времени, то время года (теплым гаражом пока не обзавёлся).
Кто читает мой блог, тот мог заметить, что за последний год количество нештатной электрики в салоне моего авто сильно приросло:
Подсветка улицы в двери
Доп. прикуритель с кнопкой + 220V в машину
Ниша для зарядки в штатное место в подлокотнике
Подсветка мини-бардачка и блока предохранителей
Подогрев руля + кожа (часть 1)
Интегрируем USB, AUX и зарядку в панель
ДХО — вкл/выкл от ручника. Часть 3
Подсветка замка зажигания
Доработка сигналки (автотушение огней и др.)
Тюнинг наружных зеркал. Поворотники + подсветка крыльев
Вежливый/провожающий/встречающий свет (+видео)
Nexus 7 / CarPC. Перезагрузка (часть 1)
И количество проводов, доп.предохранителей, блоков и релюшек по мере внедрения всего этого, начало расти с геометрической прогрессией. То, что начиналась в виде безобидного "кинуть пару проводов", в итоге переросло неконтролируемый хаос и попросту колхоз. :) Для одного только блока света нужно было прокинуть 10 проводов от плафона, дверей, приборки; еще больше для CarPC, а ДХО работало от кнопки и двух огромных реле, ну и т.д.
(Уточню, что тут я говорю только про салонную часть проводки, под капотом всё более-менее адекватно и этого пока не касаюсь.)
Ну и в общем в один прекрасный весенний день я психанул и решил закрыть этот вопрос.
Для начала купил за 200р блок предохранителей ВАЗ на 9 предохранителей среднего размера (увы, с маленькими, как у штатного Nissan-овского блока, не продают).

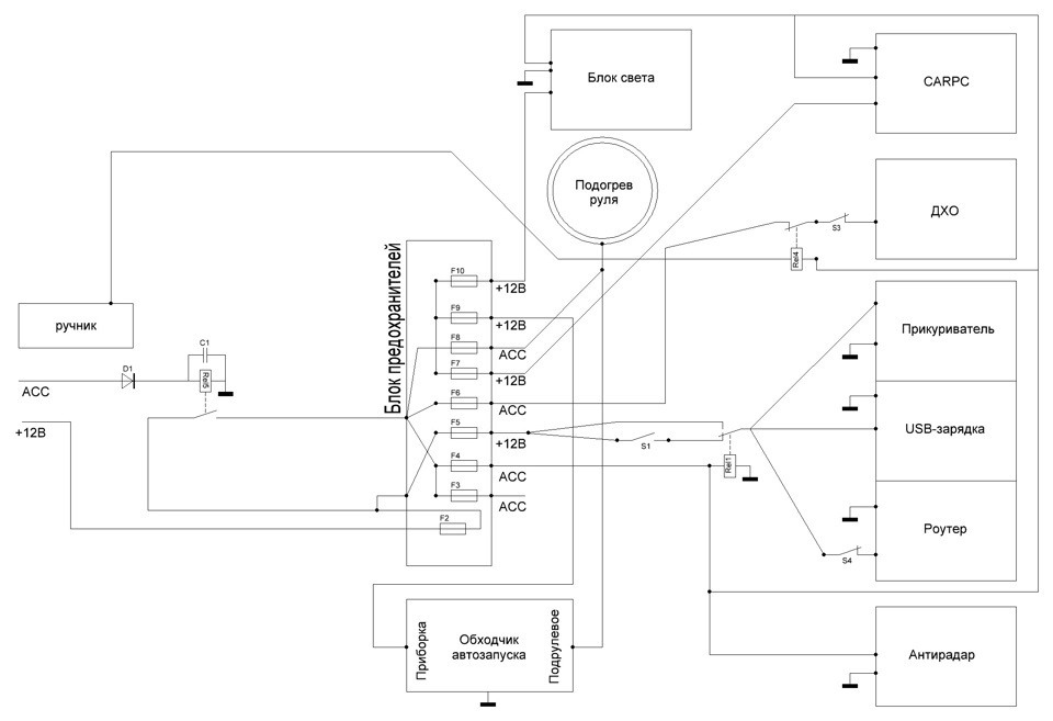
Затем разработал общую схему подключения, чтобы понимать, что я делаю.

Тут стоит оговориться, что помимо проводки проходящей через новый блок предохранителей, существует еще масса другой "сигнальной" проводки, например сигнализация, концевики, дверей, ручника, замка зажигания и т.д. — всё это осталось вне схемы, но всё это пришлось заново перетягивать, красиво укладывать и подсоединять.

Далее необходимо было выбрать корпус для доп. блока, порывшись в своем хламе на свет божий был извлечен ADSL-модем Zyxel — в свое время старичок давал жару и славился простой настройки и стабильностью работы в сравнении конкурентами, но в наше время 4G и оптоволокна, оказался на свалке истории. Но это лирика, сам корпус мне подходил, а его кишки пошли на запчасти. Осталось только доработать сам новый блок предохранителей и познакомить их друг с другом.

Обрезав всё лишнее, в т.ч. нижнюю часть с нишей куда можно было засунуть четыре запасных предохранителя, блок был вклеен в новоиспеченный корпус. Сразу запараллелил необходимые контакты, по задумке у меня один крайний предохранитель будет общий, т.е. от него запитывается схема и все остальные предохранители, таким образом он "играет" на подстраховке у всего остального блока. Заказал из Китая туда пред на 40А, пока же стоит на 30.
Оставшаяся часть блока делится на предохранители до и после АСС, т.е. 4 предохранителя стоят на постоянном плюсе с аккумулятора, а другие 4 работают после включения АСС. Забегая вперед скажу, что согласно схеме АСС сделано так, что не пропадает в момент завода двигателя, т.е. всё оборудование запитанное после этого блока не будет моргать, выключаться и прерываться во время кручения стартера. Кто-то скажет минус, а для меня это 100% плюс.

Далее снял размеры с корпуса, набросал и вытравил схему:

Подключил всё:

Собрал:

Отдельно стоит сказать про разъемы используемые под выходы проводки — это 6-pin штекеры питания используемые на видеокартах для реализации доп.питания. Было использовано 4шт., один на вход питания и три на выход. Чтоб не вставить провода не тот разъем, в каждом штекере кроме первого, убрано по одному pin'у (у каждого свой), а освободившееся отверстие было залито суперклеем с содой, у ответной фишки, соответственно тоже отрезана ножка, таким образом получился "ключ" и не в тот разъем фишку при всём желании не вставишь.

Далее сделал "сопутствующую документацию" :)



Ну и пошел подключать это всё к авто. Хотя как пошел, поход мой затянулся на неделю ежедневного времяпрепровождения в машине по нескольку часов, днем и ночью. )) Перетягивал практически всю нештатную проводку с нуля — с плафона, с дверей, с приборки, брал сразу провода с запасом, чтобы правильно всё уложить, везде где существует возможность трения об металлические детали и различные острые края — проклеивал карпетом провода и кузов, пропаивал все соединения и скрутки и т.д. С большим удовольствием я разбирал некоторые старые сопли и делал всё по-человечески. :)
В качестве базового питания для доп.блока предохранителей использовал проводку, которую еще в прошлом году кидал с аккумулятора — 4мм сечением — для всего хватит сполна. Сама проводка имеет предохранитель около аккумулятора 50А + общий предохранитель доп.блока в 40А, о котором писал выше.
Как я уже сказал, процесс не фоткал, да и нечего особое фотографировать — просто море проводов. Приведу только результат в формате ДО/ПОСЛЕ:


Крепить блок в салоне практически негде, так чтоб и провода удобно протянуть и относительно быстро иметь доступ, чтоб предохранитель заменить, поэтому тут. Панель нижняя на двух болтах снимается довольно легко. Блок света закрепил чуть глубже на корпусе испарителя.

Проверил — закоротил пару проводов — всё отработало, как надо, я доволен и умиротворён. :)






Комментарии 28
Скажи пожалуйста для чего конденсатор с1 ?
не помню, скорее всего он сглаживает падение тока в момент запуска двигателя — обычно АСС пропадает когда мотор крутишь и всё что на нём висит моргает или вырубается, а этот кондер держит релюшку при кратковременном проседании тока и АСС не пропадает.
Добрый день. Работа достойна восхищения! :-) Подскажите пожалуйста — судя по Вашей схеме, постоянный + будет на предохранителях 5,7,9,10. Откуда приходит питание на 5й я вижу, а вот как запитаны 7,9 и 10 не вижу…
Подскажи номинал конденсатора, который использовал на реле ACC, чтобы во время пуска не пропадало питание
если используется большое автомобильное реле на 40А, то 10000мкф 16В, оптимально — 25В
Нуда, вольтаж лучше побольше, с запасом
Кайф! Нужно тоже себе такую красоту замутить! А то у меня такой блок установлен кишками наружу и провода все просто с мамами :(
электрик-порн)
оцтой и полная хня. преды должны быть по всей машине и ни в коем случае не подписаны. скрутки на синей изоленте, а провода одного цвета"""
устрой ад следующем владельцу)))
RusLi
оцтой и полная хня. преды должны быть по всей машине и ни в коем случае не подписаны. скрутки на синей изоленте, а провода одного цвета"""
))) ну как-то так, правда насчет одноцветных проводов, каюсь, грешен, ассортимент цветных проводов найденных в местных лавочках не перекрывает и половину потребностей, поэтому за цветами особо не гнался, буду ориентироваться на описание распиновки разъемов.
RusLi
оцтой и полная хня. преды должны быть по всей машине и ни в коем случае не подписаны. скрутки на синей изоленте, а провода одного цвета"""
а зачем вообще что то изолировать? можно вообще просто так под коврик затолкать да и всё))
моя школа! ))))
Вот это Маньяк! Как всегда все красиво.
Кстати, ты клеммы по машине обжимаешь или паяешь?
обжимаю и немного припоя капаю.
Вот это подход! Ну просто одни восхищение))
Рукодельник! Ну просто не перестаю удивляться тебе и твоим изобретениям! Молодец! Выше всяких похвал! =))
Убрал наконец эти "макароны" под рулевой колонкой))
спасибо ))
мегазащита))
Класс!) а я даже курсач по электронике сдать не могу(
:)
Работа…
Вот это подход👍, все по фэн-шую сделал
ничего себе была борода! как на тазике под торпедо))
не видел )
Респект!
Красиво сделал. Предохранение — залог здоровья!