На момент запуска бензиновые двигатели VEA 3-го поколения предлагались в вариантах HP (High Performance) и MP (Medium Performance). Позже появится вариант LP (Low Performance), о котором расскажем в отдельной статье.
Модификации и технические характеристики двигателей

Сторона впуска, двигатель высокой мощности (HP)

1. Пробка маслоналивной горловины
2. E-charger
3. Узел дросселя
4. Охладитель наддувочного воздуха с водяным охлаждением (WCAC)
5. Пассивный перепускной клапан для E-charger
6. Стартер (до 2020W45 включительно)
7. Маховик
8. Водяной насос
9. Компрессор А/С
10. Топливный насос высокого давления
11. Модуль встроенного стартера-генератора (ISGM)
Сторона выпуска, двигатель высокой мощности (HP)

1. Пробка маслоналивной горловины
2. Каталитический нейтрализатор
3. Охладитель EGR
4. Труба EGR
5. Клапан EGR
6. Маховик
7. Байпасный клапан турбокомпрессора
8. Турбоагрегат
9. Привод перепускного клапана
Сторона впуска, двигатель средней мощности (MP)

1. Пробка маслоналивной горловины
2. Узел дросселя
3. Стартер (до производственной недели 20W45 включительно)
4. Маховик
5. Водяной насос
6. Компрессор А/С
7. Топливный насос высокого давления
8. Модуль встроенного стартера-генератора (ISGM)
Сторона выпуска, двигатель средней мощности (MP)

1. Электрический привод перепускного клапана
2. Байпасный клапан компрессора
3. Турбоагрегат
4. Каталитический нейтрализатор
Система клапанов
Особенностью системы клапанов бензиновых двигателей VEA 3-го поколения является привод с помощью роликовых толкателей и гидрокомпенсаторов аналогичный тому, который используется на дизельных двигателях (ранее применялся прямой привод через толкатели в виде стаканов).


На ранних версиях бензиновых двигателей VEA 3-го поколения (автомобили до производственной недели 2020W45 включительно) устанавливалась система отключения цилиндров CDA (Cylinder deactivation), которая могла отключать цилиндры 1 и 4 с целью снижения расхода топлива. Это было реализовано за счет наличия скользящих кулачковых блоков на впускном и выпускном распредвалах.

1. Привод скользящего кулачкового блока системы отключения цилиндров
2. Уплотнение распределительного вала
3. Клапан
4. Пружина клапана
5. Роликовый толкатель
6. Выпускной распредвал
Каждый кулачковый блок для цилиндров 1 и 4 имеет два профиля: обычный и цилиндрический (без кулачка). При нормальной работе цилиндра, на роликовый толкатель воздействует обычный профиль кулачкового блока (рис. 1) и происходит открытие клапана. Когда цилиндр отключен, привод перемещает кулачковый блок в сторону, и роликовый толкатель теперь контактирует с цилиндрическим профилем (рис. 2). Это приводит к тому, что клапана не открываются.


Электроприводы скользящих кулачков установлены на крышке клапанов и подключены к электронному модулю управления двигателем (ECM), который управляет функцией отключения цилиндров (CDA). Для одного цилиндра используются два привода: один для впускных клапанов и один для выпускных клапанов. Цилиндры 1 и 4 могут отключаться и включаться только вместе (т.е. нет режима работы на трех цилиндрах).
Приводы имеют два положения и могут оставаться как в активированном (рис. 1), так и деактивированном положении (рис. 2). Когда привод получает сигнал от ECM, один из двух штифтов будет активирован и вытолкнут в Y-образную канавку на кулачковом блоке распределительного вала. Один штифт обеспечивает перемещение кулачкового блока для отключения цилиндра, а другой штифт обеспечивает обратное перемещение кулачкового блока для включения цилиндра. Для возврата в деактивированное положение штифты выталкиваются обратно в привод с помощью Y-образной канавки.

Масляный насос

Как и на дизельных двигателях, до производственной недели 21W46 масляный насос приводился зубчатым ремнем от одного из балансирных валов.

С производственной недели 21W46 насос приводится в действие цепью.
Датчик уровня масла

Как и на дизельных двигателях, стал использоваться ультразвуковой датчик уровня масла.
Топливный насос высокого давления

Как и на дизельном двигателе, топливный насос высокого давления приводится в действие кулачками на коленчатом валу (ранее приводился от выпускного распредвала).
Максимальное давление в системе увеличено с 200 до 450 бар.
Датчики детонации

Третье поколение бензиновых двигателей VEA оснащаются двумя датчиками детонации (ранее был один).
Турбонагнетатель
Особенностью турбонагнетателей бензиновых двигателей VEA третьего поколения является то, что используется электрический привод клапана ограничения давления наддува Waste gate (на предыдущих поколениях использовался вакуумный привод).
Кроме того, на двигателях средней мощности (МР) выпускной коллектор встроен в головку блока цилиндров.
Турбонагнетатель двигателя средней мощности (МР)

1. Подключение вентиляции картера
2. Впускная трубка масла
3. Подключение трубки охлаждающей жидкости
4. Подключение трубки охлаждающей жидкости
5. Сливная трубка масла
6. Перепускной клапан компрессора bypass
7. Электрический привод клапана ограничения давления наддува Waste gate
Турбонагнетатель двигателя высокой мощности (НР)

E-charger
На двигателях высокой мощности (HP) устанавливается электрический нагнетатель воздуха (E-charger), в котором электродвигатель (48 Вольт) приводит в действие крыльчатку внутри радиального компрессора. Крыльчатка, или рабочее колесо компрессора, нагнетает воздух в цилиндры двигателя. Рабочий диапазон электрического нагнетателя распространяется до оборотов двигателя 3000 об/мин. E-charger активируется не при определенных оборотах двигателя, а по запросу водителя на открытие дроссельной заслонки. Если модуль управления двигателя получает запрос на крутящий момент, мощность и давление наддува, которые не могут быть обеспечены турбонагнетателем, происходит активация электрического нагнетателя.


Электрический нагнетатель устанавливается после турбонагнетателя. Максимальная частота вращения рабочего колеса компрессора составляет 72000 об/мин, а максимальная потребляемая мощность — 5 кВт.
E-charger оснащается водяным охлаждением. Внутри электрического нагнетателя находится электронный модуль ЕССМ (Electric Charge Air Compressor Module), который обменивается данными с ECM по сети CAN.

Непосредственно перед E-charger установлен пассивный перепускной клапан, который направляет воздушный поток из турбонагнетателя в E-charger или напрямую в двигатель. Перепускной клапан представляет из себя механическую заслонку, которая открывается, когда давление от турбонагнетателя начинает превышать давление от электрического нагнетателя. В этом случае воздух направляется в обход электрического нагнетателя (т.е. используется только турбонагнетатель).

1. E-charger
2. Пассивный перепускной клапан
3. Турбонагнетатель
Впускной коллектор имеет встроенный жидкостный охладитель нагнетаемого воздуха (интеркулер), который охлаждает воздух перед тем, как он поступит в цилиндры.


На рисунке показан вариант двигателя средней мощности. Вариант для двигателя высокой мощности имеет аналогичную конструкцию, хотя несколько отличается по внешнему виду. Кроме того, на двигателях высокой мощности устанавливается дополнительный жидкостный охладитель нагнетаемого воздуха между турбонагнетателем и E-charger (см. рисунок пассивного перепускного клапана выше).
Система рециркуляции отработавших газов EGR

1. Трубка EGR
2. Радиатор системы рециркуляции отработавших газов (EGR)
3. Клапан системы рециркуляции отработавших газов (EGR)
На бензиновых двигателях 3-го поколения высокой мощности (HP) используется система рециркуляции отработавших газов EGR. Отработавшие газы после каталитического нейтрализатора направляются на вход турбокомпрессора через радиатор и клапан EGR. Радиатор EGR частично размещен в корпусе нейтрализатора отработавших газов.
Система очистки выхлопных газов
Система очистки выхлопных газов бензиновых двигателей VEA 3-го поколения оснащается каталитическим нейтрализатором с тремя датчиками концентрации кислорода (лямбда-зондами) и сажевым фильтром.

1. Передний датчик концентрации кислорода
2. Средний датчик концентрации кислорода
3. Задний датчик концентрации кислорода
4. Каталитический нейтрализатор
5. Бензиновый сажевый фильтр (GPF)
6. Датчик перепада давления (DPS)
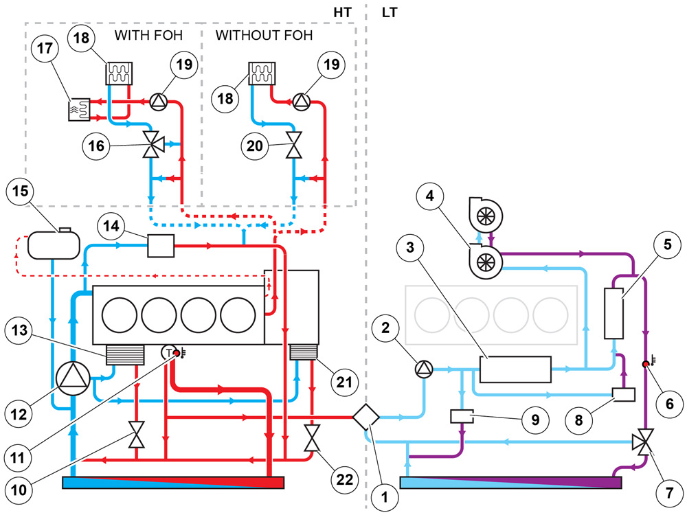
Система охлаждения
Аналогично дизельным двигателям, бензиновые двигатели VEA 3-го поколения имеют два контура охлаждения: высокотемпературный контур (HT) и низкотемпературный контур (LT). Обе системы имеют отдельные радиаторы.


Еще одной отличительной особенностью бензиновых двигателей VEA 3-го поколения является то, что стартер 12 В устанавливался только до производственной недели 2020W45. Начиная с недели 2020W46 запуск двигателя возможен только с помощью стартера-генератора 48 В.
Продолжение следует
Комментарии 24
Добрый вечер! На мой вопрос о приводе масляного насоса -Ремень или Цепь на Вольво VIN LYVUE25D2MB883702, Вы написали -Цепь! Подскажите -Это VIN выдаёт это инфо или Вы по дате выпуска авто определили! Просто очень сильно заморачивает этот РЕМЕНЬ. Спасибо!
Добрый утро!На Вашем автомобиле установлена цепь на привод масляного насоса, определяется по VIN в оригинальном каталоге VIDA
AvtoDepo23
Добрый вечер! На мой вопрос о приводе масляного насоса -Ремень или Цепь на Вольво VIN LYVUE25D2MB883702, Вы написали -Цепь! Подскажите -Это VIN выдаёт это инфо или Вы по дате выпуска авто определили! Просто очень сильно заморачивает этот РЕМЕНЬ. Спасибо!
Добрый день. В данной статье речь идет про двигатели 3-го поколения, которые устанавливаются на "мягкие" гибриды. У вас "обычный" автомобиль с двигателем 2-го поколения В4204Т26. На этих двигателях масляный насос приводится только цепью и не от блока балансирных валов, а от звездочки на передней части коленчатого вала.
Добрый день! Спасибо что так четко и подробно все растолковываете! Подскажите, преобрел xc60 из Китая и прочитав про привод масляного насоса возник вопрос какой же на моём авто. Подскажите VIN LYVUE25D2MB883702. Заранее благодарен!
Добрый вечер!На Вашем автомобиле установлена цепь на привод масляного насоса
Добрый вечер! Неужели так бывает! По документам авто выпущено МАЙ 2021год. Спасибо за помощь! Такое чувство-- как будто сейчас получил ПОЖИЗНЕНУЮ гарантию на двигатель.Получается что мой авто сделан в 22ю неделю 2021 года?
77VOLVO
Добрый вечер!На Вашем автомобиле установлена цепь на привод масляного насоса
Ёще подскажите-- я посмотрел что 21 неделя мая это с 24 по30 мая 2021год. В документах -май 2021г. Мой VIN реально выдаёт — ЦЕПЬ?
Здравствуйте
Что можете сказать про систему CDA (Cylinder deactivation)?
Есть какая информация о надежности этой системы ?
Добрый день. Двигатели с данной системой выпускались сравнительно недолго (всего около полутора лет) и на наш рынок официально не поставлялись. Поэтому, статистики по ним немного. На машинах, завезенных по параллельному импорту, по нашему опыту, никаких проблем с CDA не возникало.
По вашей статье — «На ранних версиях бензиновых двигателей VEA 3-го поколения (автомобили до производственной недели 2020W45 включительно)»
Так что эти двигатели уже давно эксплуатируются.
Просто ещё интересен тот факт, из за чего Вольво с ноября 2020 года отказались от этой системы ?..
Эксплуатируются-то они давно, но их немного, поэтому и статистики нет. А ответ на вопрос "почему отказались?", как правило, лежит в области снижения затрат на производство. Если эффект от какого-то нововведения оказывается незначительным или задачу можно решить новым софтом, то от таких решений отказываются (например, система переменной высоты подъема клапанов на 6-ти цилиндровых двигателях, Power Pulse и т.п.).
Так и думал, что все сводится к удешевлению
YV1UZL1VCL1535184 B5 petrol. не могли бы вы мне помочь? у меня есть ремень или цепь на масляном насосе?
Добрый день!У Вас идет цепь на масляный насос
Только на D420T2 c 2020 по 2024 ставился ремень на маслины насос, на В420T, 2, 10. С 2020 по сегодняшний день стоит цепь
В предыдущей статье про дизельные двигатели 3-го поколения так и написано: ремень привода масляного насоса ставился с начала производства и до конца (2024 м.г.). На бензиновых двигателях, по информации производителя (сами еще не разбирали), до середины 2022 м.г. (производственная неделя 21W46) ставился ремень, но заменить его можно только на цепь. Поэтому в каталоге запчастей VIDA номера ремня нет (хотя картинка без номера раньше была), а дается сразу комплект из цепи и звездочек.
Все понял, я всю виду перелопатил только на D420T2 и D420T8 с ремнем нашол, спасибо большое.
77VOLVO
В предыдущей статье про дизельные двигатели 3-го поколения так и написано: ремень привода масляного насоса ставился с начала производства и до конца (2024 м.г.). На бензиновых двигателях, по информации производителя (сами еще не разбирали), до середины 2022 м.г. (производственная неделя 21W46) ставился ремень, но заменить его можно только на цепь. Поэтому в каталоге запчастей VIDA номера ремня нет (хотя картинка без номера раньше была), а дается сразу комплект из цепи и звездочек.
Подскажите пожалуйста номер этого комплекта с цепью и звёздами.
Нужен VIN
Отправил в лс
Не видим вашего сообщения.
Эмм… В 15:01
И сейчас ещё раз продублировал.
И до этого вы мне уже ранее отвечали там…
Отправили.
модели B5 и B4 имеют скрип в моторном тормозе, как у велосипеда в части генератора переменного тока. ты знаешь причину этого звука? Топливный насос высокого давления?