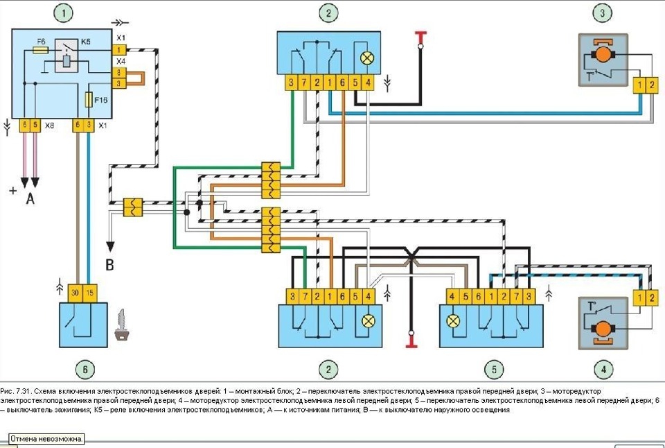
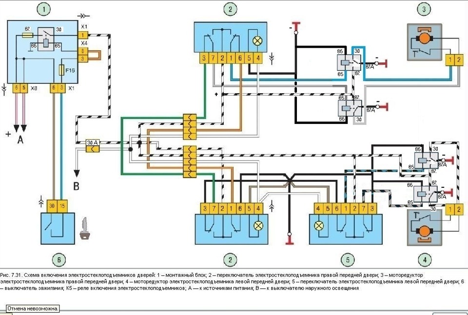
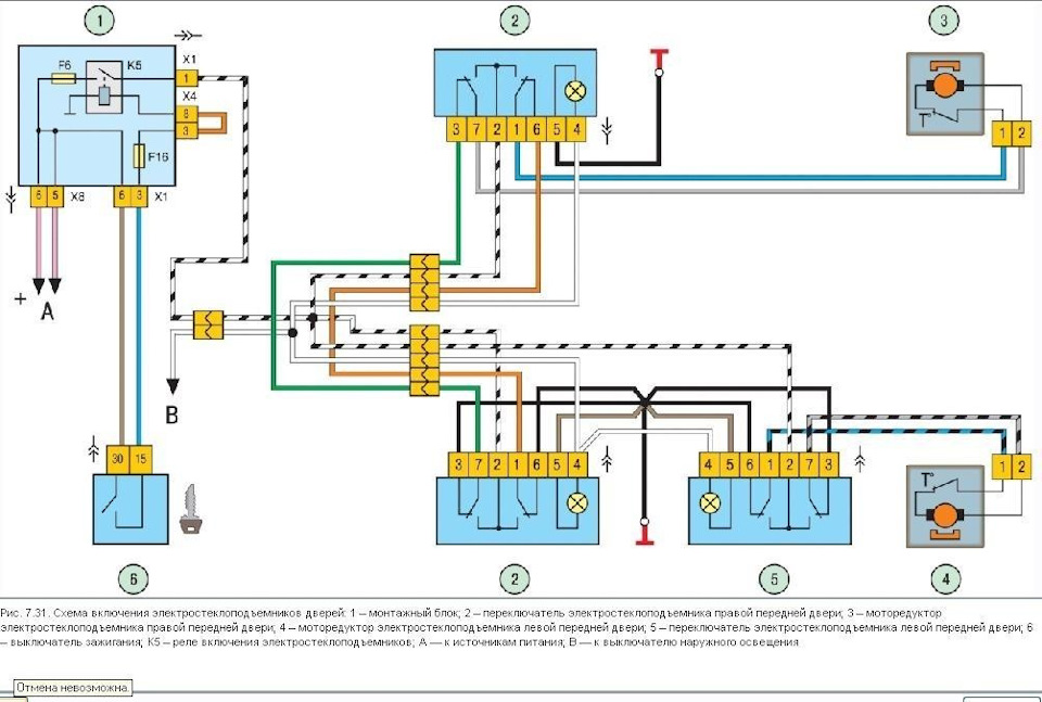
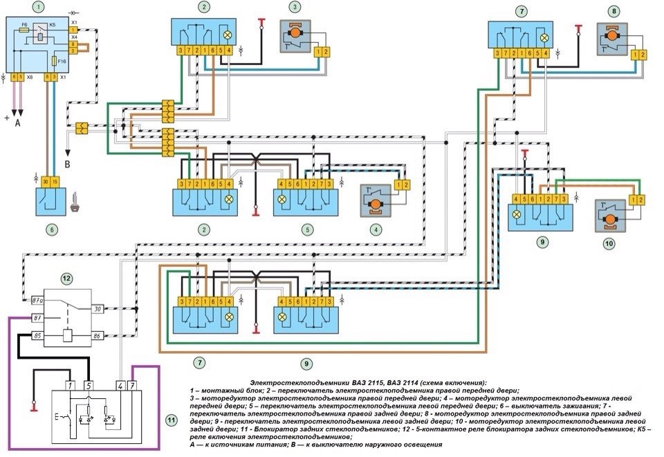
Запчасти
Буфер, амортизация
- Оригинальная продукция Прямые контракты с производителями
- В наличии на все марки авто 1,5 млн наименований запчастей
- По всей России 145 городов с магазинами и складами
Аналоги 4
Производитель
Артикул
Отзывы




















































































































