Запчасти
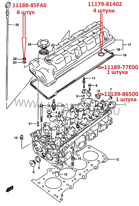
Кольцо уплотнительное свечного колодца
Характеристики детали



- Производитель
- SUZUKI
- Артикул
-
1117981402 - Название
- Кольцо уплотнительное свечного колодца
- Аналоги
- 2 кросса
- Фотографии
- 50 фото
- Упоминания в блогах
- 219 записей
Аналоги 2
Производитель
Артикул
Отзывы
Фотографии
50
Упоминания в блогах 219
Suzuki Escudo (2G)
Suzuki Grand Vitara (2G)
Suzuki Grand Vitara (2G)
Suzuki Grand Vitara (2G)
Suzuki Grand Vitara (2G)
Suzuki Grand Vitara (2G)
Suzuki Grand Vitara (2G)
Suzuki Grand Vitara (2G)



























































































































