




+4
фотографии
По фоткам, думаю понятно!
Я в шоке, и требую компенсацию за использование фото моей машины в таких нелепых и унизительных шутках!
Всем привет и с Наступающим Новым Годом!
Буду краток:
Ищу для начинающего водителя (жены) машину на АКПП!
Только Ауди 84-94 г.в. и только на автомате.
Кузова: B2, B3, B4, C3, C4
Предпочтения: кар…





+1
фотография
Делать нечего, решил написать о покупках.
Напомню, что пришел момент, когда вырвало левую подушку коробки "с мясом" с кузова
Решил модернизировать и нашел на авито ПРАВУЮ опору с подушко…
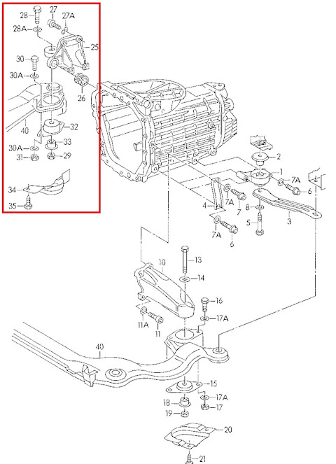
Всем доброго времени суток!
Напомню, коробка 5 ст. мех. AXG
Прошлые хозяева основание кузова (куда крепится подушка) обварили пластиной
и туда ввертели подушку коробки.
Видимо, посадочное место там н…
Доброго времени суток!
Не прошло и три года, как я поставил на учёт свой кабрик.
До этого не было ни возможности, ни лишних денег.
Подтолкнуло меня на это то, что:
в октябре 2016 Дром.ру проводил а…





+4
фотографии
1. Ремень ГРМ НОВЫЙ (147 зубьев) — продано
2. Коленвал, размеры стандарт
3. Коренные вкладыши — продано
4. Шатунные вкладыши
5. Шатуны
6. Маслонасос (качал 2 бара на ХХ на горячую, >5 бар на холод…
Добрый день!
Есть ли спецы, кто поможет разрешить проблемку:
на холодную мотор заводится и работает идеально.
Стоит только ему войти на рабочую температуру, начинает глохнуть при сбросе газа (особе…





+9
фотографий
1. Ремень ГРМ НОВЫЙ (147 зубьев) — продано
2. Коленвал продано
3. Коренные вкладыши продано
4. Шатунные вкладыши
5. Шатуны
6. Маслонасос (качал 2 бара на ХХ на горячую, >5 бар на холодную)
7. Датч…
Поиск
На этой странице
- Работа
- Репост! 1 Апреля, а мне пох! Совсем ох.ели!
- Ищу Ауди на АКПП
- Подушка на коробку — окончание!
- Китайский трамблёр с ВРУОЗом на 5-ти цилиндровый
- Подушка на коробку — часть 3!
- Подписчикам
- Подушка на коробку — часть 2!
- Подушка на коробку — часть 1!
- Поставил на учёт ))
- 4 диска 4х108 15" продам
- Январь 5.1. 5-ц. Куда подключить вакуумник трамблера?
- Установка флешки вместо замка зажигания
- Установка подлокотника
- Куплю выдвижную антенну
- Доработки…
- Запчасти на двигатели NG, NF, AAR Ауди 80/90/100
- Январь 5.1 & 5-цилиндров двигатель NG
- Пропадает холостой ход на горячую после остановок на светофорах
- На двигатель NG, NF, AAR продам ЗЧ






























