




+4
фотографии
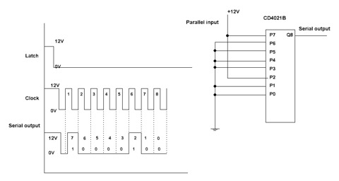
Check Control это простейший блок сбора информации. Простой он из-за того что он реализован на сдвиговых регистрах серии 4021. Многие производители выпускают такие микросхемы. Например TI выпускает C…
Всем привет. В системах управления двигателя есть датчики выходное значение которых это напряжения. Часто в диапазоне до 5 вольт. Удобно было бы иметь простой приборчик что бы видеть не только значен…





+8
фотографий
Скажи нет автоэлектрикам с одним мультиметров за $6 и китайской коробочкой для комп диагностики!
Сегодня я расскажу всё про лямбду. Сказаное в этой статье знают многие в той или иной мере. Здесь я п…





+1
фотография
Раньше я уже заказывал с aliexpress эмблемы. Полазя на aliexpress пришёл к тому что дешевле заказать у нас в Украине. Порывшись на OLX я нашёл эмблемы. Продавец из Одессы. Предложил на выбор 3 эмблем…
Как разблокировать этот режим написано здесь
Проверка моментального расхода на прогретом двигателе:





+2
фотографии
Брелок родной сигнализации на машинах до 92 года.
Отличный добротный брелок. Увесистый. Впечетление что конструкция выкидного ключа не очень долговечна. Нужно быть осторожным при заводе машины, ч…





+10
фотографий
Музей и завод вместе со штаб квартирой находятся возле Олимпийского стадиона. В нескольких станций метро от центра. Вход был 10 евро.
При выходе с метро сразу видно кучу напаркованых великов, а пото…





+15
фотографий
Вот вам "резина БУ с Германии". Стёрта до корда.
Поиск
На этой странице
- Расходомеры с M50 и M52TU. Эталонные значение. Сравнение уровней сигналов.
- Check control. Схема. Принцип работы. Способ передачи данных в приборнуюю панел. Программная реализация и обманка "High" приборки на Arduino.
- Восстановление кондиционера. Набор для перехода с R12 на R134 хладоген.
- E32/E34 блок check control теперь работает с Arduino.
- Устройство для мониторинга автомобильных датчиков в реальном времени. Монитор лямбы.
- Лямбда датчик это просто. M50B25. Диагностика. Видео.
- I can almost guarantee you that your rear subframe will rip out of your 2000 model e46 well before the clutches in a LSD would give up if all you do is burnouts and donuts.
- Замена масла на "синтетику". Mobil Super 3000 x1 5W-40
- Качественная китайская эмблема BMW.
- Новый шланг ГУР на M50 моторы.
- Свечи и наконечники под замену?
- Скрытый режим бортового компа. Диагностические тесты.
- Запчасти от Газели в BMW. Замена дополнительной помпы.
- Родная сигнализация с ИК брелком. … — 10.1992
- Улучшаем ближний свет. Hella — это очень ярко.
- Где продают свои E34 немцы и почём?
- Mюнхен. Музей BMW. Часть 1
- USA style. Габариты в поворотниках — ништяк из штатов.
- Футболки BMW.
- Майские в Мюнхене. Посещение "мира BMW" и музея. Часть 1.



























