После замены передних амортизаторов поехал на стенд сход-развала. Подкрутили чутка углы на задней оси, а вот спереди отрегулировать удалось только левую тягу, так как пару лет назад с этой стороны ме…





+2
фотографии
Доброго дня.
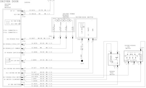
Лежали у меня комплект зеркал с автоскладыванием и околодверной подсветкой. Думал продать, но в итоге решил поставить себе.
Исходные данные: фф2+ титаниум 2010 г. в. с 4 эсп с завода.…
Доброго дня. Кто владеет мототехникой Honda, откликнитесь. Есть пара вопросов…буду очень благодарен.
Поиск
На этой странице
- Как распознать подделку Ford/Motorcraft в 2025 году ч.1
- Резиновая вставка в подстаканники центрального тоннеля
- Ребристые ручки климата от Ford Escape
- Распорка пола центральная
- Отключение подушки безопасности пассажира (дешман вариант)
- Карбоновые тормозные диски
- Галогеновые лампы заднего хода 795X
- Замена правой рулевой тяги с наконечником
- Годные остатки (временно)
- Замена передних амортизаторов
- Хомут пыльника рулевой рейки
- Номера штуцеров тормозных суппортов
- Ненужный хлам
- Установка зеркал с автоскладыванием и околодверной подсветкой
- Ручка КПП, что выбрать?
- Задние тормоза 280мм
- Задние скобы от mazda
- Восстановление верхнего барадачка (вечный вариант)
- Оффтоп, у кого есть мот?
- Регистратор Xiaomi 70 Minutes с быстросьемным креплением












































