




+1
фотография
Для того, чтобы не закрывать номером фонари заднего хода номер надо сдвинуть вправо
Если поставить номер на пластиковую рамку то его можно легко отломать
Для усиления понадобится пластина из крепеж…





+11
фотографий
Скопилось лишнее, очень нужно свободное место,
многое с распила, реально Отличное Техническое Состояние
Руль дорестайл кожа тёмно коричневый, ОТС — 2750 р.
Заглушки сидений третьего ряда серый пласти…





+4
фотографии
Достался бамперок с замятым бивнем
из за этого форсунка стояла очень криво
Снять оказалось очень непросто
Нижние болты сидели насмерть
пришлось болгарить их гайки изнутри
Поиск
На этой странице
- №46. Эстакада из обрезков
- №45. Самый эпичный ремонт
- Нужен совет по термостойким материалам
- №44. 6G74 и Коронафильтрус
- Паджеро-2 в кино
- №43. Карман (бокс) под 1-дин магнитолу для Паджеро
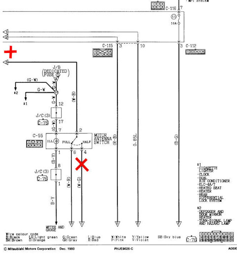
- №42. Управляй своей антенной как хочешь — без всяких ограничений
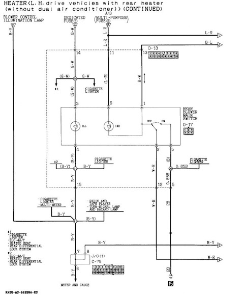
- Хэлп. Задняя печка
- (Временная запись). Прошу помощи знатоков по японской проводке салона (Джидай)
- Спортивная подвеска на Паджеро-2 в заводской комплектации
- Квадратным номерам быть
- №41. Культурная установка заднего номера
- Временно. Разное по салону и не только + раздача
- №40. Ревизия задних тормозов
- №39. Замена подушек крепления кузова
- №38. Муки выбора домкрата
- №37. Добыть бивень
- №36. Вопрос Знатокам. Проверьте, хватит ли?
- №35. Дополнительный разъём
- №34. Встреча с бывшей
















































