Бортжурнал

Mitsubishi Pajero 2007, двигатель бензиновый 3.8 л, 1 л. с., полный привод, автоматическая коробка передач

Свет ЧПУ Автокад
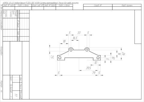
Решил сменить штатный ксенон на Koito dm008. Для этого необходимо основательно допилить штатную раму и сделать переходные пластины. Самый простой вариант запилить рамки ЧПУболгаркой. Но хочется по… 
70
Спальное место
Вдруг кто ищет информацию, как сделать нормальное спальное место в машине. Потому что если просто разложить сиденья, спальное место довольно кривое получается Варианты со спальниками и всякими конст… 
39

Поиск

Опишите одним словом: «колодки», «спойлер»

На этой странице