




+2
фотографии
Начинаем безжалостное тестирование ковриков в салон Element NLC.35.07.210 )). Совсем безжалостным оно конечно не будет, но и жалеть их особо не получится. Испытаем ботинками и песком, и камнями разно…





+4
фотографии
Ставшее уже традиционным путешествие в осеннюю Карелию. Все так же прекрасную, в осенних нарядах.
И небольшая видео открытка.





+15
фотографий
И вновь под колесами приятно похрустывает свежевыпавший снег. Идеально белый, пушистый, легкий. А встречная машина поднимает за собой большущее облако снега, что еще долго приходится ехать в густом с…





+15
фотографий
Начну, пожалуй, немного из прошлого. В Хибинах я бывал не одни раз, но правда очень давно. Почему так, спросите вы, ведь это очень красиво и рядом. Да все верно, но есть моменты, которые тормозили в…





+6
фотографий
Эта проблема уже благополучно решена, но возможно будет полезна тем, кто пока не может ее решить.
Никаких предпосылок не было. Просто в одни прекрасный снежный день, когда очень нужен был полный при…





+15
фотографий
Закончена эксплуатация этих широко известных шин на данном автомобиле. Но, они не погибли в бою с дорогами, не стерлись в труху. Они приобрели нового владельца и продолжать трудиться на поприще покор…





+12
фотографий
Зима, это не только холодно и ветрено, но еще и красиво!
Январь, совместно с Новым 2017 годом, подарил нам все прелести зимы в концентрированном виде. До НГ шел обильный снег с перевыполнением всех н…





+15
фотографий
Небольшое путешествие длинною в день, которое плавно переросло в фотосессию)). Посему — тема фотография).
Итак. Рецепт отличного путешествия.
Много свежего воздуха. Добавьте воды, не жалейте . Море,…





+13
фотографий
Немецкий опорный пункт Bienenkorb (Улей), водопад на реке Титовка, хребет Муста-Тунтури. Здесь была война.





+15
фотографий
Эта история началась в далеком 1943 году. Когда во время обороны п-ва Средний, погиб боец морской пехоты. Война давно отгремела, прошли многие года. И вот, недавно, родственники бойца узнали, что он…




+9
фотографий
Однодневное путешествие на хребет Муста-Тунтури. Погода нам совершенно не благоволила, всю дорогу шел дождь, но план есть план и надо его выполнять. При подъеме на перевал, нас накрыл густой туман и…
Поиск
На этой странице
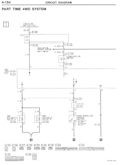
- Генератор. Скачки напряжения. Моргание ламп.
- 4d56t Сальник колевала выдавило
- 4d56t автомат прогревочных оборотов ТНВД
- Дергается машина при нажатии газа в горку
- Коврики в салон Element
- Перетяжка подлокотника
- Чехлы ручек КПП и РК
- Консилиум по выработке на первичном валу КПП
- Карелия в золоте осени.
- На Северо-Северо-Восток от Мурманска
- Лучше гор, могут быть только горы. Хибины.
- Не включается передний мост, полный привод.
- BFGoodrich Mud-Terrain MT2 — разбор полетов
- E-ОСАГО. И меня посчитали.
- Зимний Север в январе
- Муфта включения переднего моста
- Немного с.Териберка.
- Муста-Тунтури, зарисовки с крайнего путешествия
- Никто не забыт, ничто не забыто.
- Хребет Муста-Тунтури, путешествие одного дня


























