Техническая тема.
Тот кто захочет так же посмотреть что там такое в шине CAN рено происходит.
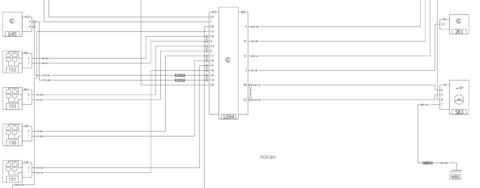
Работает она на скорости 500 kbit/s.
Многие расшифровки есть в этом файле.
файл
вот получилось (пока не з…





+2
фотографии
первая часть здесь Отключение ESP в рено логан
Сегодня знакомый подъехал на новеньком докере, фирма на которую он работает прикупила. Я сразу пошел смотреть, а он соответственно хвастаться )) Сразу з…
Не знаю пока что с этим делать, с помощью ренолинка скачал flash с приборки, с той которая с температурой двигателя.
Пока так, очень большой файл, скачаю так же с приборки что у меня есть и сравню. т…





+3
фотографии
Желтый зленый синий — управление двигателями наклона зеркала.
Коричневый и коричневый — поворотник.
Черный и черный — обогрев зеркала.
А как заменить лампочку поворотника в зеркале рено логан? Нео…





+6
фотографий
Всем здрасте.
Установил опору от кенго, подошла почти идеально, как и говорил она чуть чуть длинней, поэтому я приблизил именно тот момент когда двигатель срывался, когда мы трогаемся нижняя часть дв…
Поиск
На этой странице
- Дерганье двигателя K9K … все решено.
- Замена колодок и дисков
- Топливо, не очень!
- Коротко! У нас есть одна большая ошибка! ИМХО
- CAN bus расшифровка renault
- Борьба с дерганьем двигателя k9k часть плюс какая то…
- Отключение ESP в рено логан ч2
- Дамп Flash приборки с температурой Logan2 ч2
- Дамп Flash приборки с температурой Logan2
- Изменение VIN кода в приборке Logan2
- Распиновка зеркала рено логан с обогревом, замена лампочки в зеркале
- Просто так
- Начудил со стеклоподъемниками
- анонс логан поддержка поясницы со шкоды
- Продолжаю эксперимент со стеклоподъемниками
- Замена передних тормозных колодок
- Защита верхней кромки лобового стекла
- Опора от Kengo на Logan
- Маятниковая нижняя опора K9K
- Приборка рено логан с температурой… сухого кашля нет )))



















































