




+4
фотографии
Всем привет!))
Давно я не писал в бортовой журнал своей Филиции. Честно говоря, не очень то и хотелось. Хотелось скорее продать ее, купить новую машину и заниматься ею. Но у Шкоды другие планы, не…





+5
фотографий
Продаю желтоглазую синюху!)) Страшно звучит… )))
В общем, продаю фелицию, хочу за нее 60 000 рублей. Считаю, что цена вполне достойная, так сказать — "цена = качество". Удивляют люди, ко…





+6
фотографий
Долго я не писал…
И честно говоря ничего с машиной не делал, только иногда снег стряхивал, но иногда. :-)
Пересев на X-Trail я оставил филю зимовать под сугробом. По началу, периодически, я ее заво…





+3
фотографии
Откопал филю из под снега)
Несколько дней не подходил к ней, всю занесло)
Всем мир!)
Почти год назад завладел замечательной камерой Nikon GoPro Be Heho 3 Black Edition.
И вот только сейчас решил плотно подойти к ее использованию, увы, так уж вышло, занят был((( Но теперь понеслось!..…





+1
фотография
Давно хотел поделиться одной мыслью, касается она этого замечательного сайта и людей на нем, но не всех :-)
Часто встречаю такое, когда владелец люксового автомобиля, но в стоковом исполнении, дела…
Давно не писал, много дел навалилось, еще работа и скоро сессия. С машиной практически ничего не делал, не менял, не чинил, не совершенствовал, по причине отсутствия времени. И видимо ей это не понра…





+7
фотографий
Наконец-то сделал дневные ходовые они или габаритные огни, ну как бы они не назывались, теперь они у меня есть!))
Как то давно, решив поменять лампочки ближнего/дальнего света и габаритных огней, об…





+2
фотографии
Ура!) Наконец-то я поменял втягивающее реле стартера!) И теперь моя машина заводиться с ключа) а не проводами на стартере)) Теперь прохожие на улице не будут с подозрением на меня смотреть) Теперь я…





+3
фотографии
Наконец-то поменял контактную группу замка зажигания!
Все совсем не сложно, времени заняло всего 15 минут. Рассказывать особо нечего :-)
Осталось купить и поменять втягивающее реле стартера и машин…
Поиск
На этой странице
- УРА! ПРОДАНА!
- Опять ремонт, ну не удержался)))
- Немного о Skoda Felicia (извиняюсь за повтор)
- А теперь без шуток — ПРОДАЮ!)))
- Теперь желтоглазая!))
- Откопал из под снега))
- Есть одна новость!)
- Осваиваем GoPro Be Heho 3 Black Edition. Часть 1.
- И у меня теперь есть "Фотосет" :-)
- Поменял, а ей все мало…
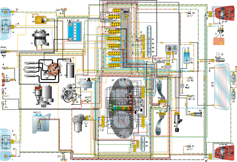
- Схема электрооборудования Skoda Felicia LX 1,3 карбюратор
- She's Alive! Alive!
- Приехали блин…
- Дневные ходовые огни))
- Очередные потери((
- Не мог не написать!)))
- Скромный анонс или тизер))
- Поменял втягивающее реле стартера)
- Как вариант)
- Меняем контактную группу замка зажигания