




+3
фотографии
Началось все в прошлой записи…
Начал искать провод от выключателя заднего хода, от фонаря тянуть показалось далековато, поэтому решил перехватиться в ногах у заднего правого пассажира — это получилос…
Устраиваюсь на работу с машиной, запрашивают какие нить документы по расходу газа патриотом…
у меня гбо в сервисе устанавливали, но может быть кто то покупал машину с ГБО (пропан) с завода и у них ес…
В общем на 6ой год началось вспучивание краски на дверях по низу. да и по левой стороне на плоскости двери от сколов от встречки тоже… в общем ожидаемо.
На седьмой год — краска поотлетала и показалас…




+1
фотография
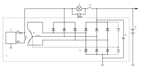
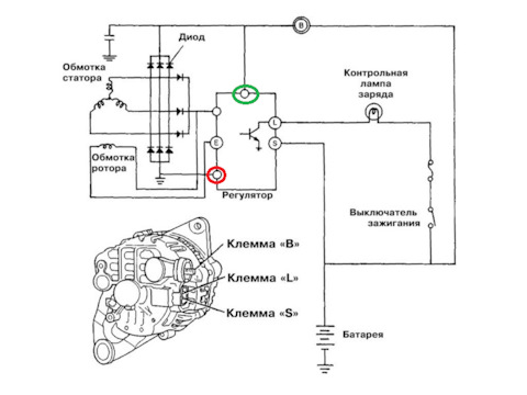
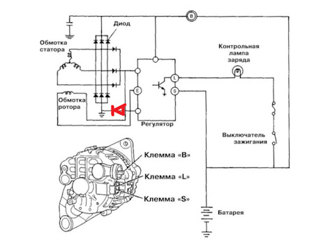
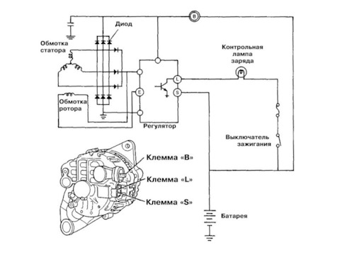
Я смотрю тема про генератор его регулятор и про путь в никуда зашла многим, давайте попробуем еще расставить несколько точек над i
Итак, как обещал где то в комментариях технические характеристики к…





+5
фотографий
Итак, аккумулятор по технологии Ca\Ca прямой полярности ("+" слева) уже закуплен, теперь замена генератора.
Это техническая отчетная запись, ничего тут интересного кроме фиксирования проце…
Вот теперь я хотел бы поговорить на тему — а что же все таки можно сделать с бортсетью и как разрешить этот энергокризис у Гравитации (на то что этим займется завод надежды мало). Заметка будет корот…
Ну что же, вот уже и 2023 год… машинка потихоньку начинает то тут то там ломаться, плюс поломки из эксплуатации… Ничего особо критичного, но денег каждая поломка наверное будет просить…
Первая и сам…
Пробег 106 ткм… 5 лет вместе с машиной… 5 зим…
и каждую зиму, даже наверное с поздней осени по раннюю весну моя Гравитация ссалась тосолом… Он никогда не уходил летом и его не приходилось доливать, н…





+1
фотография
Продолжение…
приехал я значит в сервис…
а там Леха ! (если кто не в курсе последних новостей, можете пропустить)
в общем подразобрали в сервисе немного двигатель…
верхний успокоитель решил раз…
Пробег 106 ткм… только вернулся с рыбалки с Астраханских краев… буквально неделя прошла.
и вот с утра при заводке вдруг загорелся чек…
ну бывает наверное, как раз похолодание у нас было… заглушил, з…
Поиск
На этой странице
- Новая магнитола — Ищем провод для включения камеры, работа без зажигания
- Оглох и ослеп? Значит пора менять ГУ !
- 177 450: Сколько Bosco не катиться, а Viatti настал
- Выжимной, сцепление: Hola, Luc, Озон и сервис
- УАЗ Патриот: Заводское ГБО — какой расход
- GPS найден !
- Ржа меня догнала: А разве у кого то на 7ой год владения не так ?
- Энергокризис Патриота: Field Current Boost: 2 Реле для счастья
- Энергокризис Патриота: Спойлер: Field Current Boost
- Энергокризис Патриота: Снова о генераторе
- Энергокризис Патриота: Колхозинг: Замена генератора
- Энергокризис Патриота: Колхозинг 2: А если по уму ?
- Энергокризис Патриота: Колхозинг: А что можно сделать?
- Энергокризис Патриота: Теория: про генератор
- Энергокризис Патриота: Теория: про аккумулятор
- Энергокризис Патриота: Начало (квест на несколько статей)
- Свежие и не очень косячки. Печалька
- Все что нужно для хорошего сна зимой — сделано
- Новая цепочка, новые резинки…
- Что то не нравится машинке моей…

























