
3 фото
Замутил ДХО
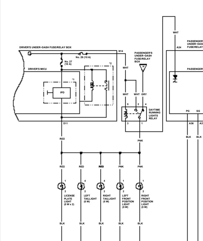
Подключаем комп, действительно ДХО не активны, пытаемся активировать — выдается ошибка, что реле ДХО
, такой финт в принципе деактивирует включение ДХО.
, такой финт в принципе деактивирует включение ДХО.
Бортжурнал Honda Accord (8G)