Занимался я как-то ремонтом системы свечей накала Toyota Hi Ace c двигателем 2L.

Это атмосферный дизель с механическим впрыском, не турбированый. "Мозгов" у него тоже нет. Но за-то, была система предварительного нагрева с "умным" реле, так называемая "система управления свечами накала с реле преднакала". Такое же реле устанавливалось и с двигателем 3L.
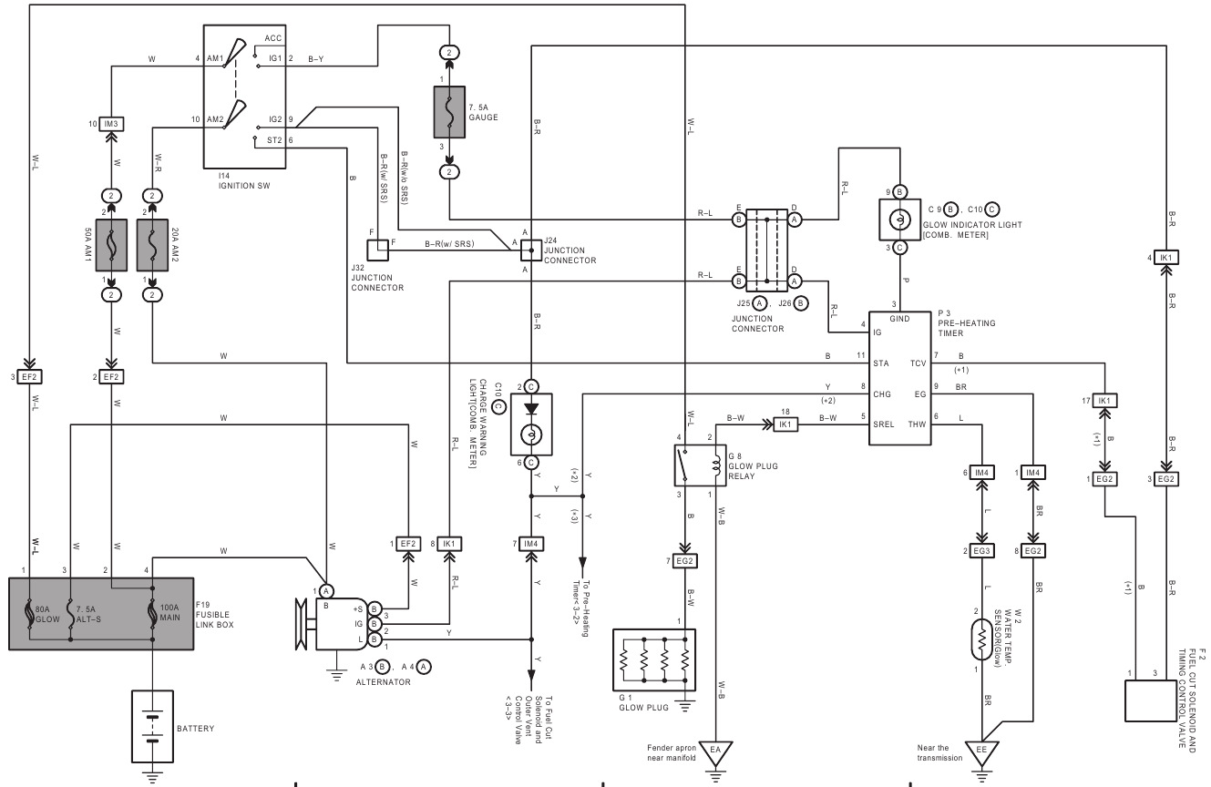
Это реле сделано на базе заказных микросхем фирмы TOSHIBA T2563 и T2333.

Нумерация элементов условна.

В этой системе реализован продвинутый алгоритм управления. Он заключается во включении свечей накала на полное напряжение в момент включения зажигания и после их нагрева в подаче уменьшенного напряжения для более продолжительного подогрева свечей. При этом свечи работают ещё какое-то время, после погасания лампы индикации.

С этими двигателями устанавливались и более простые реле управления свечами накала. У простых реле накал включается только на время пуска двигателя.
На форуме Исходники.ру, в ветке forum.sources.ru/index.php?showtopic=249805, форумчанин SomeOtherOne, разбирался с похожими реле и выложил срисованные им схемы двух имеющихся у него блоков.


На форуме он писал —
"похоже что внутри два операционника (или компаратора)
выводы
5,9 — питание
1 — in(+)1
2 — in(-)1
3 — out 1
4 — ?
6 — out 2
7 — in(-)2
8 — in(+)2
непонятным остается назначение 4-го вывода"
Я не проверял эту информацию, т.к. в моём случае причина была не в реле.


Комментарии 40
Добрый день!
Подскажите какая из микросхем является:
t2563 — первая ступень (на полную мощность свечи)
t2333 — вторая ступень (в пол накала свечи)
или наоборот? И чем возможно заменить?
К сожалению, микросхемы какие-то заказные, либо с собственной маркировкой.
В схеме всё взаимосвязано и с ней надо разбираться вплотную.
Алгоритм работы схемы достаточно простой. Возможно, что быстрее будет разработать свою схему на каком-либо контроллере, чем заниматься изучением всех нюансов этой и подбирать замену неисправным микросхемам.
Окей, чем заменить, нет решения.
А можете по Вашей схеме сказать какая микросхема отвечает за какую ступень прогрева? Просто Вы так далеко зашли, начертили, что и куда идёт, а для меня не совсем понятным остался этот вопрос.
Дико извиняюсь, но, честно-говоря, нет ни времени, ни желания сейчас заниматься декодированием работы этой схемы. Потом, по алгоритму работы компонентов, изобретать электронные узлы для замены. Этой разработке лет 35, она морально устарела. Я ей занимался лет 20 назад. Осталась схема, я её перерисовал с бумажки и выложил.
Тут три пути:
1. Купить готовый рабочий блок.
2. Разбираться самому лично, вникать в тонкости работы компонентов, читать соответствующую литературу, нарабатывать базу знаний и т.п. Я с таких блоков начинал. Не смертельно, но очень долго.
3. Найти квалифицированного специалиста с соответствующими знаниями и мотивацией.
Попробуйте найти ребят, которые с ардуино работают. Это будет быстрее и даже лучше. Т.к. можно будет забить туда любой алгоритм, сделать самодиагностику и ещё вывести кучу разных параметров на дисплей.
Если не будет жалко, то результаты оформить в виде статьи и выложить во всеобщее бесплатное пользование.
Если будет жалко отдавать результаты наработок бесплатно, то оформить в виде готового блока и продавать страждущим по спекулятивной цене)).
Всем доброго времени суток. Подскажите пожалуйста. Двс 2LTE TOYOTA CROWN. Переделанный под механический тнвд. Свечи накала сделаны колхозно (так купил) с принудительным включением с кнопки. Может можно поставить какое-то реле накала(подскажите пожалуйста какое и желательно с распиновкой) которое не зависит от мозгов(наверняка такие должны быть). Потому как не могу найти схему на мой автомобиль и соответственно это реле и как оно управляется. Вроде ребята говорят что сигнал управления идёт с мозгов( но это не точно) и соответственно ни кто не знает как оно выглядит и где располагается. Очень хочется чтобы всё работало от ключа как положено. Ибо хочу реализовать автозапуск.
Не надо ничего колхозить! Всё уже придумано японцами.
Покупаете это реле, маркировка на крышке есть(см.фото), подключаете это всё согласно схеме(см.схему внешних подключений в тексте). И всё начинает работать в штатном режиме — с ключа.
По этой схеме мозги не задействованы. Это реле работает автономно и без всяких проблем.
А там какие-то силовые реле нужны для запитки непосредственно свечей(если да то какие)? Это же я так понимаю модуль управления. Или у него встроен силовой блок?
Нет, силовые реле отдельно стоят. Это только блок управления. Реле можно применить любые, с током коммутации ампер на 60 и выше (на постоянном токе). 40 ампер — это номинальный ток потребления свечей, поэтому, обычные автомобильные реле на 40А там будут жить не очень долго.
Катушки реле должны быть рассчитаны на 12 вольт постоянного тока, естественно.
А 40 ампер это все 4 свечи потребляют? И ещё там в схеме стоит резистор в цепи одного из реле. Какой туда поставить? Может есть номер каталожный или хотя бы по номиналу понимать бы
40А — это ток потребления всех свечей
Резистор встроенный во впускной коллектор. Без него не будет работать система постнакала пониженным напряжением.
Доброго времени. Подскажите пожалуйста нашел вот такое реле с двигателя 2С. Недалеко от меня в области и что самое главное с колодкой и проводами. Но проблема в том что не могу никак найти распиновку для него. По виду они идентичны вроде.
На крышке есть маркировка? Вскрыть и глянуть внутренности.
Вот
Нету под руками схемы на эту машину, поищу на днях. Думаю, что реле это можно подключить без особых проблем. Всё там плюс/минус одинаковое. По внутренностям можно поглядеть будет. Возможно, датчик температуры охлаждающей жидкости соответствующий нужен будет. Остальное должно подойти от HiAce.
Реле силовые родные неплохо бы прикупить комплектом с разъёмами.
Реле думаю поставить 80 амперное под него есть колодки и все дела. Самое главное управление правильно подключить.
Да, можно. Разницы нет, по какой конфигурации амперы пускать, если она на них рассчитана.
Serg-SSV
Нету под руками схемы на эту машину, поищу на днях. Думаю, что реле это можно подключить без особых проблем. Всё там плюс/минус одинаковое. По внутренностям можно поглядеть будет. Возможно, датчик температуры охлаждающей жидкости соответствующий нужен будет. Остальное должно подойти от HiAce.
Реле силовые родные неплохо бы прикупить комплектом с разъёмами.
Буду очень признателен за схему. Я тут увидел тайминг реле с регулировкой от 0 до 600 сек. Но не совсем понимаю принцип его работы(не сталкивался с таким). Выглядит как обычное 5ти контактное.
Это реле — "колхоз" кнопки, но на новом уровне)). У родной системы есть зависимость времени работы свечей от температуры. Там свой датчик стоит. Помимо этого, есть функция пост-накала.
Ну да я тож так думаю.
Imitik
Вот
Похоже вот эта схема. С Lite Ace 1985-1996 годов. Распиновка совсем не совпадает с моей. Пригородить можно, но нужен грамотный электрик, либо, познания в электротехнике и электронике.
Спасибо большое 🤝
Imitik
Всем доброго времени суток. Подскажите пожалуйста. Двс 2LTE TOYOTA CROWN. Переделанный под механический тнвд. Свечи накала сделаны колхозно (так купил) с принудительным включением с кнопки. Может можно поставить какое-то реле накала(подскажите пожалуйста какое и желательно с распиновкой) которое не зависит от мозгов(наверняка такие должны быть). Потому как не могу найти схему на мой автомобиль и соответственно это реле и как оно управляется. Вроде ребята говорят что сигнал управления идёт с мозгов( но это не точно) и соответственно ни кто не знает как оно выглядит и где располагается. Очень хочется чтобы всё работало от ключа как положено. Ибо хочу реализовать автозапуск.
Эта схема попроще, тоже с HiAce. Использует только одно реле, нет добавочного резистора и датчика тока. Вид разъёма и маркировка блока управления мне неизвестны.
Спасибо большое. Надо короче от Хайса искать разъём и релюху 360 и подключать по понятной схеме.
Да, это лучший вариант по трудозатратам. Но можно и не найти… Их модификаций очень много. С одинаковым принципом работы, правда.
Здравствуйте! Может быть вы подскажете куда мне копать?
У меня на таком же таймере от 3L сгорел транзистор, который самый большой, зелёный B708, я его заменил на B708-Y с алика, посадил на радиатор. И вроде даже свечи заработали как надо в два режима, но лампа работы свечей накала на приборке перестала загораться совсем. Релюхи щелкают, напряжение на свечах есть, лампа не горит. Подскажите пожалуйста, в чем может быть дело?
1. Проверьте лампу.
2. Проверьте проводку от блока до лампы.
А можно проверить всё это сразу, либо замкнув между собой к-э VT8 (например, пинцетом), лампа должна загореться. Либо замерив напряжение на коллекторе VT8. Оно должно быть близко к напряжению питания.
Забыл написать, проверял лампу и проводку без таймера, замыкая 3 контакт разъёма на массу, лампа горела.
Но завтра попробую ещё вашим способом. Я правильно понимаю, нужно замкнуть эти два пятака?
Наверное — да. Коллектор-эмиттер найдите и замыкайте.
Транзистор n-p-n, значит, открывается положительным потенциалом на базе. Поэтому, на базе должен быть хотя бы небольшой плюс (>0,65V) и лампа должна гореть. Если его нет, то по схеме смотреть, что закрывает VT8.
Проверил, если замкнуть К-Э лампа загорается, на базе напряжения не увидел. Но только сейчас понял, что мог мерить напряжение в выставленном на мультиметре диапазоне 20В. Напряжение ~0.65В мог и не увидеть наверное. Но ещё обнаружил, что не звонится резистор R31, заказал на замену новый. Как вы думаете, может ли быть дело в этом резисторе?
Поправлю…
Понятие — "звонится", применять к резисторам не совсем корректно. "Прозвонить" можно что-то достаточно низкоомное, либо неопределённого сопротивления — спираль лампочки накаливания, обмотку катушки, полупроводниковый переход и т.п. На крайний случай, так можно выразиться о низкоомных резисторах, когда обычным мультиметром точных результатов не получить, да и не особо нужно. Главное, что резистор не в обрыве, т.е. "звонится".
У резисторов есть величина — это их сопротивление. Оно может вообще отсутствовать, если резистор пробит, например. А может быть больше номинала, вплоть до обрыва.
Поэтому "не звонится резистор R31" — непонятно и поэтому некорректно.
Ну а теперь по схеме: если R31 в обрыве, то напряжения на базе не будет. На переделе "20V" напряжение 0,6V (плюс/минус) покажет любой мультиметр.
Справедливое замечание, спасибо. Имел в виду, что какой бы диапазон не выбрал, мультиметр всегда показывал 1. При том что такой же R39 показывал хоть и не 680 Ом, но больше 500 Ом.
Обычно в схеме у резистора сопротивление будет меньше, т.к. шунтируется другими компонентами. Конкретно в этом узле резистор можно поставить ближайшего номинала с отклонением <img src="20">.
Вообще, если это не прецизионный узел или какой-то узел опорного напряжения, то допускается изменять сопротивления на 20%.
Я заменил этот резистор и лампа ожила!) Но есть ощущение что таймер все равно работает не правильно. Лампа загорается на секунду, если не меньше и тухнет. При этом напряжения ~12В на свечах я не увидел, греются только в пол накала ~6В. Возможно за эту секунду дешманский мультиметр не успевает обновить показания и 12В там проскакивают все таки. А так мало греются свечи в максимальном режиме из-за жары на улице. Но судя по мануалу, при температуре охлаждающей жидкости 30°С свечи должны греться 2 секунды. Даже не знаю что дальше с этим делать, попробую наверное подключить лампочку к свечам и посмотреть, загорается ли она в полную силу. Ну или ждать похолодание)
Можно поступить проще — сдёрнув разъём с датчика температуры. На двигателях 2L — 5L он расположен под впускным коллектором в районе 4-го цилиндра. Датчик, который спереди, отвечает за показания термометра на приборке.
С отключенным датчиком таймер будет работать как зимой.
Без датчика лампа горит дольше, 8 секунд. А свечи греют на 12В 22 секунды. Судя по мануалу, лампа должна 6 секунд гореть, правда непонятно, должна ли первая ступень накала отключаться вместе с лампой.
Нормально. При исправном датчике и низкой температуре как раз будет гореть 6 секунд. Можно подключить резистор с соответствующим сопротивлением вместо датчика (номинал выбрать по графику) и будет понятно, как реле отреагирует.
VT6 — на схеме коллектор с эмитером перепутаны. Спасибо за схему! )
Эх, позор на мою седую голову))) Это ж надо было заметить!..
Спасибо. Исправил).