Доброго дня всем! Валялся винт старый, не нужный. Все интересовало как запустить мотор от него. В гугле нашел схемку на LB11880.

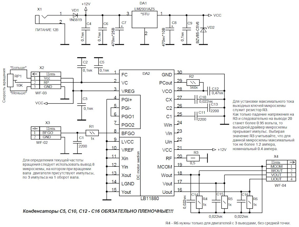
Купил, сделал платку, спаял. Первый пуск, все хорошо прошло, обычно косяков много. Не устроила регулировка скорости, ну это ерунда. Я хочу поставить в место регулятора шим с управление от контролика. Все есть. Схема скачена сhttps://www.drive2.ru/l/2315812/ Собственно вот схема

и

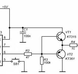
Прошу помочь с шимом для управления скоростью в место резистора. Шим нужен 0в, мотор не крутит. 5в обороты на максимум. Я пробовал по этой схеме

Правда оставил только два транзистора. Работает но наоборот. Индикация к 10 — обороты в 0. Индикация к 0 — обороты максимум.
Сильно не пинайте, делаю что умею. Что не умею спрашиваю. Спасибо. И так, после некоторых методов тыка в небо эта зараза начала работать на прямую от выхода контролика. Но это не всегда бывает В чем причина и как сделать чтоб было как нужно?

Комментарии 35
найти бы такой мотор мощный и на печку поставить, цены б ему небыло
Об этом и речь! Завтра на радио рынок пойду посмотрю моторы подходящие.
я както от сидюка 48х моторчик запускал стандартным драйвером, вертит жуть, крыльчатку к нему зацепил от 80мм кулера крутит гдето 8000 об. с крыльчаткой пытается взлететь но он тяжелый не взлетает )))
Как написано на сайте откуда это скачено, то CD, VHS и другие этого типа можно подключать. Я тоже от 80 прицепил, улетит если не держать.
там в CD моторчике стоит три датчика холла, плюс в этом такой если моторчик остановить руками он раскручивается снова а не стоит на месте и дергается.
Буду экспементы дальше проводить.
А зачем он нужен? Если для вентилятора, то вроде не сильная сторона таких моторов…
осталась не раскрытой тема сисек, тьфубл@, для чего нужен весьма специфический моторчик от винта
А как моторчик вынуть из жесткого диска, может знаете?
Разбираешь и вытаскиваешь. Там только с крышкой поднапрячься надо. И смотри все ли болты открутил. Я один под наклейкой забыл, матов было.
Да я их десяток разобрал, моторчик там так и не понял как вынуть без повреждений
rous52
А как моторчик вынуть из жесткого диска, может знаете?
есть посадка на винтах, есть запрессовка вала
И куда это можно внедрить?
Пока думаю как с винтом от кулера будет крутить, а там видно будет. Главное чтоб работало без перебоя.
ага
Может так попробовать.
Это типовая схема включения может поможет, если у тебя через раз выходит. Кондюк обнуляет проц при включении питания.
Не знаю зачем это, но выглядит прикольно )))
Если все получится то в дальнейшем будет продолжение. И о других проблемах!
слушай да попробуй ты просто процедуру индикации переписать в АТшке. это ж микроконтроллер — там программа есть. вот программу измени. парить себе мозги индикацией, если все остальное работает… :)
или измени надпись над индикатором. введи надпись 1/(1+скорость).
ну или обзови не скорость а "затормаживание". и все.
пусть будет что мотор при 10 будет заторможен на 100%. а на 1 на 10%. а на ноль естественно без тормозов.
и тогда не придется ничего менять — даже программу в контроллере.
В этом я полный ноль. Да и для переписки не чего нет. И в том варианте всего 6 скоростей работает. Тоже свой затык.
ну. тогда поменяй просто надпись. не скорость а затормаживание шпинделя. будет околонаучно, будет повод поумничать перед друзьями (главно чтоб прожженых электронщиков не нашлось а они вьедливые — придется краснеть и изворачиваться что мол не придумал как скорость показать)
:)
Да я тут и так как пионер сижу. Спасибо!
Да чё пинать…красавчик.только я дальше пошел, сваял чтобы на зеркальном блине аналаговые часы с циферблатом светились во время вращения, типа так
слепил 2 ленточки с зелеными светодиодами 8шт приклеил …через коннекторы работает мин 5-7 потом полоски стерлись, встала проблема передачи напруги на вращаюшиеся диоды, считать мотать стало лень и так и валяется где то
Когда работает шум сильный? Я от кулера винт ставил, шумит сильно.
ZArchi
Да чё пинать…красавчик.только я дальше пошел, сваял чтобы на зеркальном блине аналаговые часы с циферблатом светились во время вращения, типа так
слепил 2 ленточки с зелеными светодиодами 8шт приклеил …через коннекторы работает мин 5-7 потом полоски стерлись, встала проблема передачи напруги на вращаюшиеся диоды, считать мотать стало лень и так и валяется где то
Многие, кто видит такую вещь, хотят ее потрогать.
во во эт точно,
а шумит…рядом слышно, а в 2 метрах уже нет, я брал зеленый винт тихоходный 5400 оборотов, а крутил его что то около 900 визуально, скорость вращения хз не мерил
Любопытства ради — где применять моторчик будете?
Попытаюсь в печке. Бред конечно, а там посмотрю.
ШИМ перед транзисторами инвертировать нужно.
Или программу переделать.
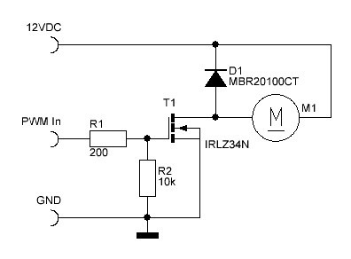
Но лучше поставить как по схеме, ПОЛЕВИК. Он и греется меньше и работает лучше.
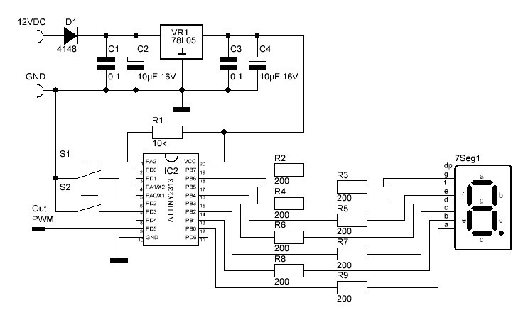
У меня и кт 3102 не греется. С упаравляющего пина тиньки выходит питание. 1ступень 0.99в, 10 ступень 4.81в. В принцепе мотор должен менять скорость. я на прямую соединил с о 2 выводом LB. А он стоит на месте. radioskot.ru/publ/kak_pod…ot_dvd_ili_hdd/1-1-0-1006
У LB управление аналоговое. В тиньке нету ЦАП. На выходе там либо ШИМ, либо просто логические 0/1. Кстати ШИМ это тоже или 0, или питание. Нету у него промежуточных значений. Это не аналоговый выход. Чтобы первратить ШИМ в аналоговый сигнал, надо как минимум интегрирующую RC-цепочку поставить.
Вот я и застрял на этом, потому что не соображаю.
гугл в помощь
cheburat
Вот я и застрял на этом, потому что не соображаю.
например тут
ru.wikipedia.org/wiki/RC-%D1%86%D0%B5%D0%BF%D1%8C
или тут
tel-spb.ru/int_diff.html
Спасибо.