
Может немного не по теме, но:
Во время сварки забора подарил мне сосед не работающий инвентор, ну очень уж маленький)))
НО…НЕ РАБОЧИЙ(((
Загорелся я идеей его восстановить, т.к. у меня есть только обычный трансформатор.
Концы можно.
А так как я не особо в платах шарю может кто подскажет к кому обратиться в СПб или области) или ещё чего.
Аппарат включается, светодиод горит, но нифига не варит, даже искры нет.
Визуально компоненты на плате целые.









Комментарии 66
сложность в ремонте осложняет силовой модуль — который наглухо запаян к основной плате(
Отношусь к тем, кто в электронике не понимает от слова — совсем! Конденсатор от транзистора может и отличу(да и то по количеству ног), но не более того. Ибо всего знать и всё уметь не получается. Из подобных ситуаций выхожу так, потерпит ремонт — найду где сделать. Нужен уже вчера — куплю новый.
Интересно наблюдать за комментами. Четко видно, что те, кто нихрена не умеет и не имеет желания учиться советуют купить новый. Мастеровитые парни советуют починить.
конечно.Отремонтировать его и он еще послужит
Отремонтировал) www.drive2.ru/c/475894472098447726/
Молодец! нет ничего не возможного, было бы желание .
если вентилятор вертится то прозвони выходные клеммы. Если между ними КЗ то это выходные диоды. На аппаратах такого типа они вылетают часто. Тоесть вылетает один из нескольких спараллеленных
на счет ремонта в сервисе стоит денег притом скорее всего за эти деньги даже можно взять похожий аппарат с магаза
да и не так уж там се сложно попробовать можно и самому для начала попробовать сделать с минимумом инструмента
ну можно сказать что если вентилятор заводится значит можно сказать что генератор и выходные ключи целы тогда мерь напряжения в точке24 и 26 если там ничего нет проверь оммметром жива ли обмотка если жива и на ней нету хоть какогонибуть напряжения то тогда проверяй на непропай в задающей части платы ну и резисторы на базе ключей а если напряжение есть в этих точках то обрыв на выпрямителях
также об исправности силовых ключей косвенно можно проверить так : на трансформатор намотать витков 20 провода и в нагрузку лампу ватт на 100(обязательно простую если воткнуть экономку то будет бабах) повесить если ключи и задающая часть жива лампа будет светиться
по моим предположениям при падении на плате появилась трещина вот и нету ничего на выходе посмотри внимательно вокруг трансформатора и чуть плату на изгиб попробуй по крайней мере в упавших элт телеках вокруг строчного трасформатора всегда много трещин
транзисторы посмотри? один по любому пробит! иза перенапруги. в селе живешь? дешманский он у тебя, вот и результат
читать научитесь, чел писал
"А так как я не особо в платах шарю может кто подскажет к кому обратиться в СПб "
а вы про то как самому сделать.
помню круть
sanya12311113
А на СВ сейчас ещё что — то вещается?
Лампочка одна горит(зелёная) или обе?
Александр, ремонт такого аппарата требует помимо желания — опыт, знания, навык в ремонте не электрики, а электроники. Выйдет скорее дорого и не быстро. Поэтому, пожалейте себя и своё время. Не считайте сколько он стоит. Подарите кому-нибудь, пусть человек порадуется.
Вентилятор крутится?
Да.
ну тогда на схеме отсекаешь сразу кусок с вентилятором,
далее проверяешь схему термозащиты .
После этого проверяешь выпрямитель
Если тут всё работает то идёшь по схеме ищешь что стоит на дорожках V_15Vh (скорее всего в норме) и SMH
цепь V_15V_B и V_15V_R можно считать исправной.
Сложные компоненты пропускаешь проверяешь все ризисторы, диоды… Находишь мёртвый смотришь транзисторы с котороыми они связаны их тоже менять 100 процентов.
Если вдруг цепи (нормальная и нет) идут из 1 точки то идёшь от этой точки
если то что я написал сначала в норме то смотри внимательно сюда 99 что там что то найдёшь
огромную лепешку припоя положил на контакты разъема . . .Мдааа. Для себя так делать не надо ) )
кто во что горазд или как умеет))
а там контакты скорее всего могли окислиться под заводским припоем.Надежная пайка получается только на чистых контактах, без окислов
согласен!надеюсь еще одним сварщиком станет больше)))говорит что на корпусе снизу есть вмятина от удара.
хорошо бы, если дефект только в механическом повреждении и все.
посмотрим может напишет починил или нет!
igor609td
Отремонтировал) www.drive2.ru/c/475894472098447726/
Я бы выкупил занедорого.
Чинить его как сварочник смысла особого нет — всё равно сгорит (уж больно маленький).
Одно мучение будет.
А так первый совет — проверить контакты.
Второй — диоды.
Третий — напряжения.
Лучше купить или нормальный БУ или хороший новый.
совсем не факт принимать за очевидность то, что ты говоришь ). И маленькие хороши для своих задач, а для резки стали, например четверкой, нужен уже более мощный агрегат
Я по опыту использования китайских компьютерных БП. Аналогия очевидна.
И технических прорывов, способных обеспечить такую мощность в таких габаритах я не наблюдаю. Так чтобы это не отразилось на надежности.
Технический прорыв" . . . уже есть давно. Люди давно делают сварочные инверторные аппараты в корпусе компьютерного БП.nova.rambler.ru/cl?rex=52…6utm_campaign%3Dimages_up
Вы знаете, китайские БП 450-500Вт в 300г весом тоже РАБОТАЮТ! Обычно — какое-то время.
на специализированных форумах такие компактные сварочники давно обсуждались, есть конечно определенные особенности таких устройств, но скептически оценивать их существование и применение все же не надо, т.к. абсолютно каждая вещь подходит не для универсальных задач, а лишь для конкретных и под стать ей, да и все в мире относительно )
Если вы сами делаете ИСА и упаковываете его в коробку от БП (господа, а где радиаторы и конденсаторы?) — это — одно дело. А серийное изделие дядюшки Ляо — другое.
Вы-же не будете утверждать, что данный сварочник — вершина инженерной мысли?
Потому я и отношусь скептически к перспективам данного у-ва.
Если на его основе сделать что-то выдающееся — это можно. Но сколько будет стОить?
А как серийное у-во — это вот тот самый китайский БП на 450Вт весом 300г.
никого не собираюсь убеждать с одной стороны, а с другой стороны-есть коммерческий интерес тех, кто производит подобного рода агрегаты, поэтому говорить, что можно, что нужно и сколько это будет стоить, решать им, а покупателю -покупать. Я же сетую за то и демагогию на этот предмет не развожу!, что в формате корпуса комп. источника питания нормальные сварочные аппараты ЕСТЬ и мощность их далеко за сотни ватт и тем самым хочу сказать, что в природе нет ничего невозможного, надо лишь хорошенько подумать!
Есть- есть. Но не данный вариант. Т.к. данный — дешевый серийный образец. И размер тут не от инженерных изысков, а из экономии (тупо меньше размер — меньше материала).
Особо не заморачивайся, с такими знаниями ты врятли его сможешь оживить, а по теме начни с проверки диодов на выходе.
начинать надо :1.С очистки от пыли .2. Визуальный осмотр и причем под лупой. 2. С проверки наличия питающих напряжений первичной стороны, вторичной стороны с контролем качества (Vcc). 3.С проверки наличия опорного напряжения, выхода шим . Нужен осциллограф и не омл-2 типа, а что-то посолиднее с норм. полосой . . . Идти в поиске с выхода до входа не всегда приносит нужный результат
Я конечно всё понимаю, но кому вы это объясняете?
объясняю это тому, у кого может сложиться несколько иной подход к теме и обманчивая простота в решении задачи
Ну если так считать, то для начала надо изучить основы электроники, чтобы перейти к изучению работы инверторов, а затем и их ремонта.
верно
Потребуется ИПН, осциллограф, лампочка. Классика в общем.
а также LC и ESR -метр
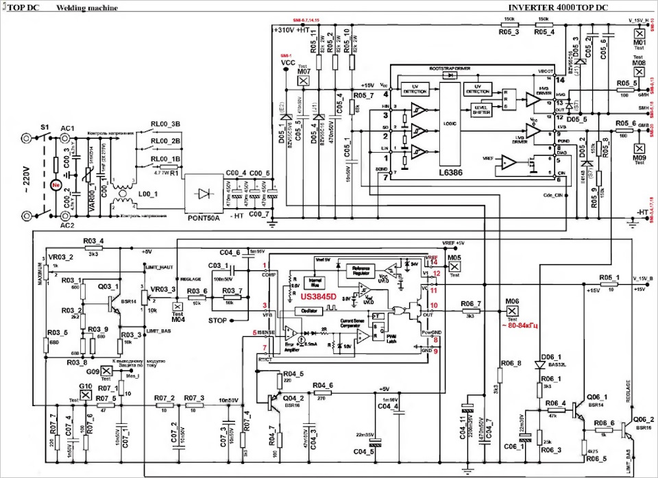
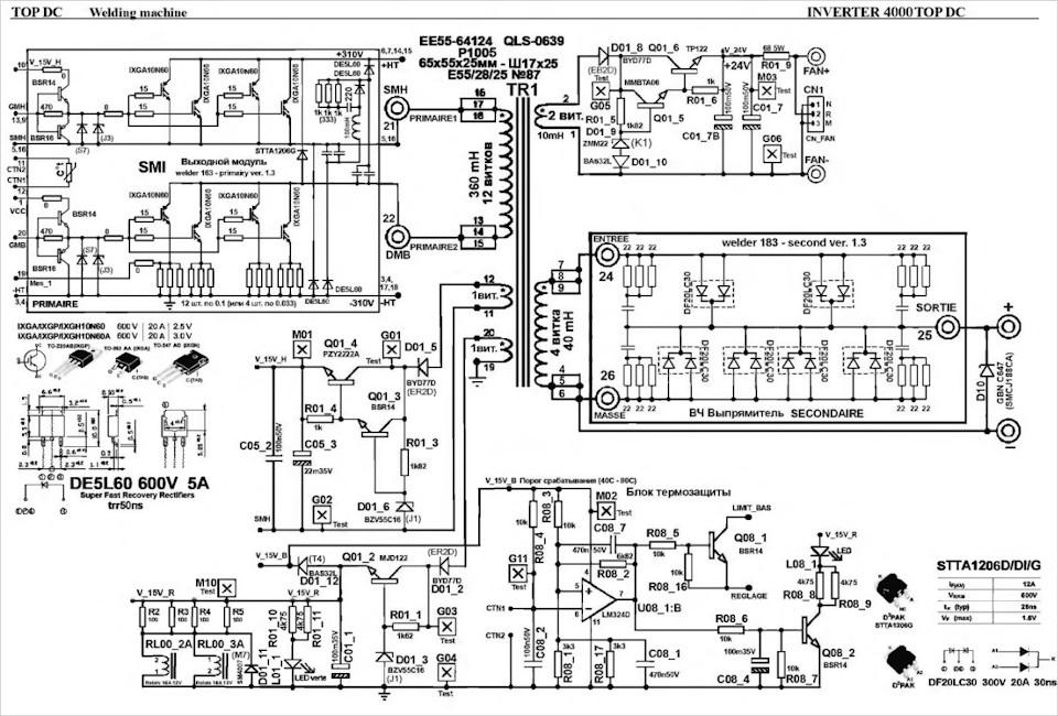
Не согласен с первым комментарием. Чинится все легко. Для начала найди принципиальную схему. Первое проверяешь напряжение после диодного моста, должно быть 310. Дальше напряжение на плате управления. Дальше осциллом смотришь ШИМ на ТГР (транс. гальв развязки) если есть, или на входе драйверов IGBT. Ну и прозвон IGBT транзисторов. 90 % что именно они вылетели.
о как. Например шим есть, все есть, а транзисторы снова летят в ведро и снова ставятся новые . Что дальше? )
Смотрим форму ШИМ, если с горбом на спаде фронта то ТГР накрылся, новый ТГР ставим. Или переделываем драйвер, ставим на оптронах, я так себе сделал.
Уважаемый, я понял Вы в курсе как чинятся сварочники. А меня проверять не нужно. Свой инвертор я починил, а также набрался небольшого опыта. В интернете все есть, нужно уметь искать.
Gin-Tonik
Не согласен с первым комментарием. Чинится все легко. Для начала найди принципиальную схему. Первое проверяешь напряжение после диодного моста, должно быть 310. Дальше напряжение на плате управления. Дальше осциллом смотришь ШИМ на ТГР (транс. гальв развязки) если есть, или на входе драйверов IGBT. Ну и прозвон IGBT транзисторов. 90 % что именно они вылетели.
Пря у всех осцилографы стоят и все умеют ими пользоваться, зачем это писать
www.drive2.ru/communities/2883
сюда пиши может чем помогут умельцы
Спасибо!
Скорее всего, где радиатор, транзисторы пробило. Чаще всего ремонт сварочных аппаратов выходит под 70% стоимости нового.
А если поменять Транзисторы?
просто так транзисторы не пробиваются и это лишь следствие неисправности, а причину надо искать, и уж тем более, если не силен в этом деле, то лучше к мастеру бегом, иначе натворишь еще больше бед сам.
Совет-ничего сам не делай и не меняй, неси к мастеру.
Уже подумываю отдать. Так он 7 рублей стоит. Ремонт рубля в 3 выйдет.
во сколько выйдет во столько и выйдет, но делать его самому, не имея ни приборов нужных, ни опыта, смысла нет.
Gernomor
Уже подумываю отдать. Так он 7 рублей стоит. Ремонт рубля в 3 выйдет.
Попробовать можно. Транзистор стоит 340-380р их там наверняка 2
Gernomor
А если поменять Транзисторы?
Транзисторы то поменяете, но с вероятностью 99% они сразу же у Вас выгорят, т.к. есть причины, почему они выгорели. И самое дорогое, это устранение причины.
NarkoHeal
Скорее всего, где радиатор, транзисторы пробило. Чаще всего ремонт сварочных аппаратов выходит под 70% стоимости нового.
Про них речь?
А если руки чешутся очень, то сперва надо искать схему аппарата . . .По фот о лечить мы не умеем
Evergreen747
А если руки чешутся очень, то сперва надо искать схему аппарата . . .По фот о лечить мы не умеем
я уже написал в комментариях шаги в попытке решения задачи ремонта
Gernomor
Про них речь?
Ага. Это слабое место такой компоновки. В местах где шестигранные стойки припаяны к плате, ищите микротрещины и прогары. По хорошему счету если трещины есть, то узел меняется. Ремонтировать его ооооооочень геморройно, и недолговечно. Такова технология изготовления.
Gernomor
Про них речь?
Большая плата, нижняя стойка. Похоже обрыв.
Gernomor
Про них речь?
была такая проблема просто перестал варить все включается но не варит.произошло это после того как я уронил коробку со сварочным с высоты ну пол метра максимум.не подумал бы даже на это, разобрал все цело начал шевелить платы и случилось чудо заработал.оказалось в момент падения вот эти втулки с резьбой впаяны в плату и в момент падения одна отошла от платы.пропаял все эти втулки и все гуд заработало.правда года два потом залезли какие то шакалы ко мне на стройку и приделали ему ноги, поэтому дальнейшая судьба не известна.но причина моей поломки было падение с небольшой высоты.
А вмятинка на нем снизу присутствует… Раскидаю-проверю.
тем более если был удар или падение.посмотри видео что к чему, выкинуть всегда успеешь.