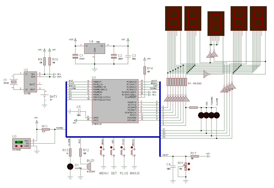
У давно хотел собрать что то оригинальное. И нашёл очень интересный проект Часы, будильник, термометр (ATmega8) на 4-х ИВ-12. И всё загорелся идеей собрать подобные часики в подарок любимой тёщи на Новый Год.
Нарисовал свою схему.


Все необходимые детали уже есть. Осталось только сделать трансформатор.
Прошу совета в разработке схемы, может нужно что нибудь поменять или вообще исключить.

Решил немного доработать схему.
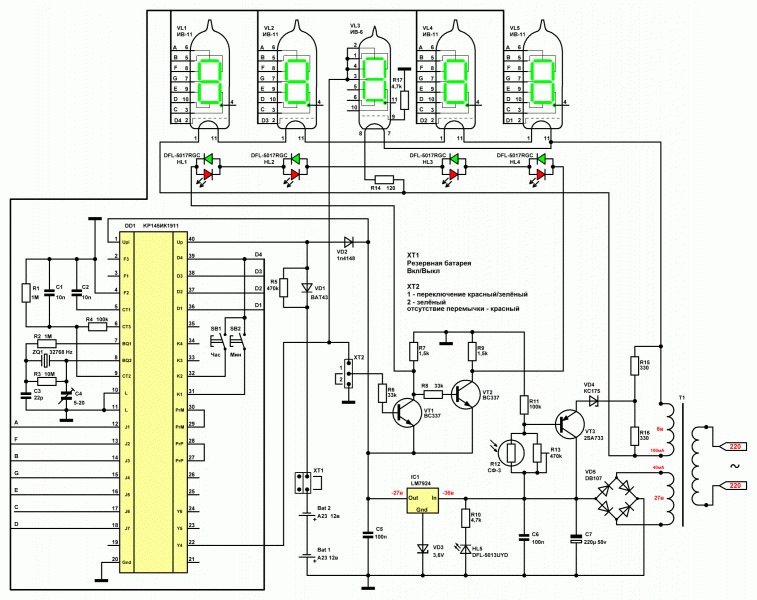
В качестве разделительной точки у меня будет индикатор ИВ-3А будет мигать верхнее колечко (сегменты ABFG). А если задействован будильник нам будет показывать нижний штрих (сегмент D). И в качестве нижних ключей думаю применить туже микросхему ULN2003.
Вот последний вариант схемы.

Плату уже начал разводить, под свои компоненты и свой корпус.
Конечный проект выложу как только соберу часики.


Комментарии 52
Здравствуйте. Платками не поделитесь?
Накал индикаторов нужно правильно организовать. Обмотку накала сделать с отводом от середины и подвесить этот отвод через стабилитрон 4,7…7,5 В к земле. Тогда засветок соседних сегментов не будет.
Правая схема (вариант II, с ключами нижнего уровня) — ваш вариант запитки:
спасибо. Трансформатор надо перемотать, хорошо что ещё не собрал.
2350
Накал индикаторов нужно правильно организовать. Обмотку накала сделать с отводом от середины и подвесить этот отвод через стабилитрон 4,7…7,5 В к земле. Тогда засветок соседних сегментов не будет.
Правая схема (вариант II, с ключами нижнего уровня) — ваш вариант запитки:
а можно не перематовать, просто тот что на землю провод подключить через стабилитрон?
Дело в том, что средняя точка нужна для того, чтобы сегменты засвечивались равномерно и мерцание было бы минимальным.
Можно поставить на выводы накала делитель напряжения из двух одинаковых резисторов (100…220 Ом) и их средний вывод посадить на стабилитрон, либо просто на шину +5 В, что равнозначно.
Кстати, изменяя напряжение на этой (средней точке), можно очень просто регулировать яркость свечения сегментов индикатора. При низком напряжении яркость будет максимальной. При увеличении напряжения яркость будет падать. Можно, например, среднюю точку подсоединять либо к +5 В шине (ярко), либо к шине +12 В (тускло).
А можно даже собрать на фоторезисторе автоматическую регулировку яркости, чтобы ночью яркость свечения снижалась, а при ярком внешнем виде — повышалась до максимума…
(В примере ниже "землёй" индикатора является напряжение -20,8 В, поэтому электролит запаян обратной полярностью.)
Спасибо за конструктивный ответ. Я понял нужно создать запирающее напряжение. Чтобы не переделывать плату и не перематывать трансформатор. Подключу стабилитрон через делитель на землю как в вашем прошлом примере. Я полагал что при нижнем запирающее напряжение не нужно.
Вот про это здесь есть radiokot.ru/circuit/digital/home/215/
Понял вашу идею по регулировке свечения индикаторов. Например как тут.
Да, всё верно понимаете. Теперь, думаю, и без меня прекрасно справитесь! Успехов!
вот нашёл ещё одну статью в ней несколько вариантов питания ламп. electro-tehnyk.narod.ru/docs/BISMC.html
Ага, всё собрано в одном месте! Но суть везде одинаковая — поднять напряжение на нити накала (катода), выше напряжения запирания сеток и анодов (превратить его в отрицательное). Это вы поняли сами.
Вот про эту схему управления яркостью я говорил выше electro-tehnyk.narod.ru/d…/BISMC.files/image015.jpg
Кстати, видели, как я вышел из положения: www.drive2.ru/l/288230376152164516/
Теперь мне сё понятно. спасибо.
2350
Ага, всё собрано в одном месте! Но суть везде одинаковая — поднять напряжение на нити накала (катода), выше напряжения запирания сеток и анодов (превратить его в отрицательное). Это вы поняли сами.
Вот про эту схему управления яркостью я говорил выше electro-tehnyk.narod.ru/d…/BISMC.files/image015.jpg
Кстати, видели, как я вышел из положения: www.drive2.ru/l/288230376152164516/
Стабилитрон Д814 подойдёт?
С буквой А только:
Д814А — разброс напряжения стабилизации: 7… 8,5 В при Iст 5 мА
Я бы предусмотрел на ZQ1 корректировочные конденсаторы на массу от каждой пластины. Точность хода — важный параметр в часах. Вы сможете подобрать кварц с частотой в плюс — например 32770 Гц, и подбором пикофарадных конденсаторов скорректировать ход с +30-40 сек. до + 2-3 сек. в месяц. А подобрать кварц, точно генерирующий 32768 тактов — нереально) Подумайте, пока печатку не изготовили.
Я собрал на ds1307 четверо часов, кварцев перебрал штук двадцать. И новые из разных магазинов, и новые с китайских модулей и старые из всяких разных часов, и с разных (новых и старых) материнских плат снимал. И один хрен часы убегали на 5-40 секунд за сутки. Я пришел к выводу, что сами микрухи гуано редкое. И одни часы собрал на ds3231, уже почти год ходят секунда в секунду!
Я тоже не одну козу е.ал в этой жизни, но все же любые микрухи, будь то к176ие12, ие18 или еще древнее на базе гамна мамонтенка — тупо считают и делят такты, подаваемые внешним частотозадающим элементом, т.е. заданную частоту кварцевого резонатора. И если этих тактов у резонатора 32800 — часы спешат, а если 32700 — отстают. Вина кварца. Их добротность зависит от многих параметров, в т.ч и от температуры, есть резонаторы разных классов точности и диапазонов.Это легко проверить на примитивном стенде для кварцевых резонаторов, собирается такой на коленке за 20 минут, подключается к осциллографу или частотомеру. Это справедливо и для RTC на DS3231. Но частоту можно корректировать. Частота китайского кварца 32768 может иметь погрешность в +/- несколько Герц. Положительный уход можно откорректировать конденсаторами, отрицательный — нет.
Не зная этой простой истины, вы можете еще 150 часов собрать с тем же результатом, угадав случайно точный кварц из кучи в 10 случаев из 100, но не понимая почему так произошло. Это понятно хоть?
Вы имеете что то возразить или будете дальше впечатлять меня необыкновенным опытом сборки китайских часов?
Максим, отличный девайс будет! Только если прошивку будете писать сами то лучше возьмите DS3231 вместо DS1307, она в разы стабильнее(сам с этим сталкивался) и из нее можно данные температуры считывать. И термо датчик лучше выбрать какой нибудь другой, лучше с i2c шиной. Просто 1-ware очень медленный, с его обработкой могут выйти накладки в основной программе. Но это все актуально, только при условии, что прошивку будете писать с нуля сами.
Нет. прошивки я писать не умею.
Обмотку реле надо зашунтировать диодом.
Да. я думаю от реле вообще отказаться.
Делал по такой же схеме, только накал от постоянки, засветы есть, надо отрицательным напряжением гасить.
ULN вроде до 60В, не погорит? И чего 155ид1 не ставите?
155 на ВЛИ?
ну да, немного попутал, на эти чтобы засветки не было надо отрицательное напряжение подавать.
Можно еще один датчик за окном повесить. Схему это не усложнит, а функционал расширит.
добавил бы резисторы по 1к шунтами б-э переходов ключевых транзисторов и диод параллельно обмотке реле, имхо
10к резисторы в базовых цепях в этом случае следует заменить на 6.2к
транс можно готовый в чип-и-дип поискать — они, вроде, через евросеть сейчас доставляют заказы
Да, точно.
отличные часы, я тоже подобные собираю и решил туда еще погодную станцию добавить
Это у Вас не ИВ лампы а ИН! Два абсолютно разных типа ламп, как по типу индикации, принципу свечения, так и по схематики включения!
я знаю, просто что ИН, что ИВ это уже ретролампы, а значит любые часы, собранные на них это необычно и красиво)
Я тоже на ИН-14 делаю и себе сделал и многим друзьям подарил. Они мне приятнее чем ИВ кажутся!
соглашусь, свет более теплыйи домашний
какой трансформатор? выдираете из старого двд или видеомагнитофона блок питания там все необходимые напряжения есть уже. Они ведь под ивл индикаторы расчитаны были. Зачем самому чтото городить?
Да есть у меня блок питания на целых 5 различных напряжений в том числе 30 и 1,5 вольта, только он в корпус мой ни как не влезает.
по моему смтп блок питания от китайского плеера не имеет большой размер.
По некоторым источника у L7805 верхний предел входного напряжения 25В (instrument.guru/elektroni…isanie-harakteristik.html ). Сделай 2 ступени — 7809 или 7812 (обе до 35В), а за ней уже 7805. За одно можно между ними "Крону" через диод воткнуть. При пропадании сети настройки сбиваться не будут.
Да у меня есть 7812. А настройки не собьются батарейка на 3,5 запитывает ds1307
Да, сразу не разглядел батарейку. В любом случае по аккуратней с питанием, при таком перепаде напруги, КРЕНКА будет хорошо греться, даже при малом токе нагрузки.
Поменяй DS1307 на DS3231 Она точнее, меньше зависит от изменения температуры.
совет теще не дарить.
почему?
Предлагаю воткнуть модуль GPS — чтобы настраивать ничего не надо было и всегда было точно время.
Или модуль часов реального времени.
Так его тоже надо будет настраивать и он тоже будет уходить со временем в какую-то сторону. И да, он на схеме есть.
Как заявлено китайцами 1-2 минуты в год, для тещи нормально, и настроить только один раз. А жпс модуль у меня дома спутники не ловит, только во дворе, тоже для плотной застройки не айс.
Это не от китайцев зависит, а от кварца 32768 Гц, который тоже не особо правильный. А GPS не обязательно фиксироваться по спутникам для получения времени, достаточно одного спутника, даже отраженного сигнала.
Последние модули с датчиком температуры, который регулирует частоту кварца от температуры, так что достаточно точные часы. И температуру можно вывести, если надо. Так заявлено. А с жпс модулем согласен, спутников не ловил, а ведь время то показывал, сейчас вспомнил.
PitUm
Как заявлено китайцами 1-2 минуты в год, для тещи нормально, и настроить только один раз. А жпс модуль у меня дома спутники не ловит, только во дворе, тоже для плотной застройки не айс.
это потому что, земля плоская и космоса не существует как и спутников)))
Спутники существуют, служил на космодроме))
Предлагаю воткнуть модуль GPS — чтобы настраивать ничего не надо было и всегда было точно время.
Сейчас бы тоже собирал на гпс модуле. А то мои на 10 минут уходят за три месяца :(
Ничто не мешает его добавить. Хватит одной свободной ножки контроллера. :)
В корпус не влезет, вот в чем беда.
adrenocrome
Сейчас бы тоже собирал на гпс модуле. А то мои на 10 минут уходят за три месяца :(
Добавь ёмкость корректирующую.
или в прошивке введи коррекцию по частоте кварца.